| На основании пункта 1 статьи 1366 части четвертой Гражданского кодекса Российской Федерации патентообладатель обязуется заключить договор об отчуждении патента на условиях, соответствующих установившейся практике, с любым гражданином Российской Федерации или российским юридическим лицом, кто первым изъявил такое желание и уведомил об этом патентообладателя и федеральный орган исполнительной власти по интеллектуальной собственности. |
|
(21), (22) Заявка: 2008143644/09, 01.11.2008
(24) Дата начала отсчета срока действия патента:
01.11.2008
(46) Опубликовано: 10.05.2010
(56) Список документов, цитированных в отчете о поиске:
US 5677729 А, 14.10.1997. RU 2195085 C2, 20.12.2002. RU 2289207 C1, 10.12.2006. RU 14100 U1, 27.06.2000. WO 2005013001 A2, 10.02.2005.
Адрес для переписки:
173024, г.Великий Новгород, пр. А. Корсунова, 29, корп.1, кв.9, В.М. Смелкову
|
(72) Автор(ы):
Смелков Вячеслав Михайлович (RU)
(73) Патентообладатель(и):
Смелков Вячеслав Михайлович (RU)
|
(54) УСТРОЙСТВО ПАНОРАМНОГО ТЕЛЕВИЗИОННОГО НАБЛЮДЕНИЯ
(57) Реферат:
Изобретение относится к панорамному телевизионному наблюдению, которое выполняется телевизионной системой при помощи телевизионной камеры кругового обзора в области, близкой к полусфере, т.е. в пространственном угле 360 градусов по азимуту и десятки градусов по углу места. Техническим результатом является повышение частоты кадров фотоэлектрического преобразования путем распараллеливания мишени фотоприемника. Технический результат достигается тем, что в плоскость выходного изображения панорамного зеркально-линзового объектива введена волоконно-оптическая насадка, имеющая n световодных ответвлений (жгутов), а блок цифрового телевизионного сигнала содержит в своем составе n датчиков видеосигнала, мишени каждого из которых состыкованы через волоконно-оптическое сочленение с одним из n жгутов насадки, а выходы подключены к соответствующим входам блока восстановления изображения, выход которого является выходом телевизионной камеры, причем число n соответственно жгутов насадки и датчиков видеосигнала удовлетворяет соотношению: ,
где г – горизонтальный угол поля зрения в градусах наблюдаемого оператором изображения. 5 ил.
Предлагаемое изобретение относится к панорамному телевизионному наблюдению, которое выполняется телевизионной системой при помощи телевизионной камеры кругового обзора в области, близкой к полусфере, т.е. в пространственном угле 360 градусов по азимуту и десятки градусов по углу места.
Наиболее близким по технической сущности к заявляемому изобретению следует считать устройство панорамного телевизионного наблюдения [1], содержащее последовательно соединенные телевизионную камеру и сервер, являющийся узлом локальной вычислительной сети, при этом телевизионная камера состоит из последовательно расположенных и оптически связанных панорамного зеркально-линзового объектива и блока цифрового телевизионного сигнала, датчик видеосигнала которого регистрирует на мишени все кольцевое оптическое изображение, формируемое панорамным объективом, а к серверу подключены два или более персональных компьютеров, каждый из которых содержит системный блок, манипулятор «мышь» и видеомонитор.
Недостаток прототипа – низкая частота кадров фотоэлектрического преобразования из-за физико-технологических ограничений максимальной частоты опроса элемента изображения в мегапиксельном датчике видеосигнала, что вызывает искажения динамичных сюжетов панорамного изображения.
Задача изобретения – повышение частоты кадров фотоэлектрического преобразования путем распараллеливания мишени фотоприемника.
Поставленная задача решается тем, что в заявляемом устройстве панорамного телевизионного наблюдения, содержащем последовательно соединенные телевизионную камеру и сервер, являющийся узлом локальной вычислительной сети, при этом телевизионная камера состоит из последовательно расположенных и оптически связанных панорамного зеркально-линзового объектива и блока цифрового телевизионного сигнала, а к серверу подключены два или более персональных компьютеров, каждый из которых содержит системный блок, манипулятор «мышь» и видеомонитор, согласно предлагаемому изобретению в плоскость выходного изображения панорамного зеркально-линзового объектива введена волоконно-оптическая насадка, имеющая n световодных ответвлений (жгутов), а блок цифрового телевизионного сигнала содержит в своем составе n датчиков видеосигнала, мишени каждого их которых состыкованы через волоконно-оптическое сочленение с одним из n жгутов насадки, а выходы подключены к соответствующим входам блока восстановления изображения, выход которого является выходом телевизионной камеры, причем число n соответственно жгутов насадки и датчиков видеосигнала удовлетворяет соотношению:
,
где г – горизонтальный угол поля зрения в градусах наблюдаемого оператором изображения.
Сопоставительный анализ с прототипом показывает, что заявляемое устройство отличается наличием новых признаков, в том числе:
– новыми элементами в составе телевизионной камеры, которыми являются: волоконно-оптическая насадка, датчики видеосигнала и блок восстановления изображения;
– взаимным расположением входного окна волоконно-оптической насадки относительно плоскости изображения выходного изображения панорамного объектива и выходных жгутов насадки относительно мишеней датчиков видеосигнала;
– новыми электрическими связями между датчиками видеосигнала и блоком восстановления изображения;
– параметром, связывающим соответственно количество жгутов насадки и количество датчиков видеосигнала с углом поля зрения по горизонтали наблюдаемого оператором изображения.
Совокупность известных и новых признаков заявляемого устройства не известна из уровня техники, поэтому предлагаемое техническое решение соответствует критерию новизны.
В заявляемом решении преобразование «свет-сигнал» выполняется не на одной мишени датчика с большим количеством бесполезных (неиспользуемых) пикселов и громадным (мегапиксельным) количеством общего числа элементов фотоприемника, а параллельно на n мишенях датчиков, обеспечивающих для оператора требуемую четкость изображения. Благодаря этому частота кадров фотоэлектрического преобразования может быть увеличена в n раз, а следовательно, динамичные сюжеты панорамного изображения будут воспроизводиться для оператора с меньшими потерями слитности.
Следовательно, по техническому результату и методу его достижения предлагаемое решение соответствует критерию о наличии изобретательского уровня.
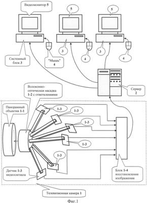
На фиг.1 приведена структурная схема заявляемого устройства панорамного телевизионного наблюдения; на фиг.2 показан пример размещения областей телевизионной регистрации (захвата) в плоскости выходного изображения панорамного объектива; на фиг.3 схематически представлено формируемое телевизионной камерой панорамное изображение, которое в виде последовательности из 6-ти кадров предлагается оператору персонального компьютера.
Заявляемое устройство панорамного телевизионного наблюдения, см. фиг.1, содержит телевизионную камеру 1, которая состоит из последовательно расположенных и оптически связанных панорамного объектива 1-1, волоконно-оптической насадки 1-2 с n световодными ответвлениями (жгутами), каждый из которых состыкован через волоконно-оптическое сочленение с мишенью одного из n датчиков видеосигнала (1-3), выходы которых подключены к соответствующим входам блока 1-4 восстановления изображения, выход которого является выходом телевизионной камеры и подсоединен к входу сервера 2, к выходам которого подключены два или более персональных компьютеров, каждый из которых содержит системный блок 3, манипулятор «мышь» 4 и видеомонитор 5.
Панорамный зеркально-линзовый объектив 1-1 телевизионной камеры предназначен для формирования оптического изображения кругового обзора (кольцевого изображения). Техническое решение панорамного зеркально-линзового объектива запатентовано в России отечественными специалистами [2]. Угловое поле в пространстве предметов для этого объектива составляет 360° по азимуту и может достигать (75÷80)° по углу места в зависимости от конструкции.
Волоконно-оптическая насадка 1-2 предназначена для выбора n областей захвата в плоскости выходного кольцевого изображения панорамного объектива 1-1 и проектирования этих оптических изображений на мишени датчиков 1-3.
Блок 1-4 восстановления изображения предназначен для цифровой записи n кадровой последовательности и передачи ее по скоростному интерфейсу на сервер 2.
Назначение и техническое решение каждого из датчиков 1-3 видеосигнала соответствует аналогичным блокам согласно публикации [3].
Техническое решение волоконно-оптической насадки 1-2 заимствовано из публикации [3], но реализуется с существенными конструктивными отличиями в части выбора ответвлений со стороны сочленения с объективом. Для сравнения на фиг.4 показано размещение областей телевизионной регистрации в плоскости входного окна волоконно-оптической насадки 1-2 согласно решению [3], когда число жгутов n=4.
Техническое решение блока 1-4 восстановления изображения также заимствовано из заявки [3], но с частичным использованием его эксплуатационных возможностей. В частности, электронное совмещение в одном кадре нескольких изображений, выполняемое этим блоком в заявке [3], в настоящем решении не требуется. Для иллюстрации на фиг.5 показана кадровая последовательность из четырех совмещенных в каждом кадре изображений, которая формируется блоком 1-4 на выходе применительно к решению [3].
Назначение и техническое решение блоков 2, 3, 4 и 5 соответствует компьютерным приборам того же названия.
Устройство панорамного телевизионного наблюдения (см. фиг.1) работает следующим образом.
Предположим, что горизонтальный угол поля зрения ( г) изображения, наблюдаемого с экрана видеомонитора 5, составляет шестьдесят градусов. Тогда число n=6, а кольцевое изображение на выходе панорамного объектива 1-1 при помощи насадки 1-2 необходимо разделить на шесть областей захвата (см. фиг.2).
Оптические изображения этих областей проецируются соответственно на мишени шести датчиков 1-3 видеосигнала, которые параллельно формируют шесть телевизионных сигналов их регистрации. Точками на фиг.2 отмечено начало первой строки регистрации датчика видеосигнала.
В блоке 1-4 осуществляется цифровая запись панорамного изображения по критерию, когда одному «кольцевому» кадру соответствуют шесть «прямоугольных» кадров в последовательности: «Область 1» – «Область 2» – «Область 3» – «Область 4» – «Область 5» – «Область 6» (см. фиг.3) с одновременным выполнением коррекции геометрических искажений каждого из участков оптического панорамного изображения.
С выхода телевизионной камеры 1 этот цифровой сигнал по скоростному интерфейсу, например USB 2,0, поступает на сервер 2 и предоставляется пользователям персональных компьютеров на выходе «сеть».
Локальную вычислительную сеть, подключенную к серверу 2, образуют персональные компьютеры, каждый из которых оснащен системным блоком в позиции 3, манипулятором «мышь» в позиции 4 и видеомонитором в позиции 5. Оператор каждого персонального компьютера может осуществить при помощи манипулятора «мышь» 4 селекцию предлагаемого изображения и его вывод на экран видеомонитора 5.
Предположим, что горизонтальный угол поля зрения ( г) изображения, наблюдаемого с экрана видеомонитора 5, составляет 22,5°. Тогда число n=16, а кольцевое изображение на выходе панорамного объектива 1-1 при помощи насадки 1-2 потребуется разделить на шестнадцать областей захвата. Оператору будет предложена 16-ти кадровая последовательность панорамного изображения.
Технический результат предлагаемого изобретения заключается в том, что по отношению к прототипу частота кадров преобразования «свет-сигнал» может быть увеличена в n раз. Повышение частоты кадров фотоэлектрического преобразования означает повышение слитности восприятия телевизионного изображения подвижного объекта при его воспроизведении на стандартном компьютерном видеомониторе.
В настоящее время все элементы структурной схемы устройства панорамного телевизионного наблюдения освоены или могут быть освоены отечественной промышленностью. Поэтому следует считать предлагаемое изобретение соответствующим требованию о промышленной применимости.
ИСТОЧНИКИ ИНФОРМАЦИИ
1. Смелков В.М. К вопросу построения телевизионной камеры для панорамного наблюдения / Спецтехника и связь, 1, июль-август 2008, с.12-17.
2. Куртов А.В., Соломатин В.А. Панорамный зеркально-линзовый объектив. Патент России 2185645, G02B 13/06, G02B 17/08, заявлен 22.12.1999, опубликован 20.10.2001.
3. Устройство для получения телевизионных изображений с помощью матриц с зарядовой связью и передающая система с подобным устройством. Описание к заявке Франции 2476949, H04N 5/32, А61В 6/00, H04N 3/15, H05G 1/60, заявлено 22.02.1980, опубликовано 28.08.1981.
Формула изобретения
Устройство панорамного телевизионного наблюдения, содержащее последовательно соединенные телевизионную камеру и сервер, являющийся узлом локальной вычислительной сети, при этом телевизионная камера состоит из последовательно расположенных и оптически связанных панорамного зеркально-линзового объектива и блока цифрового телевизионного сигнала, а к серверу подключены два или более персональных компьютеров, каждый из которых содержит системный блок, манипулятор «мышь» и видеомонитор, отличающееся тем, что в плоскость выходного изображения панорамного зеркально-линзового объектива введена волоконно-оптическая насадка, имеющая n световодных ответвлений (жгутов), а блок цифрового телевизионного сигнала состоит из n датчиков видеосигнала, мишени каждого их которых состыкованы через волоконно-оптическое сочленение с одним из n жгутов насадки, а выходы подключены к соответствующим входам блока восстановления изображения, выход которого является выходом телевизионной камеры, причем число n соответственно жгутов насадки и датчиков видеосигнала удовлетворяет соотношению
 где г – горизонтальный угол поля зрения наблюдаемого оператором изображения, град.
РИСУНКИ
|