|
|
(21), (22) Заявка: 2007144217/09, 29.11.2007
(24) Дата начала отсчета срока действия патента:
29.11.2007
(30) Конвенционный приоритет:
25.10.2007 KR 10-2007-0107716
(43) Дата публикации заявки: 10.06.2009
(46) Опубликовано: 10.05.2010
(56) Список документов, цитированных в отчете о поиске:
DE 4108573 С2, 24.09.1992. RU 2075833 C1, 20.03.1997. SU 1737596 A1, 30.02.1992.
Адрес для переписки:
125009, Москва, а/я 332, ЗАО “Инэврика”, О.Н.Майорову
|
(72) Автор(ы):
ЛИ Ки-Чхан (KR)
(73) Патентообладатель(и):
Хосо Юнивесити Академик Кооперэйшин Фаундэйшин (KR)
|
(54) СИСТЕМА КОМПЕНСАЦИИ ИСКАЖЕНИЙ И ШУМОВ В ГИБРИДНЫХ ОПТИКО-КОАКСИАЛЬНЫХ КАБЕЛЬНЫХ СЕТЯХ
(57) Реферат:
Настоящее изобретение относится к системе компенсации и удаления компоненты искажений и шумов сигнала, генерируемой и накапливаемой в гибридной оптико-коаксиальной сети «HFC». Технический результат состоит в обновлении известных «HFC» сетей и создание «HFC» сетей нового поколения. Для этого система передает оптический сигнал с входной стороны оптического сетевого модуля «HFC» сети в коаксиальный распределительный концентратор по отдельной оптоволоконной перемычке, преобразует оптический сигнал в эталонный радиочастотный сигнал, не содержащий большинства искажений и шумов, выделяет только компоненту искажений и шумов посредством суммирования в противоположных фазах эталонного радиочастотного сигнала с искаженным основным радиочастотным сигналом, содержащим искажения и шумы, генерируемые при прохождении радиочастотного сигнала через коаксиальные кабели и каскадные коаксиальные усилители в коаксиальных линиях связи «HFC» сети, и компенсирует компоненту искажений и шумов посредством суммирования выделенной компоненты искажений и шумов с искаженным основным радиочастотным сигналом в противоположной фазе. 7 з.п. ф-лы, 4 ил.
1. Область техники, к которой относится изобретение
Настоящее изобретение относится к системе компенсации искажений и шумов в гибридных оптико-коаксиальных «HFC» кабельных сетях (далее, «HFC» сеть), которая нейтрализует компоненты искажений и шумов, появляющиеся и накапливающиеся в коаксиальных линиях связи «HFC» сети, а также повышает качество сигнала и пропускную способность «HFC» сети.
В частности, предлагаемая в настоящем изобретении система улучшает пропускные характеристики «HFC» сети и соответственно улучшает качество сигнала благодаря компенсации искажений и шумов, в основном генерируемых и накапливающихся в коаксиальных линиях связи «HFC» сети. «HFC» сеть представляет собой комбинированную структуру из оптоволоконных и коаксиальных кабелей, предназначенную для передачи широкополосных широковещательных сигналов и/или коммуникационных сигналов от головной станции к абонентам, причем сигналы передаются в домене оптической связи от головной станции к модулям оптоволоконной сети (далее, модуль «ONU») с использованием оптоволоконных кабелей с малыми потерями, модуль «ONU» преобразует оптический сигнал в радиочастотный сигнал (ВЧ-сигнал), радиочастотные сигналы передаются в домене радиосвязи от модуля «ONU» абонентам по коаксиальным кабелям с утечками. Поскольку сигналы в коаксиальных линиях связи подвержены сильному затуханию, применяются соединенные в каскад магистральные усилители коаксиальной линии связи (компенсирующие ослабление сигнала), предназначенные для компенсации ослабления сигнала, в которых генерируются искажения и шумы из-за нелинейности и шумов (шум-фактора) усилителей. Это приводит к ухудшению эксплуатационных характеристик «HFC» сетей, а также ограничивает пропускную способность и расстояние, на которое передается сигнал. Предлагаемая в настоящем изобретении система компенсирует искажения и подавляет шумы в коаксиальных распределительных концентраторах и позволяет избавиться от фатального недостатка «HFC» сети.
2. Известный уровень техники
«HFC» сеть представляет собой коммуникационную сеть, конфигурация которой определяется эффективным сочетанием оптоволоконных линий связи и коаксиальных кабелей, широко используемую для передачи и распространения многоканальных кабельных телевизионных широковещательных сигналов. «HFC» сеть обладает множеством преимуществ, в частности широкой полосой пропускания, надежностью, расширяемостью, экономической эффективностью, легкостью обеспечения качества обслуживания и т.д. Кроме того, «HFC» сеть может обеспечить двунаправленную (от абонента (по восходящему каналу) и к абоненту (по нисходящему каналу)) передачу данных по умеренной цене с использованием одиночной коаксиальной линии связи, а также по ней можно также подавать переменный ток электропитания для усилителей посредством наложения его на радиочастотный сигнал в коаксиальном кабеле. Вот почему «HFC» сети наиболее широко используются в настоящее время в широкополосных системах, таких как сети передачи и распределения сигнала кабельного телевидения.
На широковещательной станции кабельного телевидения многоканальные кабельные телевизионные сигналы собираются вместе на головной станции и передаются в распределительный центр по оптоволоконному кабелю. Распределительный центр расщепляет принятые оптические сигналы на множество отдельных нитей (жил) оптоволоконных кабелей и передает разветвленные оптические сигналы отдельным модулям «ONU».
Расстояние от головной станция до модулей «ONU» является сравнительно большим, порядка нескольких километров или десятков километров. Однако поскольку широкополосные многоканальные телевизионные сигналы передаются через одномодовые оптоволоконные кабели, потери на трассе, искажения и шумы сравнительно невелики.
Модуль «ONU» преобразует оптические сигналы в радиочастотные сигналы. Преобразованные радиочастотные сигналы передаются в коаксиальные распределительные концентраторы (устройство соединения ветвей многоточечной сети) через несколько коаксиальных кабелей и такое же число коаксиальных магистральных усилителей, затем каждый распределительный концентратор передает радиочастотные сигналы на терминалы абонентов через коаксиальные кабели, распределительные или расширительные усилители, ВЧ-разветвители и абонентское ответвление.
Несмотря на то, что расстояние от модуля «ONU» до коаксиального распределительного концентратора сравнительно мало и составляет от сотен метров до нескольких километров, потери сигнала на трассе очень велики по причине того, что радиочастотные сигналы передаются через коаксиальные кабели, обладающие утечками. Соответственно для компенсации потерь на трассе коаксиального кабеля несколько ступеней коаксиальных магистральных усилителей соединены в каскад с определенным интервалом. В указанных коаксиальных каскадных усилителях из-за нелинейных характеристик и шумов (шум-фактора) усилителей генерируется и накапливается значительное количество искажений и шумов.
В соответствии с последней тенденцией интеграции широковещания и связи «HFC» сети используются не только для передачи программ кабельного телевидения, но также для Интернет-связи, передачи голоса с использованием Интернет-протокола (VoIP), видео по требованию (VOD), телеизмерений и т.п., с непрерывным расширением соответствующих прикладных программ и дополнительных услуг. В частности, в связи с требованиями, предъявляемыми современной индустрией массмедиа, число каналов передачи данных и дополнительных услуг в «HFC» сетях увеличивается с каждым днем.
Кроме того, в соответствии с современными тенденциями в технологии, например переходом на цифровое широковещание, объединением средств коммуникации и широковещания, а также тенденцией многоканальности и диверсификации мультимедийных приложений возникает необходимость в дополнительном расширении полосы передачи и повышении скорости передачи данных. Следовательно, повышение пропускной способности «HFC» сети является обязательным условием, чтобы играть важную роль в современном обществе при создании инфраструктуры систем коммуникации и широковещания.
СУЩНОСТЬ ИЗОБРЕТЕНИЯ
Однако «HFC» сеть имеет несколько недостатков и ограничений. В то время как оптоволоконная линия связи «HFC» сети характеризуется очень широкой полосой пропускания, плоской амплитудно-частотной характеристикой и очень низкими потерями на трассе, что обеспечивает возможность передачи сигналов на большое расстояние, коаксиальная линия связи «HFC» сети характеризуется неплоской амплитудно-частотной характеристикой и очень высокими потерями на трассе, из-за чего передача сигналов возможна только на короткие расстояния. Действительно, потери на трассе при передаче по коаксиальному кабелю высоки и в зависимости от частоты в десятки или сотни раз больше по сравнению с потерями в оптоволоконных кабелях, и они возрастают пропорционально логарифму корня квадратного из частоты.
Поэтому «HFC» сеть оснащена несколькими коаксиальными линейными усилителями, соединенными в каскад и предназначенными для компенсации потерь в коаксиальном кабеле, расположенными с интервалом от 200 м до 400 м, что является расстоянием, на котором затухание составляет около 20 дБ. Расстояние между коаксиальными линейными усилителями меняется в зависимости от потерь используемого коаксиального кабеля, числа передаваемых каналов и ширины полосы пропускания.
Кроме того, число ступеней усилителей, соединенных в каскад, может быть от 5 до 20 ступеней в зависимости от пропускной способности и требуемого качества сигналов, столько – пока накопленные искажения и уровень шумов удовлетворяют требуемым характеристикам сигнала. Поэтому наиболее существенными эксплуатационными характеристиками «HFC» сети являются интермодуляционные искажения «IMD», перекрестная модуляция «Х-MOD», отношение сигнал-шум «CNR» на несущей частоте, и коаксиальные магистральные усилители оказывают доминирующее воздействие на эти факторы.
В частности, через кабельную телевизионную систему передается практически от 60 почти до 200 аналоговых и цифровых телевизионных каналов с использованием мультиплексной передачи с частотным разделением каналов. Нисходящий сигнал в сети HFC содержит сотни несущих компонентов, включая видеоканалы, аудиоканалы и цветовые субканалы аналогового телевизионного сигнала, каналы цифрового телевидения, каналы данных Интернета и множество каналов для дополнительных услуг кабельного телевидения.
Если в передаточной функции коаксиального усилителя имеется какая-либо нелинейность, сотни каналов усиливаются нелинейно, и нелинейное усиление приводит к модуляциям амплитуды между произвольными сочетаниями каналов для передачи информации. Поэтому в кабельной телевизионной системе с коаксиальными линиями связи «HFC» генерируются тысячи суммарных и разностных компонентов (результат биений), которые определенно вносят искажения, не существовавшие в исходном сигнале, и создают помехи для компонентов сигналов.
Наиболее критичными факторами, связанными с эффективностью системы, из числа интермодуляционных искажений в «HFC» сети являются композитные искажения второго порядка «CSO», искажения второго порядка, композитные биения третьего порядка «СТВ», искажения третьего порядка и отношение сигнал-шум «CNR» на несущей частоте, а также относительная величина шумов. Целью настоящего изобретения является предложение системы компенсации искажений и шумов в «HFC» сети для улучшения указанных характеристик, связанных с композитными искажениями второго порядка «CSO», композитными биениями третьего порядка «СТВ» и отношением сигнал-шум «CNR» для «HFC» сети, и, следовательно, улучшения качества сигнала, доставляемого на абонентские терминалы.
В действительности, система компенсации искажений и шумов в «HFC» сетях согласно настоящему изобретению дополняется оптическим ответвителем (отводом), оптическим разветвителем (сплиттером) и дополнительными оптоволоконными перемычками от вводной клеммы модуля оптоволоконной сети «ONU» на требуемые коаксиальные распределительные концентраторы, используемые в известной «HFC» сети. Оптический ответвитель и оптический разветвитель принимают неискаженный (не содержащий искажений и шумов) оптический сигнал определенной величины, расщепляют его на заданное число оптических перемычек и передают каждому коаксиальному распределительному концентратору.
Коаксиальный распределительный концентратор поставляется вместе с устройством компенсации искажений и шумов и традиционным двуканальным коаксиальным усилителем. Устройство компенсации искажений и шумов преобразует оптический сигнал в неискаженный радиочастотный сигнал и извлекает сигнал разностной составляющей (разностную компоненту), который фактически является компонентой, содержащей искажения и шумы, посредством сравнения неискаженного радиочастотного сигнала с основным радиочастотным сигналом, принятым через коаксиальные кабели и каскадные коаксиальные магистральные усилители.
Извлеченная компонента, содержащая искажения и шумы, затем складывается в обратной (противоположной) фазе с искаженным радиочастотным сигналом, принятым по коаксиальной линии связи, содержащей коаксиальные кабели и каскадные магистральные усилители. Соответственно компонента искажений и шумов, содержащаяся в искаженном радиочастотном сигнале, принятом по коаксиальному каналу, компенсируется, и, следовательно, коаксиальный распределительный концентратор выдает в последующие распределительные сети и на терминалы абонентов радиочастотные сигналы, свободные от искажений и шумов.
Таким образом, система компенсации искажений и шумов в «HFC» сети согласно настоящему изобретению содержит модуль оптоволоконной сети «ONU», предназначенный для преобразования оптического сигнала, принятого от головной станции по первому оптоволоконному кабелю, в радиочастотный сигнал и передачи преобразованного радиочастотного сигнала в коаксиальный распределительный концентратор по коаксиальному кабелю; несколько коаксиальных магистральных усилителей, последовательно подключенных к коаксиальному кабелю для усиления радиочастотного сигнала; оптический ответвитель, предназначенный для ответвления оптического сигнала от первого оптоволоконного кабеля на оптическом входном соединителе модуля «ONU» и передачи ответвленного оптического сигнала в коаксиальный распределительный концентратор по второму оптоволоконному кабелю; и устройство компенсации искажений и шумов, установленное в коаксиальном распределительном концентраторе, выделяющее компоненту искажений и шумов, содержащуюся в искаженном радиочастотном сигнале, принятом через коаксиальный кабель и каскадные усилители, с использованием неискаженного оптического сигнала, передаваемого через второй оптоволоконный кабель, и компенсирующее компоненту искажений и шумов посредством складывания в противофазе (со сдвигом 180°) извлеченной компоненты искажений и шумов с искаженным радиочастотным сигналом, принятым через коаксиальный кабель и каскадные усилители.
Устройство компенсации искажений и шумов может содержать схему выделения компоненты искажений и шумов, предназначенную для преобразования оптического сигнала, принятого по второму оптическому оптоволоконную кабелю, в радиочастотный сигнал и выделения компоненты искажений и шумов посредством складывания в противофазе преобразованного неискаженного радиочастотного сигнала с искаженным радиочастотным сигналом, принятым по коаксиальной линии связи; и схему компенсации, предназначенную для удаления компоненты, содержащей искажения и шумы, посредством складывания в противофазе указанной компоненты искажений и шумов, полученной схемой выделения компоненты искажений и шумов, с искаженным радиочастотным сигналом, принятым по коаксиальной линии связи.
Кроме того, устройство компенсации искажений и шумов может содержать направленный ответвитель, предназначенный для ответвления искаженного радиочастотного сигнала, принятого по коаксиальной линии связи, и соответственно ввода ответвленных радиочастотных сигналов в схему выделения компоненты искажений и шумов и в схему компенсации.
Схема выделения компоненты, содержащей искажения и шумы, может содержать преобразователь оптического сигнала в радиочастотный сигнал, предназначенный для преобразования оптического сигнала, принятого по второму оптоволоконному кабелю, в радиочастотный сигнал; устройство линии задержки, предназначенное для задержки этого радиочастотного сигнала, преобразованного преобразователем оптического сигнала в радиочастотный сигнал; и направленный ответвитель, предназначенный для выделения компоненты искажений и шумов посредством вычитания этого неискаженного радиочастотного сигнала, задержанного линией задержки, из искаженного радиочастотного сигнала, принятого по коаксиальной линии связи.
Схема выделения компоненты искажений и шумов может дополнительно содержать эквалайзер, расположенный после преобразователя оптического сигнала в радиочастотный сигнал или после линии задержки и предназначенный для регулировки амплитудно-частотной характеристики неискаженного радиочастотного сигнала, преобразованного преобразователем оптического сигнала в радиочастотный сигнал, с целью получения частотной характеристики, идентичной характеристике искаженного радиочастотного сигнала, поступающего по коаксиальной линии связи.
Схема выделения компоненты искажений и шумов может дополнительно содержать аттенюатор, предназначенный для регулировки уровня искаженного радиочастотного сигнала до уровня неискаженного радиочастотного сигнала.
Схема компенсации может дополнительно содержать направленный ответвитель, предназначенный для вычитания компоненты искажений и шумов, выделенной схемой выделения компоненты искажений и шумов, из искаженного радиочастотного сигнала, принятого по коаксиальной линии связи.
Схема компенсации может дополнительно содержать усилитель сигнала рассогласования, предназначенный для усиления компоненты искажений и шумов, выделенной схемой выделения компоненты искажений и шумов, и ввода усиленной компоненты искажений и шумов в направленный ответвитель; а также фазосдвигающее устройство, предназначенное для регулировки фазы искаженного радиочастотного сигнала, принятого по коаксиальной линии связи, чтобы иметь одинаковую фазу с фазой сигнала с выхода усилителя сигнала рассогласования, и ввода радиочастотного сигнала со сдвинутой фазой в направленный ответвитель.
КРАТКОЕ ОПИСАНИЕ ЧЕРТЕЖЕЙ
Опишем теперь подробно настоящее изобретение со ссылкой на прилагаемые чертежи на примере его предпочтительного варианта осуществления, не ограничивающего данное изобретение. На чертежах одни и те же номера позиций используются для обозначения сходных элементов.
На фиг.1 приведена блок-схема общей конфигурации «HFC» сети, содержащей систему компенсации искажений и шумов в соответствии с настоящим изобретением.
На фиг.2 представлена блок-схема, отражающая предпочтительный вариант осуществления системы компенсации искажений и шумов в соответствии с настоящим изобретением.
На фиг.3 представлена блок-схема, отражающая принцип работы системы компенсации искажений и шумов в соответствии с настоящим изобретением.
На фиг.4 представлена подробная блок-схема, отражающая вариант осуществления настоящего изобретения, в котором система компенсации искажений и шумов в соответствии с настоящим изобретением применяется к традиционному мостовому усилителю коаксиального распределительного концентратора «HFC» сети.
ОПИСАНИЕ ПРЕДПОЧТИТЕЛЬНОГО ПРИМЕРА ОСУЩЕСТВЛЕНИЯ НАСТОЯЩЕГО ИЗОБРЕТЕНИЯ
Приведенные ниже подробные сведения преследуют только иллюстративные цели и относятся к примерам предпочтительных вариантов осуществления настоящего изобретения. Кроме того, для простоты объяснения представляется наиболее целесообразным изложить основные положения и концепцию данного изобретения.
Таким образом, подробные сведения о конфигурациях, необходимые для полного осмысления настоящего изобретения, излагать не предполагается, вместо этого рассмотрено несколько понятных для специалистов в данной области техники форм реализации в рамках области действия настоящего изобретения, иллюстрируемых чертежами.
На фиг.1 представлена блок-схема, отражающая общую конфигурацию «HFC» сети, содержащей систему компенсации искажений и шумов в соответствии с настоящим изобретением. В «HFC» сети головная станция 100, представляющая собой полный комплект оборудования, предназначенного для передачи широковещательных сигналов кабельного телевидения, выдает многоканальный оптический сигнал с частотным уплотнением (FDM). Оптический сигнал с выхода головной станции 100 передается по оптоволоконному кабелю 102 в распределительный центр 104, представляющий собой оптический узел (базовая станция оптоволоконной связи). Распределительный центр 104 распределяет оптический сигнал по нескольким жилам оптических кабелей. Множество оптических сигналов из распределительного центра 104 передаются на множество модулей 108 «ONU», установленных в распределительных узлах отдельных зон, соответственно через множество оптоволоконных кабелей 106.
Хотя расстояние от головной станции 100 до модуля 108 «ONU» сравнительно большое – от нескольких километров до нескольких десятков километров, потери в линии связи, а также величина искажений и шумов в оптической линии связи сравнительно низки, т.к. сигнал передается через одномодовые оптоволоконные кабели 102 и 106 с низкими потерями.
Каждый модуль 108 «ONU» преобразует принятый оптический сигнал в радиочастотный сигнал (ВЧ-сигнал) и передает преобразованный радиочастотный сигнал на несколько коаксиальных распределительных концентраторов 112 через коаксиальные кабели 110 и каскадные коаксиальные магистральные усилители 114.
При передаче по коаксиальному кабелю 110 радиочастотный сигнал быстро затухает, т.к. потери в коаксиальной линии связи в несколько десятков или несколько сотен раз превышают потери в оптической линии связи. Следовательно, коаксиальный магистральный усилитель 114 следует устанавливать в точке магистрали, в которой потери в коаксиальном кабеле 110 достигают значения около 20 дБ, чтобы усилить радиочастотный сигнал и компенсировать потери в линии связи, оцениваемые величиной около 20 дБ. Затем сигнал снова передается по коаксиальному кабелю 110 и снова усиливается коаксиальным магистральным усилителем 114 и т.д. Реализация такой архитектуры приводит к тому, что каскадные коаксиальные магистральные усилители 114 подключаются между коаксиальными кабелями 110 с интервалом от 200 до 400 метров.
Таким способом радиочастотный сигнал передается на коаксиальный распределительный концентратор 112, а коаксиальный распределительный концентратор 112 передает радиочастотный сигнал на терминалы абонентов с помощью мостовых усилителей и/или усилительной подстанции (на чертежах не показано). В такой «HFC» сети радиочастотный сигнал усиливается с помощью нескольких коаксиальных магистральных усилителей 114, чтобы компенсировать затухание радиочастотного сигнала в процессе его передачи с выхода модуля 108 «ONU» на коаксиальный распределительный концентратор 112 по коаксиальному кабелю 110. В процессе усиления в нескольких коаксиальных магистральных усилителях 114 возникают значительные искажения и шумы, которые суммируются всякий раз, когда радиочастотный сигнал проходит через соответствующий коаксиальный магистральный усилитель 114, и, следовательно, радиочастотный сигнал все больше и больше искажается.
Таким образом, согласно настоящему изобретению оптический ответвитель 116 устанавливается на конце жилы оптоволоконного кабеля 106, по которому передается оптический сигнал с распределительного центра 104 на модуль 108 «ONU», и часть оптического сигнала ответвляется. Оптический сигнал, ответвленный оптическим ответвителем 116, разветвляется оптическим разветвителем 118 (сплиттером) на несколько жил 120 оптоволоконных кабелей и передается на несколько коаксиальных распределительных концентраторов 112, преобразующих оптический сигнал в радиочастотный сигнал и обрабатывающих его, по оптоволоконным кабелям 120 почти без потери и ухудшения сигнала в отношении искажений или шумов, т.к. длина перемычки оптоволоконного кабеля 120 для коаксиальной линии связи очень мала по сравнению с оптоволоконной линией связи, и затухание в оптоволоконной линии связи достаточно мало.
Важно здесь осознать, что мы не можем использовать оптический сигнал на выходе из оптоволоконного кабеля 120 после преобразования его в радиочастотный сигнал в качестве основного радиосигнала нисходящего канала «HFC» даже, когда выходной оптический сигнал почти не имеет потерь и не содержит искажений и шумов. Для этого существуют две причины. Первая причина заключается в том, что уровень (уровень мощности) оптического сигнала на выходе из оптоволоконного кабеля 120, по существу, очень низок, т.к. он в оптическом ответвителе 116 отделен как сигнал малой мощности, недостаточной для управления коаксиальным распределительным концентратором 112 для последующего ответвления сети. Для управления коаксиальным распределительным концентратором 112 этот сигнал после радиочастотного преобразования следует усилить до высокого уровня. Однако во время усиления при высоком коэффициенте усиления сигнал ухудшается в отношении искажений и шумов. Второй причиной является то, что все коаксиальные усилители в коаксиальных линиях связи сконфигурированы для двунаправленной (прямое/обратное или нисходящее/восходящее двухканальное усиление, как это показано на фиг.4) работы. По этой причине при использовании оптоволоконного кабеля 120 в качестве основной линии связи для нисходящего канала обратный (по восходящему каналу) сигнальный канал не может быть организован, и, следовательно, двунаправленный канал связи не будет работать.
Каждый из множества коаксиальных распределительных концентраторов 112 содержит устройство компенсации искажений и шумов 122 в соответствии с настоящим изобретением и двухканальный коаксиальный мостовой усилитель 200 и 300 (показаны только на чертежах фиг.2, фиг.3 и фиг.4). Устройство компенсации искажений и шумов 122 выделяет компоненту искажений и шумов, содержащуюся в радиочастотном сигнале, с использованием искаженного радиочастотного сигнала, принятого через коаксиальные кабели 110 и коаксиальные магистральные усилители 114, и неискаженного оптического сигнала, принятого по оптоволоконному кабелю 120. Далее, устройство компенсации искажений и шумов 122 объединяет извлеченную компоненту искажений и шумов с искаженным радиочастотным сигналом, принятым через коаксиальный кабель 110 и магистральные усилители 114, и компенсирует компоненту искажений и шумов, содержащуюся в искаженном радиочастотном сигнале.
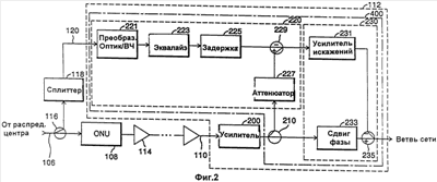
На фиг.2 представлена блок-схема, отражающая предпочтительный вариант осуществления гибридных оптико-коаксиальных «HFC» кабельных сетей сети, содержащей систему компенсации искажений и шумов в соответствии с настоящим изобретением. Как показано на фиг.2, радиочастотный сигнал (ВЧ-сигнал), принятый по коаксиальному кабелю 110, усиливается усилителем 200 и вводится в направленный ответвитель 210, при этом в направленном ответвителе часть радиочастотного сигнала ответвляется. Ответвленный радиочастотный сигнал вводится в схему выделения компоненты (составляющей сигнала) искажений и шумов 220 устройства компенсации искажений и шумов 122.
Схема извлечения компоненты искажений и шумов 220 содержит преобразователь оптического сигнала в радиочастотный сигнал (ВЧ-сигнал) 221, эквалайзер 223, линию задержки 225, аттенюатор 227 и направленный ответвитель 229. Оптический сигнал, принятый из оптического разветвителя 118 (сплиттера) по оптоволоконному кабелю 120, вводится в преобразователь оптического сигнала в радиочастотный сигнал 221 схемы компенсации искажений и шумов 220 и преобразуется в радиочастотный сигнал. Радиочастотный сигнал, преобразованный преобразователем оптического сигнала в радиочастотный сигнал 221, вводится в эквалайзер 223, где частотная характеристика преобразованного радиочастотного сигнала регулируется до состояния частотной характеристики радиочастотного сигнала, принятого через коаксиальные кабели 110 и каскадные коаксиальные усилители 114 и усилитель 200.
Радиочастотный сигнал, скорректированный эквалайзером 223 и введенный в линию задержки 225, задерживается на такое же время, на какое задерживается радиочастотный сигнал, прошедший через коаксиальную линию связи, включающую все коаксиальные кабели 110, каскадные усилители 114 и т.д., и затем подается на отрицательную (-) клемму входа направленного ответвителя 229.
С другой стороны, искаженный радиочастотный сигнал с коаксиальной линии связи, выходящий из усилителя 200, разветвляется направленным ответвителем 210 и вводится в аттенюатор 227, где уровень этого радиочастотного сигнала регулируется так, чтобы он имел такой же уровень, что и выходной радиочастотный сигнал с линии задержки 225, и подается на положительную (+) клемму входа направленного разветвителя 229.
Далее, если направленный ответвитель 229 суммирует неискаженный радиочастотный сигнал с линии задержки 225 и искаженный радиочастотный сигнал противоположной полярности от аттенюатора 227, содержащий в себе компоненты искажений и шумов, и компонента чистого сигнала (сообщения), содержащаяся в обоих радиочастотных сигналах противоположной полярности, удаляется и выделяется компонента «искажение плюс шум» (загрязнение), содержащаяся только в искаженном радиочастотном сигнале, как разность двух радиочастотных сигналов.
Компонента искажений и шумов, извлеченная направленным ответвителем 229, затем вводится в усилитель сигнала рассогласования 231 схемы компенсации 230, усиливается им и подается на отрицательную (-) клемму входа направленного ответвителя 235. Кроме того, основной вывод искаженного радиочастотного сигнала с направленного ответвителя 210 подается на фазосдвигающее устройство 233, где фаза регулируется так, чтобы она была задержана на такую же величину, на какую фаза задерживается усилителем сигнала рассогласования 231, и подается на положительную (+) клемму входа направленного ответвителя 235.
Таким образом, направленный ответвитель 235 выдает чистый радиочастотный сигнал, в котором компонента искажений и шумов удалена посредством суммирования радиочастотного сигнала, содержащего компоненту искажений и шумов, подаваемого на положительную (+) клемму ввода с фазосдвигающего устройства 233, с компонентой искажений и шумов, подаваемой на отрицательную (-) клемму ввода с усилителя сигнала рассогласования 231.
Выше рассматривалось качественная картина, как система компенсации искажений и шумов согласно настоящему изобретению компенсирует компоненту искажений и шумов искаженного радиочастотного сигнала (ВЧ-сигнала) и, в результате, генерирует чистый радиочастотный сигнал (чистый ВЧ-сигнал). Рассмотрим теперь это же самое снова, но более определенно, в количественном аспекте, с помощью чертежа фиг.3.
Предположим, что чистая компонента радиочастотного сигнала, не содержащая никаких искажений и шумов, обозначена как S(t), а компонента искажений и шумов, смешанная с радиочастотным сигналом, обозначена как D(t). Радиочастотный сигнал с компонентой искажений и шумов S(t)+D(t), принятый по коаксиальному кабелю 110, подается на вход усилителя 200. Если предположить, что коэффициент усиления усилителя равен G, выходной сигнал усилителя 200 будет равен G·S(t)+G·D(t).
Выходной сигнал G·S(t)+G·D(t) усилителя 200 разветвляется направленным ответвителем 210, и сигнал меньшего уровня G1·S(t)+G1·D(t) подается на вход аттенюатора 227, а сигнал большего уровня G2·S(t)+G2·D(t) подается на вход фазосдвигающего устройства 233. Здесь, если установить значение затухания сигнала в аттенюаторе 227 равным 1/G1, аттенюатор 227 ослабляет сигнал на 1/G1, выдает сигнал S(t)+D(t) и подает его на положительную (+) клемму входа направленного ответвителя 229.
Пусть оптический сигнал, принятый по оптоволоконному кабелю 120 от оптического разветвителя 118, преобразуется в радиочастотный сигнал в преобразователе оптического сигнала в радиочастотный сигнал 221, и предположим, что для него задано указанное выше значение S(t), т.к. сигнал почти не содержит никакой компоненты искажений и шумов. Радиочастотный сигнал S(t), преобразованный преобразователем оптического сигнала в радиочастотный сигнал 221, подается на отрицательную (-) клемму входа направленного ответвителя 229 через эквалайзер 223 и линию задержки 225.
Здесь мы пренебрегаем затуханием, вносимым эквалайзером 223 и линией задержки 225, предполагая, что уровень радиочастотного сигнала S(t) на обоих устройствах не изменяется.
Направленный ответвитель 229 суммирует радиочастотный сигнал S(t)+D(t), поданный на положительную (+) клемму входа, с чистым радиочастотным сигналом S(t), поданным на отрицательную (-) клемму входа, и выделяет компоненту только искажений и шумов D(t) благодаря компенсации компоненты S(t) сигнала, как это показано в математическом выражении 1.
[Математическое выражение 1]
[S(t)+D(t)]-S(t)=D(t)
Далее компонента искажений и шумов D(t), выделенная направленным ответвителем 229, усиливается усилителем рассогласования 231. Здесь предполагается, что значение коэффициента усиления усилителя рассогласования 231 устанавливается равным G2. Таким образом, выходной сигнал усилителя рассогласования 231 становится равным G2D(t) и подается на клемму входа отрицательной полярности (-) направленного ответвителя 235.
С другой стороны, радиочастотный сигнал G2·S(t)+G2·D(t), разветвленный направленным ответвителем 210, сдвигается по фазе так, чтобы его фаза совпадала с фазой радиочастотного сигнала G2·D(t) с выхода усилителя рассогласования 231, и подается на положительную (+) клемму входа направленного ответвителя 235.
Таким образом, направленный ответвитель 235 суммирует сигнал G2·D(t) с радиочастотным сигналом G2·S(t)+G2·D(t) и выдает чистый радиочастотный сигнал G2·S(t), не содержащий никакой компоненты искажений и шумов, как это показано математическим выражением 2.
[Математическое выражение 2]
[G2·S(t)+G2·D(t)]-G2·D(t)=G2·S(t)
На фиг.4 представлена подробная блок-схема, отражающая вариант осуществления настоящего изобретения, в котором система компенсации искажений и шумов в соответствии с настоящим изобретением применяется к мостовому усилителю коаксиального распределительного концентратора в сети с гибридным оптико-коаксиальным «HFC» кабелем – «HFC» сети. Здесь номер позиции 300 относится к блок-схеме типового серийно выпускаемого коаксиального мостового усилителя, обычно используемого в известных сетях «HFC», который содержит восходящие (обратные или возвратные) сигнальные каналы, нисходящие (прямые) сигнальные каналы, разъем для подключения блока питания переменного тока, сигнальные каналы транспондера, предназначенные для мониторинга состояния, систему управления сетями и т.д.
Номер позиции 400 фактически обозначает устройство компенсации искажений и шумов, обозначенное номером позиции 122 на фиг.1 и 2 и являющееся дополнительной частью применяемого в известных «HFC» сетях коаксиального мостового усилителя 300, предназначенной для модификации и обновления известной «HFC» сети в соответствии с настоящим изобретением. Однако для удобства установки и регулировки следует добавить серийно выпускаемые изделия – вставную задержку, вставной развязывающий аттенюатор и т.п., а минимальную конфигурацию следует изменить. В этом отношении подробное описание работы, уже представленное на фиг.2, ниже будет опущено.
Каждый из номеров позиции 302, 304, 306, 308 и 310 в коаксиальном мостовом усилителе 300 обозначает клемму для подключения коаксиального кабеля. Клемма 302 для подключения коаксиального кабеля представляет собой вводную клемму радиочастотного сигнала, передаваемого по нисходящему каналу (также служит в качестве выходной клеммы радиочастотного сигнала, передаваемого по восходящему каналу) с модуля «ONU» 108 «HFC» сети по коаксиальному кабелю 110. Клеммы 304, 306, 308 и 310 для подключения коаксиального кабеля являются выходными клеммами мостового усилителя, а также могут служить входными клеммами для сигналов, передаваемых по восходящему каналу от абонентов к модулям «ONU», при организации двунаправленной связи. То есть частотный спектр сигналов делится на полосу низких частот и полосу высоких частот, причем эти полосы предназначены для передачи сигналов соответственно по восходящему и нисходящему каналам.
Номер позиции 200 относится только к одноканальной (для нисходящего канала) схеме усилителя, обозначенного позицией с таким же номером 200 на чертежах фиг.2 и фиг.3. Номер позиции 312 обозначает устройство ввода/разделения сигналов радиочастоты и питания переменного тока, представляющее собой импедансную сеть с индуктивным и емкостным сопротивлениями, предназначенную для подачи питания переменного тока в радиочастотные схемы или отделения (отвода) питания переменного тока из в радиочастотных схем. При использовании этой схемы коаксиальный кабель работает не только в качестве линии передачи радиочастотного сигнала, но также в качестве носителя питания переменного тока частотой 50-60 Гц, при этом не требуется укладывать отдельный кабель питания переменного тока. Переменный ток блока питания выпрямляется, преобразуется выпрямителем (не показан) в напряжение постоянного тока и подается на усилители и все другие активные схемы. Хотя устройство ввода/разделения сигналов радиочастоты и питания переменного тока 312 показано с коаксиальным кабелем, подключенным только к клемме 302, предусмотрено его подключение ко всем клеммам для подключения коаксиального кабеля – 304, 306, 308 и 310.
Номер позиции 314 обозначает устройство частотной развязки, представляющее собой комбинацию фильтра пропускания высоких частот (ФВЧ) и фильтра пропускания низких частот (ФНЧ), подключенных одновременно. Если сигналы из диапазона низких частот и диапазона высоких частот подаются на центральный вход устройства частотной развязки 314, устройство частотной развязки выдает сигнал диапазона высоких частот на верхнюю часть «Н» выхода ФВЧ, а сигнал диапазона низких частот на нижнюю часть «L» выхода ФНЧ, и наоборот.
Следовательно, если радиочастотный сигнал (передаваемый по нисходящему каналу) из диапазона высоких частот, смешанный с питанием переменного тока, подается на клемму 302 для подключения коаксиального кабеля, радиочастотный сигнал из диапазона высоких частот подается через радиочастотную сторону устройства ввода/разделения сигналов радиочастоты и питания переменного тока 312 на центральный вход устройства частотной развязки 314 и проходит через верхнюю часть «Н» фильтра ФВЧ, тогда как питание переменного тока фильтруется и отводится вниз через устройство ввода/разделения сигналов радиочастоты и питания переменного тока 312 и подается на схемы выпрямления электропитания (не показаны). Вместо этого для обеспечения подачи питания переменного тока через клемму 302 на коаксиальный кабель 110 со стороны питания переменным током устройства ввода/разделения сигналов радиочастоты и питания переменного тока 312 может быть подключен внешний источник питания переменного тока, например аккумуляторные батареи или источник бесперебойного питания (ИБП).
Радиочастотный сигнал с выхода части «Н» устройства частотной развязки 314 подается на эквалайзер 316, который выравнивает неравномерность радиочастотного сигнала (или частотной характеристики), и вводится в развязывающий аттенюатор 318, где уровень радиочастотного сигнала изменяется до уровня, необходимого для работы предварительного усилителя 320.
Радиочастотный сигнал, усиленный предварительным усилителем 320, проходит через полосовой фильтр «BPF» и устройство регулирования усилителя с переменным коэффициентом усиления, где определяют ширину полосы пропускания и коэффициент усиления системы. Второй развязывающий аттенюатор 324 надлежащим образом устанавливает уровень радиочастотного сигнала для постусилителя 330, а второй эквалайзер 326 определяет амплитудно-частотную характеристику нисходящего выходного сигнала. Нисходящий радиочастотный сигнал вводится в постусилитель 330 через регулируемый резистивный диод 328 и усиливается до заключительного уровня сигнала.
Здесь, регулируемый резистивный диод 328 автоматически регулирует уровень на входе постусилителя 330 так, чтобы стабилизировать уровень выходного сигнала, выдаваемого в ответвляющуюся сеть, посредством выделения и обратной связи по уровню амплитуды мостового сетевого выходного усилителя 366. Указанная операция отрицательной обратной связи выполняется направленным ответвителем 332, считывающим уровень нисходящего выходного сигнала моста, развязывающим аттенюатором 334 и схемой 336 автоматической регулировки уровня (АРУ),
Выходной сигнал постусилителя 330 вводится в переключатель 338 режимов «прямой выход» – «компенсация искажений/шумов». Если подвижный контакт переключателя 338 режимов подключен к неподвижному контакту «a», выходной сигнал постусилителя 330 не проходит через устройство компенсации искажений и шумов 400 согласно настоящему изобретению, а напрямую вводится в направленный ответвитель 340. И наоборот, если подвижный контакт переключателя 338 режимов подключен к другому неподвижному контакту «b», выходной сигнал постусилителя 330 подается на устройство компенсации искажений и шумов 400 согласно настоящему изобретению, и после его обработки чистый радиочастотный сигнал далее вводится в направленный ответвитель 340 после удаления компоненты искажений и шумов.
Работа устройства компенсации искажений и шумов 400 происходит так же, как и работа, отраженная на фиг.2, и здесь не будет рассматриваться.
Небольшая часть сигнала, введенного в направленный ответвитель 340, подается в транспондер 342, при этом сигналы, принятые для управления сетевым устройством, содержащиеся в нисходящем сигнале, декодируются для системы сетевого управления «NMS». Кроме того, выходные сигналы мониторинга состояния выдаются из транспондера 342 на клемму 302 для подключения к коаксиальному кабелю 302 через направленный ответвитель 344, усилитель восходящего канала 346, полосовой фильтр «BPF», регулятор коэффициента усиления 348 усилителя, определяющий ширину полосы пропускания по обратному каналу и обратный коэффициент усиления системы, развязывающий аттенюатор восходящего канала 350, эквалайзер восходящего канала 352, фильтр низких частот, являющийся частью «L» устройства частотной развязки 314 и устройство ввода/разделения сигналов радиочастоты и питания переменного тока 312. Таким образом, сигналы управления и ответа транспондера 342 принимаются с головной станции и передаются на нее.
Сигнал с главного выхода направленного ответвителя 340 проходит через мостовой сетевой эквалайзер 354 и мостовой развязывающий аттенюатор 356 и разделяется на два сигнала равного уровня разветвителем радиочастотного сигнала 358. Один из сигналов, разветвленных разветвителем 358 радиочастотного сигнала, выводится на клеммы 304 и 306, для подключения коаксиального кабеля, усиливается мостовым усилителем 360 и выдается через устройство частотной развязки 362 на следующие сетевые элементы и абонентские терминалы.
Другой сигнал, разветвленный ответвителем 358 радиочастотного сигнала, выдается на клеммы 308 и 310 для подключения коаксиального кабеля через мостовой развязывающий аттенюатор 364 и после усиления мостовым усилителем 366, через направленный ответвитель 332 и устройство частотной развязки 368, подается на сторону терминалов абонентов. Направленный ответвитель 332 проверяет уровень мостового выходного сигнала с целью осуществления обратной связи АРУ, как описано выше.
Кроме того, радиочастотные сигналы восходящего канала, вводимые с клемм 304, 306 и 308, 310 для подключения коаксиального кабеля и/или терминалов абонента, собираются через фильтры низких частот устройств частотной развязки 362 и 368 и коммутаторы восходящего (или обратного) канала 370 и 372 вместе в схеме объединения радиочастотных сигналов 374 и объединяются в один сигнал восходящего канала. Объединенный сигнал проходит через направленный ответвитель 344 и усиливается усилителем 346 восходящего канала. Затем усиленный сигнал выдается через полосовой фильтр «BPF» и регулятор 348 коэффициента усиления усилителя, развязывающий аттенюатор 350 восходящего канала, эквалайзер 352 восходящего канала, часть «L» фильтра низких частот устройства частотной развязки 314, устройство ввода/разделения сигналов радиочастоты и питания переменного тока 312 на клемму 302 для подключения коаксиального кабеля и, в заключение, передается на головную станцию. Коммутаторы восходящего канала 370 и 372 пропускают сигналы, если сигнал восходящего канала существует, и разрывают цепь для удаления нежелательных шумов, если сигнал восходящего канала не используется.
Если система компенсации искажений и шумов в соответствии с настоящим изобретением используется в «HFC» сети, она значительно уменьшает искажения и шумы в сигнале. Некоторые экспериментальные данные и результаты моделирования показывают улучшение отношения «сигнал-шум», композитных искажений второго порядка и биений третьего порядка не меньше чем соответственно на 2-3 дБ, 4-5 дБ и 10 дБ. Если предположить, что длина коаксиальной линии связи в существующей «HFC» сети составляет около 2 км, улучшение показателей эффективности обеспечивает передачу данных по коаксиальной линии связи на вдвое или втрое большее расстояние, благодаря чему длина коаксиальной линии связи может достигать как минимум 4-6 км. В этом случае если расстояние, на которое передаются данные, сохраняется неизменным, то ширину полосы пропускания или число каналов передачи данных можно увеличить почти вдвое (например, если число существующих каналов передачи телевизионного сигнала равно 60, число каналов увеличивается приблизительно до 90-120) в соответствии с повышением эффективности.
Соответственно система компенсации искажений и шумов согласно настоящему изобретению может быть дополнительно оснащена и модифицирована так, чтобы ее можно было встроить в существующую уже построенную «HFC» сеть, или она может быть встроена во вновь устанавливаемую «HFC» сеть, что позволит значительно улучшить характеристики сети передачи данных, а также качество и эффективность передачи сигнала. Кроме того, настоящее изобретение вносит обновления в «HFC» сеть и переводит ее в разряд сетей нового поколения.
Несмотря на то, что настоящее изобретение описано и проиллюстрировано на примере конкретного предпочтительного варианта осуществления, для специалиста в данной области техники также очевидно, что в настоящем изобретении могут быть сделаны различные модификации и изменения, не выходящие за пределы его духа и области действия данного изобретения.
Поэтому область действия настоящего изобретения не следует ограничивать рассмотренными выше предпочтительными вариантами его осуществления, она определяется лишь приложенной формулой изобретения и ее эквивалентами.
Формула изобретения
1. Система компенсации искажений и шумов в гибридных оптико-коаксиальных «HFC» сетях, содержащая: модуль оптоволоконной сети, предназначенный для преобразования оптического сигнала, принятого с головной станции по первому оптоволоконному кабелю, в радиочастотный сигнал и передачи преобразованного радиочастотного сигнала в коаксиальный распределительный концентратор по коаксиальной линии связи, содержащей коаксиальные кабели; несколько коаксиальных магистральных усилителей, подключенных последовательно к коаксиальному кабелю с целью усиления радиочастотного сигнала; оптический отвод (оптический ответвитель), предназначенный для ответвления оптического сигнала из первого оптоволоконного кабеля и передачи ответвленного оптического сигнала на коаксиальный распределительный концентратор по второму оптоволоконному кабелю; и устройство компенсации искажений и шумов, предусмотренное в коаксиальном распределительном концентраторе, выделяющее компоненту искажений и шумов, содержащуюся в радиочастотном сигнале, принятом по коаксиальной линии связи, с помощью оптического сигнала, переданного через второй оптоволоконный кабель, и компенсацию компоненты искажений и шумов посредством объединения выделенной компоненты искажений и шумов с искаженным радиочастотным сигналом, принятым по коаксиальной линии связи.
2. Система по п.1, в которой устройство компенсации искажений и шумов содержит: схему выделения компоненты искажений и шумов, предназначенную для преобразования оптического сигнала, принятого по второму оптоволоконному кабелю, в неискаженный радиочастотный сигнал и выделения компоненты искажений и шумов посредством объединения указанного преобразованного неискаженного радиочастотного сигнала с искаженным радиочастотным сигналом, принятым по коаксиальной линии связи, содержащей коаксиальные кабели и каскадные коаксиальные усилители; и схему компенсации, предназначенную для компенсации искажений и шумов посредством объединения компоненты искажений и шумов, выделенной схемой извлечения компоненты искажений и шумов, с искаженным радиочастотным сигналом, принятым по коаксиальной линии связи.
3. Система по п.2, в которой устройство компенсации искажений и шумов дополнительно содержит направленный ответвитель, предназначенный для разветвления радиочастотного сигнала, принятого по коаксиальной линии связи, и, соответственно, ввода разветвленных радиочастотных сигналов в схему выделения компоненты искажений и шумов и в схему компенсации.
4. Система по п.2, в которой схема выделения компоненты искажений и шумов содержит преобразователь оптического сигнала в радиочастотный сигнал, предназначенный для преобразования оптического сигнала, принятого по второму оптоволоконному кабелю, в радиочастотный сигнал; линию задержки, предназначенную для задержки указанного радиочастотного сигнала, преобразованного преобразователем оптического сигнала в радиочастотный сигнал; и направленный ответвитель, предназначенный для извлечения компоненты искажений и шумов посредством вычитания радиочастотного сигнала, задержанного линией задержки, из искаженного радиочастотного сигнала, принятого по коаксиальной линии связи.
5. Система по п.4, в которой схема выделения компоненты искажений и шумов дополнительно содержит эквалайзер, расположенный после преобразователя оптического сигнала в радиочастотный сигнал или после линии задержки и предназначенный для регулировки амплитудно-частотной характеристики радиочастотного сигнала, преобразованного преобразователем оптического сигнала в радиочастотный сигнал.
6. Система по п.4, в которой схема выделения компоненты искажений и шумов дополнительно содержит высокочастотный аттенюатор, предназначенный для ослабления радиочастотного сигнала, принятого по коаксиальной линии связи.
7. Система по п.2, в которой схема компенсации содержит направленный ответвитель, предназначенный для вычитания компоненты искажений и шумов, выделенной схемой выделения компоненты искажений и шумов, из радиочастотного сигнала, принятого по коаксиальной линии связи.
8. Система по п.7, в которой схема компенсации дополнительно содержит усилитель сигнала искажения, предназначенный для усиления компоненты искажений и шумов, выделенной схемой выделения компоненты искажений и шумов, и ввода усиленной компоненты искажений и шумов в указанный направленный ответвитель; а также фазосдвигающее устройство, предназначенное для сдвига фазы радиочастотного сигнала, принятого по коаксиальной линии связи, и ввода указанного радиочастотного сигнала со сдвинутой фазой в указанный направленный ответвитель.
РИСУНКИ
|
|