|
|
(21), (22) Заявка: 2008149212/09, 12.12.2008
(24) Дата начала отсчета срока действия патента:
12.12.2008
(46) Опубликовано: 10.05.2010
(56) Список документов, цитированных в отчете о поиске:
RU 2326486 C1, 10.06.2008. RU 2025879 C1, 30.12.1994. GB 2412090 A, 14.06.2006. US 2007285044 A1, 13.12.2007. JP 61231889 A, 16.10.1986. WO 2005088822 A1, 22.09.2005.
Адрес для переписки:
432027, г.Ульяновск, Северный Венец, 32, ГОУ ВПО “Ульяновский государственный технический университет”, Проректору по научной работе
|
(72) Автор(ы):
Иванов Владимир Михайлович (RU)
(73) Патентообладатель(и):
Государственное образовательное учреждение высшего профессионального образования “Ульяновский государственный технический университет” (RU)
|
(54) СПОСОБ ФОРМИРОВАНИЯ ШИРОТНО-ИМПУЛЬСНЫХ СИГНАЛОВ УПРАВЛЕНИЯ АВТОНОМНОГО ИНВЕРТОРА
(57) Реферат:
Изобретение относится к области электротехники и может быть использовано для управления автономными инверторами с широтно-импульсной модуляцией выходных напряжений в частотно-регулируемом асинхронном двигателе. Технический результат заключается в повышении качества выходного напряжения в области верхних частот и коэффициента использования источника питания трехфазного инвертора, расширении диапазона регулирования скорости и снижении потерь в двигателе. В способе широтно-импульсной модуляции, основанном на сравнении одного опорного сигнала и трех модулирующих синусоидальных сигналов с одновременным изменением знака модулирующих сигналов и изменении логического уровня выходных сигналов управления шесть раз за период в точках, соответствующих естественной коммутации выходных напряжений, в качестве опорного сигнала используют сигнал пилообразной формы. При этом в первом диапазоне регулирования скорости двигателя частота опорного сигнала неизменна. Во втором диапазоне регулирования скорости при переходе в режим насыщения модулятора указанную частоту формируют с поддержанием постоянства соотношения частот между опорным и модулирующим сигналами. 4 ил.
Изобретение относится к области преобразовательной техники и может быть использовано, например, в преобразователях частоты с широтно-импульсной модуляцией выходных напряжений.
Известен способ формирования широтно-импульсных сигналов управления автономным инвертором путем сравнения сигнала несущей частоты треугольной формы и модулирующего напряжения синусоидальной формы [1], результатом которого является формирование серии импульсов, длительность которых изменяется по синусоидальному закону.
Для получения трехфазной системы сигналов управления инвертором используется один источник несущей частоты, задатчик трехфазного управляющего напряжения и три канала сравнения, в каждом из которых формируются два импульса управления ключами фазы инвертора.
Недостатком управления трехфазным инвертором по данному способу является наличие четных гармоник в спектре выходных напряжений.
Известен способ формирования импульсов управления ключами трехфазного инвертора [2] путем сравнения по трем каналам одного цифрового опорного сигнала треугольной формы и трех цифровых сигналов задания, изменяющихся по частоте и амплитуде, причем в каждом из каналов сравнения формируют управляющий сигнал, соответствующий логической «1», если опорный сигнал меньше сигнала задания, и логическому «0», если опорный сигнал больше сигнала задания, который дополнительно с инверсным используют для управления верхним и нижним ключами соответствующей фазы инвертора. Модулирующие сигналы представляют собой дискретные выборки табличных значений синуса, развертка которых во времени осуществляется по прерываниям процессора, а амплитуда определяется законом частотного управления.
Использование цифровых методов для формирования несущего и модулирующих сигналов позволяет повысить точность формирования управляющих сигналов. Однако фазные напряжения на обмотках двигателя несимметричны относительно оси ординат и, следовательно, спектр выходных напряжений содержит четные гармоники, оказывающие наибольшее влияние на момент и потери асинхронного двигателя.
Известен способ [3] формирования широтно-импульсных сигналов управления автономным инвертором, содержащим две трехфазные группы силовых ключей с индивидуальной коммутацией и обратными диодами, основанный на сравнении несущего треугольного сигнала постоянной частоты и трех сдвинутых относительно друг от друга на треть периода модулирующих синусоидальных сигналов, квантованных по уровню и изменяющихся по частоте и амплитуде, причем в каждом из каналов сравнения формируется два широтно-импульсных сигнала управления нижним и верхним ключами фазы инвертора, дополняющих друг друга до периода опорного сигнала, длительность одного из них определяется моментами времени, когда значения несущего сигнала меньше модулирующего сигнала, а второго – значениями несущего сигнала, большими модулирующего сигнала. Формирование модулирующих сигналов осуществляется кольцевым счетчиком импульсов, частота которых определяет период выходных напряжений инвертора, и перемножающим цифроаналоговым преобразователем, весовые сопротивления которого распределены по синусоидальному закону, а опорное напряжение пропорционально частоте импульсов.
Недостатком данного способа формирования управляющих сигналов является то, что выходные напряжений инвертора асимметричны относительно оси ординат и, следовательно, их спектр содержит четные гармоники.
Наиболее близким по технической сущности и по совокупности принципов реализации к заявляемому изобретению является способ формирования широтно-импульсных сигналов управления автономным инвертором [4], выбранный в качестве прототипа.
Способ формирования широтно-импульсных сигналов управления автономного инвертора, содержащего в каждой фазе полумост из последовательно соединенных первого и второго силового ключа и полумост обратных вентилей, подключенных соответственно к первому и второму выводу источника питания, а средней точкой к соответствующей фазе асинхронного двигателя, состоящий в том, что формирование импульсов управления осуществляют путем сравнения одного опорного сигнала треугольной формы и трех модулирующих синусоидальных сигналов задания, изменяющихся по частоте и амплитуде, причем в каждом из трех каналов сравнения формируют высокий уровень широтно-импульсного сигнала, если опорный сигнал меньше сигнала задания, и низкий уровень, если опорный сигнал больше сигнала задания, и формируют в каждом из трех выходных каналов два сопряженных, инверсных относительно друг друга, выходных сигнала управления первого и второго ключа соответствующей фазы инвертора, кроме того, дополнительно изменяют знак модулирующих сигналов на противоположный шесть раз за период в моменты времени, соответствующие точкам естественной коммутации выходных напряжений, и одновременно с коммутацией модулирующих сигналов инвертируют сигналы выходных каналов по отношению к широтно-импульсным сигналам каналов сравнения.
Использование треугольного сигнала обеспечивает формирование выходного напряжения с заданным числом тактов модуляции при частоте треугольного несущего сигнала вдвое меньшего пилообразного сигнала. Однако при регулировании частоты выше основной форма выходных напряжений искажается как по амплитуде, так и по фазе, что приводит к появлению дополнительных гармоник. Данный недостаток обусловлен тем, что уменьшается полоса пропускания модулятора из-за снижения соотношения между несущей и моделирующей частотами.
Сущность изобретения заключается в решении задачи формирования напряжений инвертора с минимальным содержанием гармоник в расширенном диапазоне выходных частот и напряжений.
Технический результат заключается в повышении качества выходного напряжения в области верхних частот. При этом одновременно повышается коэффициент использования источника питания трехфазного инвертора, расширяется диапазон регулирования скорости и снижаются потери в двигателе.
Указанный технический результат достигается тем, что в известном способе формирования широтно-импульсных сигналов управления автономного инвертора, содержащего в каждой фазе полумост из последовательно соединенных первого и второго силового ключа и полумост обратных вентилей, подключенных соответственно к первому и второму выводу источника питания, а средней точкой к соответствующей фазе асинхронного двигателя, состоящей в том, что формирование импульсов управления осуществляют путем сравнения одного опорного сигнала и трех модулирующих синусоидальных сигналов задания, изменяющихся по частоте и амплитуде, в каждом из трех каналов сравнения формируют высокий уровень широтно-импульсного сигнала, если опорный сигнал меньше сигнала задания, и низкий уровень, если опорный сигнал больше сигнала задания, и формируют в каждом из трех выходных каналов два сопряженных, инверсных относительно друг друга, выходных сигнала управления первого и второго ключа соответствующей фазы инвертора, причем знак модулирующих сигналов изменяют на противоположный шесть раз за период в моменты времени, соответствующие точкам естественной коммутации выходных напряжений, и одновременно с коммутацией модулирующих сигналов инвертируют сигналы выходных каналов по отношению к широтно-импульсным сигналам каналов сравнения, согласно изобретению, в качестве опорного сигнала используют сигнал пилообразной формы, причем в первом диапазоне регулирования скорости двигателя частота опорного сигнала неизменна, а во втором – при переходе в режим насыщения модулятора ее формируют с поддержанием постоянства соотношения частот между опорным и модулирующим сигналами.
Проведенный заявителем поиск по патентным и научно-техническим источникам информации позволил установить, что заявитель не обнаружил аналог, характеризующийся признаками, тождественными всем существенным признакам заявленного изобретения. Определение из перечня выявленных аналогов прототипа, как наиболее близкого по совокупности существенных признаков аналога, позволило выявить совокупность существенных по отношению к усматриваемому заявителем техническому результату отличительных признаков, изложенных в формуле изобретения.
Следовательно, заявленное изобретение соответствует условию Новизна .
Для проверки соответствия заявленного изобретения условию Изобретательский уровень заявитель провел дополнительный поиск известных решений, чтобы выявить признаки, совпадающие с отличительными от прототипа признаками заявленного устройства. Результаты поиска показали, что заявленное изобретение не вытекает явным образом из известного уровня техники, поскольку из уровня техники, определенного заявителем, не выявлено влияние предусматриваемых существенными признаками заявленного изобретения преобразований на достижения технического результата, в частности, заявленное изобретение характеризуется изменением принципа формирования управляющих сигналов, которое приводит к улучшению формы выходных напряжений и расширению диапазона выходных частот и напряжений, характеризуемых минимальным содержанием гармоник.
Не зависимо от типа используемых сигналов (аналоговых, цифроаналоговых или цифровых) особенности способа модуляции связаны с изменением формы опорного сигнала и алгоритма формирования импульсов управления инвертором.
Следовательно, заявленное изобретение соответствует условию «Изобретательский уровень».
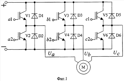
Сущность изобретения поясняется чертежами, на которых представлены: на фиг.1 – схема автономного трехфазного инвертора для реализации способа, на фиг.2 – пример устройства для реализации предложенного способа модуляции, на фиг.3, 4 – диаграммы управляющих импульсов и напряжений.
Автономный инвертор содержит три полумоста полностью управляемых ключей V1-V6 и три полумоста неуправляемых обратных вентилей D7-D12. Каждый из полумостов фазы инвертора содержит последовательно соединенные первый и второй ключи, подключенные соответственно к первому и второму выводам источника питания, а средней точкой к соответствующей фазе асинхронного двигателя М.
Устройство управления автономным инвертором (фиг.2) содержит задатчик 1 частоты, выход которого подключен через последовательно соединенные блок 2 формирования фазы и трехфазный формирователь 3 синусоидальных напряжений к трем первым входам блока 4 перемножения, а к его четвертому входу – через функциональный преобразователь 5. Три выхода блока 4 в одном случае подключены через последовательно соединенные трехканальные коммутатор 6 знака, блок 7 сравнения и коммутатор 8 уровня к трем входам формирователя 9 импульсов управления ключами инвертора, а в другом – к блоку 10 формирования коммутационных интервалов, выход которого подключен к управляющим входам коммутаторов 6 и 8. Выход задатчика 1 дополнительно подключен к входам порогового блока 11 и коммутатора 12. Второй вход коммутатора 12 соединен с выходом задатчика опорной частоты 13, а выход через генератор 14 опорного пилообразного сигнала подключен к четвертому входу блока 7 сравнения. Управляющий вход коммутатора 12 подключен к выходу порогового блока 11.
Регулирование скорости асинхронного двигателя осуществляется путем изменения частоты питающих напряжений с одновременным изменением их амплитудных значений. Формирование напряжений осуществляется инвертором (фиг.1) за счет коммутации силовых ключей V1-V6, порядок работы которых определяет направление тока в обмотках двигателя, а рассогласование времен включения между верхним и нижним ключом фазы инвертора – величину среднего напряжения фазы на интервале коммутации. Для формирования синусоидальных токов в фазах двигателя используется широтно-импульсная модуляция напряжений по синусоидальному закону. Улучшение формы и гармонического состава выходных напряжений достигается за счет использования пилообразного опорного сигнала. Вариант устройства управления инвертором для реализации предложенного способа показан на фиг.1.
Частота выходных напряжений формируется задатчиком 1, а соотношение между частотой и выходным напряжением инвертора, определяющее закон частотного регулирования, задается с помощью функционального преобразователя. Опорная фаза модулирующих сигналов формируется с помощью блока 2, а с помощью блока 5 задается их амплитудное значение. Формирование системы трехфазных модулирующих сигналов, сдвинутых относительно друг друга на угол 2 /3, осуществляется формирователем 3, а модуляция их по амплитуде – блоком перемножения 4. Формирование широтно-импульсных сигналов управления осуществляется с помощью трехканального блока сравнения 7. Причем в каждом из каналов производят сравнение модулирующего сигнала соответствующей фазы с общим для всех каналов несущим сигналом пилообразной формы, вырабатываемым генератором 11. Модулирующий и несущий сигналы канала фазы а блока 7 показаны на фиг.3, там же представлены широтно-импульсные сигналы а, b, с на выходах каналов сравнения. Для улучшения формы выходных напряжений Ua, Ub, Uc инвертора знак модулирующих сигналов изменяют шесть раз за период, в моменты времени соответствующие точкам естественной коммутации, когда напряжения двух фаз равны друг другу. Определение данных интервалов осуществляется с помощью блока 10, выходной сигнал d с которого поступает на управляющие входы коммутаторов 6 и 8. Одновременно с изменением знака модулирующих сигналов производят изменение логического уровня широтно-импульсных сигналов блока 7 на противоположный уровень. Это осуществляется с помощью блока 8, которой подключает на свой выход прямой или инверсный сигнал блока 7 в зависимости от интервала коммутации. Выходные сигналы а~, b~, с~ блока 8 поступают на блок 9, где производится формирование для каждой фазы пар комплиментарных сигналов а1,а2, b1,b2, с1,с2 управления верхними и нижними ключами инвертора. Для исключения сквозных токов передний фронт сигнала, по которому производится переключение работы с верхнего на нижний ключ фазы инвертора или наоборот, формируют с задержкой. Использование в качестве опорного сигнала пилообразной формы позволяет по сравнению с треугольным сигналом расширить полосу пропускания модулятора. При этом частота опорного сигнала увеличивается в два раза, а частота коммутации ключей инвертора остается без изменения.
В диапазоне низких частот инвертора генератор 14 работает на фиксированной частоте, значение которой определяется уставкой задатчика 13. Это позволяет обеспечить приемлемые коммутационные процессы и непрерывность тока при работе на активно-индуктивную нагрузку, которую представляют фазы двигателя. Во втором диапазоне для избежания амплитудных и фазовых искажений выходных напряжений инвертора переходят на режим работы с сохранением постоянства соотношения между несущей (опорной) частотой и модулирующей частотами. Минимум искажений напряжений обеспечивается при выборе соотношения, кратном шести (фиг.4). Частота генератора 14 в этом случае пропорциональна выходному сигналу задатчика 1. Переключение сигнала управления частотой генератора 14 осуществляется с помощью порогового блока 11 и коммутатора 12. Данное переключение производят при переходе модулятора в режим насыщения. Сигналы канала фазы а блока 7 показаны на фиг.4.
Таким образом, вышеизложенные сведения свидетельствуют о выполнении при использовании заявленного способа следующей совокупности условий:
– признаки, характеризующие сущность изобретения, в принципе, могут быть многократно использованы в преобразователях частоты для управления скоростью электродвигателей в различных областях промышленности с получением технического результата, заключающегося в повышении коэффициента использования источника питания и качества выходных напряжений трехфазного инвертора;
– для реализации способа могут быть использованы как аналоговые, так и аналого-цифровые средства управления, в том числе микроконтроллеры с трехканальными ШИМ модуляторами;
– средства, осуществляющие заявленное изобретение, независимо от их вида, модификации каналов сравнения, порядка 6-ти тактной коммутации и формы пилообразного опорного сигнала способны обеспечить достижение усматриваемого заявителем технического результата.
Следовательно, заявленное изобретение соответствует условию Промышленная применимость .
Источники информации
1. Булгаков А.А. Частотное управление асинхронными двигателями. – М.: Энергоатомиздат, 1982, с.155-157, рис.3.70.
2. Казаченко В.Ф. Микроконтроллеры: руководство по применению 16-разрядных микроконтроллеров Intel MCS-196/296 во встроенных системах управления. – М.: Издательство ЭКОМ, 1997, с.342-361, рис.11.6, рис.11.14.
3. Патент Великобритании 1190847, кл. H02m 7/72, 1970.
4. Патент РФ 2326486, кл. Н02М 7/5395, 2006.
Формула изобретения
Способ формирования широтно-импульсных сигналов управления автономного инвертора, содержащего в каждой фазе полумост из последовательно соединенных первого и второго силовых ключей и полумост обратных вентилей, подключенных соответственно к первому и второму выводам источника питания, а средней точкой к соответствующей фазе асинхронного двигателя, состоящий в том, что формирование импульсов управления осуществляют путем сравнения одного опорного сигнала и трех модулирующих синусоидальных сигналов задания, изменяющихся по частоте и амплитуде, причем знак модулирующих сигналов изменяют на противоположный шесть раз за период в моменты времени, соответствующие точкам естественной коммутации выходных напряжений, в каждом из трех каналов сравнения формируют высокий уровень широтно-импульсного сигнала, если опорный сигнал меньше сигнала задания, и низкий уровень, если опорный сигнал больше сигнала задания, и формируют в каждом из трех выходных каналов два сопряженных инверсных относительно друг друга выходных сигнала управления первого и второго ключей соответствующей фазы инвертора и одновременно с коммутацией модулирующих сигналов инвертируют сигналы выходных каналов по отношению к широтно-импульсным сигналам каналов сравнения, отличающийся тем, что в качестве опорного сигнала используют сигнал пилообразной формы, причем в первом диапазоне регулирования скорости двигателя частота опорного сигнала неизменна, а во втором – при переходе в режим насыщения модулятора ее формируют с поддержанием постоянства соотношения частот между опорным и модулирующим сигналами.
РИСУНКИ
|
|