|
| На основании пункта 1 статьи 1366 части четвертой Гражданского кодекса Российской Федерации патентообладатель обязуется заключить договор об отчуждении патента на условиях, соответствующих установившейся практике, с любым гражданином Российской Федерации или российским юридическим лицом, кто первым изъявил такое желание и уведомил об этом патентообладателя и федеральный орган исполнительной власти по интеллектуальной собственности. |
|
(21), (22) Заявка: 2009113185/09, 08.04.2009
(24) Дата начала отсчета срока действия патента:
08.04.2009
(46) Опубликовано: 10.05.2010
(56) Список документов, цитированных в отчете о поиске:
SU 1014109 A1, 24.11.1981. SU 797023 A1, 15.01.1981. US 3445747 A, 20.05.1969.
Адрес для переписки:
357703, Ставропольский край, г. Кисловодск, ул. Велинградская, 1, кв.22, А.Г. Аслан-заде
|
(72) Автор(ы):
Аслан-заде Ариф Гасан оглы (RU)
(73) Патентообладатель(и):
Аслан-заде Ариф Гасан оглы (RU)
|
(54) ПРЕОБРАЗОВАТЕЛЬ ТРЕХФАЗНОГО ПЕРЕМЕННОГО НАПРЯЖЕНИЯ
(57) Реферат:
Изобретение относится к преобразовательной технике и может быть использовано для преобразования трехфазного переменного напряжения в постоянное с периодичностью выпрямления 12N (где N=2, 3, 4, ), а также трехфазное переменное напряжение с качественным гармоническим составом. Преобразователь содержит нулевой входной вывод, N трехфазных управляемых вентильных мостов, N пар уравнительных реакторов, N пар дополнительных диодов, N двухполюсников, каждый полюс i-го (где i=1, 2, 3, , N) из указанных мостов соединен с крайним выводом обмотки одного из i-й пары уравнительных реакторов, другой крайний вывод которой соединен с электродом одного из i-й пары дополнительных диодов, при этом i-e дополнительные диоды и вентили i-го моста соединены с крайними выводами обмотки одного и того же уравнительного реактора одноименными электродами, к общей точке свободных электродов i-й пары дополнительных диодов подключен входной вывод i-го двухполюсника, между общей точкой выходных выводов N двухполюсников, содержащих каждый пару встречно параллельно включенных управляемых вентилей, и нулевым входным выводом образована первичная соединительная цепь, а промежуточные выводы обмоток i-й пары уравнительных реакторов, делящие число витков обмотки каждого реактора этой пары на неравные части, образуют замкнутые накоротко выходные выводы i-го моста, трехфазный трансформатор, первичные фазные обмотки которого подключены одной группой выводов к фазным входным выводам, а другой – к входным выводам N управляемых вентильных мостов, вторичная обмотка соединена в звезду с нулевым выводом или треугольник и подключена к вторичному вентильному мосту, например, с вторичной соединительной цепью или трехфазной нагрузке, дополнительная обмотка трехфазного трансформатора соединена в разомкнутый треугольник, в виде которой выполнена одна из соединительных цепей, при этом вентили i-го моста открыты на величину, пропорциональную установленному соотношению. Технический результат предлагаемого преобразователя – это независимость конфигурации трансформатора от равного 12N числа интервалов дискретности выходного напряжения. 5 з.п. ф-лы, 6 ил.
Изобретение относится к преобразовательной технике и может быть использовано для преобразования трехфазного переменного напряжения в многопульсное с минимальным значением периодичности выпрямления, равным 24, а также трехфазное переменное напряжение с качественным гармоническим составом.
Все нижеприведенные аналоги являются аналогами для всех вариантов предлагаемого преобразователя.
Известен преобразователь переменного напряжения в постоянное, содержащий трехфазный трансформатор с N (где N 4) вторичными обмотками, подключенными одним выводом каждой фазы к диагонали переменного напряжения соответствующих выпрямительных мостов, которые соединены последовательно или параллельно и подключены к выпрямительным мостам (см. Размадзе Ш.М. Преобразовательные схемы и системы. М., «Высшая школа», 1967).
Основным недостатком такого преобразователя является сложность конструктивного исполнения трансформатора. Кроме того, преобразователь не предназначен для преобразования трехфазного переменного напряжения в трехфазное переменное.
Совокупность причин, препятствующих получению требуемого технического результата, заключается в несовершенстве принципа построения преобразователя.
Известен преобразователь переменного напряжения в постоянное, содержащий два m-фазных вентильных блока, анодные напряжения которых сдвинуты по фазе на угол , включенных параллельно через реактор, снабженный двумя отводами, которые через присоединенные к ним два вентиля, включенные однонаправленно с вентилями указанных блоков, образуют один выходной вывод, а общая точка соединения вентильных блоков – другой выходной вывод, при этом отводы реактора выполнены от части витков, отсчитываемых от крайних выводов (см. авт. св. 1101992, кл. H02M 7/08 от 27.07.2079 г.).
Недостатком этого преобразователя является низкое качество преобразования, заключающееся в том, что с увеличением угла отпирания тиристоров увеличиваются и амплитуды канонических высших гармоник на стороне как постоянного, так и переменного тока. Данный принцип построения преобразователя ограничивает возможность получения периодичности выпрямления свыше 24 усложнением конструктивного исполнения трансформатора. Кроме того, преобразователь не предназначен для преобразования трехфазного переменного напряжения в трехфазное переменное.
Совокупность причин, препятствующих получению требуемого технического результата, заключается в несовершенстве принципа построения преобразователя.
Наиболее близким к предлагаемому техническому решению (прототип) является преобразователь трехфазного переменного напряжения в постоянное (см. патент 2340073 на «Преобразователь трехфазного переменного напряжения в постоянное» (варианты) от 10.09.2007, опубликованный 27.11.2008, Бюл. 33.), содержащий нулевой входной вывод, N (где N=1, 2, 3, ) трехфазных управляемых вентильных мостов, N пар уравнительных реакторов, N пар дополнительных диодов, N двухполюсников, каждый полюс i-го (где i=1, 2, 3, , N) из указанных мостов соединен с крайним выводом обмотки одного из i-й пары уравнительных реакторов, другой крайний вывод которой соединен с электродом одного из i-й пары дополнительных диодов, при этом i-е дополнительные диоды и вентили i-го моста соединены с крайними выводами обмотки одного и того же уравнительного реактора одноименными электродами, к общей точке свободных электродов i-й пары дополнительных диодов подключен входной вывод i-го двухполюсника, между общей точкой выходных выводов N двухполюсников и нулевым входным выводом образована первичная соединительная цепь, а промежуточные выводы обмоток i-й пары уравнительных реакторов образуют замкнутые накоротко выходные выводы i-го моста, трехфазный трансформатор, первичные фазные обмотки которого содержат каждая N+1 выводов и подключены одной группой крайних выводов к фазным входным выводам, а i-й из остальных N групп выводов к входным выводам i-го моста, вторичная обмотка соединена в звезду с нулевым выводом и подключена фазными выводами к входным выводам вторичного вентильного моста со свободным входным выводом, полюсами которого образованы его выходные выводы, а между упомянутыми свободным входным выводом и нулевым выводом вторичной обмотки образована вторичная соединительная цепь, дополнительная обмотка трехфазного трансформатора, в виде которой выполнена соединительная цепь, соединена в разомкнутый треугольник с числом витков, меньшим числа витков наибольшего участка гальванически связанной с ней обмотки трехфазного трансформатора между ее смежными группами выводов, при N=1 двухполюсник выполнен короткозамкнутым, при N=2, 3, 4, , каждый двухполюсник содержит пару встречно параллельно включенных вентилей, один из которых выполнен управляемым с одинаковым относительно нулевого входного вывода направлением подключения электродов, при этом число витков wi от которых выполнен i-й вывод первичной обмотки трехфазного трансформатора, равно

а промежуточный вывод обмотки уравнительного реактора каждого моста делит ее число витков на части в отношении, равном

где wN – число витков первичной обмотки трехфазного трансформатора между ее крайними выводами, w1 – число витков обмотки уравнительного реактора между электродом дополнительного вентиля и промежуточным выводом, w2 – число витков обмотки уравнительного реактора между промежуточным выводом и полюсом управляемого вентильного моста, i=1, 2, 3, , N – порядковый номер трехфазного управляемого вентильного моста, N – общее количество этих мостов, k=f(i)=2i-1, , 2N-1 – коэффициент соотношения чисел витков обмоток уравнительного реактора i-го моста, а также участков первичной обмотки трехфазного трансформатора между i-ми и фазными входными выводами.
Кроме того, может содержать дополнительный трехфазный трансформатор, обмотка которого соединена в звезду и подключена одними выводами и общей точкой других выводов соответственно к фазным и нулевому входным выводам.
Недостатком этого преобразователя при N=2, 3, 4, является сложность конструктивного исполнения трансформатора, заключающаяся в необходимости дополнительных выводов первичной обмотки, которые ухудшают ее использование по мощности. Дополнительные выводы служат для выравнивания по амплитуде N несимметричных систем 12-пульсных напряжений, каждое с частотой пульсаций 300 Гц, и, тем самым, получения 12N-пульсного симметричного выпрямленного напряжения.
Недостатком является также схема включения вентилей двухполюсников, не обеспечивающая индифферентности подключения их выводов.
Совокупность причин, препятствующих получению требуемого технического результата, заключается в несовершенстве принципа построения преобразователя при N 1.
Задача, на решение которой направлено предлагаемое техническое решение, заключается в упрощении.
Эта задача решается тем, что в преобразователе трехфазного переменного напряжения, содержащем нулевой входной вывод, N (где N=2, 3, 4, ) трехфазных управляемых вентильных мостов, N пар уравнительных реакторов, N пар дополнительных диодов, N двухполюсников, каждый полюс i-го (где i=1, 2, 3, , N) из указанных мостов соединен с крайним выводом обмотки одного из i-й пары уравнительных реакторов, другой крайний вывод которой соединен с электродом одного из i-й пары дополнительных диодов, при этом i-е дополнительные диоды и вентили i-го моста соединены с крайними выводами обмотки одного и того же уравнительного реактора одноименными электродами, к общей точке свободных электродов i-й пары дополнительных диодов подключен входной вывод i-го двухполюсника, между общей точкой выходных выводов N двухполюсников, содержащих каждый пару встречно параллельно включенных вентилей, первый из которых выполнен управляемым, и нулевым входным выводом образована первичная соединительная цепь, а промежуточные выводы обмоток i-й пары уравнительных реакторов, делящие число витков обмотки каждого реактора этой пары на части в отношении, равном
,
образуют замкнутые накоротко выходные выводы i-го моста, трехфазный трансформатор, первичные фазные обмотки которого подключены одной группой выводов к фазным входным выводам, а другой – к входным выводам первого (i=1) моста, вторичные фазные обмотки подключены каждая обоими выводами к выходным выводам переменного тока с возможностью образования вторичной соединительной цепи между группой одноименных выводов этих обмоток и соответствующим выходным выводом, дополнительная обмотка трехфазного трансформатора, в виде которой выполнена соединительная цепь, соединена в разомкнутый треугольник с числом витков, меньшим числа витков гальванически связанной с ней основной трехфазной обмотки трансформатора, второй вентиль каждого двухполюсника выполнен управляемым, к упомянутой другой группе выводов первичных фазных обмоток трехфазного трансформатора подключены входные выводы N-1 управляемых вентильных мостов, а вентили i-го моста открыты на величину, пропорциональную в относительных единицах отношению

где w1 – число витков обмотки уравнительного реактора между электродом дополнительного вентиля и промежуточным выводом, w2 – число витков обмотки уравнительного реактора между промежуточным выводом и полюсом управляемого вентильного моста, i=1, 2, 3, , N – порядковый номер трехфазного управляемого вентильного моста, N – общее количество этих мостов, k=f(i)=2i-1, , 2N-1 – коэффициент соотношения чисел витков обмоток уравнительного реактора i-го моста.
Упомянутые вторичные фазные обмотки могут быть соединены в звезду с нулевым выводом, а выходные выводы переменного тока подключены к четырем входным выводам трехфазного вентильного моста.
Упомянутые вторичные фазные обмотки могут быть соединены в треугольник.
Вершины треугольника могут быть подключены к трехфазной нагрузке.
Вершины треугольника могут быть подключены к входным выводам трехфазного вентильного моста.
Преобразователь может содержать межфазный распределитель тока, выполненный на дополнительном трехфазном трансформаторе, обмотка которого соединена в звезду и подключена одними выводами и общей точкой других выводов соответственно к фазным и нулевому входным выводам.
Технический результат заключается в упрощении конструктивного исполнения трансформатора и расширении возможного диапазона, в котором может быть определено число витков обмотки, соединенной в разомкнутый треугольник, при ее гальванической связи с не имеющей отводов первичной обмоткой трансформатора. Индифферентность подключения двухполюсников повышает надежность преобразователя. Технический результат, достигаемый дополнительно к основному, заключается в возможности преобразования трехфазного переменного напряжения в трехфазное переменное несинусоидальное напряжение с качественным гармоническим составом или/и выпрямлении с меньшим числом диодов при равномерном распределении между ними тока нагрузки.
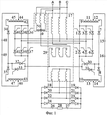
На фиг.1 приведена принципиальная схема 24-пульсного преобразователя с вторичным 8-вентильным мостом, двумя двухполюсниками и разомкнутым треугольником в первичной соединительной цепи; на фиг.2 – детализированные фрагменты векторных диаграмм, приведенных к вторичной обмотке трехфазного трансформатора, где на примере первого квадранта, Uac и Ua0 – соответственно вектора линейного и фазного напряжений питающей сети, U0c2 и U0c1 – соответственно вектора уравнительного напряжения и его меньшей части, пропорционального участку с меньшим числом витков обмотки уравнительного реактора, показывающие получение результирующих векторов выпрямляемых напряжений Ur1, Ur2 при N=2 (m=24) и Ur1, Ur2, Ur3 при N=3 (m=36); на фиг.3 – временные диаграммы выпрямленного напряжения Ud 1, Ud 2, Ud при включении соответственно только первого (i=1), только второго (i=2) управляемых вентильных мостов с одинаковыми углами отпирания тиристоров, обоих этих мостов с неравными углами отпирания тиристоров по указанному соотношению, а также переменного напряжения Uн фазной нагрузки с тем же соотношением углов отпирания тиристоров; на фиг.4 – принципиальная схема 24-пульсного преобразователя с вторичным 8-вентильным мостом, двумя двухполюсниками и разомкнутым треугольником во вторичной соединительной цепи; на фиг.5 – принципиальная схема 24-пульсного преобразователя с двумя двухполюсниками, вторичной обмоткой трансформатора, соединенной в треугольник, подключенный к трехфазной нагрузке и разомкнутым треугольником в первичной соединительной цепи; на фиг.6 – принципиальная схема 24-пульсного преобразователя с двумя двухполюсниками, с вторичной обмоткой трансформатора, соединенной в треугольник, подключенный к трехфазному 6-вентильному мосту и разомкнутым треугольником в первичной соединительной цепи.
Преобразователь (фиг.1) содержит первый трехфазный управляемый вентильный мост на тиристорах 1-6 и диоды 7, 8, уравнительный реактор 9 (10) с обмотками 11, 12 (13, 14), общие точки разноименных выводов которых соединены с замкнутыми накоротко выходными выводами 15 (16) упомянутого моста, начало обмотки 11 (13) соединено с катодами (анодами) тиристоров 1, 3, 5 (2, 4, 6), конец обмотки 12 (14) соединен с катодом (анодом) диода 7 (8). Общие точки разноименных электродов тиристоров 1-6 подключены к началам первичной обмотки трансформатора 17, концы которой подключены к фазным входным выводам А, В, С. Вторичная обмотка трансформатора 17 соединена в звезду и подключена концами к общим точкам разноименных электродов диодов 18-23, а общей точкой начал – к общей точке разноименных электродов диодов 24, 25 моста, выполненного на диодах 18-25, между выходными выводами 26 и 27 которого включена нагрузка 28. Обмотка 29 трансформатора 17 соединена в разомкнутый треугольник и подключена началом к нулевому входному выводу 0. Преобразователь содержит встречно параллельно включенные пары тиристоров 30, 31 и 32, 33, согласно последовательно включенную пару диодов 34 и 35. Кроме того, второй трехфазный управляемый вентильный мост на тиристорах 36-41, уравнительный реактор 42 (43) с обмотками 44, 45 (46, 47), общие точки разноименных выводов которых соединены с замкнутыми накоротко выходными выводами 48 (49) упомянутого моста, начало обмотки 44 (46) соединено с катодами (анодами) тиристоров 36, 38,40 (37, 39, 41), конец обмотки 45 (47) соединен с катодом (анодом) диода 34 (35). Общие точки разноименных электродов тиристоров 36-41 подключены к началам первичной обмотки трансформатора 17. Анод тиристора 30 (32) и катод тиристора 31 (33) подключен к общей точке диодов 7, 8 (34, 35). Катоды тиристоров 30, 32 и аноды тиристоров 31, 33 подключены к концу обмотки 29. Нулевой входной вывод 0 подключен к общей точке начал соединенной в звезду обмотки дополнительного трансформатора 50, концы которой подключены к фазным входным выводам А, В, С.
Согласно соотношению чисел витков обмоток уравнительного реактора первого (i=1) управляемого вентильного моста на тиристорах 1-6, при N=2 (m=24), i=1, k=1 получаем .
Согласно соотношению чисел витков обмоток уравнительного реактора второго (i=2) управляемого вентильного моста на тиристорах 36-41 при N=2 (m=24), i=2, k=3 получаем .
Согласно фрагментам первого квадранта векторной диаграммы (см. фиг.2, при N=2) вектор выпрямляемого напряжения Ur1 или Ur2, формируемый на нагрузке 28 при включении соответственно только первого (i=1) или только второго (i=2) управляемого вентильного моста, отстает по фазе относительно смежного с ним общего вектора фазного напряжения Ua0 на угол, равный в свою очередь 7,5 эл.град. или 22,5 эл.град. Для второго квадранта справедливо то же, но только в сторону опережения на те же углы. Так как число векторов фазных и линейных напряжений, преобразуемых каждым управляемым мостом с уравнительными реакторами равно двенадцати (по шесть фазных и линейных векторов напряжений), то при включении каждого из указанных мостов на нагрузке 28 формируется система из 12-ти выпрямляемых напряжений, вектор каждого из которых сдвинут по фазе относительно двух смежных с ним векторов выпрямляемых напряжений одного и того же моста соответственно на 15 эл.град. и 45 эл.град. Формируемые таким образом две 12-фазные системы выпрямляемых напряжений несимметричны, т.е. частота пульсаций основной гармоники выпрямленного напряжения каждой составляет всего 300 Гц. Вместе с тем, эти две системы выпрямляемых напряжений сдвинуты друг относительно друга по фазе на 30 эл.град. (см. фиг.3, где Ud 1 и Ud 2 – выпрямленное напряжение при включении соответствующего моста), однако имеют неравные амплитуды, отношение которых из косоугольных треугольников на векторной диаграмме (см. фиг.2) равно . Вследствие того, что форма и фазовая ориентация выпрямленного напряжения каждого моста данного преобразователя, вследствие воздействия противоЭДС разомкнутого треугольника, не зависят от угла отпирания тиристоров, а регулирование происходит только за счет изменения амплитуды выпрямленного напряжения, то для получения симметричного 24-пульсного выпрямления (см. Ud на фиг.3) достаточно, при любом значении , открывать тиристоры второго (i=2) моста на 0,7673 от величины, на которую открываются тиристоры первого (i=1) моста, т.е. угол отпирания тиристоров второго моста, отсчитываемый от естественного, всегда должен быть больше угла отпирания тиристоров первого моста, чтобы обеспечивалось требуемое равенство Ur1=Ur2. Это следует также из вышеприведенного отношения , где при N=2, i=1, k=1 получаем для первого моста , а при N=2, i=2, k=3 получаем для второго моста .
Допустим, что полностью открыты тиристоры только одного из управляемых вентильных мостов, например первого или второго на тиристорах соответственно 1-6 или 36-41, а его двухполюсник короткозамкнут. На нагрузке 28 формируется (см. фиг.3) несимметричное выпрямленное напряжение Ud 1 или Ud 2, содержащее 12 пульсаций с частотой основной гармоники 300 Гц. В обмотках 12, 14 (45, 47) уравнительных реакторов 9,10 (42, 43) попеременно формируется ток подпитки, усиливаемый воздействием на него напряжения тройной частоты разомкнутого треугольника 29, которое образуется за счет неравенства нулю суммы магнитных потоков в трансформаторе 17. Причиной возникновения тока подпитки служит стремление не участвующего в данном интервале дискретности в формировании выпрямляемого напряжения уравнительного реактора каждого моста к балансу намагничивающих сил. В то же время другой уравнительный реактор того же моста формирует очередной вектор выпрямляемого напряжения вследствие выравнивания на нем величин смежных по фазе векторов фазного и линейного напряжений. Постоянное протекание тока подпитки по цепи, включающей выходные выводы 15, 16 (48, 49) и диоды 7, 8 (34, 35), не позволяет последним переходить в непроводящее состояние, и управление соответствующим мостом преобразователя осуществляется за счет подачи импульсов на тиристоры 1-6 (36-41) и переключением тока нулевой последовательности между диодами 7 и 8 (34 и 35), которое обеспечивается уравнительными реакторами 9, 10 (42, 43) в моменты естественного изменения направления его протекания. Напряжение тройной частоты обмотки 29 противофазно напряжению пульсации выпрямленного напряжения, а его амплитуда увеличивается с увеличением угла отпирания тиристоров. Поэтому ни форма, ни фаза каждой пульсации выпрямленного напряжения не зависят от угла отпирания тиристоров, а амплитуда имеет обратную от него зависимость. Режим прерывистых токов отсутствует.
В качестве примера рассмотрим раздельную работу каждого моста в течение произвольного интервала дискретности длительностью 30 эл.град. Допустим, что открыты тиристоры 1, 6 (36, 41) от прикладываемого к ним линейного напряжения между фазными входными выводами А и С. Первичный ток протекает по цепи: входной вывод фазы А, конец – начало первичной фазной обмотки трансформатора 17, тиристор 1 (36), начало – конец обмотки 11 (44) уравнительного реактора 9 (42), замкнутые накоротко выходные выводы 15, 16 (48, 49) первого (второго) моста, далее разветвляется на две неравные части, меньшая (большая) из которых протекает по цепи: конец – начало обмотки 13 (46) уравнительного реактора 10 (43), тиристор 6 (41), начало – конец первичной фазной обмотки трансформатора 17, входной вывод фазы С, а большая (меньшая) протекает по цепи: начало – конец обмотки 14 (47) уравнительного реактора 10 (43), диод 8 (35), тиристор 30 (32), конец – начало обмотки 29 трансформатора 17, нулевой входной вывод 0, общая точка начал соединенной в звезду обмотки трехфазного трансформатора 50 и далее через ее концы, разделившись на три равные части, – к фазным входным выводам А, В, С.
Проводящие ток вентили первого (второго) моста находятся под действием выпрямляемого напряжения Ur1 (Ur2), образованного суммированием на уравнительном реакторе 10 (43) смежных по фазе линейного и фазного напряжений. Обмотка 12 (45) уравнительного реактора 9 (42) в это время, стремясь сбалансировать намагничивающие силы в его магнитопроводе, формирует ток подпитки, замыкающийся по цепи, включающей обмотки 12, 14 (45, 47), диоды 8, 7 (35, 34), выходные выводы 15, 16 (48, 49), и препятствующий обесточиванию диода 7 (34). На обмотке 29 трансформатора 17 также формируется напряжение Ur1 (Ur2) но значительно меньшей, в зависимости от выбора ее числа витков, величины, которое находится в противофазе с переменной составляющей выпрямленного напряжения первого (второго) моста.
При совместной работе обоих управляемых мостов равенство амплитуд выпрямляемых напряжений достигается за счет разности углов отпирания тиристоров одного моста относительно другого. В результате совмещения Ud 1 и Ud 2 происходит формирование результирующего выпрямленного напряжения Ud с частотой 1200 Гц во всем диапазоне регулирования (см. фиг.3) вследствие попеременного превышения мгновенных значений пульсаций совмещаемых выпрямленных напряжений. Каждая пара несимметричных пульсаций первичных мостов в совмещаемых 12-ти парах интервалов дискретности преобразуется в две симметричные пульсации, и общее число интервалов дискретности удваивается. Вентильные пары 30, 31 и 32, 33 предназначены для того, чтобы предотвратить взаимовлияние управляемых вентильных мостов через их нулевые провода, чему содействует приведенная очередность включения этих вентилей в общей последовательности, где в скобках указана соответствующая очередность включения диодов вторичного моста (см. фиг.1): 1-4-8-30 (19-20-24), 1-6-8-30 (19-20-24), 36-41-35-32 (19-20-24), 36-41-33-34 (19-22-25), 1-6-31-7 (19-22-25), 3-6-31-7 (21-22-25), 38-41-33-34 (21-22-25), 38-41-35-32 (21-22-24), 3-6-8-30 (21-22-24), 3-2-8-30 (21-18-24), 38-37-35-32 (21-18-24), 38-37-33-34 (21-18-25), 3-2-31-7 (21-18-25), 5-2-31-7 (23-18-25), 40-37-33-34 (23-18-25), 40-37-35-32 (23-18-24), 5-2-8-30 (23-18-24), 5-4-8-30 (23-20-24), 40-39-35-32 (23-20-24), 40-39-33-34 (23-20-25), 5-4-31-7 (23-20-25), 1-4-31-7 (19-20-25), 36-39-33-34 (19-20-25), 36-39-35-32 (19-20-24). Отпирающие импульсы на тиристоры 30-33 подаются с учетом направления и фазы соответствующей пульсации тока нулевого провода каждого первичного моста и, в отличие от импульсов, подаваемых на тиристоры этих мостов, не требуют фазового сдвига для регулирования выходного напряжения.
Результирующий ток нулевой последовательности протекает между общей точкой тиристоров 30-33, через обмотку 29, нулевой входной вывод, образованный общей точкой соединенной в звезду обмотки дополнительного трансформатора 50, далее разветвляется на 3 равные части, каждая из которых течет в сеть через один из фазных входных выводов А, В, С и также в обратном направлении попеременно через одну из вышеупомянутых вентильных пар. Тем самым устраняется вредное воздействие на сеть тока нулевой последовательности, т.к. в потребляемом линейном токе он отсутствует. Ток, протекающий под действием разностной ЭДС обмотки 29 всегда направлен встречно результирующему току нулевой последовательности, совпадает с ним по форме и подвергается общему регулирующему воздействию.
Каждый управляемый вентильный мост поочередно проводит ток от двух смежных по фазе результирующих напряжений, а переключение мостов в моменты подачи управляющих импульсов на тиристоры происходит вследствие превышения по амплитуде результирующего напряжения включающегося в работу моста относительно смежного по фазе результирующего напряжения выключающегося моста, что, в свою очередь, обеспечивается выбранным соотношением чисел витков уравнительных реакторов 9, 10 и 42, 43.
Каждый раз, от момента включения до момента выключения первого управляемого моста на тиристорах 1-6, ток проводят только диод 7 и тиристор 31 или только диод 8 и тиристор 30, т.е. в процессе работы этого моста ток в его нулевом проводе не изменяет своего направления. Поэтому тиристоры 1-6 самодостаточно обеспечивают управляемость первого моста.
Каждый раз в процессе работы второго управляемого моста ток в его нулевом проводе изменяет свое направление на противоположное, и ток проводят либо диод 35 и тиристор 32, либо тиристор 33 и диод 34. Поэтому тиристоры 36-41 не могут самодостаточно обеспечить управляемость второго моста, которая, тем не менее, достигается благодаря треугольнику 29 и уравнительным реакторам 42, 43, а именно: под действием разностной ЭДС треугольника 29 в обмотках 45, 47 уравнительных реакторов 42, 43 попеременно протекает, не прерываясь, ток подпитки, вентили 34, 35 остаются в проводящем состоянии, их управляющие функции в соответствующие моменты времени берут на себя указанные реакторы.
При совместной работе обоих мостов, в отличие от раздельной, число витков обмотки 29 в процентах от числа витков первичной обмотки трансформатора 17 может быть значительно меньше, т.к. соответствует амплитуде переменной составляющей симметричного 24-пульсного выпрямления, которая не превышает значения 13%, взятой в относительных единицах максимальной разности значения ординаты переменной составляющей выпрямленного напряжения и ее среднего значения при некотором угле отпирания тиристоров.
Принципиальная схема преобразователя на фиг.4 отличается от схемы, приведенной на фиг.1, только тем, что соединенная в разомкнутый треугольник обмотка 29 трансформатора 17 образует, с соблюдением полярности включения, вторичную соединительную цепь между нулевым выводом вторичной обмотки этого трансформатора и общей точкой разноименных электродов диодов 24, 25.
Работа преобразователя по фиг.4 аналогична работе преобразователя по фиг.1. Возможность применения схемы по фиг.4 обеспечивает более широкие эксплуатационные возможности преобразователя, например, при повышающем коэффициенте трансформации и питании от низковольтного источника питания, т.к. при этом можно точнее варьировать числом витков обмотки 29.
Принципиальные схемы преобразователей по фиг.5 и фиг.6 отличаются от схемы, приведенной на фиг.1, тем, что вторичная обмотка трансформатора 17 соединена в треугольник, вершины которого подключены к трехфазной нагрузке 51, 52, 53 (см. фиг.5) или входным выводам трехфазного выпрямительного моста на диодах 18-23, между выходными выводами 26 и 27 которого включена нагрузка 28.
Работа управляющей части преобразователей по фиг.5 и фиг.6 аналогична работе преобразователя по фиг.1. Угол проводимости каждого диода вторичного моста равен 180 эл.град., а форма тока идентична форме напряжения Uн на каждой фазе трехфазной нагрузки (см. на фиг.3) за 1/2 периода питающего напряжения. Очередность включения вентилей вторичного моста, соответствующая вышеприведенной очередности включения тиристоров первичных мостов: 19-22-20, 19-22-21, 19-22-21, 19-22-21, 19-22-21, 18-22-21, 18-22-21, 18-22-21, 18-22-21, 18-23-21, 18-23-21, 18-23-21, 18-23-21, 18-23-20, 18-23-20, 18-23-20, 18-23-20, 19-23-20, 19-23-20, 19-23-20, 19-23-20, 19-22-20, 19-22-20, 19-22-20.
Для 36-пульсного преобразования из вышеприведенного отношения 
где
при N=3, i=1, k=1 получаем для первого моста ,
при N=3, i=2, k=3 получаем для второго моста ,
при N=3, i=3, k=5 получаем для третьего моста .
Поэтому, для получения равенства Ur1=Ur2=Ur3 векторов (см. фиг.2) результирующих напряжений трех управляемых первичных мостов 36-пульсного выпрямителя, тиристоры второго, при i=2 (третьего, при i=3) первичного моста, должны быть открыты при любом значении , на 0,8632 (на 0,7002) от величины, на которую открываются тиристоры первого первичного (i=1) моста. В этом случае происходит совмещение трех несимметричных 12-пульсных систем выпрямляемых напряжений каждого первичного моста в одну общую симметричную 36-пульсную систему, в которой каждый вектор выпрямляемого напряжения сдвинут по фазе относительно двух смежных с ним векторов выпрямляемых напряжений одного и того же моста соответственно на 10 и 50 эл.град. Сумма этих углов в общем случае для каждого моста 6N-пульсного преобразователя равна 60 эл.град., а меньший по величине угол равен 30/N эл.град. Каждая из N несимметричных систем выпрямляемых напряжений имеет сдвиг по фазе 60/N эл.град. относительно смежной с ней аналогичной системы.
Формула изобретения
1. Преобразователь трехфазного переменного напряжения, содержащий нулевой входной вывод, N (где N=2, 3, 4, ) трехфазных управляемых вентильных мостов, N пар уравнительных реакторов, N пар дополнительных диодов, N двухполюсников, каждый полюс i-го (где i=1, 2, 3, , N) из указанных мостов соединен с крайним выводом обмотки одного из i-й пары уравнительных реакторов, другой крайний вывод которой соединен с электродом одного из i-й пары дополнительных диодов, при этом i-e дополнительные диоды и вентили i-го моста соединены с крайними выводами обмотки одного и того же уравнительного реактора одноименными электродами, к общей точке свободных электродов i-й пары дополнительных диодов подключен входной вывод i-го двухполюсника, между общей точкой выходных выводов N двухполюсников, содержащих каждый пару встречно параллельно включенных вентилей, первый из которых выполнен управляемым, и нулевым входным выводом образована первичная соединительная цепь, а промежуточные выводы обмоток i-й пары уравнительных реакторов, делящие число витков обмотки каждого реактора этой пары на части в отношении, равном
 образуют замкнутые накоротко выходные выводы i-го моста, трехфазный трансформатор, первичные фазные обмотки которого подключены одной группой выводов к фазным входным выводам, а другой – к входным выводам первого (i=1) моста, вторичные фазные обмотки подключены каждая обоими выводами к выходным выводам переменного тока с возможностью образования вторичной соединительной цепи между группой одноименных выводов этих обмоток и соответствующим выходным выводом, дополнительная обмотка трехфазного трансформатора, в виде которой выполнена соединительная цепь, соединена в разомкнутый треугольник с числом витком, меньшим числа витков гальванически связанной с ней основной трехфазной обмотки трансформатора, отличающийся тем, что второй вентиль каждого двухполюсника выполнен управляемым, к упомянутой другой группе выводов первичных фазных обмоток трехфазного трансформатора подключены входные выводы N-1 управляемых вентильных мостов, а вентили i-го моста открыты на величину, пропорциональную в относительных единицах отношению
 где w1 – число витков обмотки уравнительного реактора между электродом дополнительного вентиля и промежуточным выводом, w2 – число витков обмотки уравнительного реактора между промежуточным выводом и полюсом управляемого вентильного моста, i=1, 2, 3, , N – порядковый номер трехфазного управляемого вентильного моста, N – общее количество этих мостов, k=f(i)=2i-1, , 2N-1 – коэффициент соотношения чисел витков обмоток уравнительного реактора i-го моста.
2. Преобразователь по п.1, отличающийся тем, что упомянутые вторичные фазные обмотки соединены в звезду с нулевым выводом, а выходные выводы переменного тока подключены к четырем входным выводам трехфазного вентильного моста.
3. Преобразователь по п.1, отличающийся тем, что упомянутые вторичные фазные обмотки соединены в треугольник.
4. Преобразователь по п.3, отличающийся тем, что вершины треугольника подключены к трехфазной нагрузке.
5. Преобразователь по п.3, отличающийся тем, что вершины треугольника подключены к входным выводам трехфазного вентильного моста.
6. Преобразователь по п.1, отличающийся тем, что содержит межфазный распределитель тока, выполненный на дополнительном трехфазном трансформаторе, обмотка которого соединена в звезду и подключена одними выводами и общей точкой других выводов соответственно к фазным и нулевому входным выводам.
РИСУНКИ
|
|