|
|
(21), (22) Заявка: 2009100612/09, 11.01.2009
(24) Дата начала отсчета срока действия патента:
11.01.2009
(46) Опубликовано: 10.05.2010
(56) Список документов, цитированных в отчете о поиске:
RU 2292620 C1, 27.01.2007. RU 2335058 C1, 27.09.2008. RU 2173017 C1, 27.08.2001. RU 2218647 C2, 10.12.2003. EP 0750383, 27.12.1996.
Адрес для переписки:
302019, г.Орел, ул. Генерала Родина, 69, ФГОУ ВПО ОрелГАУ
|
(72) Автор(ы):
Виноградов Александр Владимирович (RU), Астахов Сергей Михайлович (RU), Семенов Александр Евгеньевич (RU), Багаев Павел Леонидович (RU), Черных Николай Николаевич (RU)
(73) Патентообладатель(и):
Федеральное государственное образовательное учреждение высшего профессионального образования “Орловский государственный аграрный университет” (ФГОУ ВПО ОрелГАУ) (RU)
|
(54) СПОСОБ ЗАПРЕТА АВТОМАТИЧЕСКОГО ПОВТОРНОГО ВКЛЮЧЕНИЯ НА КОРОТКОЕ ЗАМЫКАНИЕ В ОТХОДЯЩЕЙ ЛИНИИ В СЛУЧАЕ ОТКАЗА ЕЕ ВЫКЛЮЧАТЕЛЯ
(57) Реферат:
Изобретение относится к автоматике электрических сетей. Технический результат заключается в повышении достоверности способа путем контроля положения выключателей отходящих линий после появления в ней короткого замыкания, расширении функциональных возможностей способа, что увеличивает срок службы выключателя АПВ, сокращает затраты на его ремонт и обслуживание. Для этого фиксируют ток короткого замыкания на вводе питающего трансформатора и в отходящих линиях, фиксируют ток короткого замыкания на вводе питающего трансформатора между вводным выключателем и выключателем автоматического включения резерва, в этот же момент времени фиксируют ток короткого замыкания в отходящих линиях, контролируют положение выключателя отходящей линии, в которой произошло короткое замыкание, контролируют напряжение на секции шин питающего трансформатора и, если ток короткого замыкания присутствует и на вводе питающего трансформатора, и в одной из отходящих линий, а после его отключения защитой выключатель этой линии остался во включенном положении, причем отсутствует напряжение на секции шин питающего трансформатора, делают вывод, что произошло короткое замыкание в отходящей линии и отказал ее выключатель, в этом случае подают сигнал запрета АПВ. 2 ил.
Изобретение относится к автоматике электрических сетей и предназначено для предотвращения срабатывания выключателя автоматического повторного включения (АПВ) на короткое замыкание в отходящей линии при отказе ее выключателя.
Известен способ запрета автоматического повторного включения на короткое замыкание на шинах двухтрансформаторной подстанции при отказе ее выключателя, в котором фиксируют ток короткого замыкания на вводе питающего трансформатора между вводным выключателем и выключателем АВР, в этот же момент времени фиксируют ток короткого замыкания в отходящих линиях, контролируют напряжение на секции шин питающего трансформатора и, если ток короткого замыкания присутствует и на вводе питающего трансформатора, и в одной из отходящих линий, а после его отключения защитой отсутствует напряжение на секции шин питающего трансформатора, делают вывод, что произошло короткое замыкание в отходящей линии и отказал ее выключатель, в этом случае подают сигнал запрета АПВ. RU Патент 2292620, МПК 7 H02J 9/06, опубл. 01.2007, Бюл. 3-7 с.: ил. – прототип.
Недостатком изобретения является недостаточная достоверность об отключении вводного выключателя.
Задачей предлагаемого изобретения является повышение достоверности способа путем контроля положения выключателей отходящих линий после появления в ней короткого замыкания, расширение функциональных возможностей способа, что увеличивает срок службы выключателя АПВ, сокращает затраты на его ремонт и обслуживание.
Для решения указанной задачи в известном способе фиксируют ток короткого замыкания на вводе питающего трансформатора и в отходящих линиях, согласно изобретению одновременно фиксируют ток короткого замыкания на вводе питающего трансформатора и в отходящих линиях, контролируют положение выключателя отходящей линии, в которой произошло короткое замыкание, контролируют напряжение на секции шин питающего трансформатора и, если ток короткого замыкания присутствует и на вводе питающего трансформатора, и в одной из отходящих линий, а после его отключения защитой выключатель этой линии остался во включенном положении, причем отсутствует напряжение на секции шин питающего трансформатора, делают вывод, что произошло короткое замыкание в отходящей линии и отказал ее выключатель, в этом случае подают сигнал запрета АПВ.
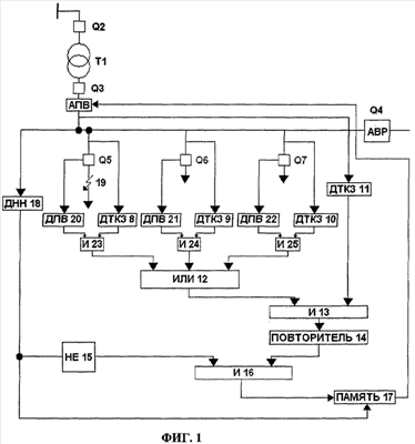
Суть предлагаемого изобретения поясняется чертежами, где
на фиг.1 показана структурная схема устройства, реализующего способ;
на фиг.2 показаны диаграммы сигналов на выходах элементов, показанных на фиг.1 при коротком замыкании в точке 19.
Схема (см. фиг.1) содержит питающий трансформатор Т1, вводной выключатель Q2 на стороне высокого напряжения, вводной выключатель Q3 на стороне низкого напряжения, выключатель АПВ Q4, выключатель в отходящей линии Q5, выключатель в отходящей линии Q6, выключатель в отходящей линии Q7, датчик тока короткого замыкания ДТКЗ 8, датчик тока короткого замыкания ДТК3 9, датчик тока короткого замыкания ДТКЗ 10, датчик тока короткого замыкания ДТК3 11, датчик положения выключателя ДПВ 20, датчик положения выключателя ДПВ 21, датчик положения выключателя ДПВ 22, элемент ИЛИ 12, элемент И 13, элемент И 23, элемент И 24, элемент И 25, элемент ПОВТОРИТЕЛЬ 14, элемент НЕ 15, элемент И 16, элемент ПАМЯТЬ 17, датчик наличия напряжения ДНН 18, точка короткого замыкания 19.
При коротком замыкании в точке 19 (см. фиг.1) диаграммы сигналов на выходах элементов, показанных на фиг.1, имеют вид: 26 – на выходе элемента 8; 27 – на выходе элемента 9; 28 – на выходе элемента 10; 29 – на выходе элемента 11; 30 – на выходе элемента 18; 31 на выходе элемента 12; 32 – на выходе элемента 13; 33 – на выходе элемента 14; 34 – на выходе элемента 15; 35 – на выходе элемента 16; 36 – на выходе элемента 17; 37 – на выходе элемента 20; 38 – на выходе элемента 21; 39 – на выходе элемента 22; 40 – на выходе элемента 23; 41 – на выходе элемента 24; 42 – на выходе элемента 25.
Схема работает следующим образом.
В нормальном режиме работы в отходящих линиях и на вводе трансформатора Т1 течет рабочий ток. Так как токи в линиях и на вводе не равны току короткого замыкания, то нет сигналов на выходах ДТКЗ 8, ДТКЗ 9, ДТКЗ 10, ДТКЗ 11, а также присутствуют сигналы на выводах элементов ДПВ 20, ДПВ 21, ДПВ 22. Соответственно, отсутствуют сигналы на выходах элементов И 23, И 24, И 25, ИЛИ 12 и И 13. Присутствуют все линейные напряжения на шинах, поэтому присутствует сигнал с элемента ДНН 18, нет сигнала на выходе элемента НЕ 15 и соответственно на выходе И 16. Сигнал с выхода элемента ДНН 18 подается на сброс элемента ПАМЯТЬ 17. Схема не запускается.
При коротком замыкании (двух или трехфазном) в отходящей линии (фиг.1. точка 19) появляется ток короткого замыкания на вводе трансформатора Т1, который фиксируется датчиком ДТКЗ 11, на выходе ДТКЗ 11 появляется сигнал (фиг.2. диаграмма 29). Так как замыкание произошло в отходящей линии, то на выходе датчика ДТКЗ 8 также появляется сигнал (фиг.2. диаграмма 26). На выходах элементов ДТКЗ 9 и ДТКЗ 10 сигнал отсутствует (фиг.2. диаграммы 27, 28). Сигнал с элемента ДТКЗ 8 подается на один из входов элемента И 23, сигнал с выхода элемента ДПВ 20 (фиг.2 диаграмма 37) также поступает на один из входов элемента И 23. Соответственно, на выходе элемента И 23 появляется сигнал (фиг.2 диаграмма 40), который поступает на один из входов элемента ИЛИ 12, с выхода которого появляется сигнал (фиг.2. диаграммы 31) и поступает на один из входов элемента И 13, на втором входе которого присутствует сигнал с элемента ДТКЗ 11. На выходе И 13 появляется сигнал и подается на вход элемента ПОВТОРИТЕЛЬ 14 (фиг.2. диаграмма 33), который подает сигнал на один вход И 16 (фиг.2. диаграмма 35). Если произойдет отказ выключателя Q5 в линии, то отключение тока короткого замыкания произойдет с помощью выключателя Q3. При этом исчезает напряжение на шинах и соответственно исчезает сигнал с элемента ДНН 18 (фиг.2. диаграмма 30). Появляется сигнал на выходе элемента НЕ 15 (фиг.2. диаграмма 34) и полается на второй вход элемента И 16. Поскольку на обоих входах элемента И 16 появляются, таким образом, сигналы, появляется сигнал и на его выходе (фиг.2. диаграмма 35). Этот сигнал подается на вход элемента ПАМЯТЬ 17. Ввиду присутствия сигнала на входе элемента ПАМЯТЬ 17 и отсутствия сигнала сброса, на выходе ПАМЯТЬ 17 появится сигнал, который будет являться сигналом запрета АПВ (фиг.2. диаграмма 36). При восстановлении нормального режима на шинах подстанции появится напряжение, что будет зафиксировано датчиком ДНН 18, сигнал с которого «сбросит» элемент ПАМЯТЬ 17, схема вернется в исходное состояние.
При коротком замыкании (двух или трехфазном) в другой отходящей линии, при отказе ее выключателя схема работает аналогично, особенность ее работы в этом случае состоит в том, что сигнал о появлении тока короткого замыкания появится с выхода одного из элементов ДТКЗ 9 или ДТКЗ 10.
Если при коротком замыкании в отходящей линии отключится ее выключатель, в данном случае Q5, то после исчезновения тока короткого замыкания напряжение на шинах подстанции не исчезнет. А также, вследствие отключения выключателя Q5, исчезает сигнал с элемента ДПВ 20. Также не будет сигналов с выходов элементов НЕ 15 и И 16, следовательно, сигнал запрета АПВ в этом случае выдан не будет.
Если короткое замыкание в отходящей линии произошло в непосредственной близости от шин подстанции, то возможно исчезновение напряжения на шинах во время протекания тока короткого замыкания. В этом случае появится сигнал с выхода элемента ПАМЯТЬ 17, но после отключения тока короткого замыкания выключателем Q5 произойдет восстановление номинального уровня напряжения на шинах, появится сигнал с выхода элемента ДНН 18 и произойдет «сброс» элемента ПАМЯТЬ 17. Схема вернется в исходное состояние.
Таким образом, сигнал запрета АПВ подается только в случае короткого замыкания в отходящей линии при отказе ее выключателя независимо от вида короткого замыкания (двух или трехфазное). Это расширяет применение и функциональные возможности способа, что увеличивает срок службы выключателя АПВ, сокращает затраты на его ремонт и обслуживание.
Формула изобретения
Способ запрета автоматического повторного включения (АПВ) на короткое замыкание в отходящей линии в случае отказа ее выключателя, заключающийся в фиксации появления тока короткого замыкания на вводе питающего трансформатора и в отходящих линиях, отличающийся тем, что фиксируют ток короткого замыкания на вводе питающего трансформатора между вводным выключателем и выключателем автоматического включения резерва, в этот же момент времени фиксируют ток короткого замыкания в отходящих линиях, контролируют положение выключателя отходящей линии, в которой произошло короткое замыкание, контролируют напряжение на секции шин питающего трансформатора и, если ток короткого замыкания присутствует и на вводе питающего трансформатора, и в одной из отходящих линий, а после его отключения защитой выключатель этой линии остался во включенном положении, причем отсутствует напряжение на секции шин питающего трансформатора, делают вывод, что произошло короткое замыкание в отходящей линии и отказал ее выключатель, в этом случае подают сигнал запрета АПВ.
РИСУНКИ
|
|