|
|
(21), (22) Заявка: 2008131013/09, 30.07.2008
(24) Дата начала отсчета срока действия патента:
30.07.2008
(46) Опубликовано: 10.05.2010
(56) Список документов, цитированных в отчете о поиске:
RU 2180981 C1, 27.03.2002. JP 06-014426, 21.01.1994. JP 5268711 A, 15.10.1993.
Адрес для переписки:
107174, Москва, ул. Новая Басманная, 2, ОАО “РЖД”, Департамент технической политики (ЦТех)
|
(72) Автор(ы):
Чудновский Валерий Валерьевич (RU)
(73) Патентообладатель(и):
Открытое акционерное общество “Российские железные дороги” (RU)
|
(54) СПОСОБ ОЧИСТКИ ПРОВОДОВ ОТ ИЗОЛЯЦИИ И УСТРОЙСТВО ДЛЯ ЕГО ОСУЩЕСТВЛЕНИЯ
(57) Реферат:
Изобретение относится к электротехнике к средствам для подготовки проводов и кабелей, а точнее для удаления изоляции или брони с кабелей. В один из зажимов (5) крестовины (4) устанавливают пучок проводов (15) с изоляцией. Поворотом стойки (2) перемещают пучок в сторону емкости (2) с жидким азотом, посредством пневмоцилиндра (4) поднимают крестовину (3) и устанавливают перекладину с установленным в ее зажиме (5) пучком (15) над емкостью с жидким азотом, с помощью того же пневмоцилиндра (4) опускают пучок в жидкий азот и держат в нем пучок не более 60 сек. В течение этого времени изоляция на проводах полностью затвердевает и становится хрупкой. Далее пучок проводов (15) вынимают и быстро (не более 30 сек) перемещают крестовину к механизму очищения, опускают перекладину в корпус (9), так чтобы пучок оказался между зубчатыми цилиндрами (11). Зубцы цилиндров быстро разрушают затвердевшую изоляцию. Изобретение упрощает и удешевляет технологию очистки и повышает качество очистки. 2 н. и 3 з.п. ф-лы, 2 ил.
Изобретение относится к электротехнике к средствам для подготовки проводов и кабелей, а точнее для удаления изоляции или брони с кабелей.
Известны способы и устройства для механической очистки от изоляции [RU 2034389, кл. H02G 1/12, 1991, А1 и RU 2222080, кл. H02G 1/12, 2001, А1], содержащие зажимные механизмы и ножи для обрезки изоляции.
Эти способы весьма трудоемки, а устройства неудобны и опасны в использовании.
Известны способы химической очистки проводов от изоляции [RU 2014655, кл. H02G 1/12, 1990, А1 и RU 2219228, кл. C11D 7/30, 2001, А1], в которых на изоляцию обрабатываемого участка провода наносят химически активный состав в виде водного раствора ортофосфорной кислоты или моющего вещества, содержащего муравьиную кислоту.
Однако эти способы неудобны в использовании, они трудоемки и дорогостоящие, так как изоляция растворяется в используемых растворах и периодически эти растворы нужно менять, кроме того, требуются дополнительные средства для удаления отработанных жидкостей как с проводов, так и в емкостях, в которые опускаются провода.
Задачей заявляемого решения является снижение трудоемкости и удешевление за счет упрощения технологии очистки и повышения качества очистки.
Поставленная задача решается тем, что провода с изоляцией, собранные в пучки, опускают в емкость с жидким азотом и удерживают их там не более 60 секунд, далее вынимают пучки проводов и не более чем через 30 секунд скалывают с проводов отвердевшую изоляцию.
Поставленная задача решается также тем, что используют устройство, содержащее три основных узла: емкость с жидким азотом, узел перемещения проводов и узел очистки, при этом узел перемещения проводов выполнен в виде закрепленной на стойке крестовины, на концах перекладин которой закреплены захваты, устройства опускания и подъема пучков проводов и механизма поворота, а узел очистки состоит из корпуса с открывающейся верхней крышкой, размещенных внутри корпуса с возможностью вращения зубчатых цилиндров, соединенных с возможностью изменения расстояния между цилиндрами с зубчатыми колесами, установленными снаружи корпуса.
Для удобства использования механизм поворота крестовины с
пучками проводов выполнен в виде электродвигателя, соединенного через червячный редуктор с мальтийским крестом, установленным в основании стойки с крестовиной, устройство подъема и опускания пучков выполнено в виде пневмоцилиндра, над которым размещена крестовина, а зубчатые цилиндры соединены с электроприводом через червячную передачу.
Сравнительный анализ с известными решениями показал, что неизвестно использование жидкого азота для очистки проводов от изоляции, что позволяет судить о соответствии критериям «новизна» и «изобретательский уровень»
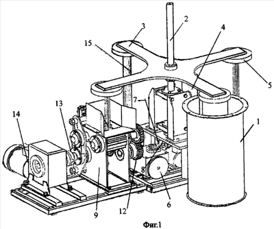
На фиг.1 приведено изображение устройства для осуществления способа, на фиг.2 – изображение узла очищения этого устройства.
Устройство содержит емкость с жидким азотом 1, стойку 2 с закрепленной на ней крестовиной 3, подпираемой пневмоцилиндром 4. На перекладинах крестовины закреплены захваты 5 для проводов. Крестовина приводится во вращение механизмом поворота, содержащим электродвигатель 6, соединенный червячным редуктором 7 с мальтийским крестом 8, на котором закреплена опорная стойка 2.
Механизм очищения содержит корпус 9 с открывающейся крышкой 10, внутри корпуса установлены зубчатые цилиндры 11, соединенные с возможностью изменения расстояния между цилиндрами с зубчатыми колесами 12, установленными снаружи корпуса 9, а с электроприводом 14 зубчатые цилиндры соединены через червячную передачу 13.
Способ осуществляется следующим образом.
В один из зажимов 5 крестовины 4 устанавливают пучок проводов 15 с изоляцией. Поворотом стойки 2 перемещают пучок в сторону емкости 2 с жидким азотом, посредством пневмоцилиндра 4 поднимают крестовину 3 и устанавливают перекладину с установленным в ее зажиме 5 пучком 15 над емкостью с жидким азотом, с помощью того же пневмоцилиндра 4 опускают пучок в жидкий азот и держат в нем пучок не более 60 сек. В течение этого времени изоляция на проводах полностью затвердевает и становится хрупкой.
Далее пучок проводов 15 вынимают и быстро (не более 30 сек) перемещают крестовину к механизму очищения, опускают перекладину в корпус 9, так чтобы пучок оказался между зубчатыми цилиндрами 11. Зубцы цилиндров быстро разрушают затвердевшую изоляцию.
Далее полностью очищенный пучок выводят из корпуса 9.
Способ и устройство позволяют практически полностью исключить ручной труд. Жидкий азот в емкости может использоваться неограниченное время. Отходами при таком очищении является только сама изоляция. Устройство позволяет автоматизировать и значительно ускорить процесс очистки.
Формула изобретения
1. Способ очистки проводов от изоляции, заключающийся в том, что провода с изоляцией, собранные в пучки, опускают в емкость с жидким азотом и удерживают их там не более 60 с, далее вынимают пучки проводов и не более чем через 30 с скалывают с проводов отвердевшую изоляцию.
2. Устройство для осуществления способа по п.1, содержащее три основных узла: емкость с жидким азотом, узел перемещения проводов и узел очистки, при этом узел перемещения проводов выполнен в виде закрепленной на стойке крестовины, на концах перекладин которой закреплены захваты, устройства опускания и подъема пучков проводов и механизма поворота, а узел очистки состоит из корпуса с открывающейся верхней крышкой, установленными снаружи корпуса зубчатыми колесами, соединенными с возможностью изменения расстояния между зубчатых цилиндров, размещенных с возможностью вращения внутри корпуса и соединены, в свою очередь, с электроприводом.
3. Устройство по п.2, характеризующееся тем, что механизм поворота крестовины с пучками проводов выполнен в виде электродвигателя, соединенного через червячный редуктор с мальтийским крестом, установленным в основании стойки с крестовиной.
4. Устройство по п.2, характеризующееся тем, что устройство подъема и опускания пучков выполнено в виде пневмоцилиндра, над которым размещена крестовина.
5. Устройство по п.2, характеризующееся тем, что зубчатые цилиндры соединены с электроприводом через червячную передачу.
РИСУНКИ
|
|