|
|
(21), (22) Заявка: 2008146798/09, 26.11.2008
(24) Дата начала отсчета срока действия патента:
26.11.2008
(46) Опубликовано: 27.04.2010
(56) Список документов, цитированных в отчете о поиске:
Помехозащищенность радиосистем со сложными сигналами, под. ред. ТУЗОВА Г.И. – М.: Радио и связь, 1985, с.211, рис.7.3а. SU 1252945 А2, 23.08.1986. SU 1381722 A1, 15.03.1988. SU 1646060 A1, 30.04.1991. SU 1840448 A1, 10.03.2007. RU 2195770 C2, 27.12.2002. WO 2006092093 A1, 08.09.2008. RU 2330380 C1, 27.07.2008. RU 2329599 C1, 20.07.2008.
Адрес для переписки:
394018, г.Воронеж, ул. Плехановская, 14, ОАО “Концерн “Созвездие”
|
(72) Автор(ы):
Волошин Леонид Алексеевич (RU), Безгинов Иван Гаврилович (RU)
(73) Патентообладатель(и):
Открытое акционерное общество “Концерн Созвездие” (RU)
|
(54) УСТРОЙСТВО ПОДАВЛЕНИЯ УЗКОПОЛОСНЫХ ПОМЕХ
(57) Реферат:
Изобретение относится к области радиотехники и может быть использовано преимущественно в дуплексных радиоканалах управления и пакетных радиосетях оперативно-командной связи в позиционных районах при воздействии узкополосных помех. Технический результат – повышение эффективности использования выделенной полосы частот, что позволяет увеличить соотношение сигнал/шум. Для этого в устройство введены в каждую из n линеек блока защиты от узкополосных помех соответствующий электронный ключ (101-10n), а также первый (11) и второй (12) временные селекторы, выходы которых соединены с соответствующими входами схемы ИЛИ (13). При этом первый вход каждого электронного ключа (101-10n) соединен с выходом соответствующего элемента подавления узкополосных помех (61-6n), а выход является соответствующим выходом блока защиты от узкополосных помех (2). Входы первого (11) и второго (12) временных селекторов подсоединены ко второму выходу согласованного фильтра (4), выход схемы ИЛИ (13) соединен со вторыми входами первого (101) и второго (102), а также двух последних (10n-1 и 10n) электронных ключей. Выход второго временного селектора 12 соединен со вторыми входами третьего (103) и (n-2)-го (10n-2) электронных ключей. 2 ил.
Изобретение относится к области радиотехники и может быть использовано преимущественно в дуплексных радиоканалах управления и пакетных радиосетях оперативно-командной связи в позиционных районах при воздействии узкополосных помех.
Известно устройство подавления узкополосных помех по а.с. 754681, Н04В 1/10, СССР, содержащее n соединенных последовательно самонастраивающихся режекторных фильтров, однако это устройство вместе с помехой подавляет и часть спектра полезного сигнала.
Известно устройство по а.с. 720730, Н04В 1/10, в котором для подавления помех используется гребенка коммутируемых фильтров. Недостатком данного устройства является его сложность, обусловленная наличием гребенки узкополосных коммутируемых фильтров и дополнительных электрических потерь, вызванных неидентичностью и нестабильностью во времени амплитудных и фазовых характеристик отдельных фильтров.
Наиболее близким по технической сущности к предлагаемому является устройство подавления помех, представленное в книге «Помехозащищенность радиосистем со сложными сигналами», под ред. Г.И. Тузова, М., «Радио и связь», 1985 г., стр.211, рис.7. 3а, принятое за прототип.
На фиг.1 приведена функциональная схема устройства-прототипа, где обозначено:
1 – широкополосный усилитель промежуточной частоты (УПЧ);
2 – подавитель узкополосных помех (блок защиты);
3 – сумматор;
4 – согласованный фильтр;
51-5n – узкополосные усилители промежуточной частоты (УПЧ);
61-6n – элементы подавления узкополосных помех;
7 – перемножитель;
8 – интегратор;
9 – генератор опорного сигнала.
Устройство-прототип содержит последовательно соединенные широкополосный УПЧ 1 и блок защиты 2, n выходов которого соединены с соответствующими входами сумматора 3, выход которого соединен с входом согласованного фильтра 4, выход которого является выходом устройства. При этом блок защиты 2 содержит n параллельных каналов, каждый из которых состоит из соответствующих последовательно соединенных узкополосных УПЧ 5 и элементов подавления узкополосных помех 6, выходы которых являются соответствующими выходами блока защиты 2. Входы узкополосных УПЧ 51-5n объединены и являются входом блока защиты 2. Вход широкополосного усилителя УПЧ 1 является входом устройства. Согласованный фильтр 4 содержит последовательно соединенные перемножитель 7 и интегратор 8, выход которого является выходом согласованного фильтра 4, а также генератор опорного сигнала 9, выход которого соединен с первым входом перемножителя 7, второй вход которого является входом согласованного фильтра 4.
Работает устройство-прототип следующим образом.
Принятый широкополосный сигнал (ШПС) после преобразования частоты поступает на вход широкополосного УПЧ 1, где усиливается до необходимой величины и затем подается на подавитель узкополосных помех (блок защиты) 2, с помощью фильтров узкополосных УПЧ 51-5n вся полоса частот ШПС делится на n парциальных каналов:
,
где f – ширина полосы частот парциального канала;
F – ширина полосы частот принятого ШПС;
n – число парциальных каналов.
При этом ширина полос всех n парциальных каналов должна быть одинакова и, кроме того, полосы частот парциальных каналов не должны перекрываться. Поэтому амплитудно-частотная характеристика (АЧХ) и фазочастотная характеристика (ФЧХ) подавителя помех (блока защиты) 2 представляется как сумма АЧХ и ФЧХ отдельных каналов.
В каждом частотном канале кроме узкополосного фильтра имеется усилитель, с помощью которого компенсируется затухание в фильтре своего парциального канала.
Выбор ширины полосы пропускания каждого парциального канала производится с таким расчетом, чтобы в каждый парциальный канал попадало не более одной узкополосной помехи.
При наличии в каком-либо из парциальных каналов узкополосной помехи производится ее подавление в соответствующем элементе подавления 6. Элементы подавления узкополосных помех 61-6n, представляющие собой нелинейные элементы, работают либо в режиме ограничения входной смеси, либо в режиме ключа (канал открыт при малых уровнях помех и закрыт при больших уровнях помех).
С выхода подавителя помех (блока защиты) 2 сигнал по n выходам поступает на сумматор 3, где суммируется по частотной полосе F=n· f.
С выхода сумматора 3 ШПС подается на вход согласованного фильтра 4, в качестве которого может использоваться, как пассивный согласованный фильтр, выполненный на основе многоотводной линии задержки, так и активный согласованный фильтр – коррелятор. С помощью согласованного фильтра 4 производится слияние широкополосной модуляции, т.е. сворачивание.
Минимальная длительность элемента псевдослучайной последовательности (ПСП) равна и под нее выделяется полоса частот, определяемая из соотношения .
Но посылки длительностью 0 занимают в цикле ПСП всего 20-25%, а основное время занимают блоки из посылок 2 0, 3 0 n 0, где n – степень порождаемости полинома, равной разрядности генерирующих ПСП регистров. Естественно, что для указанных блоков посылок требуется полоса частот гораздо меньше F, а именно для блоков посылок 2 0, 3 0 n 0 требуется полоса частот уже, т.е. для 2 0 в два раза, для 3 0 в три раза и т.д., чем для 0, то для 2 0 будет только половина каналов блока защиты 2 заполнены полезным сигналом, а в другой половине будет только шум, что приводит к общему увеличению шума суммарного сигнала.
Недостатком данного устройства-прототипа является неэффективное использование выделенной полосы частот, что приводит к ухудшению соотношения сигнал/шум.
Для устранения указанного недостатка в устройство, содержащее последовательно соединенные широкополосный усилитель промежуточной частоты (УПЧ) и блок защиты от узкополосных помех, n выходов которого соединены с соответствующими входами сумматора, выход которого соединен с первым входом согласованного фильтра, первый выход которого является выходом устройства, при этом блок защиты содержит n параллельных линеек, каждая из которых состоит из соответствующих последовательно соединенных узкополосного УПЧ и элемента подавления узкополосных помех, причем входы n узкополосных УПЧ объединены и являются входом блока защиты, согласованный фильтр состоит из последовательно соединенных перемножителя и интегратора, выход которого является первым выходом согласованного фильтра, а первый вход перемножителя – его входом, кроме того, выход генератора опорного сигнала соединен со вторым входом перемножителя, вход широкополосного УПЧ является входом устройства, согласно изобретению, введены в каждую из n линеек соответствующий электронный ключ, первый вход каждого из которых соединен с выходом соответствующего элемента подавления узкополосных помех, а выход является соответствующим выходом блока защиты от узкополосных помех, кроме того, входы первого и второго временных селекторов подсоединены ко второму выходу согласованного фильтра, являющемуся выходом опорного генератора сигнала, выходы первого и второго временных селекторов соединены с соответствующими входами схемы ИЛИ, выход которой соединен со вторыми входами первого, второго, n-1 и n-го электронных ключей, причем выход второго временного селектора соединен со вторыми входами третьего, и n-2 электронных ключей.
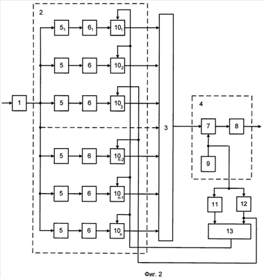
На фиг.2 приведена функциональная схема предлагаемого устройства, где обозначено:
1 – широкополосный усилитель промежуточной частоты (УПЧ);
2 – блок защиты от узкополосных помех (подавитель узкополосных помех);
3 – сумматор;
4 – согласованный фильтр;
51-5n – узкополосные усилители промежуточной частоты (УПЧ);
61-6n – элементы подавления узкополосных помех;
7 – перемножитель;
8 – интегратор;
9 – генератор опорного сигнала;
101-10n – электронные ключи;
11, 12 – первый и второй временные селекторы;
13 – схема ИЛИ.
Предлагаемое устройство содержит широкополосный УПЧ 1, выход которого соединен с входом подавителя узкополосных помех 2, n выходов которого соединены с соответствующими n входами сумматора 3, выход которого соединен с входом согласованного фильтра 4, первый выход которого является выходом устройства. При этом подавитель узкополосных помех состоит из n параллельных каналов, каждый из которых содержит соответствующие последовательно соединенные узкополосный УПЧ 5, элемент подавления узкополосных помех 6 и электронный ключ 10, причем выход каждого из n электронного ключа 10 является соответствующим выходом подавителя узкополосных помех 2, а входы n узкополосных УПЧ 51-5n объединены и являются входом подавителя узкополосных помех 2.
Согласованный фильтр 4 содержит последовательно соединенные перемножитель 7 и интегратор 8, выход которого является первым выходом согласованного фильтра 4, а также генератор опорного сигнала 9, выход которого соединен со вторым входом перемножителя 7, первый вход которого является входом согласованного фильтра 4. Кроме того, выход генератора опорного сигнала 9 является вторым выходом согласованного фильтра 4 и соединен с входами первого 11 и второго 12 временных селекторов, выходы которых соединены с соответствующими входами схемы ИЛИ 13, выход которой соединен с управляемыми входами первого 101, второго 102, предпоследнего 10n-1 и последнего 10n электронных ключей. Выход второго временного селектора 12 соединен с управляемыми входами третьего 103 и (n-2)-го 10n-2 электронных ключей.
Работает предлагаемое устройство следующим образом.
Принятый ШПС после преобразования частоты поступает на широкополосный УПЧ 1, где усиливается до необходимой величины и затем поступает на подавитель узкополосных помех 2. С помощью фильтров узкополосных УПЧ 51-5n вся полоса частот делится на n парциальных каналов
,
где f – ширина полосы частот парциального канала;
F – ширина полосы частот принятого ШПС;
n – число парциальных каналов.
При этом ширина полос всех n парциальных каналов должна быть одинакова и, кроме того, полосы частот парциальных каналов не должны перекрываться. Поэтому амплитудно-частотная характеристика (АЧХ) и фазочастотная характеристика (ФЧХ) подавителя помех (блока защиты) 2 представляется как сумма АЧХ и ФЧХ отдельных каналов.
В каждом частотном канале кроме узкополосного фильтра имеется усилитель, с помощью которого компенсируется затухание в фильтре своего парциального канала.
Выбор ширины полосы пропускания каждого парциального канала производится с таким расчетом, чтобы в каждый парциальный канал попадало не более одной узкополосной помехи.
При наличии в каком-либо из парциальных каналов узкополосной помехи производится ее подавление в соответствующем элементе подавления 6. Элементы подавления узкополосных помех 61-6n, представляющие собой нелинейные элементы, работают либо в режиме ограничения входной смеси, либо в режиме ключа (канал открыт при малых уровнях помех и закрыт при больших уровнях помех).
С выхода подавителя помех (блока защиты) 2 сигнал по n выходам поступает на входы соответствующих электронных ключей 101-10n.
Так как минимальная длительность элемента ПСП, поступающей на на вход устройства, равна 0 и под нее выделяется полоса частот
,
такие посылки длительностью 0 занимают в цикле ПСП примерно 20-25%, а основное время занимают блоки из посылок 2 0, 3 0 n 0, то 0 при поступлении на вход устройства элемента ПСП 0 все каналы (линейки) блока защиты будут заполнены полезным сигналом. Но при поступлении на вход устройства блока ПСП, состоящего из 2 0, только половина линеек блока защиты 2 будет заполнена полезным сигналом, а в остальной половине линеек блока защиты 2 будет присутствовать только шум, а при поступлении на вход устройства блока ПСП, состоящего из 3 0, только одна треть линеек будет заполнена полезным сигналом и т.д. В таких случаях для того, чтобы шумы из линеек, не заполненных полезным сигналом, не поступали в суммарный сигнал, их необходимо закрыть с помощью электронных ключей 101-10n. Так при поступлении на вход устройства блока ПСП длительностью 2 0, одновременно из сигнала опорного генератора 9 выделяется первым временным селектором 11 блок 2 0 и через схему ИЛИ 13 подается на управляемые входы первого 101, второго 102, предпоследнего 10n-1 и последнего 10n электронных ключей, закрывая их. При поступлении блока длительностью 3 0 вторым временным селектором 12 с генератора опорного сигнала 9 выделяется блок длительностью 3 0 и через схему ИЛИ 13 подается на управляемые входы первого, второго, n-1 и n-го электронных ключей, закрывая их на время 3 0, а с выхода второго временного селектора 12 подается на управляемые входы электронных ключей 103, 10n-2, закрывая их на время, равное 3 0.
Таким образом, предлагаемое устройство позволяет эффективно использовать выделенную полосу частот, что приводит к увеличению соотношения сигнал/шум не менее чем в два раза.
Формула изобретения
Устройство подавления узкополосных помех, содержащее последовательно соединенные широкополосный усилитель промежуточной частоты (УПЧ) и блок защиты от узкополосных помех, n выходов которого соединены с соответствующими входами сумматора, выход которого соединен с входом согласованного фильтра, первый выход которого является выходом устройства, при этом блок защиты содержит n параллельных линеек, каждая из которых состоит из соответствующих последовательно соединенных узкополосного УПЧ и элемента подавления узкополосных помех, причем входы n узкополосных УПЧ объединены и являются входом блока защиты, согласованный фильтр состоит из последовательно соединенных перемножителя и интегратора, выход которого является первым выходом согласованного фильтра, а первый вход перемножителя – его входом, кроме того, выход генератора опорного сигнала соединен со вторым входом перемножителя, вход широкополосного УПЧ является входом устройства, отличающееся тем, что введены в каждую из n линеек соответствующий электронный ключ, первый вход каждого из которых соединен с выходом соответствующего элемента подавления узкополосных помех, а выход каждого ключа является соответствующим выходом блока защиты от узкополосных помех, кроме того, входы первого и второго временных селекторов подсоединены ко второму выходу согласованного фильтра, являющемуся выходом опорного генератора сигнала, причем первый временной селектор выделяет блоки ПСП длительностью 2 0, а второй временной селектор – длительностью 3 0, выходы первого и второго временных селекторов через схему ИЛИ соединены с управляемыми входами первого, второго, n-1 и n-го электронных ключей, кроме того, выход второго временного селектора соединен с управляемыми входами третьего и n-2 электронных ключей.
РИСУНКИ
|
|