|
|
(21), (22) Заявка: 2008100829/09, 09.01.2008
(24) Дата начала отсчета срока действия патента:
09.01.2008
(43) Дата публикации заявки: 20.07.2009
(46) Опубликовано: 27.04.2010
(56) Список документов, цитированных в отчете о поиске:
RU 2168839 C1, 10.06.2001. RU 2011278 C1, 15.04.1994. RU 2124263 C1, 27.12.1998. GB 1429880 A, 31.03.1976. US 4521840 A, 04.06.1985. FR 2609584 A1, 15.07.1988. JP 2006288035 A, 19.10.2006. EP 0762623 A2, 12.03.1997. WO 9501003 A1, 05.01.1995.
Адрес для переписки:
664005, г.Иркутск, ул. 4-я Железнодорожная, 23-Б, кв.48, Л.А. Астраханцеву
|
(72) Автор(ы):
Алексеева Татьяна Леонидовна (RU), Астраханцев Леонид Алексеевич (RU), Рябченок Ксения Павловна (RU)
(73) Патентообладатель(и):
Алексеева Татьяна Леонидовна (RU), Астраханцев Леонид Алексеевич (RU), Рябченок Ксения Павловна (RU)
|
(54) СПОСОБ РЕГУЛИРОВАНИЯ МОЩНОСТИ И УСТРОЙСТВО ПРЕОБРАЗОВАТЕЛЯ СОПРОТИВЛЕНИЯ ДЛЯ ЭЛЕКТРИЧЕСКИХ МАШИН ПЕРЕМЕННОГО ТОКА
(57) Реферат:
Изобретение относится к области электротехники, в частности к полупроводниковой технике, и может быть использовано на электроподвижном составе для управления тяговыми электрическими машинами переменного тока, электродвигателями переменного тока технологических установок, электротермическими установками и другими потребителями электроэнергии, получающими питание от электрической сети переменного и постоянного тока. Техническим результатом является повышение коэффициента мощности, электромагнитной совместимости и расширение функциональной возможности. В способе регулирования мощности и устройстве потребляемая мощность и мощность рекуперации регулируется плавным изменением входного электрического сопротивления устройства. Устройство содержит однофазный трансформатор с секционированной вторичной обмоткой, к отпайкам секций подключен входной преобразователь. Плечи входного преобразователя состоят из двух последовательно соединенных диодов, тиристоров и встречно параллельно соединенных к ним двухоперационных приборов. В контуре постоянного тока включены накопители электрической энергии большой емкости, образующие делитель напряжения и реакторы. Диоды обратного моста и дополнительный диод обеспечивают заряд накопителей энергии за счет энергии реакторов. Плавное изменение тока в контуре промежуточные накопители энергии – обмотки электрической машины переменного тока и в контуре промежуточные накопители энергии – вторичная обмотка преобразовательного трансформатора выполняют с помощью двухоперационных приборов автономного инвертора напряжения и инвертора, ведомого сетью способами импульсного регулирования и импульсной модуляции. 2 н. и 1 з.п. ф-лы, 1 ил.
Изобретение относится к электротехнике, в частности к полупроводниковой технике, и может быть использовано на электроподвижном составе для управления тяговыми электрическими машинами переменного тока, электродвигателями переменного тока технологических установок, электротермическими установками и другими потребителями электроэнергии, получающими питание от электрической сети переменного и постоянного тока.
Известны преобразователи частоты, импульсные преобразователи постоянного тока для регулирования мощности на приемниках электрической энергии. Однако такие преобразователи имеют низкий коэффициент мощности из-за неэффективного использования напряжения на входе преобразователя, из-за нелинейных искажений тока и напряжения на входе и на выходе преобразователя [Джюджи Л., Пели Б. Силовые полупроводниковые преобразователи частоты. – М.: Энергоатомиздат, 1989. – 313 с].
Известен преобразователь частоты со звеном постоянного тока [патент РФ 2020710, кл. Н02М 05/45, 1994], который содержит трехфазный выпрямитель на тиристорах с импульсно-фазовым управлением и автономный инвертор. Для снижения помех в канале обратной связи системы управления преобразователем частоты применены фильтры. Однако коэффициент мощности преобразователя частоты снижается, а нелинейные искажения тока увеличиваются с введением угла регулирования тиристоров выпрямителя.
Известен преобразователь частоты [патент РФ 2011278, кл. Н02М 05/45, 1994]. Преобразователь содержит трехфазные выпрямительный и инверторные мосты, собранные на тиристорах, и вспомогательный симисторный трехфазный мост с конденсатором. За счет изменения длительности проводящего состояния симисторов достигается улучшение формы тока в нагрузке преобразователя частоты. Однако из-за неэффективного использования напряжения на входе преобразователя частоты энергетические показатели преобразователя снижаются в процессе регулирования мощности.
Известен преобразователь частоты [патент РФ 2124801, кл. Н02М 05/275, H01L 25/03, 1999], содержащий однофазный трансформатор с секционированной вторичной обмоткой, однофазный мостовой выпрямитель на диодах, явно выраженное звено постоянного тока и трехфазный мостовой инвертор на транзисторных ключах. Транзисторные ключи инвертора защищаются от выхода из строя введением ограничивающего резистора и сигнала разрешения преобразования с вторичной обмотки сетевого трансформатора.
Недостатками преобразователя частоты являются ограниченная мощность и ограниченный диапазон регулирования частоты и действующего напряжения на выходе преобразователя.
Известен рекуперирующий электропривод с инвертором напряжения и способ управления выпрямителем на его входе [патент РФ 2001129761, кл. Н02Р 03/18, 2003], который содержит трехфазный выпрямитель на двухоперационных вентилях, полярный конденсатор фильтра низкой частоты и автономный инвертор, к выходу которого подключена статорная обмотка электрической машины. Для управления вентилями выпрямителя применяется широтно-импульсный модулятор, который периодически с тактовой частотой подключают выходную цепь выпрямителя к двум фазам питающей сети или к двум линейным напряжениям трехфазной сети. Недостатками устройства и способа управления выпрямителем являются низкая эффективность использования питающего напряжения и несимметричная загрузка током питающей сети.
Известен способ регулирования постоянного напряжения выпрямителя [патент DE 2214674, кл. Н02М 07/162, 2003], основанный на управлении вентилями четырехквадрантного регулирующего органа выпрямителя с помощью регулятора напряжения и регулятора тока в системе подчиненного регулирования. Способ используется для упрощения динамического регулирования выпрямленного напряжения в контуре постоянного тока на входе автономного инвертора, нагрузкой которого является электрическая машина переменного тока.
Недостатками известного способа частотного управления являются низкая эффективность использования напряжения на входе преобразователя, нелинейные искажения тока в питающей сети и высокочастотные помехи во время работы преобразователя.
Известен способ управления многозонным преобразователем переменного тока (прототип) [патент РФ 2168839, кл. Н02М 07/155, 2001]. Способом обеспечивается регулирование мощности преобразователя за счет изменения среднего значения напряжения в контуре постоянного тока тиристорами с импульсно-фазовым управлением. Каждая пара последовательно соединенных управляемых вентилей подключена крайними точками между шинами постоянного тока нагрузки параллельно, а средними точками – к выводам вторичной обмотки трансформатора. При работе на любой m-й зоне регулирования в начале каждого полупериода напряжения импульсы управления с заданным углом отпирания подают не только на соответствующий вентиль 1-й зоны и пару вентилей (m-1)-й зоны, но и на соответствующую пару вентилей 1-й зоны и на все вентили 2-й, 3-й и т.д. до (m-2)-й зон регулирования.
Недостатками данного способа управления мощностью и многозонного преобразователя переменного тока являются низкий коэффициент мощности в начале каждой зоны регулирования из-за неэффективного использования напряжения на входе преобразователя. При изменении угла регулирования вентилей происходит загрузка сети переменного тока высшими гармоническими составляющими тока и высокий коэффициент пульсаций тока в нагрузке, а питание устройства от контактной сети переменного тока ограничивает его функциональные возможности.
Целью изобретения является повышение коэффициента мощности преобразователя, повышение электромагнитной совместимости преобразователя с питающими сетями и с электрическими машинами, с индукторами технологических установок, а также расширение функциональной возможности устройства.
Цель достигается тем, что электрическая энергия непрерывно поступает на промежуточные накопители электрической энергии большой емкости от источника энергии переменного тока через трансформатор с секционированными вторичными обмотками и выпрямитель входного преобразователя на диодах и тиристорах, а от источника энергии постоянного тока – через делитель напряжения. При работе электрической машины в режиме генератора электрическая энергия на накопители поступает через диоды обратного моста автономного инвертора напряжения и реакторы. Плавное регулирование тока в контуре промежуточные накопители энергии – электрическая машина выполняется автономным инвертором напряжения. Автономный инвертор напряжения собран на двухоперационных силовых полупроводниковых приборах и содержит обратный мост на диодах. Управление двухоперационными приборами обеспечивается известными способами импульсного регулирования или импульсной модуляции. Рекуперация электрической энергии от промежуточных накопителей энергии в сеть переменного тока выполняется двухоперационными приборами входного преобразователя с изменяемым углом опережения выключения приборов.
Для питания преобразователя от источника энергии постоянного тока плюсовой вывод источника энергии подключается к крайнему плюсовому выводу накопителя энергии устройства, а минусовой вывод – к минусовой шине контура постоянного тока. Накопители электрической энергии соединены последовательно и образуют делитель напряжения постоянного тока.
Данным способом регулирования и соединением элементов устройства обеспечивается плавное изменение мощности преобразователя автономным инвертором напряжения с переключением секций вторичной обмотки трансформатора входным преобразователем при питании от источника энергии переменного тока или с переключением выводов делителя напряжения автономным инвертором при питании от источника энергии постоянного тока.
Таким образом, заявляемый способ регулирования мощности и устройство преобразователя сопротивления для электрических машин переменного тока соответствуют критерию изобретения «новизна».
Известные способы управления многозонных преобразователей, которыми обеспечивается изменение мощности, потребляемой из сети или мощности рекуперации в пределах каждой зоны регулирования импульсно-фазовым или другим известным способом, характеризуются низким коэффициентом мощности, нелинейными искажениями тока, напряжения на входе и высокими пульсациями тока в сети постоянного тока на входе преобразователя. Предложенным способом регулирования мощности и устройством преобразователя сопротивления для электрических машин переменного тока коэффициент мощности повышается за счет непрерывной передачи электрической энергии от источника переменного или постоянного тока на промежуточные накопители электрической энергии большой емкости и от электрической машины, работающей в режиме генератора. От промежуточных накопителей плавное изменение энергии, потребляемой электродвигателем, выполняется автономным инвертором напряжения. В режиме рекуперации энергия, передаваемая от промежуточных накопителей в сеть переменного тока, изменяется инвертором, ведомым сетью, с регулируемым углом опережения выключения силовых полупроводниковых приборов. Регулируемая составляющая мощности преобразователя плавно изменяется и суммируется с нерегулируемой составляющей мощности, при этом нелинейные искажения электрических величин в сети переменного тока снижаются, а в сети постоянного тока на входе преобразователя снижаются пульсации тока.
Отпайки первой секции секционированной последовательно соединенной вторичной обмотки трансформатора присоединены к анодам и катодам последовательно соединенных диодов, а также к эмиттерам (катодам) и коллекторам (анодам) двухоперационных приборов, которые образуют плечи входного преобразователя. Отпайки других секций вторичной обмотки трансформатора подключены к анодам и катодам последовательно соединенных тиристоров, а также к эмиттерам (катодам) и к коллекторам (анодам) двухоперационных приборов входного преобразователя. Катоды диодов и коллекторы (аноды) двухоперационных приборов соединены к первой плюсовой шине контура постоянного тока, а аноды диодов, тиристоров и эмиттеры (катоды) двухоперационных приборов соединены к минусовой шине контура постоянного тока. К шинам контура постоянного тока подключен накопитель электрической энергии большой емкости. Катод тиристора и коллектор (анод) двухоперационного прибора, соединенные к отпайкам второй секции вторичной обмотки трансформатора, соединены ко второй плюсовой шине контура постоянного тока. К первой и второй плюсовой шине соединен второй накопитель электрической энергии. К шинам контура постоянного тока через реакторы присоединен автономный инвертор напряжения, причем катоды диодов обратного моста соединены через реактор к первой плюсовой шине, а коллекторы (аноды) двухоперационных приборов через реактор соединены ко второй плюсовой шине. Анод дополнительного диода соединен с катодами обратного моста, а катод дополнительного диода соединен с коллекторами (анодами) двухоперационных приборов автономного инвертора.
Таким образом, заявляемый способ регулирования мощности и устройство преобразователя сопротивления для электрических машин переменного тока соответствуют критерию изобретения «существенные отличия».
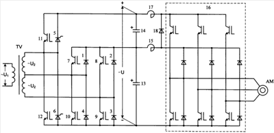
Изобретение поясняется чертежом.
На чертеже дана принципиальная электрическая схема преобразователя сопротивления для электрических машин переменного тока, реализующего предложенный способ регулирования мощности, улучшающего коэффициент мощности и электромагнитную совместимость преобразователя с сетями переменного и постоянного тока.
Выводы секционированной последовательно соединенной вторичной обмотки трансформатора TV соединены к анодам и катодам последовательно соединенных диодов 1 и 4, 2 и 3, тиристоров 5 и 6, а также к эмиттерам и коллекторам последовательно соединенных IGBT-транзисторов 7 и 10, 8 и 9, 11 и 12. Катоды диодов 1 и 2, коллекторы транзисторов 7 и 8 присоединены к первой плюсовой шине контура постоянного тока и к плюсовому выводу накопителей электрической энергии большой емкости 13 (например, ионисторов). Катод тиристора 5 и коллектор транзистора 11 присоединены ко второй плюсовой шине контура постоянного тока. Аноды диодов 3, 4, тиристора 6 и эмиттеры транзисторов 9, 10, 12 и минусовой вывод накопителя энергии 13 соединены к минусовой шине контура постоянного тока. К плюсовым шинам контура постоянного тока соединен второй накопитель электрической энергии 14. К первой плюсовой шине контура постоянного тока через реактор 15 соединены катоды диодов обратного моста автономного инвертора напряжения 16. Ко второй плюсовой шине контура постоянного тока через реактор 17 соединены коллекторы транзисторов автономного инвертора напряжения 16. К катодам диодов обратного моста автономного инвертора 16 соединен анод дополнительного диода 18, а его катод соединен с коллекторами транзисторов автономного инвертора 16. Обмотки статора асинхронной машины AM соединены к выходу автономного инвертора напряжения.
Для увеличения номинальной мощности преобразователя, повышения его электромагнитной совместимости, расширения диапазона регулирования и для снижения емкости промежуточных накопителей электрической энергии количество секций вторичной обмотки трансформатора, плеч входного преобразователя, секций делителя напряжения и элементов устройства можно увеличивать и соединять их, так как показано на чертеже.
Заряд накопителей электрической энергии начинается при подаче переменного напряжения ~U1 через диоды 1, 2, 3, 4 или при подаче постоянного напряжения -U на крайние выводы последовательно соединенных накопителей энергии 13, 14. С помощью автономного инвертора напряжения 16 из постоянного напряжения на накопителе энергии 13 формируется переменное напряжение на обмотках статора машины переменного тока AM различной частоты и действующего значения. С помощью диодов обратного моста автономного инвертора обеспечивается энергообмен машины переменного тока с промежуточными накопителями электрической энергии 13, 14 и дополнительный их заряд за счет энергии реактора 15. Для увеличения мощности отпираются тиристоры 5, 6 входного преобразователя с нулевым углом регулирования в установившемся режиме, который может изменяться в переходных режимах от одной зоны регулирования к другой фазовым способом. В контуре постоянного тока напряжение равно сумме напряжений на накопителях энергии 13 и 14. При рекуперативном торможении в зоне высоких скоростей электрическая энергия от электрической машины поступает через диоды обратного моста и дополнительны диод 18 на накопители энергии 13, 14. Дополнительный диод, кроме того, обеспечивает дополнительный заряд накопителя энергии 14 за счет энергии реакторов 15, 17. Избыточная энергия из контура постоянного тока поступает на вход инвертора, ведомого сетью, который собран на транзисторах 8, 9, 11, 12. Регулирование мощности рекуперации выполняется с минимальными углами опережения выключения транзисторов, формированием пачек импульсов известными способами импульсного регулирования или импульсной модуляции. В зоне низких скоростей избыточная энергия из контура постоянного тока поступает на вход автономного инвертора, ведомого сетью, 7, 8, 9, 10, 11, 12. Транзисторы 8, 9, 11, 12 запираются с минимальным углом опережения выключения, а регулирование мощности рекуперации и тормозного усилия выполняется изменением угла опережения выключения транзисторов 7, 10 от 180 градусов до минимального угла и, наоборот, в сочетании с известными способами импульсного регулирования или импульсной модуляции. Уменьшение мощности преобразователя выполняется в обратном порядке, также как и увеличение мощности. В процессе регулирования мощности преобразователя секции вторичной обмотки трансформатора переключаются бесконтактным способом, и изменяется коэффициент трансформации преобразовательного трансформатора. Внутри каждой зоны регулирования в режиме потребления энергии накопители электрической энергии и автономный инвертор выполняют функции преобразователя сопротивления, а в режиме рекуперации энергии функции преобразователя сопротивления выполняют накопители энергии и инвертор, ведомый сетью.
Предлагаемый способ регулирования мощности и устройство преобразователя сопротивления для электрических машин переменного тока по сравнению с известными техническими решениями имеет следующие преимущества:
1) коэффициент мощности устройства близок к единице на всем диапазоне регулирования мощности нагрузки;
2) от источника энергии переменного тока потребляется практически синусоидальный ток, а от источника энергии постоянного тока потребляется практически постоянный ток, поэтому устраняются нелинейные искажения напряжения в питающих сетях во время работы устройства;
3) повышаются функциональные возможности устройства, питающегося от источников энергии переменного и постоянного тока с одновременным изменением входного электрического сопротивления устройства в процессе регулирования мощности.
Формула изобретения
1. Способ регулирования мощности преобразователя сопротивления для электрических машин переменного тока, обеспечивающий регулирование потребляемой мощности и мощности рекуперации, отличающийся тем, что регулирование мощности выполняется плавным изменением величины входного электрического сопротивления устройства, для этого электрическая энергия от источников энергии переменного и постоянного тока непрерывно передается на промежуточные накопители энергии большой емкости, а плавное изменение тока в контуре промежуточные накопители энергии – обмотки электрической машины переменного тока и в контуре промежуточные накопители энергии – вторичная обмотка преобразовательного трансформатора выполняется с помощью двухоперационных приборов автономного инвертора напряжения и инвертора, ведомого сетью, способами импульсного регулирования и импульсной модуляции, регулируемая составляющая мощности преобразователя плавно изменяется и суммируется с нерегулируемой составляющей мощности.
2. Способ по п.1, отличающийся тем, что передача избыточной энергии от промежуточных накопителей энергии в сеть переменного тока выполняется плечами инвертора, ведомого сетью с минимальным углом опережения выключения двухоперационных приборов, а управление рекуперацией энергии и тормозным усилием выполняется изменением угла опережения выключения приборов других плеч инвертора от 180° до минимального угла опережения выключения приборов и наоборот в сочетании со способами импульсного регулирования и импульсной модуляции.
3. Устройство регулирования мощности преобразователя сопротивления для электрических машин переменного тока, содержащее однофазный трансформатор с секционированной вторичной обмоткой, к выводам которой подключен входной преобразователь, к плюсовым и минусовым шинам входного преобразователя соединен делитель напряжения, собранный на накопителях электрической энергии большой емкости и вход автономного инвертора, отличающееся тем, что секции вторичной обмотки трансформатора соединены последовательно, к отпайкам секций вторичной обмотки трансформатора подключен входной преобразователь, содержащий выпрямитель на диодах, тиристорах и ведомый сетью инвертор на двухоперационных силовых полупроводниковых приборах, катоды диодов обратного моста и коллекторы двухоперационных приборов автономного инвертора соединены через реакторы и дополнительный диод к плюсовым шинам контура постоянного тока, а аноды диодов обратного моста и эмиттеры автономного инвертора соединены к минусовой шине контура постоянного тока, к выходным выводам автономного инвертора соединены выводы обмоток машины переменного тока.
РИСУНКИ
|
|