|
(21), (22) Заявка: 2008138563/02, 29.09.2008
(24) Дата начала отсчета срока действия патента:
29.09.2008
(46) Опубликовано: 27.04.2010
(56) Список документов, цитированных в отчете о поиске:
RU 2086893 C1, 10.08.1997. RU 2186326 C2, 27.07.2002. FR 2510737 A1, 04.02.1983. DE 3121145 A1, 28.12.1989. GB 1378467 A, 27.12.1974.
Адрес для переписки:
119992, Москва, ГСП-2, пр-д Девичьего поля, 4, ОВА ВС РФ, НИО, М.М. Старостину
|
(72) Автор(ы):
Ковалев Владимир Георгиевич (RU), Старостин Михаил Михайлович (RU), Радин Александр Алексеевич (RU), Булычев Олег Федорович (RU), Губанов Дмитрий Александрович (RU)
(73) Патентообладатель(и):
ГОСУДАРСТВЕННОЕ ОБРАЗОВАТЕЛЬНОЕ УЧРЕЖДЕНИЕ ВЫСШЕГО ПРОФЕССИОНАЛЬНОГО ОБРАЗОВАНИЯ “ОБЩЕВОЙСКОВАЯ АКАДЕМИЯ ВООРУЖЕННЫХ СИЛ РОССИЙСКОЙ ФЕДЕРАЦИИ” (ОВА ВС РФ) (RU)
|
(54) БРОНИРОВАННАЯ МАШИНА
(57) Реферат:
Изобретение относится к военной технике. Технический результат – возможность бесшумного передвижения объекта, маскировка от инфракрасных датчиков обнаружения и уменьшение вредных выбросов. Бронированная машина содержит корпус, силовую установку, электрооборудование, средства связи, стрелу-подъемник с приборами наблюдения, силовые электромашины. Она снабжена ветрогенератором, газовой турбинкой, виброгенератором, преобразователем тепловой энергии в электрическую, преобразователем энергии перемещения масс в электрическую и солнечной батареей, которые соединены через блок преобразования и регулирования с накопителем электрической энергии. Накопитель подключен к потребителям электрической энергии бронированной машины, а через систему управления – к силовым электромашинам. 11 з.п. ф-лы, 2 ил.
Изобретение относится к военной технике, в которой используется силовая установка, получающая энергию от возобновляемых источников энергии.
Известна бронированная сочлененная машина, содержащая три шарнирно связанных между собой секции, крайняя из которых включают ходовую часть, а центральная размещена между ними в подвешенном состоянии, причем центральная секция снабжена подвижными опорами и выполнена с возможностью автоматического расчленения от крайних посредством дополнительно введенных автоматических сцепных устройств, при этом каждая из секций выполнена с возможностью автономного функционирования. Кроме того, центральная секция снабжена стрелой-подъемником с приборами наблюдения, диагностическим оборудованием, приемо-передающими средствами связи и силовыми электромашинами для перемещения (см. патент RU 2086893).
Данная машина наиболее близка по технической характеристике к заявленной и принята за прототип.
Известная машина хорошо зарекомендовала себя в качестве машины технической разведки. Однако не обеспечивает необходимое требование по маскировке, питание всех датчиков, компьютеров и другого оборудования при неработающем основном двигателе, а также экологическую безопасность.
Задачей изобретения является обеспечение бесшумного передвижения объекта и маскировки от инфракрасных датчиков обнаружения и экологическая безопасность.
Технический результат изобретения – возможность бесшумного передвижения объекта, маскировка от инфракрасных датчиков обнаружения и уменьшение вредных выбросов.
При этом в конструкцию бронированной машины, содержащей корпус, силовую установку, электрооборудование, средства связи, стрелу-подъемник с приборами наблюдения, силовые электромашины, согласно изобретению дополнительно введены ветрогенератор, газовая турбинка, виброгенератор, преобразователь тепловой энергии в электрическую, преобразователь энергии перемещения масс в электрическую и солнечная батарея, соединенные через блок преобразования и регулирования с накопителем электрической энергии, который подключен к потребителям электрической энергии, а через систему управления – к силовым электромашинам.
Силовая установка содержит двигатель внутреннего сгорания, сопряженный с электрическим генератором, к выводам которого подключен выпрямитель, соединенный с накопителем электрической энергии, к которому через систему управления подключены потребители электрической энергии и силовые электромашины.
Ветрогенератор выполнен с вертикальной осью вращения, установлен в коробе на стреле-подъемнике, при этом лопасти ветрогенератора определяются максимальным габаритным размером машины с возможностью выработки электрической энергии в режимах стоянки, движения со спуска и торможения движущегося объекта, которая через блок преобразования 7 и регулирования поступает в накопитель электрической энергии.
Газовая турбинка установлена в выхлопном устройстве двигателя внутреннего сгорания и вращает встроенный в нее электрический генератор, вырабатывающий электрическую энергию, которая через блок преобразования и регулирования поступает в накопитель электрической энергии.
Виброгенератор установлен в сиденьях машины с возможностью преобразования энергии колебаний масс членов экипажа в электрическую энергию, которая через блок преобразования и регулирования поступает в накопитель электрической энергии.
Солнечная батарея установлена на внешней поверхности короба ветрогенератора с возможностью выработки электрической энергии, которая через блок преобразования и регулирования поступает в накопитель электрической энергии.
Блок аэродинамики представляет собой механическую систему, снабженную приводом управления с возможностью закрывать и открывать лопасти ветрогенератора при стоянке движущегося объекта и при движении со спуска и торможении.
Преобразователь тепловой энергии в электрическую установлен на выхлопном тракте двигателя внутреннего сгорания с возможностью выработки электрической энергии, которая через блок преобразования и регулирования поступает в накопитель электрической энергии.
Преобразователь энергии перемещения масс в электрическую установлен во внутреннем объеме машины с возможностью выработки электрической энергии, которая через блок преобразования и регулирования поступает в накопитель электрической энергии.
Устройство для подключения внешнего источника зарядки выполнено с возможностью обеспечения зарядки накопителя электрической энергии от стационарных источников электрической энергии.
Блок преобразования и регулирования обеспечивает согласование и преобразование электрической энергии, вырабатываемой различными источниками, и регулирование работы электрического генератора.
Система управления представляет центральный процессор с аналого-цифровыми и цифро-аналоговыми преобразователями сигналов обратных и прямых связей с возможностью обеспечения экономичного режима работы двигателя внутреннего сгорания, получения всей информации о параметрах движения, состоянии накопителя электрической энергии и двигателя внутреннего сгорания и выработке управляющих воздействий на блок преобразования и регулирования, силовые электромашины и двигатель внутреннего сгорания.
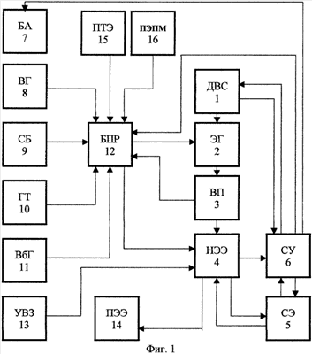
Изобретение поясняется фиг.1 и фиг.2, где:
1. Двигатель внутреннего сгорания (ДВС).
2. Электрический генератор (ЭГ).
3. Выпрямитель (ВП).
4. Накопитель электрической энергии (НЭЭ).
5. Силовая электромашина (СЭ).
6. Система управления (СУ).
7. Блок аэродинамики (БА).
8. Ветрогенератор (ВГ).
9. Солнечная батарея (СБ).
10. Газовая турбинка (ГТ).
11. Виброгенератор (ВбГ).
12. Блок преобразования и регулирования (БПР).
13. Устройство для подключения внешнего источника зарядки (УВЗ).
14. Потребители электрической энергии (ПЭЭ).
15. Преобразователь тепловой энергии в электрическую (ПТЭ).
16. Преобразователь энергии перемещения масс в электрическую (ПЭПМ).
17. Стрела-подъемник.
18. Контейнер.
Двигатель внутреннего сгорания 1 – серийно выпускаемый двигатель, бензиновый или дизель мощностью и габаритами в зависимости от назначения бронированной машины, механически связанный с основным электрическим генератором 2. Двигатель внутреннего сгорания 1 связан с системой управления 6, которая обеспечивает экономичный режим его работы. Двигатель внутреннего сгорания 1 не имеет механической связи с силовой электромашиной 5. Это обеспечивает моментальную реакцию на педаль подачи топлива, неразрывный крутящий момент, отсутствие рывков при переключении передач.
Электрический генератор 2 – универсальная синхронная электрическая машина переменного тока, предназначенная для зарядки накопителя электрической энергии 4 через выпрямитель 3, который связан с блоком преобразования и регулирования 12, обеспечивающим постоянство напряжения, вырабатываемого электрическим генератором 2.
Выпрямитель 3 предназначен для преобразования переменного тока, вырабатываемого электрическим генератором 2, в постоянный зарядный ток, питающий накопитель электрической энергии 4.
Силовая электромашина 5 предназначена для обеспечения движения объекта и рекуперации энергии при торможении и движении со спуска и представляет собой устройство типа мотор-колеса. Питание силовой электромашины 5 осуществляется от накопителя электрической энергии 4 по командам системы управления 6. Рекуперация энергии производится от силовой электромашины 5 по команде системы управления 6, которая переводит ее в режим генератора электрической энергии. Информация о функциональных параметрах силовой электромашины 5 поступает в систему управления 6.
Система управления 6 представляет собой центральный процессор с аналогово-цифровыми и цифро-аналоговыми преобразователями сигналов обратных и прямых связей, обеспечивая экономичный режим работы двигателя внутреннего сгорания 1, управляя блоком аэродинамики 7 и электромашиной 5. При этом система управления 6 получает всю информацию о функциональных параметрах силовой электромашины 5, состоянии накопителя электрической энергии 4, двигателя внутреннего сгорания 1 и вырабатывает управляющие воздействия на блок преобразования и регулирования 12.
Блок аэродинамики 7 установлен в контейнере 18 и представляет собой механическую систему, снабженную приводами управления, позволяющими закрывать и открывать лопасти ветрогенератора 8. Команда на открытие и закрытие поступает от системы управления 6 в зависимости от режима движения. Открытое положение предусматривается при стоянке бронированной машины и при движении со спуска и торможении.
Ветрогенератор 8 выполнен с вертикальной осью вращения, установлен в контейнере 18 на стреле-подъемнике 17, при этом лопасти ветрогенератора определяются максимальным габаритным размером машины.
Выработка электрической энергии ветрогенератором 8 осуществляется в режимах стоянки, движении со спуска и торможении бронированной машины, при которых блок аэродинамики 7 открывает лопасти ветрогенератора 8. В режиме стоянки стрела-подъемник 17 поднимается оператором на максимальную по условиям местности высоту. Электрическая энергия, вырабатываемая ветрогенератором 8, через блок преобразования и регулирования 12 поступает в накопитель электрической энергии 4.
Солнечная батарея 9 установлена на внешней поверхности контейнера ветрогенератора 8 и вырабатывает электрическую энергию, которая через блок преобразования и регулирования 12 поступает в накопитель электрической энергии 4.
Газовая турбинка 10 установлена на выхлопном устройстве двигателя внутреннего сгорания 1, вращает встроенный в нее электрический генератор и вырабатывает электроэнергию за счет энергии выхлопных газов, которая через блок преобразования и регулирования 12 поступает в накопитель электрической энергии 4.
Виброгенератор 11 установлен в сиденьях бронированной машины, преобразует энергию колебаний масс членов экипажа в электрическую энергию, которая через блок преобразования и регулирования 12 поступает в накопитель электрической энергии 4.
Преобразователь тепловой энергии в электрическую 15 установлен на выхлопном тракте двигателя внутреннего сгорания 1, преобразует тепловую энергию выхлопных газов в электрическую энергию, которая через блок преобразования и регулирования 12 поступает в накопитель электрической энергии 4.
Преобразователь энергии перемещения масс в электрическую энергию 16 установлен внутри корпуса бронированной машины и представляет инерционные механизмы, предназначенные для преобразования энергии колебаний в продольном и поперечном направлениях движущейся бронированной машины в электрическую энергию, которая через блок преобразования и регулирования 12 поступает в накопитель электрической энергии 4.
Устройство подключения внешнего источника энергии 13 обеспечивает зарядку накопителя электрической энергии 4 от стационарных источников электрической энергии.
Потребителями электрической энергии 14 являются все осветительные, нагревательные, преобразовательные, управляющие, силовые и измерительные устройства, входящие в систему электрооборудования движущегося объекта.
Работа устройства.
Начало движения. Питание силовой электромашины 5 для начала движения и при движении на малых скоростях осуществляется от накопителя электрической энергии 4 по сигналам системы управления 6. При этом двигатель внутреннего сгорания 1 не работает.
Движение. При движении объекта питание силовой электромашины 5 осуществляется от накопителя электрической энергии 4 по сигналам системы управления 6 через блок преобразования и регулирования 12, а потребителей электрической энергии 14 – непосредственно. Механическая энергия, вырабатываемая двигателем внутреннего сгорания 1, преобразуется в электрическую энергию электрическим генератором 2, которая через выпрямитель 3 заряжает накопитель электрической энергии 4. Одновременно через блок преобразования и регулирования 12 происходит подзарядка накопителя электрической энергии 4 от солнечной батареи 9, газовой турбинки 10, виброгенератора 11, преобразователя тепловой энергии в электрическую 15 и преобразователя энергии перемещения масс в электрическую энергию 16.
Торможение и движение при спуске. При торможении (движении при спуске) кинетическая энергия движущегося объекта преобразуется в электричество через силовую электромашину 5, которая системой управления 6 переводится в режим генератора. Система управления 6 подает сигнал на блок аэродинамики 7, который открывает лопасти ветрогенератора 8. Выработанная ветрогенератором 8 электроэнергия через блок преобразования и регулирования 12 подается в накопитель электроэнергии 4.
Работа на месте (стоянка). Оператор поднимает стрелу-подъемник 17 на максимальную по условиям местности высоту, а система управления 6 дает команду на блок аэродинамики 7, который открывает лопасти ветрогенератора 8. При наличии ветрового напора выработанная ветрогенератором 8 электроэнергия через блок преобразования и регулирования 12 подается в накопитель электроэнергии 4. Кроме того, электроэнергия, выработанная солнечной батареей 9 через блок преобразования и регулирования 12, также подается в накопитель электроэнергии 4.
В случае необходимости бронированная машина может передвигаться с использованием накопленной электрической энергии. Это обеспечивает передвижение бронированной машины с пониженным уровнем шума. При работе на стоянке двигатель внутреннего сгорания 1 бронированной машины может не работать, что создает возможность ее маскировки от инфракрасных датчиков обнаружения.
При необходимости, при наличии внешнего источника электроэнергии подзарядка накопителя электрической энергии 4 осуществляется устройством внешнего источника энергии 13.
Предложенное изобретение обеспечивает относительно бесшумное передвижение бронированной машины и маскировку ее от инфракрасных датчиков обнаружения и экологическую безопасность. Кроме того, изобретение обеспечивает моментальную реакцию на педаль подачи топлива, неразрывный крутящий момент, отсутствие рывков при переключении передач.
Формула изобретения
1. Бронированная машина, содержащая корпус, силовую установку, электрооборудование, средства связи, стрелу-подъемник с приборами наблюдения, силовые электромашины, отличающаяся тем, что она снабжена ветрогенератором, газовой турбинкой, виброгенератором, преобразователем тепловой энергии в электрическую, преобразователем энергии перемещения масс в электрическую и солнечной батареей, которые соединены через блок преобразования и регулирования с накопителем электрической энергии, который подключен к потребителям электрической энергии бронированной машины, а через систему управления – к силовым электромашинам.
2. Бронированная машина по п.1, отличающаяся тем, что силовая установка содержит двигатель внутреннего сгорания, сопряженный с электрическим генератором, к выводам которого подключен выпрямитель, соединенный с накопителем электрической энергии.
3. Бронированная машина по п.1, отличающаяся тем, что ветрогенератор выполнен с вертикальной осью вращения и установлен в контейнере на стреле-подъемнике для выработки электрической энергии в режимах стоянки, движения со спуска и торможения бронированной машины.
4. Бронированная машина по п.1, отличающаяся тем, что газовая турбинка установлена в выхлопном устройстве двигателя внутреннего сгорания для вращения встроенного в нее электрического генератора.
5. Бронированная машина по п.1, отличающаяся тем, что виброгенератор установлен в сиденьях бронированной машины.
6. Бронированная машина по п.3, отличающаяся тем, что солнечная батарея установлена на внешней поверхности контейнера ветрогенератора.
7. Бронированная машина по п.1, отличающаяся тем, что она снабжена блоком аэродинамики, выполненным в виде механической системы, снабженной приводом управления и выполненной с возможностью закрывания и открывания лопастей ветрогенератора при стоянке бронированной машины и при ее движении со спуска и торможении.
8. Бронированная машина по п.2, отличающаяся тем, что преобразователь тепловой энергии в электрическую установлен на выхлопном тракте двигателя внутреннего сгорания.
9. Бронированная машина по п.1, отличающаяся тем, что преобразователь энергии перемещения масс в электрическую установлен во внутреннем объеме бронированной машины.
10. Бронированная машина по п.1, отличающаяся тем, что она снабжена устройством для подключения внешнего источника зарядки для обеспечения зарядки накопителя электрической энергии от стационарных источников электрической энергии.
11. Бронированная машина по п.2, отличающаяся тем, что блок преобразования и регулирования предназначен для согласования и преобразования электрической энергии, вырабатываемой различными источниками, и регулирования работы электрического генератора.
12. Бронированная машина по п.1, отличающаяся тем, что система управления выполнена в виде центрального процессора с аналого-цифровыми и цифроаналоговыми преобразователями сигналов прямых и обратных связей для обеспечения экономичного режима работы двигателя внутреннего сгорания, получения всей информации о параметрах движения, состоянии накопителя электрической энергии и двигателя внутреннего сгорания и выработки управляющих воздействий на блок преобразования и регулирования, силовые электромашины и двигатель внутреннего сгорания.
РИСУНКИ
|