Патент на изобретение №2387823

Published by on




РОССИЙСКАЯ ФЕДЕРАЦИЯ



ФЕДЕРАЛЬНАЯ СЛУЖБА
ПО ИНТЕЛЛЕКТУАЛЬНОЙ СОБСТВЕННОСТИ,
ПАТЕНТАМ И ТОВАРНЫМ ЗНАКАМ
(19) RU (11) 2387823 (13) C1
(51) МПК

E21B44/02 (2006.01)
G01L1/14 (2006.01)
B25D9/26 (2006.01)

(12) ОПИСАНИЕ ИЗОБРЕТЕНИЯ К ПАТЕНТУ

Статус: по данным на 28.09.2010 – действует

(21), (22) Заявка: 2008133582/03, 16.01.2007

(24) Дата начала отсчета срока действия патента:

16.01.2007

(30) Конвенционный приоритет:

17.01.2006 FI 20065029

(46) Опубликовано: 27.04.2010

(56) Список документов, цитированных в отчете о
поиске:
SU 1595349 A3, 23.09.1990. WO 2006003259 A1, 12.01.2006. WO 03033873 A1, 24.04.2003. US 6640205 B2, 02.05.2002. JP 61026831 А, 06.02.1986.

(85) Дата перевода заявки PCT на национальную фазу:

18.08.2008

(86) Заявка PCT:

FI 2007/050020 20070116

(87) Публикация PCT:

WO 2007/082997 20070726

Адрес для переписки:

129090, Москва, ул.Б.Спасская, 25, стр.3, ООО “Юридическая фирма Городисский и Партнеры”, пат.пов. А.В.Мицу, рег. 364

(72) Автор(ы):

КЕСКИНИВА Маркку (FI),
УЙТТО Веса (FI),
ИХАЛАЙНЕН Хеймо (FI),
ЛЕККАЛА Юкка (FI)

(73) Патентообладатель(и):

САНДВИК МАЙНИНГ ЭНД КОНСТРАКШН ОЙ (FI)

(54) ИЗМЕРИТЕЛЬНОЕ УСТРОЙСТВО, УСТРОЙСТВО ДЛЯ ДРОБЛЕНИЯ ПОРОДЫ И СПОСОБ ИЗМЕРЕНИЯ ВОЛНЫ НАПРЯЖЕНИЯ

(57) Реферат:

Изобретение относится к способу измерения волны напряжения и к измерительному устройству и устройству для дробления породы. Техническим результатом является усовершенствование способа и устройства. Устройство ударного действия сообщает ударные импульсы волноводу, где генерируются волна сжимающего напряжения и отраженная волна растягивающего напряжения, которые распространяются в волноводе. Волна сжимающего напряжения обуславливает расширение волновода, а волна растягивающего напряжения обуславливает утончение, и в этом случае свойства волновода можно определить путем измерения геометрических изменений поперечного сечения волновода. Данные измерения анализируются для управления устройством для дробления породы. 3 н. и 8 з.п. ф-лы, 25 ил.

Предпосылки создания изобретения

Изобретение относится к способу измерения волны напряжения, используемой при дроблении породы, предусматривающему измерение волны напряжения, которая распространяется в волноводе.

Изобретение также относится к измерительному устройству для измерения волны напряжения, содержащему, по меньшей мере, один измерительный элемент и, по меньшей мере, один управляющий блок для обработки результатов измерения.

Изобретение также относится к устройству для дробления породы, которое содержит каркас, инструмент, устройство для генерирования волн напряжения в инструменте, измерительное средство для измерения волн напряжения, проходящих в инструменте, по меньшей мере, один управляющий блок для управления устройством для дробления породы на основе измененной волны напряжения.

Дробление породы можно осуществлять путем бурения отверстий в породе с помощью машины ударного действия для бурения породы. В альтернативном варианте, породу можно дробить с помощью дробильного молота. В этом контексте, термин «порода» следует понимать в широком смысле – как распространяющийся на валун, обломочный материал, корку и другой относительно твердый материал. Машина для бурения породы и дробильный молот содержат устройство ударного действия, которое сообщает ударные импульсы инструменту либо непосредственно, либо через посредство хвостовика. Иными словами, устройство ударного действия используется для генерирования волны сжимающего напряжения в инструменте, причем эта волна распространяется к внешнему концу инструмента. Когда волна сжимающего напряжения достигает внешнего конца инструмента, инструмент проникает в породу благодаря влиянию этой волны. Часть энергии волны сжимающего напряжения, генерируемой устройством ударного действия, отражается обратно в качестве отраженной волны, которая распространяется в противоположном направлении в инструменте, т.е. к устройству ударного действия. В зависимости от ситуации, отраженная волна может содержать только волну сжимающего напряжения или волну растягивающего напряжения. Однако в типичном случае отраженная волна содержит и составляющую растягивающего напряжения, и составляющую сжимающего напряжения. Волну напряжения, проходящую в инструменте, можно измерить, а результат измерения использовать при управлении устройством для дробления породы, как описано, например, в документе US 4671366. Как правило, при измерении волны напряжения используют тензодатчики омического сопротивления, но крепление их создает проблему. Трудно приклеить тензодатчики к инструменту. В документах US 6356077 и US 6640205 также описана установка катушки вокруг инструмента для измерения магнитострикционных или магнитоупругих изменений, обуславливаемых волнами напряжения в инструменте. Проблема, связанная с этими индуктивными способами, заключается в том, что изменение структуры и магнитных характеристик материала инструмента во времени влияют на точность измерения.

Краткое описание изобретения

Задача изобретения состоит в том, чтобы разработать новое усовершенствованное устройство для измерения волны напряжения из волновода.

Способ, соответствующий изобретению, отличается тем, что определяют геометрическое изменение поперечного сечения волновода, когда волна напряжения проходит место измерения, и определяют свойства волны напряжения, исходя из упомянутого изменения поперечного сечения.

Измерительное устройство, соответствующее изобретению, отличается тем, что это измерительное устройство содержит измерительные элементы для обнаружения геометрического изменения поперечного сечения волновода из-за влияния волны напряжения, а управляющий блок выполнен с возможностью определения свойств измеряемой волны напряжения, исходя из упомянутого изменения поперечного сечения волновода.

Устройство для дробления породы, соответствующее изобретению, отличается тем, что это устройство для дробления породы содержит средство для обнаружения геометрического изменения поперечного сечения инструмента из-за влияния волны напряжения, и, по меньшей мере, один управляющий блок выполнен с возможностью определения свойств измеряемой волны напряжения, исходя из упомянутого изменения поперечного сечения инструмента для управления устройством для дробления породы.

Изобретение основано на определении влияния волны напряжения, проходящей в волноводе, в геометрическом поперечном сечении волновода и на определении свойств волны напряжения на основе этого. Волна сжимающего напряжения старается сжать волновод в продольном направлении, и в этом случае поперечное сечение волновода склонно увеличиваться под действием волны сжимающего напряжения. Соответственно, волна растягивающего напряжения старается растянуть волновод в продольном направлении, и в этом случае поперечное сечение волновода склонно уменьшаться под действием волны растягивающего напряжения. Обнаружено, что величина изменения поперечного сечения имеет положительную корреляцию с интенсивностью волны напряжения.

Преимущество изобретения заключается в том, что оно дает возможность управлять изменением волн напряжения проще, чем в случае способов измерения магнитострикционных и магнитоупругих свойств.

Основная идея одного варианта осуществления в соответствии с изобретением заключается в том, чтобы расположить один или более электропроводных измерительных электродов около волновода или вокруг него, при этом электрод образует конденсатор вместе с волноводом и изолирующим зазором. Измерительное устройство выполнено с возможностью определения емкости образованного таким образом конденсатора. На эту емкость влияет, по существу, только размер изолирующего зазора. С другой стороны, на размер изолирующего зазора влияет расширение или утончение волновода, которые обуславливаются волнами напряжения, проходящими в волноводе. Измерительное устройство может измерять изменение емкости между волноводом и электродом или, в альтернативном варианте, оно может быть выполнено с возможностью измерения емкости между двумя измерительными электродами, которые вдвоем образуют конденсатор с волноводом.

Основная идея одного варианта осуществления в соответствии с изобретением заключается в том, что измерительный электрод, используемый для определения емкости, представляет собой электропроводное кольцо, расположенное вокруг волновода.

Основная идея одного варианта осуществления изобретения заключается в том, что измерение волны напряжения является бесконтактным, и в этом случае волновод можно вращать вокруг его оси и перемещать в осевом направлении без препятствий со стороны измерительных элементов. Это выгодно при бурении породы, в частности, потому, что инструмент обычно вращается посредством вращающего устройства во время бурения.

Основная идея одного варианта осуществления изобретения заключается в том, что, по меньшей мере, два электрода, используемые при измерении емкости, расположены друг за другом в продольном направлении волновода. Последовательные измерительные электроды изолированы друг от друга. В таком случае сигналы измерения можно подавать из последовательных измерительных электродов, по меньшей мере, в один управляющий блок по проводам или с помощью аналогичных средств, и в этом случае отсутствует механический контакт между измерительным устройством и волноводом, а измерение может быть бесконтактным.

Основная идея одного варианта осуществления изобретения заключается в том, что измерительный электрод, используемый при измерении емкости, установлен в волноводе с помощью подшипников, так что он поддерживает свое положение относительно волновода независимо от поперечного смещения волновода. В этом случае поперечное смещение волновода, по существу, вообще не влияет на результат измерения.

Основная идея одного варианта осуществления в соответствии с изобретением заключается в том, что два или более измерительных электродов, действие которых основано на измерении емкости, используются, по меньшей мере, в одном месте измерения, причем измерительные электроды расположены в одном и том же местоположении измерения в продольном направлении волновода, но на противоположных сторонах волновода друг относительно друга. Волну напряжения можно измерять путем определения емкости между частями электрода, расположенными на противоположных сторонах волновода, и волноводом. В таком случае механическое соединение измерительных электродов с волноводом оказывается ненужным, а измерение может быть бесконтактным. С другой стороны, результаты измерения, получаемые с измерительных электродов, можно обрабатывать в управляющем блоке измерительного устройства, например, путем отфильтровывания поперечного смещения волновода. В таком случае, поперечные перемещения между волноводом и измерительными электродами не оказывают влияние на результат измерения, а волна напряжения определяется только на основе изменения геометрического поперечного сечения волновода.

Основная идея одного варианта осуществления в соответствии с изобретением заключается в том, что измерительный электрод расположен у наибольшего внешнего размера волновода, и в этом случае может улучшиться точность измерения. В машине для бурения породы измерительный электрод можно располагать, например, вокруг хвостовика, потому что диаметр хвостовика, как правило, больше, чем диаметр буровой штанги.

Основная идея одного варианта осуществления изобретения заключается в том, что управляющий блок выполнен с возможностью управления параметрами устройства для дробления породы на основе измеряемой волны напряжения. Управляющий блок может хранить одну или более стратегий регулирования, которые могут иметь целью, например, достижение максимальной скорости проникновения инструмента, повышение качества пробуриваемого отверстия при бурении, достижение большего срока службы инструмента или повышение эффективности устройства для дробления породы. Параметры управления могут включать в себя частоту ударного действия, энергию ударного действия и скорость подачи. Кроме того, в качестве параметров управления при бурении породы можно использовать скорость подачи, скорость вращения и промывку.

Основная идея одного варианта осуществления изобретения заключается в том, что измерительное устройство содержит, по меньшей мере, один запоминающий элемент для хранения результатов измерения. В таком случае, результаты измерения можно сохранить и использовать позже, например, для выяснения типа породы на рабочей площадке и при проектировании рабочей площадки и разработке используемого способа, либо при оперативном контроле рабочих условий. Результаты измерения можно обрабатывать в отдельном компьютерном блоке.

Один вариант осуществления изобретения основан на той идее, что измерительное устройство содержит, по меньшей мере, один передающий данные элемент для передачи результатов измерения из измерительного устройства в управляющий блок устройства для дробления породы или другое устройство. В таком случае, результаты измерения можно использовать при управлении процессом бурения или процессом дробления.

Один вариант осуществления изобретения основан на той идее измерения изменения поперечного сечения волновода с помощью электромеханической пленки (EMFi), которая реагирует на прикладываемое к ней сжатие, когда поперечное сечение волновода увеличивается и уменьшается.

Один вариант осуществления изобретения основан на идее измерения изменения поперечного сечения волновода с помощью лазерного луча.

Один вариант осуществления изобретения основан на идее измерения волны напряжения на основе изменения объема волновода.

Краткое описание чертежей

Некоторые варианты осуществления изобретения будут описаны подробнее со ссылками на прилагаемые чертежи, при этом:

на фиг.1а представлен схематический вид сбоку установки для бурения породы;

на фиг.1b представлен схематический вид сбоку дробильного молота;

на фиг.2а представлен схематический вид сбоку машины для бурения породы и соединенного с ней инструмента в ситуации бурения;

фиг.2b схематически иллюстрирует один конец инструмента, т.е. конец, обращенный к устройству ударного действия, и прохождение отраженной волны напряжения;

фиг.2с и 2d схематически иллюстрируют особые ситуации при бурении и отражении волны напряжения обратно от внешнего конца инструмента, т.е. от второго конца;

фиг.3 схематически иллюстрирует поперечное сечение волновода и принцип измерения волн напряжения в соответствии с изобретением;

фиг.4а схематически иллюстрирует емкостное измерение волн напряжения с помощью одного электрода, расположенного вокруг волновода, если смотреть с продольного направления инструмента;

фиг.4b схематически иллюстрирует разделение измерительного электрода на основе емкостного измерения на несколько частей электрода вокруг волновода, если смотреть с продольного направления инструмента;

на фиг.5 представлено схематическое перспективное изображение емкостного измерения волн напряжения с помощью нескольких последовательных электродов в осевом направлении;

фиг.6 схематически иллюстрирует емкостное измерение волн напряжения с помощью одного или более электродов, расположенного или расположенных внутри полого волновода, если смотреть с продольного направления инструмента;

на фиг.7 представлен схематический вид сбоку компоновки, в которой измерительные электроды установлены с помощью подшипников в волноводе, где нужно провести измерение;

фиг.8 схематически иллюстрирует принцип измерения волн напряжения на основе лазерной интерферометрии, если смотреть с продольного направления инструмента;

фиг.9 схематически иллюстрирует принцип измерения волн напряжения на основе использования вещества, например, электромеханической пленки (EMFi), расположенной вокруг волновода, если смотреть с продольного направления инструмента;

фиг.10 схематически иллюстрирует принцип измерения волн напряжения на основе изменения объема пространства текучей среды вокруг инструмента, если смотреть с продольного направления инструмента;

на фиг.11-13 схематически изображены некоторые кривые, определенные на основе емкостного измерения в ситуации, когда породу бурят при наличии подачи;

на фиг.14-16 схематически изображены некоторые кривые, определенные на основе емкостного измерения в ситуации, когда порода, которую надо бурить, является мягкой породой;

на фиг.17-20 схематически изображены некоторые кривые, связанные с компенсацией эксцентриситета между емкостными измерительными электродами и волноводом.

Из соображений ясности, на чертежах упрощенно изображены некоторые варианты осуществления изобретения. На чертежах одинаковые позиции относятся к одинаковым деталям.

Подробное описание некоторых вариантов осуществления изобретения

На фиг.1 изображена установка 1 для бурения породы, которая содержит транспортное средство 2 и, по меньшей мере, одну направляющую 3, на которой с возможностью перемещения расположена машина 4 для бурения породы. Посредством подающего устройства 5 машину 4 для бурения породы можно принудительно подводить к породе, подлежащей бурению, и соответственно отводить от нее. Подающее устройство 5 может содержать, например, один или более гидравлических цилиндров, которые могут быть выполнены с возможностью перемещения машины 4 для бурения породы с помощью подходящих средств передачи мощности. Как правило, направляющая 3 расположена на стреле 6, которая может перемещаться относительно транспортного средства 2. Машина 4 для бурения породы содержит устройство 7 ударного действия для сообщения ударных импульсов инструменту 8, соединенному с машиной 4 для бурения породы. Инструмент 8 может содержать одну или более буровых штанг и буровое долото 10. Кроме того, машина 4 для бурения может содержать вращающее устройство 11 для вращения инструмента 8 вокруг его продольной оси. Во время бурения устройство 7 ударного действия сообщает ударные импульсы инструменту 8, который при этом может вращаться с помощью вращающего устройства 11. Помимо этого, машину 4 для бурения породы можно принудительно подводить к породе во время бурения, так что буровое долото 10 сможет дробить породу. Бурением породы можно управлять с помощью одного или более управляющих блоков 12. Управляющий блок 12 может содержать компьютер или подобное ему средство. Управляющий блок 12 может выдавать команды управления в исполнительные механизмы, управляя работой машины 4 для бурения породы и подающего устройства 5, такие как клапаны, управляющие рабочим веществом. Устройство 7 ударного действия, вращающее устройство 11 и подающее устройство 5 машины 4 для бурения породы могут быть исполнительными механизмами с приводом от рабочей среды под давлением, или они могут быть электрическими исполнительными механизмами.

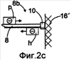
На фиг.2а изображена машина 4 для бурения породы, с которой инструмент 8 соединен своим хвостовиком 13. Устройство 7 ударного действия, входящее в состав машины 4 для бурения породы, может содержать элемент 14 ударного действия, такой как поршень ударного действия, который выполнен с возможностью перемещения взад и вперед и удара по поверхности 15 для ударного воздействия в хвостовике 13 и генерирования ударного импульса, который распространяется со скоростью, зависящей от материала, когда волна сжимающего напряжения проходит по хвостовику 13 и инструменту 8 к буровому долоту 10. Один особый случай бурения породы изображен на фиг.2с, где буровое долото 10 не может проникнуть в породу 16 из-за влияния волны р сжимающего напряжения. Причиной этого может быть, например, очень твердый обломочный материал 16′. В таком случае исходная волна р напряжения отражается обратно как волна h сжимающего напряжения от бурового долота 10 к устройству 7 ударного действия. Другой особый случай изображен на фиг.2d, где буровое долото 10 может двигаться вперед, не испытывая воздействия силы сопротивления. Например, когда бурение проводят по полости в породе, сопротивление проникновению мало. В таком случае исходная волна р сжимающего напряжения отражается обратно как отраженная волна растяжения от бурового долота 10 к устройству 7 ударного действия. При практическом осуществлении бурения, которое иллюстрируется на фиг.2а, буровое долото 10 подвергается действию сопротивления, но все равно может двигаться вперед из-за влияния волны р сжимающего напряжения. Движению вперед бурового долота 10 сопротивляется сила, величина которой зависит от того, как глубоко буровое долото 10 проникло в породу 16; чем глубже проникает буровое долото 10, тем больше сила сопротивления, и наоборот. Таким образом, при практическом осуществлении бурения отраженная волна h отражается от бурового долота 10, причем эта волна содержит и составляющую растягивающего напряжения, и составляющую сжимающего напряжения. На чертежах растягивающее напряжение обозначено знаком (+), а сжимающее напряжение – знаком (-). В отраженной волне h всегда первой следует обозначаемая знаком (+) отраженная составляющая растягивающего напряжения, а обозначаемая знаком (-) составляющая сжимающего напряжения следует за ней. Причина, по которой это происходит, заключается в том, что на начальной стадии влияния первичной волны р сжимающего напряжения проникновение и сопротивление проникновению бурового долота малы, что создает обозначаемую знаком (+) отраженную составляющую растягивающего напряжения. Таким образом, исходная ситуация напоминает особую ситуацию, описанную выше, в которой буровое долото 10 может двигаться вперед, не испытывая воздействие существенной силы сопротивления. С другой стороны, в заключительной стадии влияния первичной волны р сжимающего напряжения буровое долото 10 уже проникло глубже в породу 16, и в таком случае сопротивление проникновению становится больше, а исходная волна р сжимающего напряжения, по существу, больше не будет вынуждать проникновение бурового долота 10 глубже в породу 16. Эта ситуация напоминает второй особый случай, описанный выше, в котором буровое долото 10 не может двигаться вперед в породу 16. Это приводит к появлению обозначаемой знаком (-) отраженной волны сжимающего напряжения, которая следует сразу же за обозначаемой знаком (+) волной растягивающего напряжения, отраженной от бурового долота 10.

При бурении породы волну напряжения можно измерять от хвостовика, буровой штанги или от них обоих, которые таким образом функционируют как волновод.

В дробильном молоте 20, изображенном на фиг.1b, долото или держатель долота может функционировать как волновод. Кроме того, в дробильном молоте 20 устройство ударного действия генерирует волну напряжения в инструменте, которая распространяется от первого конца инструмента, т.е. конца, обращенного к устройству ударного действия, ко второму концу инструмента, а затем – обратно к первому концу инструмента.

Фиг.3 иллюстрирует принцип измерения в соответствии с изобретением. В геометрическом поперечном сечении волновода 21 происходит изменение, когда в нем проходит волна напряжения. Изобретение основано на идее измерения этого геометрического изменения поперечного сечения и использования результата измерения как основы для определения свойств волны напряжения, таких как форма волны, амплитуда, длина волны, частота и т.д. Когда волна сжимающего напряжения проходит в волноводе 21, его поперечное сечение склонно сжиматься под действием волны напряжения, и в этом случае его поперечное сечение увеличивается. Соответственно, под воздействием волны растягивающего напряжения поперечное сечение уменьшается. Иными словами, в волноводе образуется расширение или утончение, зависящее от того, является волна напряжения волной сжимающего напряжения или волной растягивающего напряжения. Пунктирная линия a на фиг.3 иллюстрирует – весьма упрощенным образом – увеличение поперечного сечения из-за влияния волны сжимающего напряжения, а пунктирная линия b – уменьшение поперечного сечения из-за влияния волны растягивающего напряжения. Измерение может быть основано на изменении внешнего размера волновода 21, изменении внутреннего размера полого волновода, изменении площади поперечного сечения или изменении объема волновода.

Фиг.4а иллюстрирует принцип емкостного измерения волн напряжения. Кольцевой электропроводный измерительный электрод 22, такой как металлическое кольцо, соединенное с управляющим блоком 24, входящим в состав измерительного устройства 23, расположен вокруг волновода 21. Между внешним размером волновода 21 и измерительным электродом может присутствовать изолирующий слой 25, который может быть воздухом, смазочным маслом, промывочной жидкостью или аналогичным веществом. Когда волна напряжения проходит в волноводе, происходит изменение его внешнего размера, которое влияет на толщину изолирующего слоя 25. Емкость конденсатора, образованного волноводом 21, изолирующим слоем 25 и измерительным электродом 22, измеряется измерительным устройством 23. При измерении проницаемость изолирующего материала существенно не изменяется. Площадь внешней поверхности волновода изменяется с изменением поперечного сечения и поэтому влияет также на емкость. Вместе с тем, основное влияние на емкость оказывает размер изолирующего зазора 26. Таким образом, размер изолирующего зазора 26 можно определить путем измерения электрического напряжения, при этом размер зазора зависит от расширения или утончения, обуславливаемого волной напряжения. Кроме того, конденсатор, образованный волноводом 21, изолирующим зазором 26 и измерительным электродом 22, может быть соединен с резонансным контуром или аналогичным средством, и в этом случае при измерении рассматриваются изменения частоты в контуре. Также применимы и другие методы измерения емкости. Информацию, получаемую в результате измерения волн напряжения, можно передавать из управляющего блока 24 измерительного устройства в управляющий блок 12 устройства для дробления.

Помимо этого, изолирующий слой 25 может состоять из нескольких различных участков. Например, измерительный электрод 22 может быть выполнен с пластмассовым корпусом или каркасом, где расположены токопроводящие части электрода 22. В таком случае, изолирующий слой 25 между внешним размером волновода 21 и электродом 22 может состоять из пластмассы и воздуха. Кроме того, когда электрод 22, волновод 21 или оба они покрыты покрывающим веществом, состоящим из изолирующего материала, изолирующий слой 25 содержит несколько разных участков. Влияние разных изолирующих участков можно учитывать при обработке результатов измерения. Помимо этого, когда изолирующий слой 25 содержит несколько наложенных друг на друга участков, один или более участков могут быть сжимаемыми, гарантируя изменения поперечного сечения волновода 21 и измерение этих изменений.

Фиг.4b также демонстрирует, что измерительный электрод 22 может быть разделен на несколько частей 22а-22d, которые имеют форму сектора тора и между которыми находятся изоляции 27а-27d. Количество частей 27 измерительного электрода может быть равно четырем, как показано на чертеже, а с другой стороны, их может быть две или более. Измерительное устройство 23 можно использовать для измерения емкостей конденсаторов, образуемых частями 22а и 22с, 22b и 22d на противоположных сторонах, и в этом случае измерение может быть бесконтактным. Кроме того, эта компоновка гарантирует учет любого поперечного смещения волновода 21 относительно частей 22 измерительного электрода. Информацию измерения можно передавать от каждой части 22 измерительного электрода в управляющий блок 24, причем результаты измерения можно фильтровать, чтобы исключить погрешность, обуславливаемую поперечным смещением волновода. Двигаться в поперечном направлении волновод 21 может, например, в результате повреждения подшипников.

На фиг.5 изображено решение, в соответствии с которым два электрода 22а, 22b расположены друг за другом в осевом направлении. Между измерительными электродами 22 имеется воздушный зазор или другой изолирующий слой 27. При необходимости друг за другом в осевом направлении можно расположить три или более измерительных электродов. В этом варианте осуществления емкость между последовательными измерительными электродами 22а, 22b и волноводом 21 измеряют с помощью измерительного устройства 23. Измерение может быть бесконтактным, т.е. при отсутствии механического контакта между измерительными электродами 22 и волноводом. Кроме того, измерительные электроды 22 могут состоять из двух или более частей электродов, как показано, например, на фиг.4b, и в этом случае погрешность измерения, обуславливаемую эксцентриситетом волновода 21, можно исключить посредством фильтрации.

На фиг.6 изображен вариант осуществления, в котором измерительный электрод расположен внутри полого волновода 21. В таком случае волновод 21 имеет кольцевое поперечное сечение, которому присущи внутренний диаметр и внешний диаметр. Следует помнить, что, например, буровая штанга и хвостовик, используемые при бурении породы, как правило, имеют кольцевое поперечное сечение для подачи промывочной жидкости. Измерительный электрод 22 может опираться на несколько опорных элементов внутри волновода 21. Измерительный электрод 22 может содержать несколько частей 22а, 22b, и в этом случае можно измерять емкость между частями электродов. Кроме того, поскольку он содержит несколько частей электрода, его не нужно точно центрировать внутри волновода, а любое отклонение от центральной оси волновода 21 можно учесть при отфильтровывании этого отклонения из результатов измерения, проводимом в управляющем блоке 24.

На фиг.7 показан весьма упрощенный вариант осуществления, в котором измерительные электроды 22а, 22b установлены в волноводе 21 с помощью подшипников, так что волновод 21 может двигаться в осевом направлении относительно измерительных электродов и вращаться вокруг своей продольной оси. Взамен этого, измерительные электроды выполнены с возможностью перемещения вместе с волноводом 21, если он движется в поперечном направлении. В таком случае измерительные электроды 22 останутся соосными с волноводом 21 даже в случае, если бы волновод 21 по какой-нибудь причине сместился из исходного положения. Измерительные электроды 22 могут быть расположены в измерительном каркасе 28, который может опираться на один или более подшипников 29 у внешней поверхности волновода 21. Естественно, можно применить и другие методы установки измерительных электродов во внешней поверхности волновода 21 с помощью подшипников.

На фиг.8 изображен вариант осуществления, в соответствии с которым изменения, происходящие в геометрическом поперечном сечении волновода, измеряются лазерным интерферометром 30. Противоположные стороны волновода 21 можно оснастить приемопередатчиками 31 лазерного луча для измерения расстояний L1, L2 до внешней поверхности волновода 21. Расширение, обуславливаемое волной сжимающего напряжения, отмечается как увеличение расстояний L1 и L2, а утончение, обуславливаемое волной растягивающего напряжения, соответственно отмечается как уменьшение расстояний L1 и L2. Управляющий блок 24 измерительного устройства может анализировать результаты измерения и, исходя из них, определять свойства волны напряжения. Кроме того, если одно из измеряемых расстояний уменьшается, а другое увеличивается, управляющий блок 24 измерительного устройства может интерпретировать это как поперечное смещение, а не как измеряемое изменение, обуславливаемое волной напряжения. Вместо лазерного интерферометра вполне возможно использование другого оптического устройства для измерения расстояний, которое способно обнаружить обуславливаемое волной напряжения смещение в поперечном направлении волновода.

На фиг.9 показан вариант осуществления, в соответствии с которым в зазоре между волноводом 21 и эталонной поверхностью 32, такой как каркас устройства для бурения, расположена пленка 33 вещества. Эта пленка вещества реагирует на изменение сжимающего напряжения, обуславливаемое измеряемым изменением поперечного сечения волновода. Благодаря влиянию волны сжимающего напряжения, внешний размер волновода 21 увеличивается, и в этом случае большее давление прикладывается к пленке 33 вещества, расположенной в зазоре, когда тот есть между волноводом 21 и эталонной поверхностью 32. Соответственно, давление, прикладываемое к пленке 33 вещества, уменьшается, когда волна растягивающего напряжения создает реакцию на место измерения. Пленка 33 вещества, реагирующая на сжимающее давление, может быть, например, электромеханической пленкой (EMFi) или аналогичным средством. Электромеханическая пленка может быть тонкой постоянно заряженной пластмассовой пленкой, обе стороны которой могут быть покрыты электропроводными слоями. Сжатие, прикладываемое к пленке, можно обнаружить как электрическое напряжение, генерируемое пленкой. Управляющий блок 24 измерительного устройства 23 может анализировать сигнал электрического напряжения и, исходя из него, определять свойства волны напряжения. На фиг.9 также показаны соединение 36 для обмена данными и запоминающий элемент 37, который может быть расположен в соединении с измерительным устройством 23 для обработки данных измерения. Данные измерения можно передавать из измерительного устройства 23 с помощью проводов или без них посредством соединения 36 для передачи данных в управляющий блок 12 устройства для дробления породы или куда-нибудь еще. Кроме того, данные измерения можно хранить в запоминающем элементе 37 для дальнейшей обработки. Данные измерения, хранящиеся в запоминающем элементе 37, можно использовать при оперативном контроле рабочих условий, при сборе данных о типе породы и при проектировании шахты, либо в аналогичных приложениях.

На фиг.10 изображен дополнительный вариант осуществления, в соответствии с которым вокруг волновода 21 образовано пространство 34 рабочей текучей среды. Измерение в находящейся в этом пространстве рабочей текучей среде осуществляет датчик 35 давления. Волна напряжения вызывает измеряемое изменение поперечного сечения волновода 21, и в этом случае объем волновода 21 также изменяется в осевом участке, затрагиваемом изменениями. Изменение объема волновода 21 также вызывает изменение объема пространства 34 рабочей текучей среды, которое можно обнаружить как импульсы давления при измерении давления. Результаты измерения можно передавать в управляющий блок 24 измерительного устройства 23, который может анализировать импульсы давления и, исходя из них, определять свойства волны напряжения.

В управляющем блоке 12 установки для бурения породы или дробильного молота можно задать одну или более стратегий управления с целью автоматического регулирования работы устройства на основе измеряемой волны напряжения. Регулирование можно проводить вручную, и в этом случае оператор получает из управляющего блока 12 информацию по данным управления, вычисленным на основе волны напряжения, и может вручную регулировать параметры. И управляющий блок 12 устройства для дробления породы, и управляющий блок 24 измерительного устройства 23 могут содержать один или более компьютеров, процессор которых может выполнять действия в соответствии с компьютерным программным продуктом. Компьютерный программный продукт, обеспечивающий выполнение измерения и регулирования в соответствии с изобретением, можно хранить в памяти управляющего блока 12, 24, или компьютерный программный продукт можно загружать в компьютер с запоминающего элемента, такого как CD-ROM. Кроме того, компьютерный программный продукт можно загружать с другого компьютера через сеть передачи данных, например, в устройство, принадлежащее системе управления.

Управляющий блок 24 измерительного устройства 23 можно встроить в основную машину, например, в управляющий блок установки для бурения породы или экскаватора, или он может быть отдельным блоком. Управляющий блок 24 может управлять внутренней работой измерительного устройства 23, например, фильтрацией сигналов измерения, вычислениями, отображением и передачей в другой блок, или другим аналогичным процессом. В некоторых случаях управляющий блок 24 может также управлять внешней функцией или внешним устройством.

Электроды, входящие в состав измерительного устройства 23, датчики или другие измерительные элементы также можно подсоединить так, что окажется возможной передача сигналов непосредственно в управляющий блок 12 устройства для дробления.

Ниже описываются три примера, в соответствии с которыми породу бурят с помощью установки ударного действия для бурения породы и измеряют волну напряжения, проходящую в инструменте, с помощью емкостного измерительного устройства.

Пример 1

На фиг.11 изображены кривые первичной волны p напряжения как функция времени. В этом случае устройство ударного действия, входящее в состав установки для бурения породы, сообщило инструменту ударный импульс, который сгенерировал первичную волну сжимающего напряжения в инструменте, причем эта волна распространяется в инструменте по направлению к его внешнему концу. Если бурение осуществляют во время подачи, то между инструментом и породой возможен зазор. В таком случае инструмент вначале не испытывает сопротивление проникновению из-за зазора, что вызывает большую отраженную волну h+ растягивающего напряжения, которая распространяется к устройству ударного действия. После закрытия зазора между инструментом и породой сопротивление проникновению снова велико, что вызывает большую отраженную волну h- сжатия, которая распространяется к устройству ударного действия вслед за отраженной волной h+ растягивающего напряжения. Когда обнаруживается отраженная волна h, имеющая эту форму, управляющий блок может интерпретировать это как осуществление бурения во время подачи. В таком случае управляющим воздействием будет увеличение подачи.

Фиг.13 иллюстрирует результаты измерения с помощью емкостного измерительного устройства, а фиг.12 иллюстрирует радиальное смещение в поперечном сечении волновода, определяемое, исходя из результатов измерения. Как можно заметить из фиг.11-13, изменение емкости и радиального смещения в волноводе, по существу, соответствует форме волны напряжения.

Радиальное смещение поперечного сечения можно вычислить по следующей формуле:

,

где – постоянная Пуассона для материала, Е – модуль упругости, а r0 – внешний радиус недеформированного поперечного сечения.

Кроме того, можно вычислить емкость для кольцевого электрода, воспользовавшись следующей формулой:

,

где 0 – диэлектрическая проницаемость вакуума, – относительная диэлектрическая проницаемость изоляции, d – расстояние (эксцентриситет) между центральными точками электрода и инструмента, r – внешний радиус инструмента (включающий в себя деформацию: r=r0+uR), а R – внутренний радиус электрода.

Пример 2

На фиг.14 изображены кривые первичной волны p напряжения и отраженной волны h напряжения как функция времени. В этом случае устройство ударного действия, входящее в состав установки для бурения породы, сообщило инструменту ударный импульс, который сгенерировал в инструменте первичную волну p сжимающего напряжения, которая распространяется в инструменте по направлению к его внешнему концу. Если бурят очень мягкую породу, то сопротивление проникновению мало. Поскольку инструмент не опирается должным образом на породу, отраженная волна h, распространяющаяся к устройству ударного действия, отражается от первичной волны p напряжения, причем эта отраженная волна имеет большую отраженную волну h+ растягивающего напряжения, но лишь малую отраженную волну h- сжимаемого напряжения, так как в мягкой породе малое сопротивление проникновению не создается до тех пор, пока не кончится проникновение инструмента. Таким образом, наибольшая часть отраженной волны состоит в основном из растягивающего напряжения. Когда такая отраженная волна h напряжения обнаруживается, управляющий блок сможет распознать, что бурение проведено по породе того типа, которую называют мягкой. В таком случае управляющим воздействием может быть уменьшение амплитуды набегающей волны p напряжения, что обеспечивает уменьшение отраженной волны h+ растягивающего напряжения, пагубной для бурового оборудования. В альтернативном варианте, можно применить инструмент, имеющий большее сопротивление проникновению.

Как явствует из фиг.14-16, изменение емкости и радиального смещения в волноводе, по существу, соответствует форме волны напряжения.

Пример 3

На фиг.17 изображены кривые первичной волны p напряжения и отраженной волны h напряжения как функция времени.

Кольцевой измерительный электрод может быть расположен вокруг волновода, подлежащего измерению, т.е., как правило, вокруг буровой штанги в машине для бурения породы. Если буровая штанга расположена с эксцентриситетом относительно измерительного электрода, то эксцентриситет вызывает изменение емкости. Фиг.18 иллюстрирует емкость для трех разных значений эксцентриситета.

Относительный эксцентриситет ds можно вычислить по следующей формуле:

.

Вместе с тем, следует отметить, что при используемом способе измерения эксцентриситета, следует отличать друг от друга изменение емкости, обуславливаемое эксцентриситетом, и изменение поперечного сечения, обуславливаемое буровой штангой.

Когда эксцентриситет мал, погрешность эксцентриситета можно исключить, например, путем отфильтровывания низкочастотных составляющих из сигнала. Это дает сигналы, соответствующие фиг.19.

Еще лучше можно компенсировать погрешность эксцентриситета с помощью относительной емкости Cs в соответствии со следующей формулой:

,

где С0 – емкость между имеющей эксцентриситет, но не деформированной буровой штангой и электродом. Этот параметр определяют путем измерения емкости в ситуации, когда в месте измерения не действует волна напряжения.

Это дает сигналы, соответствующие фиг.20.

И опять, следует отметить, что изобретение применимо в связи с устройством 7 ударного действия как с приводом от рабочей жидкости, так и с электрическим приводом. Тип устройства, с помощью которого генерируют волны напряжения в волноводе 21, не влияет на воплощение изобретения. Таким образом, волну напряжения можно генерировать с помощью подходящего генератора волн и без надлежащего удара и поршня ударного действия. Иными словами, в волноводе с помощью устройства ударного действия или аналогичного устройства, которое генерирует волны напряжения, создается кратковременный силовой эффект, и этот силовой эффект генерирует волну напряжения в волноводе. Волна напряжения, генерируемая упомянутым устройством, может быть волной сжимающего напряжения или волной растягивающего напряжения.

Влияние волны напряжения на геометрическое поперечное сечение волновода можно обнаружить с помощью измерительного устройства. И волна напряжения, сообщаемая волноводу, и отраженная волна напряжения вызывают геометрическое изменение поперечного сечения волновода. Форму и другие свойства волн напряжения можно анализировать на основе результатов измерения в управляющем узле измерительного устройства. Можно также определять, является ли волна напряжения набегающей волной напряжения или отраженной волной напряжения, а также различные составляющие этих волн.

Можно также скомпоновать измерительное устройство 23 в соответствии с описанными вариантами осуществления в соединении с устройством ударного действия и определять силу удара, частоту удара и т.д., на основе изменений поперечного сечения элемента ударного действия, такого как поршень ударного действия. В этом случае элемент ударного действия функционирует как волновод.

Помимо бурения измерение волн напряжения в соответствии с изобретением можно применить в других устройствах, где используются ударные импульсы, таких как дробильные молоты и другие дробильные устройства, предназначенные для дробления обломочного материала или другого твердого материала, а также, например, в оборудовании для забивания свай.

В некоторых случаях признаки, представленные в этой заявке, можно применять как таковые независимо от других признаков. С другой стороны, признаки, проиллюстрированные в этой заявке, при необходимости можно объединить для получения различных комбинаций.

Чертежи и связанное с ними описание предназначены лишь для иллюстрации изобретательского замысла. Детали изобретения можно изменять в рамках объема притязаний формулы изобретения.

Формула изобретения

1. Способ измерения волны напряжения, используемой при дроблении породы, предусматривающий
измерение волны напряжения, которая распространяется в волноводе (8, 21),
отличающийся тем, что
определяют геометрическое изменение поперечного сечения волновода (8, 21), когда волна напряжения проходит местоположение измерения,
определяют геометрическое изменение поперечного сечения волновода (21) без механического контакта между измерительным элементом (22, 31, 35) и волноводом (21) и
определяют свойства волны напряжения, исходя из упомянутого изменения поперечного сечения.

2. Способ по п.1, отличающийся тем, что
определяют расстояние между волноводом (21) и, по меньшей мере, одним измерительным элементом (22, 31).

3. Способ по п.1 или 2, отличающийся тем, что
определяют емкость между волноводом (21) и, по меньшей мере, одним измерительным электродом (22).

4. Измерительное устройство для измерения волны напряжения, содержащее,
по меньшей мере, один измерительный элемент (22, 31, 33, 35), и по меньшей мере, один управляющий блок (24) для обработки результатов измерения,
отличающееся тем, что
измерительное устройство (23) содержит бесконтактные измерительные элементы (22, 31, 33, 35) для обнаружения без механического контакта изменения поперечного сечения волновода (21) из-за влияния волны напряжения, а
управляющий блок (24) выполнен с возможностью определения свойств измеряемой волны напряжения, исходя из изменения поперечного сечения волновода (21).

5. Измерительное устройство по п.4, отличающееся тем, что измерительное устройство (23) содержит средство для определения емкости между волноводом (21) и, по меньшей мере, одним измерительным электродом (22).

6. Измерительное устройство по п.5, отличающееся тем, что измерительный электрод (22) является кольцевой электропроводной деталью, которая расположена вокруг волновода (21).

7. Измерительное устройство по п.5 или 6, отличающееся тем, что измерительное устройство (23) содержит два измерительных электрода (22а, 22b), которые расположены вдоль оси друг за другом,
между измерительными электродами (22а, 22b) расположен изолирующий слой (27), и
управляющий блок (24) выполнен с возможностью измерения емкости между последовательными измерительными электродами (22а, 22b) и волноводом (21).

8. Измерительное устройство по любому из предыдущих пп.4-6, отличающееся тем, что
измерительное устройство (23) содержит, по меньшей мере, один запоминающий элемент для хранения результатов измерения.

9. Измерительное устройство по любому из предыдущих пп.4-6, отличающееся тем, что
измерительное устройство (23) содержит, по меньшей мере, два передающих данные элемента для передачи результатов измерения из измерительного устройства (23) в другое устройство.

10. Устройство для дробления породы, содержащее
каркас,
инструмент (8),
устройство (7) для генерирования волн напряжения в инструменте (8),
измерительные средства для измерения волны напряжения, проходящей в инструменте (8),
по меньшей мере, один управляющий блок (12) для управления устройством для дробления породы на основе измеряемой волны напряжения,
отличающееся тем, что
это устройство (4, 20) для дробления породы содержит бесконтактное средство для обнаружения без механического контакта геометрического изменения поперечного сечения инструмента (8) из-за влияния волны напряжения, и,
по меньшей мере, один управляющий блок (12, 24) выполнен с возможностью определения свойств волны напряжения, исходя из изменения поперечного сечения инструмента (8) для управления устройством для дробления породы.

11. Устройство для дробления породы по п.10, отличающееся тем, что это устройство для дробления породы представляет собой машину (4) для дробления породы, содержащую хвостовик (13), в котором с помощью устройства (7) ударного действия генерируются волны напряжения, и к которому прикреплен инструмент (8), измерительный электрод (22) выполнен с возможностью измерения емкости между внешним диаметром хвостовика (13) и измерительным электродом (22), причем эта емкость прямо пропорциональна расстоянию между внешним диаметром хвостовика (13) и измерительным электродом (22), а
управляющий блок (12, 24) выполнен с возможностью определения свойств волны напряжения, исходя из изменения емкости.

РИСУНКИ

Categories: BD_2387000-2387999