|
|
(21), (22) Заявка: 2009113392/09, 09.04.2009
(24) Дата начала отсчета срока действия патента:
09.04.2009
(46) Опубликовано: 10.04.2010
(56) Список документов, цитированных в отчете о поиске:
RU 2007828 C1, 15.02.1994. SU 917281 A, 30.03.1982. US 3088066 A, 30.04.1963.
Адрес для переписки:
346500, Ростовская обл., г. Шахты, ул. Шевченко, 147, ЮРГУЭС, патентная служба
|
(72) Автор(ы):
Богданов Валентин Иванович (RU), Богданов Владимир Валентинович (RU), Степаненко Евгений Борисович (RU)
(73) Патентообладатель(и):
Государственное образовательное учреждение высшего профессионального образования “Южно-Российский государственный университет экономики и сервиса” (ГОУ ВПО “ЮРГУЭС”) (RU)
|
(54) ВЫПРЯМИТЕЛЬНАЯ УСТАНОВКА
(57) Реферат:
Использование: изобретение относится к электротехнике и может найти применение в блоках для питания выпрямленным током электромагнитных устройств автоматики, заряда химических источников тока, электролиза и, возможно, в сварочных агрегатах. Сущность изобретения: выпрямительная установка содержит однофазный силовой трансформатор (1) с основной (2), первой (3) и второй (4) дополнительными частями вторичной обмотки, включенными последовательно и согласно. Рабочий комплект вентилей (9-12) в виде однофазного моста подключен к основной части (2) вторичной обмотки трансформатора; общая точка первого вольтодобавочного комплекта вентилей (13-14) соединена с конденсатором с переменной емкостью (7) и разрядным резистором (8); общая точка второго вольтодобавочного комплекта вентилей (15-16) соединена с конденсатором с переменной емкостью (5) и разрядным резистором (6). Выходы рабочего комплекта и двух вольтодобавочных комплектов вентилей имеют выводы для подключения к нагрузке (17). Согласованная работа рабочего и вольтодобавочных комплектов вентилей обеспечивается сдвигом по фазе между напряжениями, подводимыми к вентильным группам. Технический результат – улучшение качества выпрямленного тока, упрощение и повышение коэффициента мощности. 3 ил.
Предлагаемое изобретение относится к области электротехники и может найти применение в сильноточных блоках питания электротехнических устройств и автоматики, а также в сварочных агрегатах.
Известны выпрямительные установки, используемые для питания электронных устройств, содержащие силовой трансформатор, комплект вентилей, выполненный в виде однофазного моста, вход комплекта вентилей соединен с вторичной обмоткой трансформатора, а выход имеет выводы для подключения нагрузки (Иванов-Цыганков А.И. Электротехнические устройства радиосистем. М., 1973, с.24). Недостатком таких выпрямительных установок, работающих на низкоомную нагрузку, является низкое качество выпрямленного тока из-за большой величины коэффициента пульсаций, а также невысокий коэффициент использования электроэнергии. С целью повышения качества выпрямленного тока в таких сильноточных установках после однофазного моста включают в качестве сглаживающего фильтра индуктивный дроссель. Это приводит к увеличению массогабаритных параметров однофазных выпрямительных установок.
Известна также выпрямительная установка, содержащая однофазный силовой трансформатор с основной и дополнительной частями вторичной обмотки, включенными последовательно и согласно, рабочий и вольтодобавочный комплекты вентилей имеют выводы для подключения к нагрузке, вход рабочего комплекта вентилей, выполненный в виде однофазного моста, соединен с основной частью вторичной обмотки трансформатора, а вольтодобавочный – в виде двух последовательно соединенных вентилей, общая точка которых соединена с крайним выводом дополнительной части вторичной обмотки трансформатора через коммутатор, управляющий вход которого подключен к выводу блока управления (А.с. СССР 1555797, кл. Н02Р 15/00, 1990). Недостатком этой выпрямительной установки является неэффективное использование дополнительной части вторичной обмотки трансформатора, сужающее универсальность установки. Дополнительная часть вторичной обмотки используется только на период времени работы электромагнитных муфт, плит и другого электрооборудования станков в форсированном режиме. При отключении дополнительной части обмотки ключом коммутатора она остается нерабочей и не используется для других целей. К недостатку следует отнести также большой коэффициент пульсаций выпрямленного тока, что приводит к потерям на вихревые токи в магнитопроводах электромагнитных муфт или плит, снижает КПД и коэффициент использования электроэнергии выпрямительной установкой.
Выпрямительная установка, принятая за прототип (Патент 2007828, МПК Н02М 7/06, 15.02.1994, бюл. 3, выпрямительная установка), показана на фиг.1. Выпрямительная установка прототипа содержит однофазный силовой трансформатор 1 с основной 2 и дополнительной 3 частями вторичной обмотки трансформатора; вольтодобавочный комплект вентилей – из двух последовательно включенных вентилей 8 и 9 – соединен их общей точкой с крайним выводом дополнительной части 3 вторичной обмотки трансформатора через коммутатор 10; управляющий вход коммутатора соединен с выходом блока 11 управления, а выходы рабочего и вольтодобавочного комплектов вентилей подключены к нагрузке 12. Выпрямительная установка содержит также конденсатор с переменной емкостью 13 и разрядный резистор 14, подключенные параллельно коммутатору 10. Величины реактивного сопротивления конденсатора и активного сопротивления нагрузки выбраны по условию Хс>>Rн. При этом угол сдвига фаз между вектором напряжения на всей вторичной обмотке после конденсатора и вектором напряжения на ее основной части окажется равным примерно 90°. Соответственно сдвиг по фазе между векторами токов в нагрузке от напряжения основной части вторичной обмотки и напряжения всей части вторичной обмотки также будет близким к 90°. Это позволило уменьшить массогабаритные параметры силового трансформатора за счет повышения коэффициента мощности тока, расширить область использования.
Целью предлагаемого изобретения является упрощение, улучшение качества выпрямленного тока и еще большее повышение коэффициента мощности при использовании выпрямительной установки для заряда химических источников тока, электролизе растворов и, возможно, сварке, а также уменьшение массогабаритных параметров силового трансформатора.
Поставленная цель достигается тем, что предлагаемая выпрямительная установка, в отличие от прототипа, не имеет коммутатора с блоком его управления. Она снабжена второй дополнительной частью вторичной обмотки трансформатора, подключенной согласно одним концом с первой дополнительной частью вторичной обмотки, а вторым концом со вторым конденсатором с переменной емкостью и разрядным резистором, соединенными между собой параллельно. Выпрямительная установка снабжена также вторым вольтодобавочным комплектом вентилей – в виде двух последовательно соединенных вентилей, выходы которых имеют выводы для подключения к нагрузке, а общая точка их соединена со вторым конденсатором с переменной емкостью и разрядным резистором.
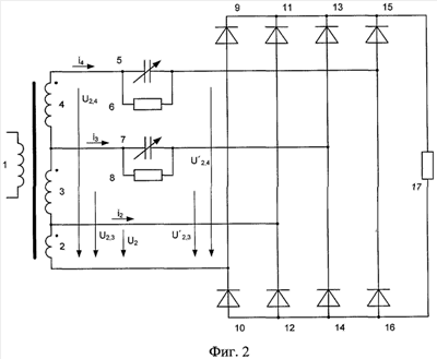
На фиг.2 представлена схема предлагаемой выпрямительной установки. Выпрямительная установка содержит однофазный силовой трансформатор 1 с основной 2, первой 3 и второй 4 дополнительными частями вторичной обмотки, включенными последовательно и согласно. Рабочий комплект вентилей 9-12 в виде однофазного моста подключен к основной части 2 вторичной обмотки трансформатора; общая точка первого вольтодобавочного комплекта вентилей 13-14 соединена с первым конденсатором с переменной емкостью 7 и разрядным резистором 8; общая точка второго вольтодобавочного комплекта вентилей 15-16 соединена со вторым конденсатором с переменной емкостью 5 и разрядным резистором 6. Выходы рабочего комплекта и двух вольтодобавочных комплектов вентилей имеют выводы для подключения к нагрузке 17.
Предлагаемамая выпрямительная установка работает следующим образом. При включении выпрямительной установки в сеть напряжение основной части вторичной обмотки 2 трансформатора подводится к мостовому выпрямителю, состоящему из вентилей 9, 10, 11, 12, в нагрузке 17 протекает постоянный пульсирующий ток с амплитудой I2, показанный на фиг.3. Одновременно напряжение согласно соединенных вторичных обмоток 2 и 3 трансформатора через конденсатор 7 подводится к мостовому выпрямителю, состоящему из вентилей 9, 10, 13, 14, в нагрузке возникает пульсирующий ток с амплитудой I3, а напряжение согласно соединенных вторичных обмоток 2, 3 и 4 трансформатора через конденсатор 5 подводится к мостовому выпрямителю, состоящему из вентилей 9, 10, 15, 16, в нагрузке возникает пульсирующий ток с амплитудой I4, фиг.3.
Импульсы постоянного тока I3 и I4 согласно соединенных вторичных обмоток 2 и 3 трансформатора сдвинуты по фазе относительно импульсов тока I2 основной части вторичной обмотки 2, соответственно на 45° и 90°. Сдвиги по фазе создаются выбором величин емкости конденсаторов 7 и 5. При этом обеспечивается согласованная работа моста из вентилей 9, 10, 11, 12 с выпрямительными мостами из вентилей 9, 10, 13, 14 и 9, 10, 15, 16 соответственно. Разрядные резисторы 8 и 6 необходимы для разряда конденсаторов 7 и 5 при отключении нагрузки 17. Аналогичные сдвиги по фазе возникают между напряжениями до диодных мостов U2 и U’2,3 и U2 и U’2,4, фиг.2. Среднее значение выпрямленного тока в нагрузке за половину периода питающего напряжения определяется полным импульсом тока I2 и верхними частями импульсов I3 и I4, фиг.3. Качество выпрямленного тока оценивают коэффициентом пульсаций, определяемым отношением амплитуды импульсов постоянного тока к среднему значению тока. При наличии импульсов токов I3 и I4 среднее значение выпрямленного тока окажется значительно больше, коэффициент пульсаций выпрямленного тока будет меньше, а качество тока выше. Роль конденсаторов 5 и 7 этим не ограничивается. Их реактивная мощность, Qc5+Qc7=Хс5·I2 4+Хс7·I2 3, компенсирует часть реактивной индуктивной мощности тока силового трансформатора. При этом увеличивается величина коэффициента мощности тока Cos , уменьшается значение полного тока первичной обмотки и полной мощности тока силового трансформатора, а значит, и габариты магнитопровода, и площадь сечения проводника первичной обмотки могут быть уменьшены.
В макетном образце выпрямительной установки, используемой для заряда двух последовательно соединенных кислотных аккумуляторных батарей с номинальным напряжением 12 В и электрической емкостью 140 А·ч каждый силовой трансформатор выбран мощностью тока 500 В·А. Для заряда таких батарей выпрямленное напряжение должно составлять не более 30 В. Это напряжение с учетом ЭДС аккумуляторных батарей при их полном заряде достаточно для создания зарядного тока 20 А. Внутреннее сопротивление одной аккумуляторной батареи составляет примерно 0,1 Ом. Напряжение основной части вторичной обмотки U2 выбрано 28 В. Эта величина напряжения меньше необходимого. Напряжение U2,4 вторичной обмотки выбрано 56 В, а напряжение U2,3 примерно 30 В. Дополнительные части вторичной обмотки выполнены проводом меньшей площади сечения. Диодный мост 9, 10, 11, 12 изготовлен из диодов В-25, а диодные мосты 9, 10, 13, 14 и 9, 10, 15, 16 изготовлены из диодов В-10. Величина сопротивления разрядных резисторов выбрана 1 кОм. Конденсаторы 5 и 7 выбраны из соотношения Хс=50-100 Rн, где Rн – внутреннее сопротивление последовательно соединенных аккумуляторных батарей – составляет не более 0,2 Ом.
Сдвиги по фазе между током I4 и напряжением U’2,4 в 90° и током I3 и напряжением U’2,3 в 45° возникают, соответственно, если электрическая емкость конденсатора С5 160 мкФ, его реактивное сопротивление Х5=20 Ом, а электрическая емкость конденсатора С4 3185 мкФ, его реактивное сопротивление Х4 1 Ом.
Известно, что заряд химических источников тока, либо электролиз, протекает с большим коэффициентом использования тока, когда качество выпрямленного тока выше. С целью повышения качества выпрямленного тока зарядные устройства изготавливают трехфазными, в однофазных используют индуктивные дроссели – фильтры, рассчитанные на полный зарядный ток. Применение таких дросселей увеличивает массогабаритные параметры выпрямительных установок. Регулирование средних значений тока в нагрузке в предлагаемой выпрямительной установке осуществляли путем изменения числа витков основной и дополнительных частей вторичной обмотки трансформатора.
Формула изобретения
Выпрямительная установка, содержащая однофазный силовой трансформатор с основной и дополнительной частями вторичной обмотки, включенными последовательно и согласно, рабочий и вольтодобавочный комплекты вентилей, выходы которых имеют выводы для подключения к нагрузке, вход рабочего комплекта вентилей, выполненный в виде однофазного моста соединен с основной частью вторичной обмотки трансформатора, вольтодобавочный комплект вентилей – в виде двух последовательно соединенных вентилей, общая точка которых соединена с крайним выводом дополнительной части вторичной обмотки трансформатора через конденсатор с переменной емкостью с подключенным параллельно к нему резистору, отличающаяся тем, что она снабжена дополнительной вторичной обмоткой, одним концом последовательно согласно соединенной с крайним выводом имеющейся дополнительной частью вторичной обмотки, другим концом к конденсатору с переменной емкостью и резистору, соединенными между собой параллельно, дополнительным вольтодобавочным комплектом вентилей, общая точка которых соединена с конденсатором с переменной емкостью и резистором, а выходы имеют выводы для подключения к нагрузке.
РИСУНКИ
|
|