|
(21), (22) Заявка: 2008101915/28, 17.01.2008
(24) Дата начала отсчета срока действия патента:
17.01.2008
(30) Конвенционный приоритет:
08.10.2007 UA u200711070
(43) Дата публикации заявки: 27.07.2009
(46) Опубликовано: 10.04.2010
(56) Список документов, цитированных в отчете о поиске:
ГАЦКОВ В.Г. К методике геоэкологических исследований нефтегазоносных районов. Вестник Воронежского университета. Геология, 2004, 1 [найдено 07.08.2009]. Найдено из Интернет: . БОНДАРЕНКО П.М. и др. Прогноз зон природнойтрещиноватости в продуктивных отложениях Западно-Урьевской площади по данным сейсморазведки и тектонофизического моделирования. Вестник недропользователя, 2004, 14 [найдено 07.08.2009]. Найдено из Интернет: . RU 2078356 C1, 27.04.1997. RU 2292453 C2, 27.01.2007. ЛИМОНОВ А.Ф. и др. Сейсмофациальное картирование на примере северо-западного шельфа Черного моря. Бюл. Московского общества испытателей природы. Отдел геологии, 1983, т.58, вып.3, с.42-47. ТРЕГУБ А.И. Разрывные нарушения в фундаменте и осадочном чехле территории воронежского кристаллического массива. Вестник Воронежского университета. Геология. 2000. Вып.5 (10), с.7-15.
Адрес для переписки:
01014, Украина, г. Киев-14, а/я 51, Б.М.Гущину
|
(72) Автор(ы):
Гущин Борис Михайлович (UA)
(73) Патентообладатель(и):
Гущин Борис Михайлович (UA)
|
(54) КОСМОСЕЙСМОФАЦИАЛЬНЫЙ СПОСОБ ПОСТРОЕНИЯ БЛОКОВОЙ МОДЕЛИ ГЕОЛОГИЧЕСКОГО СТРОЕНИЯ ОСАДОЧНОГО ЧЕХЛА
(57) Реферат:
Изобретение относится к способам создания геологических моделей и может быть использовано для выбора оптимального варианта размещения скважин для добычи углеводородного сырья. Сущность: в процессе дешифрирования аэрокосмоснимков выделяют линеаменты. Анилизируют их глубинное отражение на временных сейсмических разрезах. Картируют систему вертикальных в разрезе прямолинейных субпараллельно ориентированных в субмеридиональном, субширотном, северно-западном и северо-восточном направлениях разрывно-флексурных нарушений. Подразделяют их для каждого структурного яруса на конседиментационные и постседиментационные. Конседиментационными нарушениями оконтуривают сейсмофации, а также границы структурно-фациальных зон, в пределах которых устанавливают соответствие сейсмофации геологическим фациям. Выделяют фации, обладающие коллекторскими свойствами. Намечают границы структурных и неструктурных ловушек, наиболее благоприятных для заложения нефтегазопоисковых и эксплуатационных скважин. Технический результат: создание достоверной модели геологического строения осадочного чехла за счет более точного определения положения продуктивных пластов и более точного определения границ залежей углеводородов. 1 ил.
Предлагаемое изобретение относится к аэрокосмогеологическим и геофизическим способам создания геологических моделей и может быть использовано при проведении геологоразведочных работ и в дальнейшем выборе оптимального варианта размещения эксплуатационных скважин, который позволяет при минимальном их числе добывать максимальное количество углеводородного сырья.
Известный способ, применяемый для получения данных о геологической модели, сводится к построению структурных карт и карт эффективных нефтегазонасыщенных толщин интерполяцией данных, полученных буровыми и сейсморазведочными работами [1].
Недостатки способа [1]:
– при построении структурных карт принимается, что между точками с известными абсолютными отметками глубин происходит плавное, без резких градиентных перегибов, изменение их значений, что не позволяет картировать гидродинамически разобщенные блоки;
– при составлении карт эффективных нефтегазонасыщенных толщин по результатам бурения считается, что смена фильтрационно-емкостных свойств (ФЕС) коллекторов между скважинами происходит постепенно, что исключает возможность достоверного установления границ выклинивания коллекторов, в результате чего часть пробуренных по интерполяционным данным скважин попадает в зоны отсутствия коллекторов или ниже водонефтяного (ВНК) и водогазового (ВГК) контактов, а остальные не обеспечивают оптимальный режим эксплуатации месторождения.
В предлагаемом способе рассматривается методика картирования границ, которые разделяют месторождения на блоки, а также проходят между структурно-фациальными зонами с выделением среди них зон коллекторов с различными ФЕС. Этими границами являются разрывно-флексурные нарушения (РФН).
Отличительной чертой нефтегазоносных провинций как молодых (типа Западно-Сибирской), так и древних (типа Днепровско-Донецкой) платформ является расчленение их вертикальными РФН, которые имеют дизъюнктивное выражение в фундаменте и пликативное – в осадочном чехле. Изучение фундамента потенциальными геофизическими и КМПВ методами установило, что разрывные нарушения его имеют субширотное, субмеридиональное, северо-восточное и северо-западное простирания [2]. Нарушения каждой из названных систем имеют параллельную ориентировку. Аналогичной закономерностью в ориентированности и взаимопараллельности характеризуются также системы линеаментов, которые дешифрируются на аэрокосмоснимках, что подтверждает перемещения блоков осадочного чехла (которые продолжаются и до настоящего времени) по вертикальным нарушениям, идущим от фундамента.
Основным недостатком аэрокосмогеологических исследований нефтегазопоисковой направленности является отсутствие анализа выраженности линеаментов на временных сейсмических разрезах (ВСР), что приводит некоторых исследователей к выводу о соответствии линеаментов не РФН, а зонам разуплотнения [3].
Перерва В.М. [4] предложил геофлюидодинамический способ прогнозирования высокопроницаемых порово-трещинных коллекторов, которые приурочиваются к узлам пересечениям линеаментов. Основной сложностью при реализации способа является полная неясность в выборе нефтегазопоисковых объектов в связи с наличием на космоснимках большого количества узлов пересечения линеаментов, а также отсутствие указаний на стратиграфическую привязку прогнозируемых коллекторов.
До недавнего времени при аэрокосмогеологических исследованиях прогнозирование залежей углеводородов проводилось методом выделения на снимках фотоаномалий и морфоаномалий [5]. При использовании первого из них в качестве эталона принималось изображение на космоснимках участка земной поверхности, в пределах которого на глубине были найдены залежи углеводородов; прогнозирование нефтегазоперспективных объектов сводилось к поиску участков с аналогичным изображением на снимках. Способ морфоаномалий заключался в поиске участков земной поверхности, испытывающих положительные неотектонические деформации, которые, как предполагалось, должны отображать положительные глубинные структуры.
Недостатки вышеназванных способов – недоучет многоярусности строения осадочного чехла, в котором структуры основных нефтегазопродуктивных горизонтов не соответствуют структурам верхнего яруса, предопределившего формы рельефа и, соответственно, фотоизображение.
До настоящего времени в практике сейсморазведочных работ MOB основным критерием выделения разрывного (дизъюнктивного) нарушения является смещение осей синфазности [6], которое в случае малоамплитудного нарушения, в связи с недостаточной разрешающей способностью стандартных методов (20-30 м), визуально не фиксируется. Известно, что глубинные разрывные нарушения фундамента вверх по разрезу осадочного чехла сменяются флексурами, а еще выше выражены в виде перегибов пластов. На основании этого в предлагаемом автором способе на ВСР выделяются и картируются как оси РФН, так и оси перегибов горизонтов (ОПГ). Конседиментационные нарушения, которые активизировались во время осадконакопления определенного структурного яруса, были границами структурно-фациальных зон, различающихся типами литологического разреза, в связи с чем на ВСР они находят отражение в виде границ между сейсмофациями. Выделение и прослеживание границ сейсмофаций является составной частью способа картирования РФН.
При изучении временных разрезов практически все исследователи однозначно отмечают РФН в пределах отдельного отражающего горизонта, но при анализе комплексов отражающих горизонтов начинаются расхождения в изображении нарушений, рассекающих их.
Обычно на разрезах изображают наклонные нарушения, которые проходят через точки наибольшей амплитуды смещения смежных горизонтов. При этом часто не учитывается тот факт, что наибольшая амплитуда наблюдается в точках пересечения нескольких нарушений упомянутых выше направлений (северо-восточного, северо-западного, субширотного и субмеридионального). Недооценка этого же фактора при трассировании нарушений между смежными временными разрезами приводит к появлению на картах нарушений извилистой формы и произвольного направления.
Разработанное автором изобретение – космосейсмофациальный способ построения блоковой модели геологического строения осадочного чехла на основе геологической интерпретации результатов сейсморазведочных работ предусматривает нижеприведенное поэтапное выполнение работ.
1. Дешифрирование аэрокосмических снимков или топографических карт с целью выделения линеаментов.
2. Анализ выраженности линеаментов на временных сейсмических разрезах (ВСР) при работе с материалами сейсморазведки 2D или на вертикальных пересечениях куба (ВПК) – при работе с материалами сейсморазведки 3D.
3. Картирование РФН, выделенных в результате совместного анализа линеаментов и временных разрезов.
4. Выделение на разрезах РФН, которые не проявились на дневной поверхности в виде линеаментов, и трассирование их параллельно одной из систем нарушений, откартированных на предшествующем этапе.
Проведенные автором исследования в районах Западно-Сибирской нефтегазоносной провинции, а также Северной и Южной прибортовых зон Днепровско-Донецкой впадины (ДДВ), показали, что не только нарушения фундамента, а и осадочного чехла имеют субширотное, субмеридиональное, северо-восточное и северо-западное простирания, которые определили соответствующую ориентировку ограниченных ими приподнятых и опущенных зон. Взаимное пересечение приподнятых зон формирует положительные структуры осадочного чехла, отрицательных зон – прогибы, разнонаправленных зон – структуры, знак которых зависит от знака алгебраической суммы амплитуд пересекающихся зон.
Активизация перемещений фундамента и осадочного чехла по каждой из названных систем обусловила формирование определенных структурных этажей.
Конседиментационные нарушения, активизировавшиеся в момент отложения осадков конкретного структурного этажа, контролировали границы структурно-фациальных зон, гипсометрическое положение которых относительно уровней бассейнов осадконакопления и областей сноса определяло гранулометрический состав осадков, большую или меньшую заглинизированность терригенного материала песчанистой размерности, то есть коллекторские свойства. В случае карбонатного осадконакопления РФН обуславливали границы структурно-фациальных зон биогермных сооружений и рифов, а также зон, различающихся мощностью или характером напластования карбонатного материала, примесью или наличием прослоев терригенных пород.
Постседиментационные РФН, нарушая целостность пластов системами трещиноватости, формировали вторичные коллекторы. Основная роль постседиментационных РФН заключается в том, что по ним закладывались границы относительно приподнятых и опущенных блоков, часто гидродинамически разобщенных, с различными отметками ВНК и ВГК.
Очень важно при построении блоковых моделей осадочного чехла многоярусного строения учитывать, что активизация перемещений чехла и фундамента по РФН происходила в разное время и многофазово, то есть одно и то же РФН может быть для нижнего структурного яруса конседиментационным, для вышезалегающего – постседиментационным, активизировавшись в более высоких ярусах, то есть приобретая снова статус конседиментационного.
Пятым этапом космосейсмофациальных исследований является градация нарушений на конседиментационные и постседиментационные. Конседиментационные нарушения в пределах структурного яруса, где они контролировали границы сейсмофациальных зон, прослеживаются наиболее четко; именно прямолинейность этих РФН является наиболее весомым аргументом в пользу вертикальности, так как общеизвестно, что только вертикальные нарушения на земной поверхности прослеживаются в виде прямых линий.
Шестым этапом является выделение и картирование сейсмофаций, границами которых являются конседиментационные РФН.
Седьмой этап – анализ сейсмофаций с целью установить соответствие их геологическим фациям, что упрощается, если в пределах исследуемой площади пробурена скважина, вскрывшая выделенные сейсмофаций; в противном случае по методу аналогии на соседних, более изученных площадях, находят подобные сейсмофаций, охарактеризованные скважинными исследованиями.
Восьмой этап – выделение сейсмофаций, имеющих коллекторские свойства (СФК).
Девятый этап – выяснение структурного положения сейсмофаций, имеющих коллекторские свойства. Для этого определяют относительное гипсометрическое положение блока, в пределах которого размещена СФК. Это дает анализ направления погружения или смещения отражающих горизонтов по конседиментационным и постседиментационным РФН, ограничивающих блок. Относительно приподнятые СФК или их части выделяются в качестве структурных прогнозных объектов. Неструктурные объекты выделяются в случае, если СФК имеют наклонное моноклинальное залегание. В этом случае прослеживают СФК вверх по азимуту падения до его экранирования. Экранирующим может быть РФН, ограничивающее зону замещения СФК фациями, лишенными коллекторских свойств, или РФН с амплитудой смещения, превышающей мощность СФК. Границы неструктурных объектов могут заключать только верхние (выше ВНК и ВГК) части СФК, поднимаясь по моноклинали и включая сейсмофаций с возможно худшими коллекторскими свойствами вплоть до их фациального или дизъюнктивного экранирования.
Все вышеприведенные этапы (кроме первого) можно проводить после корреляции пластов, изучаемых на предмет их возможной нефтегазоперспективности.
Преимущества предложенного изобретения – способ построения геологической модели строения осадочного чехла, по сравнению с известными заключаются в следующем:
1. До настоящего времени трассирование РФН между ВСР предопределялось интуитивными особенностями каждого интерпретатора, а на структурных картах нарушения обычно имеют вид извилистых линий. При разработке космосейсмофациального способа установлено, что в пределах платформ нарушения вертикальны в разрезе, а на поверхности имеют вид прямых линий, субпараллельно ориентированных в субмеридиональном, субширотном, северо-восточном и северо-западном направлениях. Таким образом, возникает необходимость переинтерпретации ранее выделенных нарушений.
2. Впервые показано, что геологическое строение осадочного чехла как в структурном, так и в литологическом выражении контролируется РФН. Цитологический контроль проявляется в ограничении нарушениями структурно-фациальных зон, различающихся типами литологического разреза. Эти границы значительно точнее изопахит карт нефтегазонасыщенных толщин, выделенных методом интерполяции. В структурном отношении первостепенное значение имеет определение относительного гипсометрического положения смежных блоков. При создании структурных карт способом интерполяции границы между блоками нечеткие, а чаще совсем отсутствуют. При применении космосейсмофациального способа эти границы четко прослеживаются по РФН, направления смещений по которым позволяют выделять относительно поднятые и опущенные блоки.
Техническим результатом изобретения является усовершенствование методики создания достоверной модели геологического строения осадочного чехла для успешного проведения геологоразведочных работ, выделения нефтегазоперспективных объектов и дальнейшего выбора оптимального варианта размещения скважин.
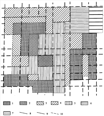
Графическим выражением технического результата, например, может быть карта. Осуществление способа объясняется чертежом, где изображена “Блоковая космосейсмофациальная модель девонского подсолевого комплекса Богатойской площади”. При создании названной карты установлено, что литологический состав отложений подсолевого комплекса предопределялся приуроченностью к структурно-фациальным зонам с различными условиями осадконакопления, границы которых контролировались РФН. Из четырех систем нарушений (субмеридиональная, субширотная, северо-восточная и северо-западная) конседиментационными, то есть такими, которые активно проявили себя в период осадконакопления франского века, были нарушения северо-восточного и северо-западного направлений. В связи с этим на “Блоковой космосейсмофациальной модели ” нанесены только РФН северо-западного и северо-восточного направлений.
Условными обозначениями на чертеже показаны: а) предполагаемые фации рифового и зарифового комплексов:
1 – органогенных известняков массивных неяснослоистых;
2 – органогенных известняков, прослоенных терригенными породами;
3 – склоновых частей органогенных сооружений рифового типа;
4 – склоновых частей органогенных сооружений;
5 – прибрежных маломощных биогермов;
6 – склоновых частей биогермов;
7 – лагунных терригенно-карбонатных переслаивающихся фаций; б) элементы залегания:
8 – направление погружения или смещения отражающих горизонтов;
9 – четкое разрывное нарушение со смещением;
10 – РФН северо-западного и северо-восточного простираний.
На исследованной площади коллекторские свойства характерны для карбонатных пород, среди которых органогенные известняки массивные неяснослоистые имеют лучшие ФЕС, в связи с чем блоки, сложенные ими, рекомендуется разбуривать в первую очередь. При выделении первоочередных объектов, сложенных массивными известняками, принимаются во внимание их мощность и форма залегания (структурное положение).
Эффективность предложенного способа была подтверждена результатами бурения на Мыльджинском нефтегазоконденсатном месторождении (запасы 100 млрд.м3) Томской области (разрабатывается ОАО «ТомскГАЗПРОМ»), площадях деятельности объединения «Лангепаснефтегаз» Тюменской области (в настоящее время входит в состав «ЛУКОЙЛ») и других нефтегазодобывающих предприятий Западной Сибири.
Вышеизложенное показывает, что космосейсмофациальный способ позволяет создавать тектонофациальные карты, содержащие больше информации, чем традиционные структурные карты и карты нефтегазонасыщенных толщин вместе взятые. Поэтому актуальной является необходимость широкого использования предложенного способа в процессе геологической интерпретации результатов сейсморазведочных работ для практически безошибочного оконтуривания нефтегазоперспективных объектов и дальнейшего выбора оптимального варианта размещения эксплуатационных скважин, который позволит минимальным их числом добывать максимальное количество углеводородного сырья.
Обобщая приведенные материалы, можно сделать вывод, что поставленная задача изобретения – разработка космосейсмофациального способа построения блоковой модели геологического строения осадочного чехла на основе комплексной интерпретации материалов сейсморазведки и аэрокосмогеологических данных, решена.
Литература
1. Абрикосов И.Х., Гутман И.С.Общая нефтяная и нефтепромысловая геология. – М.: Недра, 1982. – 272 с.
2. Тяпкин К.Ф. Изучение разломных и складчатых структур докембрия геолого-геофизическими методами. – Киев: Наукова думка, 1986. – 168 с.
3. Перерва В.М. Вероятная природа линеаментов, выявляемых аэрокосмическими методами. Геол. журн. 1999. – 1. – С.66-76.
4. Перерва В.М. Патент Украины 56475, G01V 9/00, 15.05.2003. Бюл. 5.
5. Временные методические рекомендации по аэрокосмогеологическим исследованиям и использованию их результатов при нефтегазопоисковых работах. Готынян B.C., Кострюков М.И., Лаврусь В.П. и др. Институт геологии и разработки горючих ископаемых. Министерство нефтяной промышленности. А.Н.СССР. – М., 1987. – 158 с.
6. Шерифф Р., Гелдарт Л. Сейсморазведка, т.2. – Мир, 1987.
Формула изобретения
Космосейсмофациальный способ построения блоковой модели геологического строения осадочного чехла, включающий дешифрирование линеаментов на аэрокосмоснимках, анализ временных сейсмических разрезов (ВСР), результатов бурения с созданием тектоносейсмофациальных карт и выделением нефтегазоперспективных объектов, отличающийся тем, что линеаменты выделяют в процессе дешифрирования аэрокосмоснимков, выполняют анализ их глубинного отражения на ВСР, картируют систему вертикальных в разрезе прямолинейных субпараллельно ориентированных в субмеридиональном, субширотном, северо-западном и северо-восточном направлениях разрывнофлексурных нарушений, подразделяют их для каждого структурного яруса на конседиментационные и постседиментационные, конседиментационными нарушениями оконтуривают сейсмофации, эти же конседиментационные нарушения являются границами геологических структурно-фациальных зон, в пределах которых устанавливают соответствие сейсмофации геологическим фациям, выделяют фации, обладающие коллекторскими свойствами, намечают границы структурных и неструктурных ловушек, наиболее благоприятных для заложения нефтегазопоисковых и эксплуатационных скважин.
РИСУНКИ
|