|
|
(21), (22) Заявка: 2008137864/28, 22.09.2008
(24) Дата начала отсчета срока действия патента:
22.09.2008
(46) Опубликовано: 10.04.2010
(56) Список документов, цитированных в отчете о поиске:
RU 2263332 C1, 27.10.2005. RU 2240583 C1, 20.11.2004. RU 2237913 C1, 10.10.2004. RU 2159449 C1, 20.11.2000. CS 8601306 A1, 15.02.1988.
Адрес для переписки:
115304, Москва, ул. Луганская, 9, ФГУП НИИИТ
|
(72) Автор(ы):
Правдин Николай Михайлович (RU), Чистяков Валерий Алексеевич (RU)
(73) Патентообладатель(и):
Федеральное государственное унитарное предприятие “Научно-исследовательский институт импульсной техники” (ФГУП НИИИТ) (RU)
|
(54) СЕЙСМОМЕТР
(57) Реферат:
Изобретение относится к области геофизического приборостроения и может быть использовано для гравиинерциальных измерений. Сущность: сейсмометр содержит основание, на котором посредством двух упругих опор и кронштейна установлены две соединенные встречно магнитные системы. Магнитные системы состоят из последовательно соединенных цилиндрических магнитопровода, постоянного магнита и полюсного наконечника. На каркасе в зазоре магнитных систем размещена катушка. Катушка соединена с выходом первого усилителя. В основании соосно с продольной осью магнитных систем посредством резьбы закреплены два магнитных стержня. Магнитные стержни помещены коническими концами в отверстия на торцевых частях магнитных систем. На основании расположены светодиод и двухплощадочный фотодиод, составляющие оптический датчик перемещений. Выходные электроды площадок фотодиода соединены соответственно с двумя входами первого усилителя. Между фотодиодом и светодиодом на магнитопроводах установлена плоская щелевая диафрагма. С первым магнитным стержнем через второй редуктор соединен мотор-редуктор. Также устройство содержит коммутатор, генератор, фазочувствительный выпрямитель, низкочастотный фильтр, усилитель-ограничитель, разрезную немагнитную втулку. Причем генератор и фазочувствительный выпрямитель соединены последовательно. Низкочастотный фильтр своим входом соединен с выходом фазочувствительного выпрямителя, а выходом – с входом мотор-редуктора. Усилитель-ограничитель, введенный в устройство с целью преобразования выходного напряжения с оптического датчика перемещений в прямоугольные импульсы, своими выходами соединен с двумя входами первого усилителя и со вторым входом фазочувствительного выпрямителя. Вход коммутатора соединен с выходом генератора, а выход – со вторым входом катушки. Разрезная немагнитная втулка своими концами жестко соединена с первым и вторым стержнями, которые выполнены из магнитомягкого материала. Технический результат – повышение точности измерений за счет введения системы дистанционного регулирования периода свободных колебаний маятника сейсмометра. 2 ил.
Изобретение относится к измерительной технике, в частности к области гравиинерциальных измерений, а именно к сейсмометрии.
Известен сейсмометр (см., например, “Сейсмические приборы”, М.: Наука, 1975, вып.8, с.13-18), содержащий: основание, на котором посредством двух упругих элементов установлены инертная масса и катушка; магнитную систему, включающую последовательно соединенные магнитопровод, постоянный магнит и полюсный наконечник, причем катушка помещена в рабочем зазоре между магнитопроводом и полюсным наконечником, а также винтовую пружину, прикрепленную одним концом к основанию, а другим к инертной массе.
Этот сейсмометр не обеспечивает высокие метрологические характеристики, т.к. отсутствие в нем датчика перемещений инертной массы делает невозможным создание прибора с эффективными отрицательными обратными связями.
Известен сейсмометр (см., например, Трифонов Н.В. “Станция сейсмическая многоканальная”, сборник “Сейсмические приборы” вып.17, М.: Наука, ИФЗ АН СССР, 1985), содержащий: основание, на котором посредством двух упругих элементов установлены инертная масса и катушка; магнитную систему, включающую последовательно соединенные магнитопровод, постоянный магнит и полюсный наконечник, причем катушка помещена в рабочем зазоре между магнитопроводом и полюсным наконечником; винтовую пружину, прикрепленную одним концом к основанию, а другим к инертной массе, емкостной датчик перемещений, выходной электрод которого соединен с инертной массой, а два электрода возбуждения – с основанием; генератор синусоидальных электрических колебаний, два выхода которого соединены с электродами возбуждения емкостного датчика; усилитель, соединенный первым входом с выходным электродом емкостного датчика, вторым входом – с выходами генератора синусоидальных колебаний, а выходом – с катушкой.
Этот сейсмометр содержит отрицательную обратную связь, в состав которой входят емкостной датчик перемещений, усилитель и катушка, и обеспечивает более высокие метрологические характеристики, но имеет значительные габариты, обусловленные тем, что инертная масса, магнитная система, емкостной датчик перемещений и пружина выполнены на отдельных конструктивных элементах.
Известен сейсмометр (см. патент RU 2159449, 1999 г., кл. G01V 1/16), содержащий основание с цилиндрическим диэлектрическим корпусом, внутри которого помещены две соединенные встречно и изолированные одна от другой диэлектрической прокладкой магнитные системы из последовательно соединенных цилиндрического магнитопровода, постоянного магнита и полюсного наконечника; катушку, размещенную на каркасе в зазоре магнитных систем; диэлектрический кронштейн, соединенный с основанием посредством двух упругих опор, жестко соединяющий между собой обе магнитные системы; три цилиндрических выходных электрода емкостного датчика, размещенных на внутренней поверхности корпуса; усилитель; генератор синусоидальных колебаний, соединенный двумя выходами с магнитными системами и с двумя входами первого усилителя, выход которого соединен с катушкой, и два магнитомягких стержня, закрепленных в диэлектрическом корпусе, соосно с продольной осью магнитных систем и помещенных коническими концами в отверстиях на торцевых частях магнитных систем. Инертная масса сейсмометра состоит из двух магнитных систем и кронштейна, соединяющего их. В этом сейсмометре емкостной датчик перемещений образован тремя выходными электродами, расположенными на внутренней поверхности диэлектрического цилиндрического корпуса и двумя входными возбуждающими электродами, в качестве которых используются две соединенные встречно и изолированные друг от друга магнитные системы. В сравнении с указанными выше данный сейсмометр обладает более высокими метрологическими характеристиками и меньшими габаритами.
Недостаток этого технического решения заключается в низком уровне отношения сигнал-шум на его выходе и соответственно в его низкой точности, обусловленной наличием токоподводов для соединения магнитных систем с выходами генератора, а также невозможностью дистанционного регулирования положения инертной массы (двух магнитных систем) относительно корпуса при изменении его положения относительно вертикали или изменения параметров сейсмометра при эксплуатации, что приводит к уменьшению динамического диапазона измерения и, как следствие, уменьшению точности.
Наличие токоподводов к инертной массе сейсмометра, образованной двумя магнитными системами, приводит к возникновению моментов сил упругости вокруг оси поворота инертной массы и понижению точности сейсмометра. Отсутствие системы дистанционного управления положением инертной массы относительно корпуса приводит к появлению на выходе сейсмометра постоянного напряжения, значение которого обуславливается изменением условий эксплуатации: отклонением корпуса сейсмометра от вертикали; изменением температуры внешней среды и температуры внутри сейсмометра; изменением внешнего давления и т.д., а также изменением параметров сейсмометра при его эксплуатации.
При этом диапазон измерения уменьшается согласно зависимости

где Umax – максимальное значение выходного напряжения на выходе сейсмометра;
– постоянная составляющая выходного напряжения сейсмометра при изменении условий эксплуатации.
Из (1) следует, что при =100%, а при =<100%. Кроме того, при больших уровнях внешних воздействий от изменения условий эксплуатации и сейсмометр потеряет работоспособность.
Наиболее близким по технической сущности к прилагаемому техническому решению является сейсмометр (см. патент RU 2263332, класс G01V 1/16).
Этот сейсмометр содержит основание, на котором посредством двух упругих опор и кронштейна установлены две соединенные встречно магнитные системы, состоящие из последовательно соединенных цилиндрического магнитопровода, постоянного магнита и полюсного наконечника; катушку, размещенную на каркасе в зазоре магнитных систем; первый усилитель, выход которого соединен с катушкой; два магнитных стержня, закрепленных посредством резьбы в основании соосно с продольной осью магнитных систем и помещенных коническими концами в отверстия на торцевых частях магнитных систем, отличается тем, что он дополнительно содержит светодиод и двухплощадочный фотодиод, расположенные на основании так, что их продольные оси симметрии параллельны оси поворота магнитных систем в упругих опорах, причем выходные электроды площадок фотодиода соединены соответственно с двумя входами первого усилителя; плоскую щелевую диафрагму, установленную между фотодиодом и светодиодом на магнитопроводах так, что ее плоскость параллельна площадкам фотодиода; мотор-редуктор, соединенный через второй редуктор с первым магнитным стержнем; последовательно соединенные интегратор, коммутатор и второй усилитель, соединенный выходом со входом мотор-редуктора; первый вход интегратора соединен с выходом первого усилителя, а второй вход – со вторым выходом коммутатора. Такое выполнение сейсмометра позволяет исключить токоподводящие проводники к инертной массе и осуществлять дистанционное управление положением инертной массы и, как следствие, повысить точность измерения.
Недостаток прототипа заключается в том, что он не обеспечивает возможности регулирования периода свободных колебаний маятника при выпуске из производства и при его эксплуатации.
Техническим результатом, обеспечиваемым заявленным изобретением, является повышение, как следствие, точности измерения, обусловленное введением системы дистанционного регулирования периода свободных колебаний маятника сейсмометра.
Технический результат достигается тем, что в сейсмометр, содержащий основание, на котором посредством двух упругих опор и кронштейна установлены две соединенные встречно магнитные системы, состоящие из последовательно соединенных цилиндрического магнитопровода, постоянного магнита и полюсного наконечника; катушку, размещенную на каркасе в зазоре магнитных систем; первый усилитель, выход которого соединен с катушкой; два магнитных стержня, закрепленных посредством резьбы в основании соосно с продольной осью магнитных систем и помещенных коническими концами в отверстиях на торцевых частях магнитных систем; светодиод и двухплощадочный фотодиод, расположенные на основании так, что их продольные оси симметрии параллельны оси поворота магнитных систем в упругих опорах, причем выходные электроды площадок фотодиода соединены соответственно с двумя входами первого усилителя; плоскую щелевую диафрагму, установленную между фотодиодом и светодиодом на магнитопроводах так, что ее плоскость параллельна площадкам фотодиода; мотор-редуктор, соединенный через второй редуктор с первым магнитным стержнем; коммутатор; дополнительно введены последовательно соединенные генератор и фазочувствительный выпрямитель, низкочастотный фильтр, соединенный входом с выходом фазочувствительного выпрямителя, а выходом со входом мотор-редуктора; усилитель-ограничитель, соединенный двумя выходами с двумя входами первого усилителя, а выходом со вторым входом фазочувствительного выпрямителя; а также разрезная немагнитная втулка, соединенная жестко своими концами с первым и вторым стержнями, которые выполнены из магнитомягкого материала; при этом вход коммутатора соединен с выходом генератора, а выход – со вторым входом катушки.
Такое выполнение сейсмометра позволяет подстраивать период свободных колебаний маятника сейсмометра с помощью системы дистанционного регулирования, содержащей генератор, фазочувствительный выпрямитель, коммутатор, низкочастотный фильтр и разрезную немагнитную втулку.
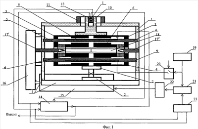
На фигуре 1 представлена электрокинематическая схема сейсмометра. Приняты обозначения: 1 – основание; 2 – две упругие опоры; 3 – цилиндрические магнитные системы; 4 – цилиндрический магнитопровод; 5 – постоянные магниты; 6 – полюсные наконечники; 7 – кронштейн; 8 – катушка; 9 – каркас; 10 – щелевая диафрагма; 11 – оптический датчик перемещений; 12 – светодиод; 13 – двухплощадочный фотодиод; 14 – первый усилитель; 15 – мотор-редуктор; 16 – второй редуктор; 17/ – 17 – магнитные стержни; 18 – разрезная втулка; 19 – генератор; 20 – коммутатор; 21 – фазочувствительный выпрямитель; 22 – низкочастотный фильтр; 23 – усилитель-ограничитель.
Сейсмометр содержит основание 1, на котором посредством двух упругих опор 2 закреплены две магнитные системы 3, включающие в себя последовательно соединенные цилиндрический магнитопровод 4, постоянный магнит 5 и полюсный наконечник 6. Две магнитные системы 3 соединены между собой кронштейном 7 и образуют инертную массу сейсмометра. Внутри магнитных систем помещена катушка 8, расположенная на каркасе 9. На внешней части магнитных систем на максимальном расстоянии от оси поворота упругих опор 2 закреплена щелевая диафрагма 10. Оптический датчик перемещений 11 содержит светодиод 12 и двухплощадочный фотодиод 13, закрепленные на основании так, что световой поток светодиода направлен перпендикулярно плоскости диафрагмы 10 и плоскости обеих площадок фотодиода 13. При повороте инертной массы сейсмометра щелевая диафрагма, перемещаясь, перераспределяет световой поток между площадками фотодиода. В результате фото-ЭДС с площадок становится неодинаковой. Первый усилитель 14 усиливает эту разность сигналов и формирует сигнал отрицательной обратной связи, подаваемый в катушку 8. На основании 1 установлен мотор-редуктор 15, выходной вал которого соединен с входом второго редуктора 16, выходная шестерня которого соединена с первым и вторым магнитными стержнями 17/ и 17, связанными с основанием посредством резьбовых соединений, а между собой разрезной немагнитной втулкой 18. Управление мотор-редуктором 15 и, следовательно, глубиной погружения магнитных стержней 17/ и 17в магнитную систему 3 осуществляется посредством разрезной втулки 18, генератора 19, коммутатора 20, фазочувствительного выпрямителя 21, низкочастотного фильтра 22 и усилителя-ограничителя 23. Стержень 17/ установлен в корпусе на правой, а стержень 17 на левой резьбе.
Сейсмометр работает следующим образом. При движении основания 1 происходит перемещение двух магнитных систем 3 и 4, образующих инертную массу сейсмометра, а также закрепленной на ней щелевой диафрагмы 10 относительно основания. Эти перемещения преобразуются оптическим датчиком 11 в электрический сигнал, который после усиления в первом усилителе 14 поступает на выход сейсмометра и в катушку 8 обратной связи. В первом усилителе 14 осуществляется также формирование сигналов по перемещению, скорости и интегралу от измеренного оптическим датчиком перемещения инертной массы относительно основания 1. Таким образом формируется требуемая амплитудно-частотная характеристика сейсмометра.
Изменение амплитудно-частотной характеристики осуществляется в процессе эксплуатации посредством системы дистанционного регулирования, включение которой осуществляется оператором посредством подключения через коммутатор 20 генератора 19 к катушке 8 и возбуждения в сейсмометре колебаний на частоте генератора. Перемещения инертной массы 3 посредством силы, создаваемой катушкой 8, измеряются оптическим датчиком перемещений 11, выходное напряжение которого преобразуется в прямоугольные импульсы усилителем-ограничителем 23, и поступают на сигнальный (второй) вход фазочувствительного выпрямителя 21, на первый (опорный) вход которого поступает напряжение с генератора 19.
На выходе фазочувствительного выпрямителя 21 формируется постоянное напряжение

где Uy=const – напряжение на выходе усилителя-ограничителя 23; =2 fr; fr – частота напряжения на выходе генератора 19; – фазовый сдвиг между напряжениями на выходе генератора 19 и выходе усилителя-ограничителя 23.
Низкочастотный фильтр 22 сглаживает пульсации напряжения, поступающего с выхода фазочувствительного выпрямителя 21. Напряжение на выходе фильтра 22 Uф>0, если фазовый сдвиг > /2, и Uф<0, если < /2. При = /2 напряжение Uф=0. Под действием напряжения Uф мотор-редуктор через второй редуктор вращает первый стержень 17/ либо вправо при Uф>0, либо влево при Uф<0. При этом стержни 17/ и 17 сближаются при Uф>0 и удаляются друг от друга при Uф<0. Это обусловлено тем, что стержни 17/ и 17 установлены в корпусе сейсмометра в правой и левой резьбе соответственно. При одновременном вращении стержней 17/ и 17, соединенных между собой разрезной втулкой 18, они будут либо сближаться, либо удаляться друг от друга.
Суммарная сила, действующая на инертную массу, состоящую из магнитных систем 3, 4, полюсных наконечников 6 и магнитов 5, соответствует F на фигуре 2. Где xо – начальное смещение стержней 17/ и 17, x – текущее смещение инертной массы относительно корпуса, F1, F2 – усилия, создаваемые первым и вторым стержнями соответственно.
Из фигуры 2 следует, что при уменьшении начального смещения xо суммарное усилие F уменьшается, а при увеличении xо она возрастает.
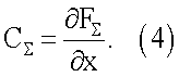
Период свободных колебаний маятника

где mм – значение инертной массы маятника; Cn, C – соответственно коэффициенты линейной жесткости упругого подвеса сейсмометра (вместе с пружиной вывешивания вертикального сейсмометра) и магнитной пружины, состоящей из стержней 17/ и 17, магнитных систем 3 и 4.
При этом

Таким образом, из (3) и (4) следует, что, изменяя взаимное положение стержней 17/ и 17, коэффициент линейной жесткости магнитной пружины С либо увеличивается, либо уменьшается. Соответственно уменьшается или увеличивается период свободных колебаний сейсмометра в соответствии с зависимостями (3), (4) и изменяется амплитудно-частотная характеристика сейсмометра, сдвигаясь в область низких или высоких частот.
Положение равновесия Uф=0 наступает при равенстве частоты генератора fr и частоты свободных колебаний маятника fo. В этом случае фазовый сдвиг = /2 и Uф=0 и процесс подстройки частотной характеристики сейсмометра заканчивается.
Таким образом введение системы дистанционного регулирования периода свободных колебаний маятника сейсмометра позволяет регулировать период свободных колебаний маятника при выпуске из производства и при его эксплуатации и, как следствие, повышает точность измерений.
ЛИТЕРАТУРА
1. «Сейсмические приборы», М.: Наука 1975 г., вып.8, с.13-18.
2. Трифонов Н.В. Сейсмическая станция ССМ. Техническое описание, М.: ИФЗ РАН, 80.
3. Патент RU 2159449, 1999 г., кл. G01V 1/16.
Формула изобретения
Сейсмометр, содержащий основание, на котором посредством двух упругих опор и кронштейна установлены две соединенные встречно магнитные системы, состоящие из последовательно соединенных цилиндрического магнитопровода, постоянного магнита и полюсного наконечника; катушку, размещенную на каркасе в зазоре магнитных систем; первый усилитель, выход которого соединен с катушкой; два магнитных стержня, закрепленных посредством резьбы в основании соосно с продольной осью магнитных систем и помещенных коническими концами в отверстия на торцевых частях магнитных систем; оптический датчик перемещений, состоящий из светодиода и двухплощадочного фотодиода, расположенных на основании так, что их продольные оси симметрии параллельны оси поворота магнитных систем в упругих опорах, причем выходные электроды площадок фотодиода соединены соответственно с двумя входами первого усилителя; плоскую щелевую диафрагму, установленную между фотодиодом и светодиодом на магнитопроводах так, что ее плоскость параллельна площадкам фотодиода; мотор-редуктор, соединенный через второй редуктор с первым магнитным стержнем; коммутатор, отличающийся тем, что дополнительно введены последовательно соединенные генератор и фазочувствительный выпрямитель, низкочастотный фильтр, соединенный входом с выходом фазочувствительного выпрямителя, а выходом – со входом мотор-редуктора; усилитель-ограничитель, преобразующий выходное напряжение с оптического датчика перемещений в прямоугольные импульсы, соединенный выходами с двумя входами первого усилителя и со вторым входом фазочувствительного выпрямителя; а также разрезная немагнитная втулка, соединенная жестко своими концами с первым и вторым стержнями, которые выполнены из магнитомягкого материала; при этом вход коммутатора соединен с выходом генератора, а выход – со вторым входом катушки.
РИСУНКИ
|
|