|
|
(21), (22) Заявка: 2008144388/28, 10.11.2008
(24) Дата начала отсчета срока действия патента:
10.11.2008
(46) Опубликовано: 10.04.2010
(56) Список документов, цитированных в отчете о поиске:
SU 993974 A1, 07.02.1983. SU 418765 A1, 05.03.1974. SU 1059488 A1, 07.12.1983. RU 2312324 C2, 10.12.2007. GB 1126356 A, 05.09.1968.
Адрес для переписки:
420107, г.Казань, ул. Эсперанто, 62, кв.56, ООО “Инженерно-внедренческий центр “ИНЖЕХИМ”, М.И. Фарахову
|
(72) Автор(ы):
Фарахов Мансур Инсафович (RU), Шигапов Ильяс Масгутович (RU), Ахлямов Марат Наильевич (RU), Байгузин Фархад Абдряуфович (RU), Нигматов Руслан Робертович (RU)
(73) Патентообладатель(и):
Общество с ограниченной ответственностью “Инженерно-внедренческий центр “ИНЖЕХИМ” (RU)
|
(54) СПОСОБ ИЗМЕРЕНИЯ УНОСА ДИСПЕРСНОЙ ФАЗЫ В ГАЗОВОМ ПОТОКЕ И УСТРОЙСТВО ДЛЯ ЕГО ОСУЩЕСТВЛЕНИЯ
(57) Реферат:
Изобретение относится к области контроля качества подготовки природного и попутного газов к транспорту в нефтегазодобывающей промышленности и может быть использовано на топливно-энергетических, химических и др. предприятиях. Техническим результатом изобретения является получение более точных значений величины уноса дисперсной фазы в газовом потоке. Способ измерения уноса дисперсной фазы включает пропускание через фильтр-патрон определенного объема пробы газа с последующим определением привеса фильтр-патрона за счет осаждения дисперсной фазы. При этом объем пробы газа отбирают через пробоотборный зонд. Выделившуюся влагу улавливают в дополнительном фильтре-патроне, дополнительный фильтр-патрон перекрывают. Определенный объем пробы газа направляют в фильтр-патрон в течение определенного промежутка времени при постоянном расходе газа через установку, который обеспечивает регулятор, выполненный в виде блока с набором откалиброванных критических сопел. Установка, реализующая способ, содержит пробоотборный зонд, фильтр-патрон, дополнительный фильтр-патрон для улавливания выделившейся влаги, а также регулятор постоянного расхода газа при давлении, температуре и скорости в системе установки, равных давлению, температуре и скорости газового потока, выполненный в виде блока с набором откалиброванных критических сопел. 2 н.п. ф-лы, 1 ил., 1 табл.
Изобретение относится к области контроля качества подготовки природного и попутного газов к транспорту в нефтегазодобывающей промышленности и может быть использовано на топливно-энергетических, химических, нефтехимических и нефтеперерабатывающих предприятиях. Контроль качества газа осуществляют путем отбора проб и определения в ней уноса дисперсной фазы.
Известно в практике газового анализа техническое решение, предусматривающее пропускание исследуемой смеси через две камеры, снабженные чувствительными элементами, см. Авторское свидетельство SU 320771, C01N 30/00, 1971.
Однако это техническое решение не позволяет фиксировать капельную влагу.
Известен способ индикации наличия в газовой смеси капельной влаги, заключающийся во введении пробы в камеру и замере в этой камере влагосодержания смеси. Устройство для осуществления этого способа содержит пробоотборник, подсоединенную к нему камеру с входным и выходным отверстиями, в которой установлен датчик влагосодержания, см. Патент US 3552187, Кл.73-23, опубл. 1971.
Известный способ и устройство для его осуществления указывают только на обнаружение (индикацию), но не фиксируют наличие капельно-взвешенной влаги в отобранной пробе газа из его потока, что, в свою очередь, снижает достоверность определения величины влагосодержания.
Известен способ индикации наличия в газовой смеси капельной влаги, заключающийся во введении пробы в камеру и замере в этой камере влагосодержания смеси, одновременно вводят пробу во вторую камеру, давление в камерах устанавливают разное по величине, но ниже давления в месте отбора, измеряют величину влагосодержания во второй камере, по отклонению которой от величины влагосодержания в первой камере судят о наличии в смеси капельной влаги. Температуру в камерах поддерживают не ниже температуры в месте отбора.
Установка для осуществления указанного способа содержит пробоотборник, подсоединенную к нему камеру с входным и выходным отверстиями, в которой установлен датчик влагосодержания, устройство снабжено подсоединенной к пробоотборнику второй камерой, сечение входного отверстия которой равно сечению входного сечения первой камеры, а сечение выходного отверстия не равно сечению выходного отверстия первой камеры, см. Авторское свидетельство SU 879425, МПК G01N 25/56, 1981.
Известный способ и установка для его осуществления могут только обнаружить присутствие капельной влаги в пробе газа и не позволяют количественно измерить унос как капельно-взвешенной влаги, так и дисперсной фазы в потоке газа.
Известен способ измерения уноса дисперсной фазы в газовом потоке, включающий пропускание через пробоотборный зонд в систему установки определенного объема пробы газа при температуре газового потока, далее с помощью вентиля на сепараторе по счетчику газа устанавливают необходимый расход отбираемого газа, контролируя его в процессе измерения, при необходимости приоткрывают вентиль капельницы для осуществления подачи ингибитора гидратообразования, и по стеклу мерной емкости определяют не ранее чем через 0,5 часа количество накапливаемой жидкости, а содержание твердых частиц в фильтре-патроне сепаратора определяют после просушки супертонкого волокна фильтра по его привесу.
Установка для осуществления указанного способа содержит пробоотборный зонд, представляющий собой наконечник с внутренним каналом квадратного сечения с выходом под углом 90°, сепаратор, внутри которого последовательно по ходу газа установлены фильтр-патрон, выполненный из супертонкого стекловолокна, и сетчатый отбойник, выполненный из рукавной вязаной сетки, причем сепаратор соединен с карманом для установки термометра, а также с мерной емкостью, выполненной в виде сосуда с отводом и смотровым стеклом для визуального измерения уловленного объема жидкости, при этом мерная емкость через отвод соединена с регулятором постоянного расхода газа – счетчиком газовым ротационным, который соединен с сепаратором через регулирующий вентиль, см. Г.А.Лончаков, А.Н.Кульков Г.К.Зиберт. Технологические процессы подготовки природного газа и методы расчета оборудования. ООО «Недра. Бизнесцентр» г.Москва. Отпечатано в Производственно-издательском комбинате ВИНИТИ, с.210, 2000 г.
Недостатками указанного способа с устройством для его осуществления являются неточное измерение величины уноса дисперсной фазы в потоке газа, длительность отбора проб и сложное аппаратурное оформление.
Наиболее близким по технической сущности является способ измерения уноса дисперсной фазы в газовом потоке, включающий пропускание через фильтр-патрон определенного объема пробы газа при расчетном давлении в установке с последующим определением привеса фильтра-патрона за счет осаждения дисперсной фазы, причем пропускание пробы газа через фильтр-патрон ведут при давлении, температуре и скорости газового потока и в течение определенного промежутка времени при постоянном расходе газа через установку, регулируемом при помощи вентиля, контролируемом по показаниям манометра, установленного перед дросселем.
Установка для осуществления указанного способа, включающая фильтр-патрон, регулятор постоянного расхода газа при давлении, температуре и скорости в установке, равных давлению, температуре и скорости газового потока, в качестве регулятора содержит вентиль и дроссель с манометром, см. Г.А.Лончаков, А.Н.Кульков Г.К.Зиберт. Технологические процессы подготовки природного газа и методы расчета оборудования. ООО «Недра. Бизнесцентр» г.Москва. Отпечатано в Производственно-издательском комбинате ВИНИТИ, с.204, 2000 г.
Недостатками указанного способа измерения уноса дисперсной фазы в газовом потоке и установки для осуществления этого способа являются высокая погрешность измерения величины уноса дисперсной фазы в потоке газа, связанная с возможным выделением влаги при наборе давления в установке, которая улавливается фильтром-патроном и снижает достоверность полученных результатов измерения. Кроме того, при пропускании пробы газа через дроссель происходит резкое снижение температуры газа, который охлаждает стенки установки и снижает температуру внутри нее, при этом температура пробы газа уже не равна температуре газового потока, что приводит к искажению полученных результатов. Дополнительно, конструкция установки позволяет отбирать пробы газа только около стенки трубопровода, по которому движется газовый поток.
Задачей изобретения является получение более точных значений величины уноса дисперсной фазы в газовом потоке.
Техническая задача решается способом измерения уноса дисперсной фазы в газовом потоке, включающим пропускание при давлении, температуре и скорости газового потока через фильтр-патрон определенного объема пробы газа с последующим определением привеса фильтр-патрона за счет осаждения дисперсной фазы, в котором объем пробы газа отбирают из газового потока через пробоотборный зонд, и при наборе давления в системе установки, равного давлению газового потока, выделившуюся влагу улавливают в дополнительном фильтре-патроне, а после набора давления дополнительный фильтр-патрон перекрывают, и определенный объем пробы газа направляют в фильтр-патрон в течение определенного промежутка времени при постоянном расходе газа через установку, который обеспечивает регулятор, выполненный в виде блока с набором откалиброванных критических сопел.
Установка для осуществления указанного способа содержит фильтр-патрон, регулятор постоянного расхода газа при давлении, температуре и скорости в системе установки, равных давлению, температуре и скорости газового потока, установка дополнительно содержит пробоотборный зонд, дополнительный фильтр-патрон для улавливания выделившейся влаги при наборе в системе устройства давления, равного давлению газового потока, а регулятор постоянного расхода газа выполнен в виде блока с набором откалиброванных критических сопел.
Решение технической задачи позволяет получить более точные значения величины уноса дисперсной фазы в газовом потоке с возможностью изменения места отбора проб.
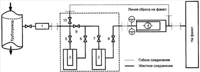
Установка для измерения уноса дисперсной фазы в газовом потоке содержит пробоотборный зонд 1, фильтр-патрон 2 и дополнительный фильтр-патрон 3 для улавливания выделившейся влаги при наборе в системе установки давления, равного давлению газового потока, регулятор 4 постоянного расхода газа при давлении, температуре и скорости в системе установки, равными давлению, температуре и скорости газового потока, который выполнен в виде блока с набором откалиброванных критических сопел, при этом устройства в составе установки соединены с помощью системы трубопроводов и кранов 5-10, см. фиг.1.
Установка для осуществления способа измерения уноса дисперсной фазы в газовом потоке работает следующим образом.
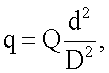
Определяют содержание дисперсной фазы в газовом потоке, движущемся по трубопроводу с внутренним диаметром D. Объемный расход газа Q.
Предварительно определяют расход газа через установку для соблюдения скорости, равной скорости газового потока. Для этого рассчитывают объемный расход газа через установку по формуле

где d – внутренний диаметр пробоотборного зонда.
По рассчитанному значению q подбирают набор откалиброванных критических сопел и устанавливают их в регулятор 4 постоянного расхода газа, обеспечивающий данный объемный расход газа.
Определяют вес фильтра-патрона 2.
К пробоотборному штуцеру трубопровода герметично подключают пробоотборный зонд 1 с возможностью перемещения его внутри трубопровода.
Далее проводят продувку пробоотборного зонда путем открытия и закрытия крана 10.
При подготовке к набору давления в системе установки, равного давлению газового потока при закрытых кранах 5 и 9, открывают краны 6 и 7. Набор давления проводят путем открытия крана 5, в момент которого происходит дросселирование части газа через кран и выделение капельной влаги, которую улавливают дополнительным фильтром-патроном 3.
После набора давления перекрывают дополнительный фильтр-патрон 3 путем открытия крана 9 и закрытия кранов 5 и 6.
Измерение уноса дисперсной фазы проводят путем пропускания отобранной через пробоотборный зонд пробы газа при давлении, температуре и скорости газового потока через фильтр-патрон 2 в течение определенного промежутка времени при постоянном расходе газа через установку. Для этого открывают кран 8, а по истечении определенного промежутка времени закрывают кран 9, при этом постоянный расход газа через установку при давлении, температуре и скорости в системе устройства, равных давлению, температуре и скорости газового потока, обеспечивает регулятор 4, выполненный в виде блока откалиброванных критических сопел.
После достижения атмосферного давления в установке, которое контролируется по манометру, установленному на регуляторе 4 постоянного расхода газа, фильтр-патрон 2 снимают и определяют его привес.
Результаты измерений для газового потока при Q=299000 норм. м3/ч, D=374 мм при разных положениях пробоотборного зонда показаны в таблице 1.
| Таблица 1 |
Примера |
Положение пробоотборного зонда в трубопроводе |
Среднее значение уноса дисперсной фазы, г/1000 норм. м3/ч |
| 1 |
По прототипу |
20,125 |
| 2 |
Установка по заявляемому объекту, пробоотборный зонд расположен около стенки трубопровода |
14,253 |
| 3 |
Установка по заявляемому объекту, пробоотборный зонд расположен на оси трубопровода |
3,461 |
Как видно из примеров конкретного выполнения, объект по прототипу определяет величину уноса дисперсной фазы с высокой погрешностью, конструкция установки позволяет отбирать пробы газа только около стенки трубопровода.
Заявляемый объект позволяет более точно определять величину уноса дисперсной фазы, к тому же в различных точках трубопровода.
Установка для осуществления способа измерения величины уноса дисперсной фазы в газовом потоке прошла промышленные испытания и зарекомендовала себя, как простая и удобная в эксплуатации.
Формула изобретения
1. Способ измерения уноса дисперсной фазы в газовом потоке, включающий пропускание при давлении, температуре и скорости газового потока через фильтр-патрон определенного объема пробы газа с последующим определением привеса фильтр-патрона за счет осаждения дисперсной фазы, отличающийся тем, что объем пробы газа отбирают из газового потока через пробоотборный зонд, и при наборе давления в системе установки, равного давлению газового потока, выделившуюся влагу улавливают в дополнительном фильтре-патроне, а после набора давления дополнительный фильтр-патрон перекрывают, и определенный объем пробы газа направляют в фильтр-патрон в течение определенного промежутка времени при постоянном расходе газа через установку, который обеспечивает регулятор, выполненный в виде блока с набором откалиброванных критических сопел.
2. Установка для осуществления способа по п.1, содержащая фильтр-патрон, регулятор постоянного расхода газа при давлении, температуре и скорости в системе установки, равных давлению, температуре и скорости газового потока, отличающаяся тем, что она дополнительно содержит пробоотборный зонд, дополнительный фильтр-патрон для улавливания выделившейся влаги при наборе в системе устройства давления, равного давлению газового потока, а регулятор постоянного расхода газа выполнен в виде блока с набором откалиброванных критических сопел.
РИСУНКИ
|
|