|
|
(21), (22) Заявка: 2008127417/02, 04.07.2008
(24) Дата начала отсчета срока действия патента:
04.07.2008
(46) Опубликовано: 10.04.2010
(56) Список документов, цитированных в отчете о поиске:
RU 2279035 C1, 27.06.2006. RU 2278388 C1, 20.06.2006. RU 2213320 C1, 10.05.2003. GB 2009923 A, 20.06.1979.
Адрес для переписки:
426067, г.Ижевск, ул. Татьяны Барамзиной, 34, Институт Прикладной Механики Уральского Отделения Российской Академии Наук
|
(72) Автор(ы):
Афанасьева Наталья Юрьевна (RU), Афанасьев Владимир Александрович (RU), Веркиенко Юрий Всеволодович (RU)
(73) Патентообладатель(и):
Институт Прикладной Механики Уральского Отделения Российской Академии Наук (RU)
|
(54) ОПТИКО-ЭЛЕКТРОННОЕ УСТРОЙСТВО ДЛЯ РЕГИСТРАЦИИ МОМЕНТА ПЕРЕСЕЧЕНИЯ ПУЛЕЙ СВЕТОВОГО ЭКРАНА МИШЕНИ
(57) Реферат:
Устройство относится к средствам для испытаниях оружия на меткость и кучность стрельбы. Устройство содержит излучатель с блоками питания и оптико-электронный преобразователь с фотоприемником и усилителем фототока. Преобразователь снабжен фотодиодом, усилителем-фильтром, пороговым устройством для уменьшения погрешности измерения из-за нутации, формирователем выходного сигнала в линию связи с мишенью и схемой определения момента времени пересечения центром тяжести пули экрана. Фотодиод согласован по спектральным характеристикам с излучателем с тонкими плоскими торцами-токоподводами. Схема определения момента времени пересечения центром тяжести пули экрана содержит кварцевый генератор импульсов, триггер, схему «И», счетчик, цифровой компаратор, центральное процессорное устройство и инвертор. Технический результат направлен на снижение энергоемкости излучателя, повышение равномерности яркости по его длине и уменьшение пульсации светового потока. 6 ил.
Устройство относится к области определения внешнебаллистических параметров (координат, начальной скорости, угла бросания, баллистического коэффициента, скорости на заданной дальности стрельбы) и может использоваться как блокирующее устройство в составе мишеней и баллистических трасс.
Известны блокирующие устройства в виде проволочных рам-мишеней, соленоидных блокировок и оптических решеток [1. Вентцель Д.А., Шапиро Н.М. Внешняя баллистика. Ч1. – М.: Оборонгиз, 1939. – 210 с.; 2. Коновалов А. А., Николаев Ю. В. Внешняя баллистика. – Ижевск: Изд. ИПМ УрО РАН, 2003. – 191 с.]. Проволочная рама-мишень содержит каркас, на котором с небольшим шагом (не превышающим диаметр пули) намотана проволока. При пролете пуля разрывает проволоку, что приводит к размыканию электрической цепи и формированию электрического сигнала. Недостатки проволочной рамы-мишени: не всегда проволока разрывается (если пуля пролетает посередине между соседними витками и шаг не очень маленький); низкая точность регистрации времени пролета (проволока разрывается при пролете некоторого расстояния при некотором натяжении проволоки) и влияние (небольшое) на дальнейшую траекторию пули.
Соленоид представляет собой тонкую катушку большого диаметра (до 1 м), через которую пропускается ток. При пролете пули внутри катушки из-за электромагнитных явлений величина тока изменяется, что фиксируется как момент времени пролета пули через блокирующую плоскость. Недостатки соленоидной блокировки: низкая точность из-за малой величины и малой крутизны электрического сигнала; небольшие габариты и возможность повреждения соленоида при установке на большой дальности.
Оптическая решетка содержит линейку осветителей (лампочек накаливания) с линзами, формирующими направленные пучки света, и установленные против них на расстоянии фотоприемники с линзами. Пуля при пролете экранирует один из пучков света (или часть его), что приводит к появлению электрического сигнала в момент пересечения пулей пучка. Недостатки оптической решетки: относительно небольшое поле регистрации; близость линеек осветителей и фотоприемников к снопу траектории и возможность повреждения при случайном попадании; относительно низкая точность, так как в случае пересечения пулей середины пучка амплитуда сигнала больше и он раньше достигает порог срабатывания по сравнению со случаем пролета пули между соседними пучками с частичным их перекрытием; низкая надежность из-за большого количества лампочек и фотоприемников.
Наиболее близким аналогом являются световые экраны, используемые в световой мишени [3. Афанасьев В.А., Афанасьева Н.Ю., Коротаев В.Н. Источники излучения для световых экранов. Вестник ИжГТУ: период. науч.-теор. журн. ИжГТУ. – 2007. – 3 (35). – Ижевск: Изд. ИжГТУ. – С.51-59; 4. Световая мишень. Патент РФ 2213320 от 27.09.2003 по заявке 2002116940 от 24.06.2002, кл. F41J 5/02, G01S 5/18. ВНИИГПЭ / Авторы Афанасьева Н.Ю., Веркиенко Ю.В., Казаков B.C., Коробейников В.В. (прототип)], содержащие линейные протяженные источники света (излучатели) и оптико-электронные преобразователи (датчики). Рабочее тело излучателя – хромалиевая лента сечением 2×0,4 мм2 пропущена через отверстие в направляющих с шагом 30 мм и нагрето до температуры 1100°С протекающим током. Недостатками излучателя являются: непостоянная яркость по длине из-за охлаждения в местах контакта с направляющими; низкая светоотдача ввиду несогласованности спектральных характеристик излучателя и фотодиода датчика; как следствие большая энергоемкость (мощность до 1,5 кВт излучателя длиной 1,2 м), нелинейности излучателя из-за изгибов ленты между направляющими при расширении из-за нагрева протекающим током. Погрешность регистрации момента времени пересечения пулей светового экрана возникает дополнительно из-за угла нутации пули, так как время пересечения фиксируют по переднему фронту сигнала, а не по моменту пересечения экрана центром тяжести пули. Эта погрешность особенно существенна в случае наклонных световых экранов, используемых в мишени.
Задача изобретения заключается в снижении энергоемкости излучателя, увеличении его прямолинейности и равномерности яркости излучения по длине, обеспечении постоянства ширины светового экрана на любом расстоянии от датчика, определении момента времени пересечения экрана центром тяжести пули.
Задача решается тем, что в известном оптико-электронном устройстве для регистрации момента пересечения пулей светового экрана мишени, содержащем излучатель с блоками питания и установленный напротив по другую сторону от снопа траекторий пуль оптико-электронный преобразователь с фотоприемником и усилителем фототока, оптико-электронный преобразователь снабжен фотодиодом, усилителем-фильтром, пороговым устройством для уменьшения погрешности измерения из-за нутации, формирователем выходного сигнала в линию связи с мишенью и схемой определения момента времени пересечения центром тяжести пули светового экрана, при этом фотодиод согласован по спектральным характеристикам с излучателем с тонкими плоскими торцами-токопроводами, выполненными из состыкованных вплотную трубчатых ламп с внутренним матовым покрытием, по центрам которых расположены высокотемпературные проволоки, перед лампами установлены ножи, суммарная длина которых образует диафрагму постоянной ширины по всей длине излучателя, равной ширине диафрагмы оптико-электронного преобразователя, причем каждая трубчатая лампа запитывается от отдельного стабилизированного источника постоянного напряжения с малым коэффициентом пульсаций выпрямленного напряжения, а схема определения момента времени пересечения центром тяжести пули светового экрана содержит кварцевый генератор импульсов, триггер, схему «И», счетчик, цифровой компаратор, центральное процессорное устройство и инвертор. Технический результат – снижение энергоемкости (с 1,5 кВт до 60 Вт на одну лампу), повышение равномерности яркости по длине излучателя, повышение прямолинейности, согласование спектральных характеристик излучателя и диода датчика, малая пульсация напряжения питания ламп и большая амплитуда полезного сигнала. Все это в сочетании с регистрацией момента времени пересечения экрана центром тяжести пули обеспечивает повышение точности мишеней и баллистических трасс.
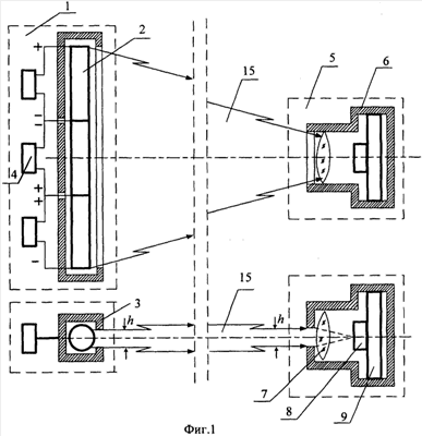
На фиг.1 изображена схема оптико-электронного блокирующего устройства (светового экрана); на фиг.2 – схема преобразования оптического сигнала в электрический; на фиг.3 – функциональная схема определения момента времени пересечения центром тяжести пули светового экрана; на фиг.4 – электрические сигналы на выходе усилителя-фильтра (фототока) 10 и uk (t) на выходе порогового устройства (компаратора) 11; на фиг.5 – расчетная схема, поясняющая определение момента времени пересечения центром тяжести пули светового экрана по моментам времени tн входа и tk выхода из него; на фиг.6 – схема, поясняющая определение формирования выходного сигнала светового экрана относительно tk.
Устройство содержит линейный протяженный источник света (излучатель) 1 с состыкованными вплотную трубчатыми лампами 2 с внутренним рассеивающим покрытием и проволочной нитью накала, фиксируемой по центру лампы специальными поддерживающими проволочными опорами внутри корпуса 3 с узкой щелевой диафрагмой. Лампы запитаны отдельно от источников 4 стабилизирующего напряжения постоянного тока с низкой пульсацией выпрямленного напряжения. Напротив излучателя по другую сторону от снопа траекторий в тире устанавливают оптико-электронный преобразователь (датчик) 5, состоящий из корпуса 6 с узкой щелевой диафрагмой, ширина которой равна ширине диафрагмы излучателя 1, с цилиндрической линзой 7, фотодиодом 8, установленным на 0,6 1 фокусного расстояния от линзы 7, с платой 9 усилителя-фильтра (фототока) 10, порогового устройства (компаратора) 11, схемы 12 определения момента времени пересечения центром тяжести пули светового экрана 21 и формирователя выходного сигнала 13. Схема 12 содержит кварцевый генератор импульсов 14, триггер 15, схему «И» 16, счетчик 17, цифровой компаратор 18, центральное процессорное устройство 19 и инвертор 20.
Математическая сущность определения момента времени пересечения центром тяжести пули светового экрана заключается в следующем. Обозначим длину пули через l=l1+l2, где l1 – расстояние от головки до центра тяжести (ЦТ на фиг.5), а l2 – от ЦТ до донной части. На фиг.6 показана проекция пули на плоскость, проходящую через ось пули и перпендикулярную световому экрану 15 в момент пересечения ЦТ светового экрана. Величина перемещения пули от момента начала пересечения до момента пересечения центром тяжести составляет х1, а от этого момента до момента выхода из экрана х2.

С учетом постоянства скорости х=vt (v – скорость) и длительности пересечения
=tk-tн (tн и tк – время начала пересечения и конца пересечения) имеем

где .
Т.е. время пересечения центром тяжести экрана не зависит от угла наклона экрана и от угла нутации пули , но для его определения необходимо измерять tн и tк.
С учетом приведенной ширины экрана h, равной длительности сигнала на выходе усилителя-фильтра 10, определяемой длительностью его функции веса, имеем

где поправочный коэффициент равен

На определение tц по (3) необходимо время. Поэтому сформируем выходной сигнал tвыx с фиксированной задержкой от tц, равной ц, т.е.

и вычислим необходимую для этого задержку к от времени tк. Согласно фиг.6 имеем

откуда 
Таким образом, сигнал tвых необходимо задержать относительно сигнала tк на к по (7), что будет соответствовать постоянной задержке на ц сигнала tц.
Следовательно, устройство обеспечивает измерение момента пересечения центром тяжести пули светового экрана.
Устройство работает следующим образом.
Предварительно в центральном вычислительном устройстве (СРИ) 19 устанавливают поправочный коэффициент k, время задержки ц и перед выстрелом устанавливают по сигналу “Сброс” триггер 15, счетчик 17 и СРИ 19 в исходное (нулевое) состояние. После выстрела пуля пересекает световой экран 15, при этом на выходе порогового устройства 11 формируется сигнал uк(t), передний фронт которого соответствует моменту времени tн начала, а задний фронт – моменту времени tк окончания пересечения (фиг.4). По сигналу tн триггер 15 устанавливается в единичное состояние и через схему совпадения 16 сигналы с выхода генератора тактовых импульсов 14 поступают на вход счетчика (Ст 2) 17, а с его выхода – на входы цифрового компаратора 18 и центрального вычислительного устройства 19. В момент окончания сигнала uк(t) на выходе инвертора 20 формируется сигнал tк, по которому СРИ 19 фиксирует состояние счетчика 17 в этот момент времени (т.е. время к) и вычисляет вых по (7) и на выходе устанавливает код вых, который подается на вход В цифрового компаратора. В компараторе по мере поступления на вход А кода состояния счетчика 17 происходит сравнение кодов и в момент их совпадения с выхода компаратора на вход формирователя 13 поступает сигнал для передачи в коаксиальную линию связи с устройством (мишенью, баллистической трассой), в составе которого световой экран используется.
Предложенное оптико-электронное блокирующее устройство (световой экран) обеспечивает снижение энергоемкости (с 1,5 кВт до 60 Вт на одну лампу), повышение равномерности излучения по длине, низкий уровень помех благодаря малой пульсации напряжения питания ламп, большую амплитуду полезного сигнала благодаря высокой отдаче излучателя и согласования спектральных характеристик излучателя и диода датчика. Все это в сочетании с регистрацией момента времени пересечения центром тяжести пули светового экрана обеспечивает уменьшение погрешности регистрации времени входа пули в световой экран и выхода из него и погрешности из-за угла нутации пули.
Формула изобретения
Оптико-электронное устройство для регистрации момента пересечения пулей светового экрана мишени, содержащее излучатель с блоками питания и установленный напротив по другую строну от снопа траекторий пуль оптико-электронный преобразователь с фотоприемником и усилителем фототока, отличающееся тем, что оптико-электронный преобразователь снабжен фотодиодом, усилителем-фильтром, пороговым устройством для уменьшения погрешности измерения из-за нутации, формирователем выходного сигнала в линию связи с мишенью и схемой определения момента времени пересечения центром тяжести пули светового экрана, при этом фотодиод согласован по спектральным характеристикам с излучателем с тонкими плоскими торцами-токоподводами, выполненными из состыкованных вплотную трубчатых ламп с внутренним матовым покрытием, по центрам которых расположены высокотемпературные проволоки, перед лампами установлены ножи, суммарная длина которых обеспечивает диафрагму постоянной ширины по всей длине излучателя, равной ширине диафрагмы оптико-электронного преобразователя, причем каждая трубчатая лампа запитывается от отдельного стабилизированного источника постоянного напряжения с малым коэффициентом пульсаций выпрямленного напряжения, а схема определения момента времени пересечения центром тяжести пули светового экрана содержит кварцевый генератор импульсов, триггер, схему «И», счетчик, цифровой компаратор, центральное процессорное устройство и инвертор.
РИСУНКИ
|
|