|
|
(21), (22) Заявка: 2008126891/06, 01.07.2008
(24) Дата начала отсчета срока действия патента:
01.07.2008
(43) Дата публикации заявки: 10.01.2010
(46) Опубликовано: 10.04.2010
(56) Список документов, цитированных в отчете о поиске:
Механизация процессов послеуборочной обработки зерна в Новосибирской области: Рекомендации РАСХН. Сиб. отделение СибИМЭ. Иванов Н.М. и др. – Новосибирск, 2002, с.108-118. SU 1210021 А, 07.02.1986. RU 2042093 C1, 20.08.1995. SU 1617277 A1, 30.12.1990. SU 1377548 A1, 29.02.1988. EP 0266516 A2, 11.05.1988.
Адрес для переписки:
630501, Новосибирская обл., Новосибирский р-н, п. Краснообск, а/я 367, ОАО “САД”
|
(72) Автор(ы):
Маяровский Владимир Юрьевич (RU), Колинко Вадим Павлович (RU), Колинко Павел Вадимович (RU), Сваровский Александр Геннадьевич (RU), Куршева Елена Владимировна (RU), Титов Михаил Степанович (RU)
(73) Патентообладатель(и):
Открытое акционерное общество “Сибирский Агропромышленный Дом” (ОАО “САД”) (RU)
|
(54) УСТРОЙСТВО ДЛЯ НАПРАВЛЕНИЯ ПОТОКА ГАЗОВОЙ СРЕДЫ В ЗЕРНОСУШИЛКЕ (ВАРИАНТЫ)
(57) Реферат:
Изобретения относятся к технике конвективной сушки сыпучих материалов и могут использоваться в сельском хозяйстве и в элеваторной промышленности в сушилках зерна, преимущественно с ромбообразными рабочими камерами. В каждом варианте заявленное устройство для направления потока газовой среды в зерносушилке включает камеру, имеющую первое окно для соединения ее полости с газовым коллектором рабочей камеры зерносушилки и второе – с входом ее вентилятора. Устройство по первому варианту дополнительно имеет жалюзийную стенку, расположенную внутри камеры перед вторым окном, и сборник уноса, связанный с камерой и размещенный под жалюзийной стенкой. В устройстве по каждому варианту – камера выполнена двухсекционной и имеет двухпозиционный клапан для сообщения первого окна с полостью ее основной или дополнительной секции. В стенке секции камера имеет третье окно для соединения полости этой секции с выходом вентилятора и четвертое – с газопроводом исходного агента сушки зерносушилки. Четвертое окно снабжено клапаном, например шиберной заслонкой. А также предусмотрен проход с затвором для ввода охлаждающего воздуха в полость основной секции камеры. Устройство по каждому варианту обеспечивает возможность переключения потоков газовой среды для работы камеры зерносушилки в двух режимах охлаждения зерна: в первом режиме – с отсосом из коллектора камеры отработавшего охлаждающего воздуха и рекуперацией содержащегося в нем тепла или во втором – с нагнетанием наружного воздуха в ее коллектор. Это повышает эффективность работы зерносушилки в различных условиях эксплуатации. 2 н. и 5 з.п. ф-лы, 5 ил.
Группа изобретений относится к технике конвективной сушки сыпучих материалов и может использоваться в сельском хозяйстве и в элеваторной промышленности в сушилках зерна, преимущественно с ромбообразными рабочими камерами.
первый – подводить за счет разряжения наружный воздух в нижнюю рабочую камеру, охлаждать зерно в ней, а нагретый отработавший воздух направлять из камеры в поток исходного агента сушки, для повторного использования (рекуперации) тепла, полученного от зерна при его охлаждении;
второй – охлаждать зерно в нижней рабочей камере, подводя в нее наружный воздух в обратном (по сравнению с первым режимом) направлении, а выходящий из нее воздух возвращать в атмосферу, в частности вместе с отработавшим агентом сушки;
третий – использовать нижнюю камеру зерносушилки, как дополнительную зону сушки, то есть подводить в эту камеру исходный агент сушки, а отработавший – выводить из нее, направляя в общий поток отработавшего агента сушки.
Данный аналог очень близок по назначению к заявленному устройству. В условиях эксплуатации зерносушилки он позволяет использовать ее нижнюю камеру в наиболее рациональном режиме работы из трех указанных выше. Это повышает эффективность зерносушилки. Однако отмеченные особенности конструктивного выполнения этого устройства (первого аналога) не позволяют использовать его в колонковых зерносушилках с ромбообразными рабочими камерами.
Известно устройство для направления потока газовой среды в сушилке зерна (RU 64329, U1. МПК F26B 17/12 (2006.01), опубл. 2007.06.27). Оно включает камеру – переходник в виде диффузора. Камера имеет первое окно (отверстие с присоединительным элементом, например фланцем или патрубком) для соединения ее полости с газовым коллектором нижней рабочей камеры зерносушилки и второе – с выходом вентилятора, вход которого соединен с газопроводом исходного агента сушки.
Это устройство (второй аналог) применяется в зерносушилках с ромбообразными рабочими камерами. Оно позволяет использовать нижнюю камеру зерносушилки только в третьем режиме, отмеченном выше, а именно – в качестве дополнительной зоны сушки. При этом оно не предусматривает ее основных режимов – охлаждения зерна, необходимых в большинстве случаев, а требует для этого выносной охладитель.
Прототипом изобретений является устройство для направления потока газовой среды, используемое в сушилках зерна СЗ-6, СЗ-10 и СЗ-16 (Механизация процессов послеуборочной обработки зерна в Новосибирской области: Рекомендации / РАСХН. Сиб. отд-ние. СибИМЭ; Подгот. Иванов Н.М., Синицын В.А., Климок А.И. и др. – Новосибирск, 2002. – с.108-118, рис.25, 27, 29 и копия чертежа «ОС 305.13.00.000 СБ – Камера осадочная» в материалах заявки). Такое устройство включает камеру, в частности осадочную, имеющую первое окно для соединения ее полости с газовым коллектором рабочей камеры зерносушилки и второе – с входом ее вентилятора, выход которого соединен с газопроводом исходного агента сушки. Внутри камеры перед вторым окном расположена жалюзийная стенка. Под этой стенкой предусмотрен связанный с камерой сборник уноса (половы и других легких частиц, вынесенных воздухом из рабочей камеры зерносушилки и выделенных из него жалюзийной стенкой). Сборник уноса в прототипе выполнен с его камерой как единый узел.
Устройство-прототип позволяет использовать нижнюю рабочую камеру зерносушилки только в первом режиме, из трех отмеченных выше, а именно – в режиме охлаждения зерна, с рекуперацией тепла отработавшего охлаждающего воздуха. Реализация этого энергосберегающего режима не всегда эффективна. Например, при сушке зерна высокой влажности в прохладные дождливые дни рационален переход на второй режим охлаждения зерна: с нагнетанием наружного воздуха в коллектор камеры сушилки. Однако устройство-прототип не обеспечивает такой возможности, что является его основным недостатком, снижающим эффективность зерносушилки.
Кроме того, прототип не позволяет использовать нижнюю рабочую камеру в третьем режиме – в качестве дополнительной зоны сушки, когда охлаждение зерна рационально осуществлять в охладительных колонках или в вентилируемых бункерах.
Задача изобретений – повышение эффективности использования зерносушилки путем обеспечения возможности переключения потоков газовой среды для работы ее нижней камеры в двух режимах охлаждения зерна. В первом режиме – с отсосом из коллектора камеры отработавшего охлаждающего воздуха и рекуперацией содержащегося в нем тепла или во втором – с нагнетанием наружного воздуха в ее коллектор. Это позволяет устранить основной недостаток прототипа.
Эта задача в первом и втором изобретениях-вариантах решена следующим образом. В каждом варианте заявленное устройство для направления потока газовой среды в зерносушилке, как и его прототип, включает камеру, имеющую первое окно для соединения ее полости с газовым коллектором рабочей камеры зерносушилки и второе – с входом ее вентилятора. В первом варианте устройство дополнительно имеет жалюзийную стенку, расположенную внутри камеры перед вторым окном, а также – сборник уноса, связанный с камерой и размещенный под жалюзийной стенкой. В отличие от прототипа, в устройстве по каждому варианту – камера выполнена двухсекционной и имеет двухпозиционный клапан для сообщения первого окна с полостью ее основной или дополнительной секции. В стенке дополнительной секции камера имеет третье окно для соединения полости этой секции с выходом вентилятора и четвертое – с газопроводом исходного агента сушки зерносушилки. Четвертое окно снабжено клапаном, например шиберной заслонкой, а также предусмотрен проход с затвором для ввода охлаждающего воздуха в полость основной секции камеры. Эти новые совокупности общих существенных признаков первого и второго изобретений-вариантов во всех случаях их осуществления обеспечивают возможность переключения потоков газовой среды, установкой клапанов и затворов в соответствующие положения, для работы камеры зерносушилки в первом или втором режимах охлаждения зерна, то есть обеспечивают технический результат, указанный в задаче изобретений.
Кроме того, в частных случаях осуществления устройства по первому варианту в его камере под жалюзийной стенкой предусмотрено пятое окно, а сборник уноса выполнен в виде отдельного узла и присоединен к этому окну фланцевым соединением.
Кроме того, во втором варианте устройства в стенке основной секции камеры, например снизу вблизи второго окна, предусмотрено пятое окно с затвором или со съемной крышкой. Это, как и указанное выше, повышает унификацию основных деталей камер, изготавливаемых для устройств по первому и второму изобретениям.
Кроме того, устройство по второму варианту имеет присоединенный к пятому окну с затвором или – к этому окну вместо его съемной крышки, промежуточный трубопровод для сообщения полости основной секции камеры с газопроводом исходного агента сушки зерносушилки. Устройство с названным трубопроводом, позволяет использовать нижнюю камеру зерносушилки еще и в третьем режиме – как дополнительную зону сушки, что устраняет второй недостаток прототипа.
Кроме того, в устройстве по каждому варианту проход с затвором для ввода охлаждающего воздуха в полость основной секции камеры выполнен в стенке этой секции, например в виде люка с поворотной крышкой.
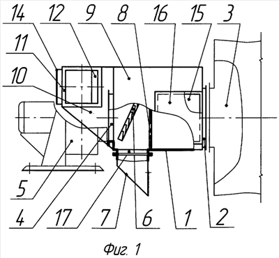
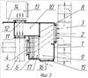
На фиг.1 поясняющих чертежей показано заявленное устройство по первому варианту, вид со стороны третьего окна, с местными разрезами, тонкими линиями даны фрагменты вентилятора и камеры зерносушилки; на фиг.2 – устройство по второму варианту, вид со стороны второго окна, тонкими линиями даны фрагмент газопровода исходного агента сушки зерносушилки, контур кожуха ее вентилятора и половина сборника уноса устройства по первому варианту (условно); на фиг.3, 4 и 5 в виде горизонтальных разрезов даны схемы действия устройства при обеспечении им работы камеры зерносушилки, соответственно, в первом, втором и третьем режимах.
На чертежах приняты следующие обозначения позиций:
1 – камера (узел устройства); 2 – первое окно; 3 – газовый коллектор камеры зерносушилки; 4 – второе окно; 5 – вентилятор камеры зерносушилки; 6 – жалюзийная стенка; 7 – сборник уноса; 8 – двухпозиционный клапан; 9, 10 – основная и дополнительная секции камеры; 11, 12 – третье и четвертое окна; 13 – газопровод исходного агента сушки зерносушилки; 14 – клапан четвертого окна; 15, 16 – проход для охлаждающего воздуха и затвор этого прохода; 17 – пятое окно; 18 – промежуточный трубопровод.
Заявленное устройство по каждому варианту включает камеру 1 (фиг.1-5). Она имеет первое 2 окно для соединения ее полости с газовым коллектором 3 рабочей камеры зерносушилки и второе 4 – с входом ее вентилятора 5. Устройство по первому варианту дополнительно имеет жалюзийную стенку 6 (фиг.1, 3), расположенную внутри камеры 1 перед вторым окном 4, а также сборник уноса 7 (фиг.1, 2), который связан с камерой 1 и размещен под жалюзийной стенкой 6.
В устройстве по каждому варианту – камера 1 выполнена двухсекционной и имеет двухпозиционный клапан 8 для сообщения первого окна 2 с полостью ее основной 9 или дополнительной 10 секции. В стенке секции 10 камера 1 имеет третье окно 11 для соединения полости этой секции с выходом вентилятора 5 и четвертое 12 – с газопроводом 13 исходного агента сушки (фиг.2-5). Четвертое окно 12 снабжено клапаном 14, например шиберной заслонкой. А также предусмотрен проход 15 с затвором 16 для ввода охлаждающего воздуха в полость основной секции 9 камеры 1. В данных примерах (фиг.1-5) проход 15 с затвором 16 выполнен в стенке основной секции 9 камеры 1, например в виде люка с поворотной крышкой (фиг.3-5), хотя возможно другое их исполнение или совмещение их с другими элементами устройства.
Камера 1 устройства по первому варианту (фиг.1, 3) под жалюзийной стенкой 6 имеет пятое окно 17. Сборник уноса 7 выполнен в виде отдельного узла и присоединен к окну 17 фланцевым соединением (фиг.1, 2). В устройстве по второму варианту камера 1 имеет аналогичное пятое окно 17 (фиг.2, 4, 5) с затвором, в частности с заслонкой, или со съемной крышкой (не показаны).
В необходимых случаях, например, по заявке покупателя зерносушилки, устройство по второму варианту включает промежуточный трубопровод 18, присоединенный к пятому окну 17 камеры 1 (фиг.2, 4, 5) и к специальному окну газопровода 13 исходного агента сушки. Это позволяет использовать связанную с устройством камеру зерносушилки еще и в третьем режиме – как дополнительную зону сушки (фиг.5).
Заявленное устройство действует при работе зерносушилки следующим образом.
В первом режиме (фиг.3) двухпозиционный клапан 8 установлен в первое положение, в котором он полностью отделяет полость дополнительной секции 10 камеры 1 от первого окна 2, сообщая его с полостью основной секции 9. Проход 15 закрыт затвором 16, а четвертое окно 12 открыто клапаном 14. Пятое окно 17 в устройстве по первому варианту сообщается с глухой полостью сборника уноса 7 (фиг.1, 2), а по второму – закрыто затвором или съемной крышкой (не показаны). Вентилятор 5 создает разряжение в основной секции 9 камеры 1 и в коллекторе 3 камеры зерносушилки.
Под действием разряжения в коллекторе 3 атмосферный воздух входит в камеру сушилки через отверстия в ее боковых стенках. Потоки этого воздуха пронизывают и охлаждают насыпи горячего просушиваемого зерна, медленно опускающиеся в колонках между наружными и внутренними перфорированными стенками ромбообразной рабочей камеры сушилки. Достаточно сухой и нагретый при охлаждении зерна отработавший воздух входит в коллектор 3 и через первое окно 2 камеры 1 поступает в полость ее основной секции 9 (фиг.3). Далее поток отработавшего охлаждающего воздуха через второе окно 4 всасывается вентилятором 5 и нагнетается им через третье окно 11 в полость дополнительной секции 10 камеры 1, а из нее – через четвертое окно 12 направляется в газопровод 13 исходного агента сушки для рекуперации тепла, полученного от зерна при его охлаждении.
В устройстве по первому варианту (фиг.1) перед входом во второе окно 4 поток отработавшего охлаждающего воздуха проходит через жалюзийную стенку 6. Выделенные из него полова и другие частицы поступают в сборник уноса 7 (фиг.1-3), из которого через его люк (не показан) периодически удаляются.
Во втором режиме (фиг.4) двухпозиционный клапан 8 установлен во второе положение, в котором он полностью отделяет полость основной секции 9 камеры 1 от первого окна 2, сообщая его с полостью дополнительной секции 10. Проход 15 открыт затвором 16, а четвертое окно 12 закрыто клапаном 14. Пятое окно 17 в устройстве по первому варианту сообщается с глухой полостью сборника уноса 7 (фиг.1, 2), а по второму – закрыто съемной крышкой или затвором (не показаны). Затвором окно 17 закрыто и при наличии промежуточного трубопровода 18 (фиг.4). Вентилятор 5 создает разряжение в основной секции 9 камеры 1, в которую через открытый проход 15 поступает наружный охлаждающий воздух. Из секции 9 поток воздуха, также как в первом режиме, через второе окно 4 засасывается вентилятором 5 и нагнетается им через третье окно 11 в полость дополнительной секции 10, из которой через первое окно 2 под давлением поступает в коллектор 3 рабочей камеры зерносушилки.
За счет избыточного давления в коллекторе 3 охлаждающий воздух в обратном направлении, по сравнению с первым режимом (фиг.3), пронизывает и охлаждает насыпи горячего зерна, медленно опускающиеся между перфорированными стенками рабочей камеры сушилки. Отработавший, теплый и насыщенный влагой охлаждающий воздух через наружные перфорированные стенки рабочей камеры сушилки выходит в атмосферу.
Учитывая названное состояние влажного отработавшего охлаждающего воздуха, направлять его в газопровод 13 исходного агента сушки переходом на первый режим (фиг.3), при сушке зерна высокой влажности в прохладные дождливые периоды, нерационально. Для таких условий сушки наиболее эффективен рассмотренный второй режим (фиг.4).
В третьем режиме, который осуществляется устройством по второму варианту, имеющим трубопровод 18 (фиг.5), двухпозиционный клапан 8 установлен во второе положение. Проход 15 закрыт затвором 16. Четвертое окно 12 закрыто клапаном 14. Пятое окно 17 открыто и через промежуточный трубопровод 18 сообщает полость основной секции 9 камеры 1 с газопроводом 13 исходного агента сушки (фиг.2, 5). Вентилятор 5 создает разряжение в основной секции 9 камеры 1, за счет которого исходный агент сушки из газопровода 13 поступает в промежуточный трубопровод 18. Поток агента сушки из трубопровода 18 проходит через пятое окно 17, входит в полость основной секции 9 камеры 1, а из нее через второе окно 4 всасывается вентилятором 5 и нагнетается им в полость дополнительной секции 10.
Далее, из секции 10 камеры 1 поток исходного агента сушки проходит путь, аналогичный рассмотренному движению охлаждающего воздуха во втором режиме (см. фиг.4, 5), то есть через первое окно 2 нагнетается в коллектор 3 рабочей камеры зерносушилки. За счет избыточного давления в коллекторе 3 исходный агент сушки пронизывает и дополнительно сушит насыпи зерна, медленно опускающиеся между перфорированными стенками рабочей камеры сушилки. Отработавший агент сушки насыщенный влагой, испарившейся из зерна, через наружные боковые стенки рабочей камеры сушилки выходит в атмосферу. Заявленное устройство (фиг.2, 5) обеспечивает при этом работу камеры зерносушилки в режиме – дополнительной сушки.
Возможны другие примеры выполнения заявленных устройств.
Например, в устройстве по каждому варианту проход 15 (фиг.1-5) может иметь трубопровод дистанционного забора охлаждающего воздуха, который позволяет осуществлять забор в стороне от зерносушилки более холодного наружного воздуха. Это повысит эффективность охлаждения зерна сушилкой при работе ее камеры во втором режиме (фиг.4). Устройство по изобретениям может быть выполнено для других зерносушилок. При необходимости его двухсекционная камера 1 (фиг.1-5) может быть исполнена для совместной работы ее с осевым вентилятором.
Итак, заявленное устройство по каждому варианту позволяет использовать связанную с ним камеру зерносушилки в первом или во втором режимах охлаждения зерна (с отсосом из камеры или с нагнетанием в нее охлаждающего воздуха), то есть обеспечивает основной технический результат, указанный в задаче изобретений. Устройство по второму варианту, снабженное промежуточным трубопроводом, предусматривает еще и третий режим – дополнительной сушки. Все это выгодно отличает заявленные изобретения-варианты от прототипа и других аналогов, то есть устраняет их недостатки и существенно повышает эффективность использования зерносушилки в различных условиях эксплуатации.
Формула изобретения
1. Устройство для направления потока газовой среды в зерносушилке, включающее камеру, имеющую первое окно для соединения ее полости с газовым коллектором рабочей камеры зерносушилки и второе – с входом ее вентилятора, жалюзийную стенку, расположенную внутри камеры перед вторым окном, а также сборник уноса, связанный с камерой и размещенный под жалюзийной стенкой, отличающееся тем, что камера выполнена двухсекционной и имеет двухпозиционный клапан для сообщения первого окна с полостью ее основной или дополнительной секции, причем в стенке дополнительной секции камера имеет третье окно для соединения полости этой секции с выходом вентилятора и четвертое – с газопроводом исходного агента сушки зерносушилки, при этом четвертое окно снабжено клапаном, например шиберной заслонкой, а также предусмотрен проход с затвором для ввода охлаждающего воздуха в полость основной секции камеры.
2. Устройство по п.1, отличающееся тем, что в камере под жалюзийной стенкой предусмотрено пятое окно, а сборник уноса выполнен в виде отдельного узла и присоединен к этому окну фланцевым соединением.
3. Устройство по п.1, отличающееся тем, что проход с затвором для ввода охлаждающего воздуха в полость основной секции камеры выполнен в стенке этой секции, например, в виде люка с поворотной крышкой.
4. Устройство для направления потока газовой среды в зерносушилке, включающее камеру, имеющую первое окно для соединения ее полости с газовым коллектором рабочей камеры зерносушилки и второе – с входом ее вентилятора, отличающееся тем, что камера выполнена двухсекционной и имеет двухпозиционный клапан для сообщения первого окна с полостью ее основной или дополнительной секции, причем в стенке дополнительной секции камера имеет третье окно для соединения полости этой секции с выходом вентилятора и четвертое – с газопроводом исходного агента сушки зерносушилки, при этом четвертое окно снабжено клапаном, например шиберной заслонкой, а также предусмотрен проход с затвором для ввода охлаждающего воздуха в полость основной секции камеры.
5. Устройство по п.4, отличающееся тем, что в стенке основной секции камеры, например снизу вблизи второго окна, предусмотрено пятое окно с затвором или со съемной крышкой.
6. Устройство по п.5, отличающееся тем, что имеет присоединенный к пятому окну с затвором или – к этому окну вместо его съемной крышки, промежуточный трубопровод для сообщения полости основной секции камеры с газопроводом исходного агента сушки зерносушилки.
7. Устройство по п.4, отличающееся тем, что проход с затвором для ввода охлаждающего воздуха в полость основной секции камеры выполнен в стенке этой секции, например, в виде люка с поворотной крышкой.
РИСУНКИ
|
|