|
|
(21), (22) Заявка: 2008126590/09, 30.06.2008
(24) Дата начала отсчета срока действия патента:
30.06.2008
(46) Опубликовано: 27.03.2010
(56) Список документов, цитированных в отчете о поиске:
RU 2007878 C1, 15.02.1994. RU 2316810 C2, 10.02.2008. RU 2289209 С1, 10.12.2006. US 5430889 A, 04.07.1995. EP 1562323 A2, 10.08.2005.
Адрес для переписки:
302034, г.Орел, ул. Приборостроительная, 35, Академия ФСО России, ОНТИ
|
(72) Автор(ы):
Гречишников Евгений Владимирович (RU), Белов Андрей Сергеевич (RU), Иванов Владимир Алексеевич (RU), Жидков Сергей Анатольевич (RU), Загородников Михаил Александрович (RU)
(73) Патентообладатель(и):
Государственное образовательное учреждение высшего профессионального образования Академия Федеральной службы охраны Российской Федерации (Академия ФСО России) (RU)
|
(54) УСТРОЙСТВО ДЛЯ ОЦЕНКИ ТЕХНИЧЕСКОГО СОСТОЯНИЯ И ОБЕСПЕЧЕНИЯ УСТОЙЧИВОСТИ КАНАЛОВ И СРЕДСТВ СВЯЗИ В ТЕЛЕКОММУНИКАЦИОННЫХ СИСТЕМАХ
(57) Реферат:
Изобретение относится к технике связи и может использоваться для автоматического управления режимами функционирования и обеспечения устойчивости средств связи и цифровой сети связи с каналами коллективного пользования. Достигаемый технический результат – возможность использования части резервного или основного тракта, использования тракта в часы максимальной нагрузки, возможность проведения контроля технического состояния тракта без отключения абонентов. Сущность заключается в проверке технического состояния составных частей основного и резервного трактов в часы максимальной нагрузки без отключения абонентов. 3 ил.
Изобретение относится к технике связи и может использоваться для автоматического управления режимами функционирования и обеспечения устойчивости средств связи.
Существует устройство, позволяющее сократить время определения аварийного состояния каналов связи (Изобретение «Устройство для оценки состояния каналов в симплексных системах связи»: патент SU 1197124 А, 02.10.84). Однако данное устройство не позволяет использовать составные части резервного или основного тракта, использовать резервный тракт в часы максимальной нагрузки.
Наиболее близким по технической сущности является устройство (Изобретение «Устройство для оценки состояния и управления каналами и техническими средствами в симплексных системах связи»: патент RU 2007878 С1, 12.02.94). Данное устройство выбрано в качестве прототипа.
Недостатком данного устройства является отсутствие возможности использовать составные части резервного или основного тракта, использовать резервный тракт в часы максимальной нагрузки, кроме того, при контроле технического состояния все абоненты отключаются (или контроль технического состояния приходится проводить в часы наименьшей нагрузки), что приводит к снижению своевременности обслуживания абонентов сети связи, при превышении нагрузки отключается часть абонентов.
Техническим результатом заявленного устройства является возможность использования части резервного или основного тракта, использования резервного тракта в часы максимальной нагрузки, возможность проведения контроля технического состояния трактов без отключения абонентов.
Этот результат достигается тем, что в устройство-прототип, содержащее: блок ввода-вывода 1, распределитель 2, блок коммутации 3, распределитель сообщений 4, канальный модуль 5, первый определитель занятости блока памяти 6, определитель аварийности каналов 7, шифратор 8, первый, второй, третий элементы памяти 9, 10, 11, блок сравнения чисел 12, датчик локального времени 13, накопитель 14, накопитель описания ситуации по блокировке блока ввода-вывода 15, накопитель описания ситуации по ограничению нагрузки 16, накопитель описания ситуации по тревожной сигнализации 17, накопитель описания ситуации по аварийности аппаратуры передачи данных (АПД) 18, накопитель описания ситуации по аварийности каналов 19, накопитель команд управления по блокировке блока ввода-вывода 20, накопитель команд управления по ограничению нагрузки 21, накопитель команд управления по тревожной сигнализации 22, накопитель команд управления по аварийности АПД 23, накопитель команд управления по аварийности каналов 24, первый элемент ИЛИ 25, первый элемент И 26, анализатор категории срочности 27, резервный распределитель сообщений 28, резервный канальный модуль 29, переключатель 30, второй элемент ИЛИ 31, формирователь служебного сообщения 32, третий элемент ИЛИ 33, причем блок ввода-вывода 1, распределитель 2, блок коммутации 3, распределитель сообщений 4 и канальный модуль 5 последовательно соединены, первый и второй контрольные выходы распределителя сообщений 4 соответственно соединены с входами первого определителя занятости блока памяти 6 и определителя аварийности каналов 7, каждый из выходов которых соответственно соединен с первым и вторым входами шифратора 8, выход которого подключен ко второму входу распределителя 2, второй выход которого соединен с блоком ввода-вывода 1, три элемента памяти 9, 10, 11, каждый из которых соответственно подключен к третьему и четвертому контрольным выходам распределителя сообщений 4 и контрольному выходу канального модуля 5, выход которого соединен с третьим входом распределителя 2, датчик локального времени 13, накопитель 14 и блок сравнения чисел 12 последовательно соединены, второй вход накопителя 14 подключен ко второму выходу шифратора 8, первый, второй, третий, четвертый и пятый управляющие входы блока сравнения чисел 12 соединены соответственно с выходами накопителя описания ситуации по блокировке блока ввода-вывода 15, накопителя описания ситуации по ограничению нагрузки 16, накопителя описания ситуации по тревожной сигнализации 17, накопителя описания ситуации по аварийности АПД 18 и накопителя описания ситуации по аварийности каналов 19, первый, второй, третий, четвертый и пятый управляющие выходы блока сравнения чисел 12 соединены соответственно с накопителем команд управления по блокировке блока ввода-вывода 20, накопителем команд управления по ограничению нагрузки 21, накопителем команд управления по тревожной сигнализации 22, накопителем команд управления по аварийности АПД 23 и накопителем команд управления по аварийности каналов 24, выход накопителя команд управления по блокировке блока ввода-вывода 20 через первый элемент ИЛИ 25 подключен к блокирующему входу блока ввода-вывода 1, выход накопителя команд управления по ограничению нагрузки 21 соединен с входом первого элемента И 26, второй вход которого подключен к выходу анализатора категории срочности 27, а выход соединен с первым управляющим входом блока коммутации 3, дополнительный выход распределителя 2 соединен с входом анализатора категории срочности 27, выход накопителя команд управления по аварийности АПД 23 подключен к второму управляющему входу блока коммутации 3, выход которого соединен с входом резервного распределителя сообщений 28, выход которого соединен с входом резервного канального модуля 29, выход накопителя команд управления по аварийности каналов 24 соединен с входом переключателя 30, два выхода которого подключены к основному и резервному каналам, а второй вход через второй элемент ИЛИ 33 подключен: к выходу канального модуля 5, к выходу резервного модуля 29, к выходу формирователя служебного сообщения 32, вход которого соединен с выходом накопителя команд по тревожной сигнализации 22 и вторым входом элемента ИЛИ 25, выход первого элемента памяти 9 подключен к третьему входу шифратора 8, а выходы второго элемента памяти 10 и третьего элемента памяти 11 через третий элемент ИЛИ 31 подключены к четвертому входу шифратора 8, введены накопитель описания ситуации превышения нагрузки 34, выход которого соединен с шестым входом блока сравнения чисел 12, шестой выход которого соединен с входом накопителя команд управления 35, выход которого соединен с третьим входом блока коммутации 3, второй определитель занятости блока памяти 36, выход которого соединен с входом второго элемента И 44 и входом третьего элемента И 45, выход первого регистра памяти 43 соединен с входом второго элемента И 44, выход второго регистра памяти 46 соединен с входом третьего элемента И 45, выход третьего регистра памяти 47 соединен с входом четвертого элемента И 48, выход четвертого регистра памяти 50 соединен с входом пятого элемента И 49, выход определителя занятости блока памяти 6 соединен со входом четвертого элемента И 48 и со входом пятого элемента И 49, выходы второго элемента И 44, третьего элемента И 45, четвертого элемента И 48 и пятого элемента И 49 соединены с первым, вторым, третьим и четвертым входами шестого элемента И 51 соответственно, выход которого соединен с первым входом шифратора 8, выходы резервного распределителя сообщений 28 соединены: с входом второго определителя занятости блока памяти 36, с входом третьего ключа 40, с входом второго определителя аварийности каналов 52, выход которого соединен с одним из входов распределителя 2, один из выходов которого соединен с входом демультиплексора 37, выходы которого соединены с входами первого ключа 38, выходы которого соединены с входом второго ключа 39 и входом третьего ключа 40, первый выход третьего ключа 40 соединен с входом второго мультиплексора 42, а второй выход третьего ключа 40 соединен с входом первого мультиплексора 41, выход которого соединен с входом резервного канального модуля 29, один из выходов которого соединен с одним из входов распределителя 2, один из выходов которого соединен с четвертым входом блока коммутации 3, пятый выход распределителя сообщений 4 соединен с входом второго ключа 39, первый выход второго ключа 39 соединен с входом первого мультиплексора 41, а второй выход второго ключа 39 соединен с входом второго мультиплексора 42, выход которого соединен с входом канального модуля 5.
Заявленное устройство поясняется чертежами, на которых показаны:
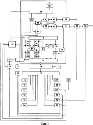
фиг.1 – структурная схема устройства для оценки технического состояния и обеспечения устойчивости каналов и средств связи в телекоммуникационных системах;
фиг.2 – вариант структурной схемы определителя занятости блока памяти;
фиг.3 – вариант структурной схемы определителя аварийности каналов.
Устройство для оценки технического состояния и обеспечения устойчивости каналов и средств связи в телекоммуникационных системах, показанное на фиг.1, содержит: блок ввода-вывода 1, распределитель 2, блок коммутации 3, распределитель сообщений 4, канальный модуль 5, первый определитель занятости блока памяти 6, первый определитель аварийности каналов 7, шифратор 8, первый элемент памяти 9, второй элемент памяти 10, третий элемент памяти 11, блок сравнения чисел 12, датчик локального времени 13, накопитель 14, накопитель описания ситуации по блокировке блока ввода-вывода 15, накопитель описания ситуации по ограничению нагрузки 16, накопитель описания ситуации по тревожной сигнализации 17, накопитель описания ситуации по аварийности АПД 18, накопитель описания ситуации по аварийности каналов 19, накопитель команд управления по блокировке блока ввода-вывода 20, накопитель команд управления по ограничению нагрузки 21, накопитель команд управления по тревожной сигнализации 22, накопитель команд управления по аварийности АПД 23, накопитель команд управления по аварийности каналов 24, первый элемент ИЛИ 25, первый элемент И 26, анализатор категории срочности 27, резервный распределитель сообщений 28, резервный канальный модуль 29, переключатель 30, второй элемент ИЛИ 31, формирователь служебного сообщения 32, третий элемент ИЛИ 33, накопитель описания ситуации превышения нагрузки 34 (М.Х.Джонс «Электроника, практический курс». – М.: Постмаркет, 1999. – 528 с.) (стр.310-311), накопитель команд управления 35 (М.Х.Джонс «Электроника, практический курс». – М.: Постмаркет, 1999. – 528 с.) (стр.310-311), второй определитель занятости блока памяти 36, демультиплексор 37 (М.Х.Джонс «Электроника, практический курс». – М.: Постмаркет, 1999. – 528 с.) (стр.418-420), первый ключ 38 (М.Х.Джонс «Электроника, практический курс». – М.: Постмаркет, 1999. – 528 с.) (стр.210-211), второй ключ 39 (М.Х.Джонс «Электроника, практический курс». – М.: Постмаркет, 1999. – 528 с.) (стр.210-211), третий ключ 40 (М.Х.Джонс «Электроника, практический курс». – М.: Постмаркет, 1999. – 528 с.) (стр.210-211), первый мультиплексор 41 (М.Х.Джонс «Электроника, практический курс». – М.: Постмаркет, 1999. – 528 с.) (стр.418-420), второй мультиплексор 42 (М.Х.Джонс «Электроника, практический курс». – М.: Постмаркет, 1999. – 528 с.) (стр.418-420), первый регистр памяти 43 (М.Х.Джонс «Электроника, практический курс». – М.: Постмаркет, 1999. – 528 с.) (стр.390-391), второй элемент И 44 (Токхейм Р. «Основы цифровой электроники»: Пер. с англ. – М.: Мир, 1998. – 392 с.) (стр.47-48), третий элемент И 45 (Токхейм Р. «Основы цифровой электроники»: Пер. с англ. – М.: Мир, 1998. – 392 с.) (стр.47-48), второй регистр памяти 46 (М.Х.Джонс «Электроника, практический курс». – М.: Постмаркет, 1999. – 528 с.) (стр.390-391), третий регистр памяти 47 (М.Х.Джонс «Электроника, практический курс». – М.: Постмаркет, 1999. – 528 с.) (стр.390-391), четвертый элемент И 48 (Токхейм Р. «Основы цифровой электроники»: Пер. с англ. – М.: Мир, 1998. – 392 с.) (стр.47-48), пятый элемент И 49 (Токхейм Р. «Основы цифровой электроники»: Пер. с англ. – М.: Мир, 1998. – 392 с.) (стр.47-48), четвертый регистр памяти 50 (М.Х.Джонс «Электроника, практический курс». – М.: Постмаркет, 1999. – 528 с.) (стр.390-391), шестой элемент И 51 (Токхейм Р. «Основы цифровой электроники»: Пер. с англ. – М.: Мир, 1998. – 392 с.) (стр.47-48), второй определитель аварийности каналов 52.
На чертеже обозначены:
1. Блок ввода-вывода.
2. Распределитель.
3. Блок коммутации.
4. Распределитель сообщений.
5. Канальный модуль.
6. Первый определитель занятости блока памяти.
7. Первый определитель аварийности каналов.
8. Шифратор.
9. Первый элемент памяти.
10. Второй элемент памяти.
11. Третий элемент памяти.
12. Блок сравнения чисел.
13. Датчик локального времени.
14. Накопитель.
15. Накопитель описания ситуации по блокировке блока ввода-вывода.
16. Накопитель описания ситуации по ограничению нагрузки.
17. Накопитель описания ситуации по тревожной сигнализации.
18. Накопитель описания ситуации по аварийности АПД.
19. Накопитель описания ситуации по аварийности каналов.
20. Накопитель команд управления по блокировке блока ввода-вывода.
21. Накопитель команд управления по ограничению нагрузки.
22. Накопитель команд управления по тревожной сигнализации.
23. Накопитель команд управления по аварийности АПД.
24. Накопитель команд управления по аварийности каналов.
25. Первый элемент ИЛИ.
26. Первый элемент И.
27. Анализатор категории срочности.
28. Резервный распределитель сообщений.
29. Резервный канальный модуль.
30. Переключатель.
31. Второй элемент ИЛИ.
32. Формирователь служебного сообщения.
33. Третий элемент ИЛИ.
34. Накопитель описания ситуации превышения нагрузки.
35. Накопитель команд управления.
36. Второй определитель занятости блока памяти.
37. Демультиплексор.
38. Первый ключ.
39. Второй ключ.
40. Третий ключ.
41. Первый мультиплексор.
42. Второй мультиплексор.
43. Первый регистр памяти.
44. Второй элемент И.
45. Третий элемент И.
46. Второй регистр памяти.
47. Третий регистр памяти.
48. Четвертый элемент И.
49. Пятый элемент И.
50. Четвертый регистр памяти.
51. Шестой элемент И.
52. Второй определитель аварийности каналов.
Второй определитель занятости блока памяти 36, состоящий из реверсивных счетчиков, предназначен для определения занятости блока памяти. Вариант структурной схемы определителя занятости блока памяти представлен на фиг.2. Более подробно состав и принцип действия описан в (М.Х.Джонс «Электроника, практический курс». – М.: Постмаркет, 1999. – 528 с.) (стр.320-326).
На чертеже обозначены:
36.1 Первый элемент И.
36.2 Первый анализатор состояния счетчика.
36.3 Второй элемент И.
36.4 Элемент ИЛИ.
36.5 Первый реверсивный счетчик.
36.6 Второй реверсивный счетчик.
36.7 Второй анализатор состояния счетчика.
36.8 Первый элемент памяти.
36.9 Второй элемент памяти.
36.10 Анализатор вида сообщений.
Второй определитель аварийности каналов 52 представлен на фиг.3. Более подробно состав и принцип действия описан в (М.Х.Джонс «Электроника, практический курс». – М.: Постмаркет, 1999. – 528 с.) (стр.320-326).
На чертеже обозначены:
52.1 Элемент НЕ.
52.2. Первый элемент ИЛИ-НЕ.
52.3. Второй элемент ИЛИ-НЕ.
52.4. Третий элемент ИЛИ-НЕ.
Введение в прототип новых отличительных признаков позволяет устройству повысить устойчивость каналов и средств связи в телекоммуникационных системах, а также использовать части резервного или основного тракта, использовать резервный тракт в часы максимальной нагрузки, позволит проводить технический контроль без отключения абонентов.
Проведенный анализ уровня техники позволил установить, что аналоги, характеризующиеся совокупностью признаков, тождественных всем признакам заявленного технического решения, отсутствуют, что указывает на соответствие заявленного устройства условию патентоспособности «новизна». Результаты поиска известных решений в данной и смежных областях техники с целью выявления признаков, совпадающих с отличительными от прототипа признаками заявленного объекта, показали, что они не следуют явным образом из уровня техники. Из уровня техники также не выявлена известность влияния предусматриваемых существенными признаками заявленного изобретения преобразований на достижение указанного технического результата. Следовательно, заявленное изобретение соответствует условию патентоспособности «изобретательский уровень».
Промышленная применимость введенных элементов обусловлена наличием элементной базы, на основе которой они могут быть выполнены.
Устройство работает следующим образом. При необходимости проконтролировать состояние распределителя 4, с блока 1 в распределитель 2 записывается формализованное тестовое сообщение. Оно поступает через блок коммутации 3 в распределитель сообщений 4, а затем через ключ 39 и мультиплексор 42 в канальный модуль 5. Здесь оно обнаруживается и стирается. Одновременно это сообщение поступает в определитель занятости блока 6, где хранятся данные о степени заполнения накопителя по категориям срочности, входящего в состав распределителя 4. При обнаружении тестового сообщения определителем занятости блока 6 сформируется сигнал, который поступает в элементы И 48 и 49, где сравниваются с накопителями 47 и 50, в которых хранятся тестовые последовательности, записываемые перед работой, и далее идентифицированная последовательность поступает в блок 51, с которого последовательность поступает в шифратор 8, а через распределитель 2 – в блок 1. По полученному сигналу оператор блока ввода-вывода 1 определяет состояние распределителя 4.
При необходимости проконтролировать состояние распределителя 28, с блока 1 в распределитель 2 записывается формализованное тестовое сообщение, под воздействием которого блок 3 сработает таким образом, что информация с распределителя 2 пойдет по резервному каналу. После с блока 1 в распределитель 2 записывается формализованное тестовое сообщение. Оно поступает через блок 3 в распределитель 28, а затем через ключ 40 и мультиплексор 41 в канальный модуль 29. Здесь оно обнаруживается и стирается. Одновременно это сообщение поступает в определитель занятости блока 36, где хранятся данные о степени заполнения накопителя по категориям срочности, входящего в состав распределителя 28. При обнаружении первого вида тестового сообщения определителем занятости блока 36 сформируется сигнал, который поступает на вход элементов И 44, 45, где сравниваются с накопителями 43 и 46, в которых хранятся тестовые последовательности, записываемые перед работой, после идентифицированная тестовая последовательность поступает в блок 51 и в шифратор 8, а через распределитель 2 – в блок 1. По полученному сигналу оператор блока ввода-вывода 1 определяет состояние распределителя 28.
При необходимости проконтролировать состояние канального модуля 5 с блока 1 сформируется тестовое сообщение. Канальный модуль 5 обнаруживает данный вид сообщения и через распределитель 2 переадресовывает его в блок 1. По результатам прохождения оператор сделает вывод о неисправности или исправности тракта.
При необходимости проконтролировать состояние канального модуля 29 с блока 1 сформируется формализованное тестовое сообщение, которое заставит сработать блок 3 таким образом, что информация с распределителя 2 пойдет по резервному каналу. После сформируется тестовое сообщение второго вида. Канальный модуль 29 обнаруживает данный вид сообщения и через распределитель 2 переадресовывает его в блок 1. По результатам прохождения оператор сделает вывод о неисправности или исправности тракта.
При определении аварийности канальных модулей 29 или 5, с блока 1 сформируется формализованное тестовое сообщение, которое поступит в демультиплексор 37, который выполняет переключение одного входа данных на два выхода, и сработают ключи 38, 39, 40, так что информация с распределителя 4 или 28 пойдет через ключи 40 или 39 и мультиплексоры 41 или 42 соответственно, в канальный модуль 29 или 5. Мультиплексоры 41 или 42 выполняют выбор данных с одного входа.
Повышение информационной нагрузки сообщениями различной категории срочности регистрируется определителями 6 и 36 занятости блока памяти. Пусть ведется передача сообщениями трех категорий срочности и имеет место «критическое» заполнение накопителя распределителя 4. В этом случае с выхода определителя занятости блока 6 вырабатывается сигнал, который поступает на элементы 48, 49, где сравнивается занятость блоков памяти и в зависимости от состояния блоков памяти, основного и резервного, вырабатывается один из сигналов: первый вид сообщения, если резервный распределитель 28 свободен, а распределитель 4 перегружен, второй вид сообщения, если резервный распределитель 28 и распределитель 4 перегружены, и третий вид сообщений, если нагрузка снизилась и нет необходимости использовать резервный тракт. При поступлении на шифратор 8 первого вида сообщения, оно преобразуется в определенную кодовую последовательность, записываемую в блок 12. При наличии такой последовательности в накопителе 34 блок 12 сформирует сигнал для записи в накопитель 35, выходной сигнал которого воздействует на блок 3 таким образом, что сообщения с низшей категорией с распределителя 2 пойдут по резервному каналу.
При поступлении на шифратор 8 второго вида сообщения, оно преобразуется в определенную кодовую последовательность, записываемую в блок 12. При наличии такой последовательности в накопителе 16 блок 12 сформирует сигнал для записи в накопитель 21. При прохождении через распределитель 2 сообщения низшей категории срочности, эти сообщения обнаруживаются анализатором 27. Элемент И 26 срабатывает и производит блокировку сообщений низшей категории срочности в блоке 3.
При поступлении на шифратор 8 третьего вида сообщения, оно преобразуется в определенную кодовую последовательность, записываемую в блок 12. При наличии такой последовательности в накопителе 34 блок 12 сформирует сигнал для записи в накопитель 35, выходной сигнал которого воздействует на блок 3 таким образом, что все сообщения пойдут по основному каналу. При несанкционированном воздействии на распределитель 4 сработает тревожная сигнализация, в результате сигнал с его третьего выхода запишется в элемент 9. Под воздействием этого сигнала шифратор 8 выработает кодовую последовательность, аналогичную записанной в накопитель 17. Произойдет совпадение двух чисел и, как результат, запуск накопителя 22. Накопитель 22 в зависимости от требований системы сформирует 1 или N сигналов для запуска формирователя 32.
При необходимости переключить каналы, на вход демультиплексора 37 поступает определенная кодовая последовательность, которая демультиплексируется, после один из разрядов кодовой последовательности управляет ключом 38 и определяет, положение какого из ключей 39 или 40 изменить для перераспределения входной информации. Для работы двух информационных входов по одному из выходов введены мультиплексоры 41, 42.
Определитель занятости блока 36 для двух категорий срочностей работает следующим образом. Анализатор 36.10 определяет категорию срочности передаваемых в канал связи сообщений, отчего срабатывают первый элемент памяти 36.8 и второй элемент памяти 36.9, выходной сигнал с которых поступает на один из входов реверсивных счетчиков 36.5 или 36.6. На второй вход реверсивных счетчиков 36.5 и 36.6 поступают сигналы считывания, формируемые распределителем 4 при считывании информации в канал связи, причем срабатывает тот реверсивный счетчик, категория срочности которого будет считываться к этому моменту. Срабатывание первого и второго реверсивных счетчиков 36.5, 36.6 по второму входу управляется первым элементом И 36.1 и вторым элементом И 36.3. По мере увеличения состояния первого реверсивного счетчика 36.5 или второго реверсивного счетчика 36.6, т.е. по мере увеличения объема информации в накопителе распределителя сообщений 28 до критического значения срабатывают первый и второй анализаторы состояния счетчиков 36.2 или 36.4 и соответствующая кодовая последовательность через элемент ИЛИ 36.4 поступает на вход элементов 44, 45.
Определитель аварийности каналов 52 работает следующим образом. Входной сигнал поступает на второй вход второго элемента 52.3 ИЛИ-НЕ и через элемент 52.1 НЕ на первый вход первого элемента ИЛИ-НЕ 52.2. Выходной импульс появится на выходе третьего элемента 52.4 ИЛИ-НЕ, на второй вход которого поступает сам входной сигнал, а на другой – сигнал с выхода элемента 52.2. При отрицательном перепаде сигнала на обоих входах входной схемы в течение некоторого времени присутствуют логические 0, пока из-за конечного времени задержки сигнал на выходе не перейдет на высокий уровень.
Оценка эффективности производится путем сравнения вероятности обслуживания (Pобсл) в часы наибольшей активности устройства – прототипа и предложенного устройства.
Допустим, что основной тракт имеет 3 цифровых канала, а резервный – 1 цифровой канал. Интенсивность потока заявок составляет =30 требований/час, а в часы наибольшей нагрузки =60 требований/час. Среднее время обслуживания 2 минуты. Требование по вероятности обслуживания абонентов Робсл 0,95.
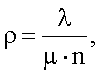
Вероятность отказа в обслуживании абонентов (Pотк) определяется по следующей формуле (Щекотихин В.М., Терентьев В.М. Прикладная математика: Учебное пособие. – Орел: Академия ФАПСИ, 2002. – 209 с.) (стр.53):

где – загрузка прибора;
N – количество приборов;
n – количество занятых приборов, количество обсуживаемых требований.
Загрузка приборов определяется следующим образом (Щекотихин В.М., Терентьев В.М. Прикладная математика: Учебное пособие. – Орел: Академия ФАПСИ, 2002. – 209 с.) (стр.53):

где – интенсивность потока заявок,
µ – интенсивность обслуживания требований.
Далее определим значение вероятности обслуживания абонентов (Pобсл) (Щекотихин В.М., Терентьев В.М., Прикладная математика: Учебное пособие. – Орел: Академия ФАПСИ, 2002. – 209 с.) (стр.53):

Для потока заявок =30 требований/час, вероятность обслуживания абонентов при использовании устройства-прототипа («Устройство для оценки состояния и управления каналами и техническими средствами в симплексных системах связи»: патент RU 2007878 С1, 12.02.94) Pобсл1=0,96.
Для потока заявок =60 требований/час, вероятность обслуживания абонентов при использовании устройства-прототипа («Устройство для оценки состояния и управления каналами и техническими средствами в симплексных системах связи»: патент RU 2007878 С1, 12.02.94) Робсл1=0,882, что меньше требуемого значения, поэтому используется резервный тракт.
Для потока заявок =60 требований/час, вероятность обслуживания абонентов при использовании предложенного устройства Робсл2=0,975.
Эффективность применения предлагаемого устройства равна:

Формула изобретения
Устройство для оценки технического состояния и обеспечения устойчивости каналов и средств связи в телекоммуникационных системах, содержащее блок ввода-вывода (1), распределитель (2), блок коммутации (3), распределитель сообщений (4), канальный модуль (5), первый определитель занятости блока памяти (6), определитель аварийности каналов (7), шифратор (8), первый, второй, третий элементы памяти (9), (10), (11), блок сравнения чисел (12), датчик локального времени (13), накопитель (14), накопитель описания ситуации по блокировке блока ввода-вывода (15), накопитель описания ситуации по ограничению нагрузки (16), накопитель описания ситуации по тревожной сигнализации (17), накопитель описания ситуации по аварийности аппаратуры передачи данных (АПД) (18), накопитель описания ситуации по аварийности каналов (19), накопитель команд управления по блокировке блока ввода-вывода (20), накопитель команд управления по ограничению нагрузки (21), накопитель команд управления по тревожной сигнализации (22), накопитель команд управления по аварийности АПД (23), накопитель команд управления по аварийности каналов (24), первый элемент ИЛИ (25), первый элемент И (26), анализатор категории срочности (27), резервный распределитель сообщений (28), резервный канальный модуль (29), переключатель (30), второй элемент ИЛИ (31), формирователь служебного сообщения (32), третий элемент ИЛИ (33), причем блок ввода-вывода (1), распределитель (2), блок коммутации (3), распределитель сообщений (4) последовательно соединены, первый и второй контрольные выходы распределителя сообщений (4) соответственно соединены с входами первого определителя занятости блока памяти (6) и определителя аварийности каналов (7), выход которого соединен со вторым входом шифратора (8), выход которого подключен ко второму входу распределителя (2), второй выход которого соединен с блоком ввода-вывода (1), три элемента памяти (9), (10), (11), каждый из которых соответственно подключен к третьему и четвертому контрольным выходам распределителя сообщений (4) и контрольному выходу канального модуля (5), выход которого соединен с третьим входом распределителя (2), датчик локального времени (13), накопитель (14) и блок сравнения чисел (12) последовательно соединены, второй вход накопителя (14) подключен ко второму выходу шифратора (8), первый, второй, третий, четвертый и пятый управляющие входы блока сравнения чисел (12) соединены соответственно с выходами накопителя описания ситуации по блокировке блока ввода-вывода (15), накопителя описания ситуации по ограничению нагрузки (16), накопителя описания ситуации по тревожной сигнализации (17), накопителя описания ситуации по аварийности АПД (18) и накопителя описания ситуации по аварийности каналов (19), первый, второй, третий, четвертый и пятый управляющие выходы блока сравнения чисел (12) соединены соответственно с накопителем команд управления по блокировке блока ввода-вывода (20), накопителем команд управления по ограничению нагрузки (21), накопителем команд управления по тревожной сигнализации (22), накопителем команд управления по аварийности АПД (23) и накопителем команд управления по аварийности каналов (24), выход накопителя команд управления по блокировке блока ввода-вывода (20) через первый элемент ИЛИ (25) подключен к блокирующему входу блока ввода-вывода (1), выход накопителя команд управления по ограничению нагрузки (21) соединен с входом первого элемента И (26), второй вход которого подключен к выходу анализатора категории срочности (27), а выход соединен с первым управляющим входом блока коммутации (3), дополнительный выход распределителя (2) соединен с входом анализатора категории срочности (27), выход накопителя команд управления по аварийности АПД (23) подключен к второму управляющему входу блока коммутации (3), выход которого соединен с входом резервного распределителя сообщений (28), выход которого соединен с входом резервного канального модуля (29), выход накопителя команд управления по аварийности каналов (24) соединен с входом переключателя (30), каждый из выходов которого подключен к основному или резервному каналу, а второй вход через второй элемент ИЛИ (33) подключен к выходу канального модуля (5), к выходу резервного модуля (29), к выходу формирователя служебного сообщения (32), вход которого соединен с выходом накопителя команд по тревожной сигнализации (22) и вторым входом элемента ИЛИ (25), выход первого элемента памяти (9) подключен к третьему входу шифратора (8), а выходы второго элемента памяти (10) и третьего элемента памяти (11) через третий элемент ИЛИ (31) подключены к четвертому входу шифратора (8), отличающееся тем, что в него введены накопитель описания ситуации превышения нагрузки (34), выход которого соединен с шестым входом блока сравнения чисел (12), шестой выход которого соединен с входом накопителя команд управления (35), выход которого соединен с третьим входом блока коммутации (3), второй определитель занятости блока памяти (36), выход которого соединен с входом второго элемента И (44) и входом третьего элемента И (45), выход первого регистра памяти (43) соединен с входом второго элемента И (44), выход второго регистра памяти (46) соединен с входом третьего элемента И (45), выход третьего регистра памяти (47) соединен с входом четвертого элемента И (48), выход четвертого регистра памяти (50) соединен с входом пятого элемента И (49), выход первого определителя занятости блока памяти (6) соединен со входом четвертого элемента И (48) и со входом пятого элемента И (49), выходы второго элемента И (44), третьего элемента И (45), четвертого элемента И (48) и пятого элемента И (49) соединены с первым, вторым, третьим и четвертым входом шестого элемента И (51) соответственно, выход которого соединен с первым входом шифратора (8), выходы резервного распределителя сообщений (28) соединены с входом второго определителя занятости блока памяти (36), с входом третьего ключа (40), с входом второго определителя аварийности каналов (52), выход которого соединен с одним из входов распределителя (2), один из выходов которого соединен с входом демультиплексора (37), выходы которого соединены с входами первого ключа (38), выходы которого соединены с входом второго ключа (39) и входом третьего ключа (40), первый выход третьего ключа (40) соединен с входом второго мультиплексора (42), а второй выход третьего ключа (40) соединен с входом первого мультиплексора (41), выход которого соединен с входом резервного канального модуля (29), один из выходов которого соединен с одним из входов распределителя (2), один из выходов которого соединен с четвертым входом блока коммутации (3), пятый выход распределителя сообщений (4) соединен с входом второго ключа (39), первый выход второго ключа (39) соединен с входом первого мультиплексора (41), а второй выход второго ключа (39) соединен с входом второго мультиплексора (42), выход которого соединен с входом канального модуля (5).
РИСУНКИ
|
|