|
(21), (22) Заявка: 2009109341/09, 13.03.2009
(24) Дата начала отсчета срока действия патента:
13.03.2009
(46) Опубликовано: 27.03.2010
(56) Список документов, цитированных в отчете о поиске:
RU 2339149 C1, 14.05.2007. SU 943684 A1, 15.07.1982. GB 2298939 A, 18.09.1996.
Адрес для переписки:
662972, Красноярский край, ЗАТО Железногорск, г. Железногорск, ул. Ленина, 52, ОАО “ИСС”, начальнику УИО Р.П. Туркеничу
|
(72) Автор(ы):
Чирков Алексей Владимирович (RU), Колмаков Владимир Владимирович (RU)
(73) Патентообладатель(и):
Открытое акционерное общество “Информационные спутниковые системы” имени академика М.Ф. Решетнёва” (RU)
|
(54) СТАБИЛИЗИРОВАННЫЙ ИСТОЧНИК ПИТАНИЯ
(57) Реферат:
Предлагаемое изобретение относится к стабилизированным источникам питания и может быть использовано для питания радиоэлектронной аппаратуры.
Техническим результатом настоящего изобретения является повышение стабильности выходного напряжения при изменении тока нагрузки потребителя.
Технический результат достигается тем, что стабилизация выходного напряжения ведется с учетом компенсирующего напряжения, пропорционального изменению тока нагрузки потребителя.
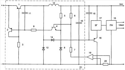
Суть изобретения поясняется чертежом, где представлена структурная схема стабилизированного источника питания с устройством формирования компенсирующего напряжения, пропорционального току нагрузки. 1 ил.
Изобретение относится к стабилизированным источникам питания и может быть использовано для питания радиоэлектронной аппаратуры.
Известен стабилизированный источник питания (патент 2339149), содержащий силовой транзистор 1 и управляющий транзистор 2, объединенные эмиттеры которых подключены к одному из полюсов входного источника питания. Резистор 3, подключенный к другому полюсу входного источника питания, обеспечивает ток базы силового транзистора 1. Усилительный транзистор 4, резистор 5 и резисторный делитель напряжения, состоящий из резисторов 6, 7, обеспечивают сравнение выходного напряжения с опорным напряжением на стабилитроне 8 и через резистор 9 и управляющий транзистор 2 выключают силовой транзистор 1 при достижении требуемого напряжения на конденсаторе фильтра 10 релейного стабилизатора напряжения 21. Времязадающий конденсатор 11 обеспечивает задержку на включение и форсированное запирание управляющего транзистора 2. Шунтирующий диод 12, дроссель 13 и конденсатор фильтра 10 образуют сглаживающий фильтр релейного стабилизатора напряжения 21. Отрицательная составляющая переменного напряжения дросселя 13 через выпрямительный диод 14 и фильтрующий конденсатор 15 поступает на базу транзистора параметрического стабилизатора 16, который обеспечивает включение задающего генератора 17 и преобразователя напряжения 18. Вторичное напряжение преобразователя напряжения 18 используется для питания аппаратуры потребителя.
Недостатком такого стабилизированного источника питания является то, что при изменении тока нагрузки потребителя, подключенного к вторичному напряжению, за счет выходного сопротивления стабилизированного источника питания происходит изменение выходного напряжения, что приводит к снижению стабильности выходного напряжения, питающего радиоэлектронную аппаратуру потребителя.
Задачей предлагаемого изобретения является повышение стабильности выходного напряжения при изменении тока нагрузки потребителя.
Поставленная задача достигается тем, что в стабилизированный источник питания, содержащий силовой транзистор 1 и управляющий транзистор 2, объединенные эмиттеры которых подключены к одному из полюсов входного источника питания, резистор 3, подключенный к другому полюсу входного источника питания, обеспечивающий ток базы силового транзистора 1, усилительный транзистор 4, резистор 5 и резисторный делитель напряжения, состоящий из резисторов 6, 7, обеспечивающие сравнение выходного напряжения с опорным напряжением на стабилитроне 8 и через резистор 9 и управляющий транзистор 2 выключающие силовой транзистор 1 при достижении требуемого напряжения на конденсаторе фильтра 10 релейного стабилизатора напряжения 21, времязадающий конденсатор 11, обеспечивающий задержку на включение и форсированное запирание управляющего транзистора 2, шунтирующий диод 12, дроссель 13 и конденсатор фильтра 10, образующие сглаживающий фильтр релейного стабилизатора напряжения 21, выпрямительный диод 14 и фильтрующий конденсатор 15, выпрямляющие отрицательную составляющую переменного напряжения дросселя 13, транзистор параметрического стабилизатора 16, который обеспечивает включение задающего генератора 17 и преобразователя 18, введены операционный усилитель 19 и измерительный резистор 20, при этом на вход операционного усилителя 19 подается напряжение с измерительного резистора 20, включенного в шину питания преобразователя напряжения 18, а выход операционного усилителя 19 через резистор 7 подключен к базе усилительного транзистора 4 релейного стабилизатора напряжения 21.
Схема повышения стабильности выходного напряжения работает следующим образом.
При изменении выходного тока стабилизированного источника питания происходит изменение выходного напряжения
A
где:
Uвых – изменение выходного напряжения источника питания;
Iвых – изменение выходного тока источника питания;
Rип – выходное сопротивление стабилизированного источника питания.
Для компенсации изменения выходного напряжения источника питания требуется обеспечить изменение напряжения релейного стабилизатора напряжения 21

где:
Uст – изменение напряжения релейного стабилизатора напряжения 21 (компенсирующее напряжение);
Кпр – коэффициент передачи преобразователя напряжения 18 (ПН)

где:
Uст – напряжение релейного стабилизатора напряжения 21;
Iст – выходной ток релейного стабилизатора напряжения 21;
Uвых – выходное напряжение источника питания;
Iвых – выходной ток источника питания.
Компенсирующее напряжение Uст формируется устройством, состоящим из релейного стабилизатора напряжения 21, операционного усилителя 19 и измерительного резистора 20

где:
Iст – изменение тока релейного стабилизатора напряжения 21;
Rи – сопротивление измерительного резистора 20;
Ку – коэффициент усиления операционного усилителя 19;
Кст – коэффициент стабилизации релейного стабилизатора напряжения 21.
Из формул (1) и (2) следует:

Из формул (4) и (5) находим:

С учетом принятой формулы (3) следует:

После упрощения выражения (6) вытекает условие компенсации выходного напряжения для рассмотренного стабилизированного источника питания:

Из выражения (8) следует:

Выражение (9) может быть использовано при оптимизации параметров устройства формирования компенсирующего напряжения Ucт.
Данное изобретение будет использовано в блоках управления приводами, разрабатываемых ОАО ИСС, в качестве стабилизатора напряжения вторичного источника питания.
Из известных заявителю патентно-информационных материалов не обнаружены признаки, сходные с совокупностью признаков заявляемого объекта.
Формула изобретения
Стабилизированный источник питания, содержащий релейный стабилизатор напряжения, состоящий из силового и управляющего транзисторов, объединенные эмиттеры которых подключены к входному источнику питания, коллектор управляющего транзистора соединен с базой силового транзистора и через резистор подключен к другому полюсу входного источника питания, база управляющего транзистора через времязадающий конденсатор подключена к коллектору силового транзистора и через резистор подключена к коллектору усилительного транзистора, коллектор силового транзистора через дроссель подключен к конденсатору фильтра релейного стабилизатора напряжения, а через шунтирующий диод подключен к другой полярности выхода релейного стабилизатора напряжения, эмиттер усилительного транзистора через резистор подключен к выходу релейного стабилизатора напряжения, а через стабилитрон – к другой полярности выхода релейного стабилизатора напряжения, база усилительного транзистора через резисторный делитель напряжения подключена к выходу релейного стабилизатора напряжения, коллектор силового транзистора релейного стабилизатора напряжения через выпрямительный диод подключен к фильтрующему конденсатору и базе транзистора параметрического стабилизатора, к выходу которого подключен задающий генератор, к выходу релейного стабилизатора напряжения подключен преобразователь напряжения, отличающийся тем, что в него введен операционный усилитель и измерительный резистор, при этом вход операционного усилителя соединен с измерительным резистором, измерительный резистор включен в шину питания преобразователя напряжения, а выход операционного усилителя через резистор подключен к базе усилительного транзистора релейного стабилизатора напряжения.
РИСУНКИ
|