|
|
(21), (22) Заявка: 2008130269/09, 21.07.2008
(24) Дата начала отсчета срока действия патента:
21.07.2008
(46) Опубликовано: 27.03.2010
(56) Список документов, цитированных в отчете о поиске:
RU 2208241 C1, 10.07.2003. RU 2037173 C1, 08.06.1995. SU 1764990 A1, 30.09.1992. GB 2146801 A1, 24.04.1985. US 5103404 A, 07.04.1992. EP 1652634 A1, 03.05.2006. WO 8800368 A1, 14.01.1988.
Адрес для переписки:
690041, г.Владивосток, ул. Радио, 5, Институт автоматики и процессов управления ДВО РАН (ИАПУ ДВО РАН)
|
(72) Автор(ы):
Филаретов Владимир Федорович (RU)
(73) Патентообладатель(и):
Институт автоматики и процессов управления Дальневосточного отделения Российской академии наук (статус государственного учреждения) (ИАПУ ДВО РАН) (RU)
|
(54) САМОНАСТРАИВАЮЩИЙСЯ ЭЛЕКТРОПРИВОД РОБОТА
(57) Реферат:
Изобретение относится к робототехнике и может быть использовано для создания систем управления приводами робота. Техническим результатом является обеспечение высокой динамической точности управления приводом указанной степени подвижности робота. В самонастраивающемся электроприводе введены новые связи с новыми функциональными зависимостями в соответствии с формулой изобретения, что обеспечило полную инвариантность рассматриваемого электропривода робота к эффектам взаимовлияния между всеми его степенями подвижности и моментам трения. Это позволяет получить стабильно высокое качество управления в любых режимах работы рассматриваемого электропривода. 3 ил.
Изобретение относится к робототехнике и может быть использовано при создании систем управления приводами роботов.
Известен самонастраивающийся электропривод робота, содержащий последовательно соединенные первый сумматор, первый блок умножения, второй сумматор, усилитель и двигатель, связанный с первым датчиком скорости непосредственно и через редуктор – с шестерней, приводящей в движение рейку, закрепленную неподвижно на горизонтальном звене робота, и движок первого датчика положения, установленного на вертикальном звене и измеряющего положение характерной точки горизонтального звена относительно вертикального, последовательно соединенные релейный блок и третий сумматор, второй вход которого подключен к выходу первого датчика скорости, входу релейного блока и второму входу первого сумматора, последовательно соединенные первый задатчик сигнала, четвертый сумматор, пятый сумматор, к второму входу которого подключен второй задатчик сигнала, второй блок умножения, шестой сумматор и третий блок умножения, а также датчик массы, причем выход датчика положения соединен с первым входом седьмого сумматора, подключенного вторым входом к входу электропривода, а выходом – к первому входу первого сумматора, выход третьего сумматора соединен с вторым входом второго сумматора, последовательно соединенные второй датчик скорости и квадратор, выход которого соединен с вторым входом третьего блока умножения, выходом подключенного к третьему отрицательному входу третьего сумматора, выход датчика массы соединен с вторыми входами первого и второго блоков умножения, выход датчика положения соединен с вторым входом четвертого сумматора, выход которого подключен к второму входу шестого сумматора, а выход первого сумматора соединен с третьим входом второго сумматора (см. патент РФ 2037173, БИ 16, 1995 г.).
Недостатком этого устройства является то, что оно эффективно только для исполнительного органа робота, имеющего три степени подвижности (выдвижение руки, поворот вертикальной стойки и вертикальное перемещение руки). Однако при этих трех степенях подвижности у робота мала рабочая зона (зона обслуживания).
Известен также самонастраивающийся электропривод робота, содержащий последовательно соединенные первый сумматор, первый блок умножения, второй сумматор, усилитель и электродвигатель, связанный с первым датчиком скорости непосредственно и через редуктор – с шестерней, первый датчик положения, измеряющий величину выдвижения горизонтального звена робота относительно его вертикального звена, последовательно соединенные релейный блок и третий сумматор, второй вход которого подключен к выходу первого датчика скорости, входу релейного блока и второму входу первого сумматора, последовательно соединенные первый задатчик сигнала, четвертый сумматор, пятый сумматор, к второму входу которого подключен второй задатчик сигнала, второй блок умножения, шестой сумматор и третий блок умножения, а также датчик массы, вход устройства соединен с первым входом седьмого сумматора, подключенного выходом к первому входу первого сумматора, выход третьего сумматора соединен со вторым входом второго сумматора, последовательно соединенные второй датчик скорости и квадратор, выход третьего блока умножения подключен к третьему входу третьего сумматора, выход датчика массы соединен с вторыми входами первого и второго блоков умножения, выход первого датчика положения соединен со вторым входом четвертого сумматора, выход которого подключен к второму входу шестого сумматора, а выход первого сумматора соединен с третьим входом второго сумматора, последовательно соединенные третий датчик скорости, четвертый блок умножения, второй вход которого подключен к выходу второго датчика скорости, пятый блок умножения, восьмой сумматор и шестой блок умножения, выход которого подключен к четвертому входу третьего сумматора, последовательно соединенные второй датчик положения, измеряющий угол поворота вертикального звена относительно вертикальной оси, первый функциональный преобразователь, реализующий функцию sin, и седьмой блок умножения, второй вход которого подключен к выходу первого датчика ускорения, а его выход – ко второму входу восьмого сумматора, последовательно соединенные второй датчик ускорения, восьмой блок умножения и девятый сумматор, выход которого подключен ко второму входу третьего блока умножения, а его второй вход – к выходу девятого блока умножения, первый и второй входы которого подключены соответственно к выходам квадратора и первого функционального преобразователя, последовательно соединенные третий задатчик сигнала и десятый сумматор, второй вход которого подключен к выходу датчика массы, а его выход – ко второму входу шестого блока умножения, вторые входы пятого и восьмого блоков умножения через второй функциональный преобразователь, реализующий функцию cos, подключены к выходу второго датчика положения, а второй вход седьмого сумматора соединен с выходом третьего датчика положения, измеряющего линейное горизонтальное перемещение всего робота относительно конкретной точки на рейке, неподвижно закрепленной в основании робота, с которой сцеплена шестерня (см. патент РФ 2208241, БИ 23, 2002 г.).
Данное устройство по своей технической сущности является наиболее близким к предлагаемому решению. Недостатком этого устройства является то, что оно эффективно только для робота, перемещающегося в перпендикулярном направлении. Для рассматриваемого электропривода характерен другой закон моментного воздействия со стороны других степеней подвижности движущегося робота. В результате возникает задача компенсации этого воздействия за счет введения новых сигналов коррекции.
Задачей, на решение которой направлено заявляемое техническое решение, является обеспечение полной инвариантности динамических свойств рассматриваемого электропривода к изменениям его моментных нагрузочных характеристик при движении исполнительного органа робота по всем пяти рассматриваемым степеням подвижности и тем самым повышение устойчивости и динамической точности его управления.
Технический результат, который может быть получен при реализации заявляемого технического решения, выражается в формировании сигнала управления, подаваемого на вход электропривода, который обеспечивает получение моментного воздействия, компенсирующего вредное моментное воздействие со стороны остальных степеней подвижности на качественные показатели работы рассматриваемого электропривода.
Поставленная задача решается тем, что в самонастраивающемся электроприводе робота, содержащем последовательно соединенные первый сумматор, первый блок умножения, второй сумматор, усилитель и электродвигатель, связанный с первым датчиком скорости непосредственно и через редуктор – с шестерней, первый датчик положения, измеряющий величину выдвижения горизонтального звена робота относительно его вертикального звена, последовательно соединенные релейный блок и третий сумматор, второй вход которого подключен к выходу первого датчика скорости, входу релейного блока и второму входу первого сумматора, последовательно соединенные первый задатчик сигнала, четвертый сумматор, пятый сумматор, к второму входу которого подключен второй задатчик сигнала, второй блок умножения, шестой сумматор и третий блок умножения, а также датчик массы, вход устройства соединен с первым входом седьмого сумматора, подключенного выходом к первому входу первого сумматора, выход третьего сумматора соединен со вторым входом второго сумматора, последовательно соединенные второй датчик скорости и квадратор, выход третьего блока умножения подключен к третьему входу третьего сумматора, выход датчика массы соединен с вторыми входами первого и второго блоков умножения, выход первого датчика положения соединен со вторым входом четвертого сумматора, выход которого подключен к второму входу шестого сумматора, а выход первого сумматора соединен с третьим входом второго сумматора, последовательно соединенные третий датчик скорости, четвертый блок умножения, второй вход которого подключен к выходу второго датчика скорости, пятый блок умножения, восьмой сумматор и шестой блок умножения, выход которого подключен к четвертому входу третьего сумматора, последовательно соединенные второй датчик положения, измеряющий угол поворота вертикального звена относительно вертикальной оси, и первый функциональный преобразователь, реализующий функцию sin, а также седьмой блок умножения, вход которого подключен к выходу первого датчика ускорения, а его выход – ко второму входу восьмого сумматора, последовательно соединенные второй датчик ускорения, восьмой блок умножения и девятый сумматор, выход которого подключен ко второму входу третьего блока умножения, а его второй вход – к выходу девятого блока умножения, первый вход которого подключен к выходу квадратора, последовательно соединенные третий задатчик сигнала и десятый сумматор, второй вход которого подключен к выходу датчика массы, а его выход – ко второму входу шестого блока умножения, вход второго функционального преобразователя, реализующего функцию cos, соединен с выходом второго датчика положения, а второй вход седьмого сумматора соединен с выходом третьего датчика положения, измеряющего линейное горизонтальное перемещение всего робота относительно конкретной точки на рейке, неподвижно закрепленной в основании робота, с которой сцеплена шестерня, вторые входы пятого и восьмого блоков умножения подключены к выходу первого функционального преобразователя, а вторые входы седьмого и девятого блоков умножения – к выходу второго функционального преобразователя.
Сопоставительный анализ существенных признаков предлагаемого технического решения с существенными признаками аналога и прототипа свидетельствует о его соответствии критерию “новизна”.
При этом отличительные признаки формулы изобретения обеспечивают высокую точность и устойчивость рассматриваемого электропривода робота в условиях существенного изменения параметров нагрузки.
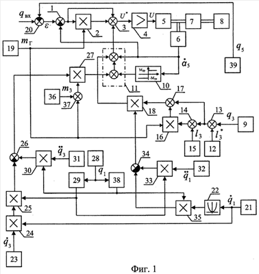
На фиг.1 представлена схема предлагаемого самонастраивающегося электропривода робота. На фиг.2 – кинематическая схема исполнительного органа этого робота, а на фиг.3 – вид сверху в проекции на горизонтальную плоскость XY.
Самонастраивающийся электропривод робота содержит последовательно соединенные первый сумматор 1, первый блок 2 умножения, второй сумматор 3, усилитель 4 и электродвигатель 5, связанный с первым датчиком скорости 6 непосредственно и через редуктор 7 – с шестерней 8, первый датчик 9 положения, измеряющий величину выдвижения горизонтального звена робота относительно его вертикального звена, последовательно соединенные релейный блок 10 и третий сумматор 11, второй вход которого подключен к выходу первого датчика 6 скорости, входу релейного блока 10 и второму входу первого сумматора 1, последовательно соединенные первый задатчик 12 сигнала, четвертый сумматор 13, пятый сумматор 14, к второму входу которого подключен второй задатчик 15 сигнала, второй блок 16 умножения, шестой сумматор 17 и третий блок 18 умножения, а также датчик 19 массы, вход устройства соединен с первым входом седьмого сумматора 20, подключенного выходом к первому входу первого сумматора 1, выход третьего сумматора 11 соединен со вторым входом второго сумматора 3, последовательно соединенные второй датчик 21 скорости и квадратор 22, выход третьего блока 18 умножения подключен к третьему входу третьего сумматора 11, выход датчика 19 массы соединен с вторыми входами первого 2 и второго 16 блоков умножения, выход первого датчика 9 положения соединен со вторым входом четвертого сумматора 13, выход которого подключен к второму входу шестого сумматора 17, а выход первого сумматора 1 соединен с третьим входом второго сумматора 3, последовательно соединенные третий датчик 23 скорости, четвертый блок 24 умножения, второй вход которого подключен к выходу второго датчика 21 скорости, пятый блок 25 умножения, восьмой сумматор 26 и шестой блок 27 умножения, выход которого подключен к четвертому входу третьего сумматора 11, последовательно соединенные второй датчик 28 положения, измеряющий угол поворота вертикального звена относительно вертикальной оси, и первый функциональный преобразователь 29, реализующий функцию sin, а также седьмой блок 30 умножения, вход которого подключен к выходу первого датчика 31 ускорения, а его выход – ко второму входу восьмого сумматора 26, последовательно соединенные второй датчик 32 ускорения, восьмой блок 33 умножения и девятый сумматор 34, выход которого подключен ко второму входу третьего блока умножения 18, а его второй вход – к выходу девятого блока 35 умножения, первый вход которого подключен к выходу квадратора 22, последовательно соединенные третий задатчик 36 сигнала и десятый сумматор 37, второй вход которого подключен к выходу датчика 19 массы, а его выход – ко второму входу шестого блока 27 умножения, вход второго функционального преобразователя 38, реализующего функцию cos, соединен с выходом второго датчика 28 положения, а второй вход седьмого сумматора 20 соединен с выходом третьего датчика 39 положения, измеряющего линейное горизонтальное перемещение всего робота относительно конкретной точки на рейке, неподвижно закрепленной в основании робота, с которой сцеплена шестерня 8, вторые входы пятого 25 и восьмого 33 блоков умножения подключены к выходу первого функционального преобразователя 29, а вторые входы седьмого 30 и девятого 35 блоков умножения – к выходу второго 38 функционального преобразователя.
На чертежах приведены следующие обозначения: qвx – сигнал с выхода программного устройства; – сигнал ошибки электропривода; U*, U – соответственно усиливаемый сигнал и сигнал управления электродвигателем; – обобщенные координаты соответствующих степеней подвижности исполнительного органа робота; mi, mГ (i=3,2) – массы соответствующих звеньев манипулятора и груза; l3=const – расстояние от центра масс горизонтального звена до средней точки схвата; – расстояния от оси вращения горизонтального звена до его центра масс при q3=0; , – скорости изменения первой и третьей обобщенных координат; – скорость вращения ротора электродвигателя пятой степени подвижности манипулятора; , , – ускорения в третьей, четвертой и пятой степенях подвижности манипулятора.
Рассматриваемый электропривод управляет линейным перемещением всего исполнительного органа робота в горизонтальной плоскости (обобщенная координата q5). Конструкция робота позволяет также осуществлять поворот вертикального звена (обобщенная координата q1), вертикальное прямолинейное перемещение горизонтального звена (обобщенная координата q2), линейное перемещением горизонтального звена в горизонтальной плоскости (обобщенная координата q3) и еще одно линейное перемещение вертикального звена в горизонтальной плоскости (обобщенная координата q4), перпендикулярное линейному перемещению с координатой q5. Эта конструкция робота позволяет выполнять производственные операции в очень большой рабочей зоне.
Самонастраивающийся электропривод работает следующим образом. На его вход подается воздействие qвх, обеспечивающее требуемый закон управления рассматриваемой степенью подвижности робота. На выходе сумматора 20 вырабатывается сигнал ошибки 8, который после коррекции в блоках 1, 2 и 3, усиливаясь, поступает на вход электродвигателя 5 с редуктором, приводя его вал во вращательное движение с направлением и скоростью (ускорением), зависящими от величины поступающего сигнала U и внешнего моментного воздействия Мв на привод.
Вся конструкция рассматриваемого робота с помощью электропривода перемещается в горизонтальной плоскости посредством передачи шестерня 8 – рейка. Причем рейка установлена неподвижно на основании робота, а шестерня 8 входит в зацепление с этой рейкой и имеет радиус r.
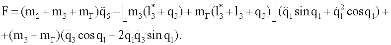
Несложно (с помощью уравнения Лагранжа второго рода) показать, что в процессе движения робота на привод степени подвижности q5 действует сила

Эта сила в процессе движения робота на выходном валу редуктора 7 создает момент, равный

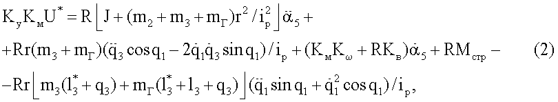
С учетом соотношения (1), а также уравнения электрической и механической

цепей электродвигателя постоянного тока с постоянными магнитами или независимого возбуждения рассматриваемый электропривод, управляющий координатой q5, можно описать следующим дифференциальным уравнением

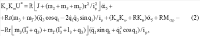
где R – активное сопротивление якорной цепи двигателя; J – момент инерции якоря электродвигателя и вращающихся частей редуктора, приведенный к валу электродвигателя; Км – коэффициент крутящего момента; К – коэффициент противоЭДС; Кв – коэффициент вязкого трения; ip – передаточное отношение редуктора; Мстр – момент сухого трения; Ку – коэффициент усиления усилителя 4; i – ток якоря электродвигателя 5; – ускорение вращения вала электродвигателя пятой степени подвижности.
Из выражения (2) видно, что параметры этого уравнения, а следовательно, параметры и динамические свойства электропривода, управляющего координатой q5, являются существенно переменными, зависящими от изменения координат q1, q3,  , , и массы захваченного груза mГ. Это снижает качественные показатели электропривода и даже приводит к потере устойчивости его работы. В связи с этим для качественного управления координатой q5 (для реализации поставленной выше задачи) необходимо точно компенсировать отрицательное влияние изменения координат q1, q3,  , , и mГ на динамические свойства рассматриваемого электропривода, т.е. необходимо сформировать такое корректирующее устройство, которое стабилизировало бы параметры этого электропривода таким образом, чтобы он описывался дифференциальным уравнением с постоянными желаемыми параметрами.
Первый положительный вход сумматора 1 (со стороны сумматора 20) имеет единичный коэффициент усиления, а его второй отрицательный вход – коэффициент усиления К /Ку. В результате на выходе сумматора 1 формируется сигнал . Первые и вторые положительные входы сумматоров 13 и 14 имеют единичные коэффициенты усиления. На выходах первого 12 и второго 15 задатчиков формируются сигналы и l3=const соответственно. В результате на выходе сумматора 13 формируется сигнал , а на выходе сумматора 14 – сигнал , так как датчик 9 измеряет положение точки горизонтального звена робота, отстоящей от центра масс этого звена на расстояние .
Первый положительный вход сумматора 17 (со стороны блока 16) имеет коэффициент усиления r/ip, а его второй положительный вход – коэффициент усиления rmз/ip. Датчик 19 измеряет массу захваченного груза mГ. В результате на выходе сумматора 17 формируется сигнал 
Датчик 28 измеряет угол поворота вертикального звена робота (координату q1). На выходах первого 29 и второго 38 функциональных преобразователей формируются сигналы sinq1 и cosq1 соответственно. Датчики 21 и 23 измеряют скорости и , а датчики 32 и 31 – ускорения , соответственно. В результате на выходе блока 25 формируется сигнал  sin q1 а на выходе блока 30 – сигнал cos q1.
Первый отрицательный (со стороны блока 25) и второй положительный входы сумматора 26 соответственно имеют коэффициенты усиления 2r/ip и r/ip. Задатчик 36 формирует сигнал m3. Положительные входы сумматора 37 имеют единичные коэффициенты усиления. В результате на выходе блока 27 формируется сигнал 
На выходе блока 35 формируется сигнал , а на выходе блока 33 – сигнал . Отрицательные входы сумматора 34 имеют единичные коэффициенты усиления. В результате на выходе блока 18 формируется сигнал 
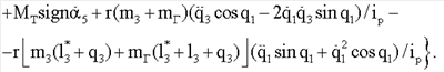
Выходной сигнал блока 10 имеет вид: ,
где |МТ| – величина момента сухого трения при движении электродвигателя.
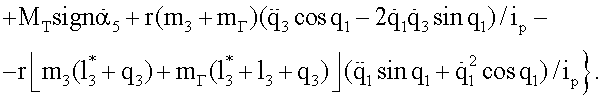
Все входы сумматора 11 положительные. Второй вход (со стороны датчика 6) имеет коэффициент усиления КМК /R+Кв, а остальные – единичные коэффициенты усиления. В результате на выходе этого сумматора формируется сигнал 
Первый положительный вход сумматора 3 (со стороны блока 2) имеет коэффициент усиления (JH – номинальное значение момента инерции, приведенного к валу электродвигателя 5), его второй положительный вход (со стороны сумматора 11) – коэффициент усиления , а третий положительный – коэффициент усиления . В результате на выходе сумматора 3 формируется сигнал


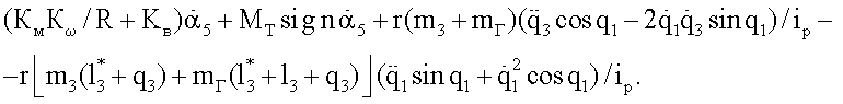
Несложно показать, что поскольку МТ sign при движении электропривода достаточно точно соответствует Мстр, то, подставив полученное значение U* в соотношение (2), получим уравнение
,
которое имеет постоянные желаемые параметры. То есть рассматриваемый электропривод, управляющий координатой q5, за счет введения рассмотренной выше самонастройки управляющего сигнала U* будет обладать постоянными желаемыми динамическими свойствами и качественными показателями, которые определяются выбором желаемых значений Ку, JH.
Формула изобретения
Самонастраивающийся электропривод робота, содержащий последовательно соединенные первый сумматор, первый блок умножения, второй сумматор, усилитель и электродвигатель, связанный с первым датчиком скорости непосредственно и через редуктор – с шестерней, первый датчик положения, измеряющий величину выдвижения горизонтального звена робота относительно его вертикального звена, последовательно соединенные релейный блок и третий сумматор, второй вход которого подключен к выходу первого датчика скорости, входу релейного блока и второму входу первого сумматора, последовательно соединенные первой задатчик сигнала, четвертый сумматор, пятый сумматор, к второму входу которого подключен второй задатчик сигнала, второй блок умножения, шестой сумматор и третий блок умножения, а также датчик массы, вход устройства соединен с первым входом седьмого сумматора, подключенного выходом к первому входу первого сумматора, выход третьего сумматора соединен со вторым входом второго сумматора, последовательно соединенные второй датчик скорости и квадратор, выход третьего блока умножения подключен к третьему входу третьего сумматора, выход датчика массы соединен со вторыми входами первого и второго блоков умножения, выход первого датчика положения соединен со вторым входом четвертого сумматора, выход которого подключен к второму входу шестого сумматора, а выход первого сумматора соединен с третьим входом второго сумматора, последовательно соединенные третий датчик скорости, четвертый блок умножения, второй вход которого подключен к выходу второго датчика скорости, пятый блок умножения, восьмой сумматор и шестой блок умножения, выход которого подключен к четвертому входу третьего сумматора, последовательно соединенные второй датчик положения, измеряющий угол поворота вертикального звена относительно вертикальной оси, и первый функциональный преобразователь, реализующий функцию sin, a также седьмой блок умножения, вход которого подключен к выходу первого датчика ускорения, а его выход – ко второму входу восьмого сумматора, последовательно соединенные второй датчик ускорения, восьмой блок умножения и девятый сумматор, выход которого подключен ко второму входу третьего блока умножения, а его второй вход – к выходу девятого блока умножения, первый вход которого подключен к выходу квадратора, последовательно соединенные третий задатчик сигнала и десятый сумматор, второй вход которого подключен к выходу датчика массы, а его выход – ко второму входу шестого блока умножения, вход второго функционального преобразователя, реализующего функцию cos, соединен с выходом второго датчика положения, а второй вход седьмого сумматора соединен с выходом третьего датчика положения, измеряющего линейное горизонтальное перемещение всего робота относительно конкретной точки на рейке, неподвижно закрепленной в основании робота, с которой сцеплена шестерня, отличающийся тем, что вторые входы пятого и восьмого блоков умножения подключены к выходу первого функционального преобразователя, а вторые входы седьмого и девятого блоков умножения – к выходу второго функционального преобразователя.
РИСУНКИ
|
|