Патент на изобретение №2385237

Published by on




РОССИЙСКАЯ ФЕДЕРАЦИЯ



ФЕДЕРАЛЬНАЯ СЛУЖБА
ПО ИНТЕЛЛЕКТУАЛЬНОЙ СОБСТВЕННОСТИ,
ПАТЕНТАМ И ТОВАРНЫМ ЗНАКАМ
(19) RU (11) 2385237 (13) C1
(51) МПК

B60L1/00 (2006.01)
B60L9/04 (2006.01)

(12) ОПИСАНИЕ ИЗОБРЕТЕНИЯ К ПАТЕНТУ

Статус: по данным на 28.09.2010 – действует

(21), (22) Заявка: 2008147979/11, 04.12.2008

(24) Дата начала отсчета срока действия патента:

04.12.2008

(46) Опубликовано: 27.03.2010

(56) Список документов, цитированных в отчете о
поиске:
RU 2314939 C2, 20.01.2008. RU 2210851 C2, 20.08.2003. DE 29921062 U1, 24.02.2000. RU 2179934 C2, 27.02.2002.

Адрес для переписки:

620075, г.Екатеринбург, ул. Мамина-Сибиряка, 145, ФГУП “НПО Автоматики”, Н.Г. Манько

(72) Автор(ы):

Андросов Николай Николаевич (RU),
Бабкина Тамара Николаевна (RU),
Булатов Вадим Львович (RU),
Головин Владимир Иванович (RU),
Ковалев Юрий Николаевич (RU),
Колесников Борис Иванович (RU),
Мансуров Владимир Александрович (RU),
Манько Николай Григорьевич (RU),
Новик Сергей Васильевич (RU),
Подосенов Станислав Германович (RU)

(73) Патентообладатель(и):

Федеральное государственное унитарное предприятие “Научно-производственное объединение автоматики имени академика Н.А. Семихатова” (RU)

(54) ПРЕОБРАЗОВАТЕЛЬНАЯ СИСТЕМА

(57) Реферат:

Изобретение относится к системам преобразования постоянного напряжения контактной сети в многоканальную систему напряжений электровоза постоянного тока. Система содержит цепи питания обмоток возбуждения тяговых электродвигателей и собственных нужд электровоза, две линии распределения электропитания, блоки связи с микропроцессорной системой управления и диагностики по двум кодовым линиям связи, блок преобразователей частоты и блок защиты. Каждая линия распределения электропитания содержит понижающий регулятор напряжения и два статических преобразователя напряжения. Технический результат заключается в улучшении обеспечения электропитанием основных и вспомогательных систем управления электровоза. 1 ил.

Изобретение относится к системам управления железнодорожным электротранспортом, а именно к системам преобразования постоянного напряжения контактной сети в многоканальную систему напряжений электровоза постоянного тока.

Преобразовательная система (ПС) обеспечивает:

– питание обмоток возбуждения (ОВ) тяговых электродвигателей (ТЭД) постоянного тока по схеме независимого (смешанного) возбуждения в режимах тяги, электродинамического и рекуперативного торможения;

– плавный пуск и регулирование оборотов асинхронных двигателей (АД) вентиляторов охлаждения ТЭД и тормозного компрессора;

– питание цепей управления и освещения (ЦУ и О);

– заряд аккумуляторной батареи (АБ);

– питание системы микроклимата (СМ) кабины машиниста.

Известные источники информации:

– преобразователь собственных нужд электровоза, содержащий в каждой секции электровоза статический преобразователь, состоящий из конденсаторного делителя напряжения контактной сети, средняя точка которого соединена с первым выводом первичной обмотки трансформатора, второй вывод которой соединен с эмиттером первого транзистора и коллектором второго транзистора, коллектор первого транзистора соединен с первым выводом конденсаторного делителя, а эмиттер второго транзистора соединен со вторым выводом конденсаторного делителя, выпрямитель, вход которого соединен с вторичной обмоткой трансформатора, и регулятор напряжения, в каждой секции электровоза содержится сглаживающий реактор, имеющий вывод для подключения к токоприемнику электровоза и другим выводом, соединенный с первым выводом конденсаторного делителя, и ШИМ-контроллером, вход которого подключен к выходу регулятора напряжения, первый выход ШИМ-контроллера соединен с управляющими цепями первого транзистора статического преобразователя первой секции и второго транзистора статического преобразователя второй секции электровоза, а второй выход ШИМ-контроллера соединен с управляющими цепями второго транзистора статического преобразователя первой секции и первого транзистора статического преобразователя второй секции (патент РФ на изобретение 2314939).

Известен многоканальный преобразователь М-ОМП-3500. Этот преобразователь служит для питания тягового электропривода и цепей собственных нужд электровоза. Преобразователь состоит из выпрямителя В-ОПП-3200, двух шкафов преобразователей частоты ШПЧ-150, трех блоков питания и двух сглаживающих реакторов («Компоненты и технология», 2005, 3).

В качестве прототипа предлагаемой ПС выбрана система, используемая на электровозах постоянного тока, например, ВЛ10, ВЛ11 с тяговыми двигателями постоянного тока (С.И.Осипов, С.С.Осипов «Основы тяги поездов». М., 2000, стр.24-113, 232-248).

В качестве аналога по схеме питания вспомогательных машин выбрана схема из известного источника информации (Н.И.Сидоров, Н.Н.Сидорова «Как устроен и работает электровоз». М.: «Транспорт», 1988, стр.99-109).

Использование предлагаемой ПС, обеспечивающей работу ТЭД по схеме с независимым (смешанным) возбуждением, дает следующие преимущества по сравнению со схемами последовательного возбуждения, используемыми в прототипе:

– возможность использования тягового двигателя последовательного возбуждения без дополнительных отводов от обмотки возбуждения для получения тягового привода с характеристиками двигателя смешанного соединения;

– улучшенные регулировочные свойства привода, что повышает его эксплуатационные качества:

– улучшение качества регулирования скорости движения электровоза за счет плавного изменения магнитного потока путем управления током возбуждения;

– увеличение среднего значения тяги по сцеплению по сравнению с ТЭД последовательного возбуждения (что позволяет водить поезда большей массы) и повышение вероятности самопроизвольного восстановления сцепления после его срыва;

– снижение расхода удельной энергии (на единицу массы) на тягу поезда;

– простой переход тягового двигателя в режим электрического торможения;

– возможность автоматического регулирования.

К недостаткам прототипа в остальной части можно отнести:

– питание двигателей вспомогательных машин (вентиляторов охлаждения (ВО) ТЭД и тормозного компрессора (ТК)) от контактной сети, что приводит к усложнению конструкции двигателей и их удорожанию;

– отсутствие возможности плавного регулирования системы;

– отсутствие диагностики по неисправностям системы;

– питание обогревателей кабины машиниста от контактной сети, что не соответствует требованиям безопасности при использовании обогревателей кабины;

– применение специального генератора для обеспечения питания ЦУиО.

Предлагаемая ПС отличается тем, что в ней:

– используется централизованная система обеспечения электропитанием вспомогательных машин, где в качестве приводов используются АД;

– обеспечивается более высокая надежность асинхронных машин, что существенно снижает вероятность выхода их из строя;

– используется схема понижения напряжения питания, что дает возможность использовать стандартные промышленные машины с малыми габаритами;

– обеспечивается регулирование скорости вращения ВО в зависимости от тока ТЭД, что повышает эффективность обдува и уменьшает расход электроэнергии вентиляторами обдува;

– обеспечивается плавный пуск ТК и ВО, что повышает срок их эксплуатации;

– повышается безопасность выходных устройств СМ (тепловентиляторов, тепловых панелей, кондиционеров) за счет снижения их питающего напряжения;

– применено резервирование схемы питания ЦУиО.

Две магистральные кодовые линии связи позволяют обеспечить:

– управление величиной тока в ОВ;

– управление вспомогательными машинами из системы управления электровоза;

– диагностику неисправностей аппаратуры ПС и объектов управления и передачу информации о неисправностях машинисту.

Таким образом, задачами изобретения являются: улучшение обеспечения электропитанием основных и вспомогательных систем управления электровоза; уменьшение расхода электроэнергии на обслуживание основных и вспомогательных систем электровоза; повышение надежности управления электровозом; обеспечение диагностики неисправностей ПС и объектов управления.

Для решения поставленных задач предлагается ПС, содержащая цепи питания ОВ ТЭД и собственных нужд электровоза, отличающаяся тем, что в нее введены две линии распределения электропитания, блоки связи с микропроцессорной системой управления и диагностики (МПСУиД) по двум кодовым линиям связи, блок преобразователей частоты и блок защиты, причем каждая линия распределения электропитания содержит понижающий регулятор напряжения (ПРН), два статических преобразователя напряжения (СПН), причем входы блоков связи являются управляющими входами ПС от МПСУиД, вход блока защиты является входом ПС от контактной сети (КС), первый вход-выход первого блока связи соединен с первым входом-выходом второго блока связи, входами-выходами первого ПРН, первого и второго СПН, входом первого преобразователя частоты (ПЧ) и входом преобразователя напряжения (ПН) блока преобразователей частоты (БПЧ), второй вход-выход первого блока связи соединен со вторым входом-выходом второго блока связи, второй вход – выход второго блока связи соединен со вторым входом-выходом первого блока связи, с входами-выходами второго ПРН, третьего и четвертого СПН, второго и третьего ПЧ, выход блока защиты соединен с входами соответственно первого и второго ПРН, выход первого ПРН соединен с входами соответственно первого и второго СПН, выход второго ПРН соединен с входами соответственно третьего и четвертого СПН, выход первого СПН соединен с входом первого ПЧ, а также является выходом ПС для связи с СМ, выход первого ПЧ является выходом ПС к ВО первого и второго ТЭД, первый выход второго СПН является выходом ПС к ОВ первого и второго ТЭД, второй выход второго СПН соединен с первым входом ПН БПЧ, первый и второй выходы которого являются выходами ПС к АБ и к ЦУиО соответственно, первый выход третьего СПН соединен со вторым входом ПН БПЧ, второй выход третьего СПН является выходом ПС к ОВ третьего и четвертого ТЭД, выход четвертого СПН соединен с входами соответственно второго и третьего ПЧ, выходы второго и третьего ПЧ являются выходами ПС к ТК и ВО третьего и четвертого ТЭД соответственно.

Предлагаемая ПС предназначена для:

– управления током ОВ ТЭД постоянного тока электровоза постоянного тока по схеме независимого (смешанного) возбуждения в режимах тяги, электродинамического и рекуперативного торможений;

– обеспечения плавного пуска и плавного регулирования частоты вращения АД вспомогательных механизмов электровоза (ВО ТЭД, ТК) путем изменения величины и частоты подводимого напряжения;

– электропитания ЦУиО и заряда АБ;

– электропитания СМ кабины машиниста.

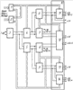
На фиг.1 показана блок-схема ПС.

На чертеже показано: 1 – первый блок связи ПС, 2 – второй блок связи ПС, 3 – блок защиты ПС, 4 – первый ПРН, 5 – второй ПРН, 6 – первый СПН, 7 – второй СПН, 8 – третий СПН, 9 – четвертый СПН, 10 – БПЧ, 11 – первый ПЧ, 12 – ПН БПЧ, 13 – второй ПЧ, 14 – третий ПЧ.

Блоки 1 и 2 связи представляют собой микропроцессорные устройства с тремя каналами обмена по интерфейсу RS485.

Блок 3 защиты представляет собой LC-фильтр, сглаживающий высоковольтную импульсную составляющую входного напряжения.

ПРН 4 и 5 построены по классической схеме понижающего DC-DC конвертера, где в качестве ключевого элемента используется IGBT модуль. Управление состоянием ключевого элемента осуществляется системой управления.

СПН 7 и 8 обеспечивают:

– преобразование входного напряжения 1000 В в прямоугольное напряжение амплитудой 500 В частотой 500 Гц;

– преобразование прямоугольного напряжения в постоянное напряжение 150 В (входное напряжение для ПН 12);

– преобразование прямоугольного напряжения в напряжение 64 В прямоугольной формы частотой 500 Гц с возможностью регулирования длительности прямоугольного напряжения (широтно-импульсное модулирование);

– поддержание в ОВ ТЭД требуемого значения тока.

СПН 6 и 9 обеспечивают преобразование постоянного входного напряжения 1000 В в напряжение 600 В для питания ПЧ и СМ.

БПЧ 10:

– организует управление ПЧ 11, 13 и 14 и контроль их состояния с помощью центрального контроллера управления блока;

– транслирует постоянное входное напряжение 600 В в СМ кабины машиниста;

– формирует диагностическую информацию по цепям зарядного устройства (ЗУ) и ЦУиО и выдает по запросу из БС 1 и 2.

ПЧ 11, 13 и 14 представляют собой преобразователи с традиционной структурой регулирования частоты и амплитуды выходного напряжения и обеспечивают:

– преобразование постоянного напряжения 600 В в переменное трехфазное напряжение 380 В±5%, в диапазоне от 16 до 50 Гц±5%;

– плавный разгон двигателей при пуске;

– длительную работу АД с регулированием выходного напряжения по амплитуде и частоте в диапазоне от 16 до 50 Гц.

ПН 12 включает ЗУ аккумуляторной батареи и преобразователь напряжения 110 В, обеспечивающий преобразование напряжения постоянного тока 150 В в стабилизированное напряжение бортовой низковольтной сети 110 В.

ПС работает следующим образом.

Напряжение КС с номинальным значением 3000 В постоянного тока поступает на вход блока 3 защиты, который подавляет высоковольтные помехи, содержащиеся во входном напряжении, и транслирует это напряжение на ПРН 4 и 5, которые обеспечивают первую ступень понижения напряжения до 1000 В. Напряжение с выходов ПРН 4 и 5 поступает на входы СПН 6, 7, 8 и 9 соответственно, которые обеспечивают вторую ступень понижения напряжения до требуемых значений с обеспечением гальванической развязки. Напряжение с СПН 6 поступает на вход БПЧ 10, откуда транслируется в СМ кабины машиниста и на ПЧ 11 электропитания вентилятора обдува первого и второго ТЭД.

Напряжение с СПН 9 поступает на вход БПЧ 10 и на вход ПЧ 14 электропитания вентиляторов обдува третьего и четвертого ТЭД и ПЧ 13 электропитания тормозного компрессора.

С выходов СПН 7 и 8 напряжение 150 В поступает на ПН 12, который обеспечивает подзаряд АБ и электропитание ЦУиО, а напряжение 64 В частотой 500 Гц питает ОВ первого-второго и третьего-четвертого ТЭД соответственно.

При одной возможной неисправности ПС работает следующим образом.

При одной неисправности электровоз переходит на работу по схеме последовательного возбуждения ТЭД, и ПС обеспечивает работу ТК, ВО ТЭД, питание ЦУиО.

При повышении напряжения КС до 8000 В ПС работает в обычном режиме. ПРН 4 и 5 обеспечивают требуемые рабочие характеристики для работы.

При кратковременном (не более 5 мс) повышении напряжения до 12000 В (коммутационные или атмосферные перенапряжения) блок 3 защиты обеспечивает снижение напряжения до 8000 В.

При длительном повышении напряжения свыше 8000 В блок 3 защиты формирует сигнал, обеспечивающий срабатывание систем защиты электровоза.

Таким образом, ПС с двумя линиями распределения электропитания потребителей при наличии двух магистральных кодовых линий связи, управляемых блоками связи ПС с МПСУ и Д, позволяет обеспечить:

распределение электропитания потребителей таким образом, чтобы обеспечивалась возможность управления электровозом при одной возможной неисправности ПС;

резервированное электропитание ЦУиО;

использование аппаратуры, которая работает в более благоприятных условиях по входному напряжению (на второй ступени понижения напряжения).

Формула изобретения

Преобразовательная система, содержащая цепи питания обмоток возбуждения тяговых электродвигателей и собственных нужд электровоза, отличающаяся тем, что в нее введены две линии распределения электропитания, блоки связи с микропроцессорной системой управления и диагностики по двум кодовым линиям связи, блок преобразователей частоты и блок защиты, причем каждая линия распределения электропитания содержит понижающий регулятор напряжения и два статических преобразователя напряжения, причем входы блоков связи являются управляющими входами преобразовательной системы от микропроцессорной системы управления и диагностики, вход блока защиты является входом преобразовательной системы от контактной сети, первый вход-выход первого блока связи соединен с первым входом-выходом второго блока связи, входами-выходами первого понижающего регулятора напряжения, первого и второго статических преобразователей напряжения, входом первого преобразователя частоты и входом преобразователя напряжения блока преобразователей частоты, второй вход-выход первого блока связи соединен со вторым входом-выходом второго блока связи, второй вход-выход второго блока связи соединен со вторым входом-выходом первого блока связи, с входами-выходами второго понижающего преобразователя напряжения, третьего и четвертого статических преобразователей напряжения, второго и третьего преобразователей частоты, выход блока защиты соединен с входами соответственно первого и второго понижающих регуляторов напряжения, выход первого понижающего регулятора напряжения соединен с входами соответственно первого и второго статических преобразователей напряжения, выход второго понижающего регулятора напряжения соединен с входами соответственно третьего и четвертого статических преобразователей напряжения, выход первого статического преобразователя напряжения соединен с входом первого преобразователя частоты, а также является выходом преобразовательной системы для связи с системой микроклимата, выход первого преобразователя частоты является выходом преобразовательной системы к вентиляторам охлаждения первого и второго тяговых электродвигателей, первый выход второго статического преобразователя напряжения является выходом преобразовательной системы к обмоткам возбуждения первого и второго тяговых электродвигателей, второй выход второго статического преобразователя напряжения соединен с первым входом преобразователя напряжения блока преобразователей частоты, первый и второй выходы которого являются выходами преобразовательной системы к аккумуляторной батарее и к цепям управления и освещения соответственно, первый выход третьего статического преобразователя напряжения соединен со вторым входом преобразователя напряжения блока преобразователей частоты, второй выход третьего статического преобразователя напряжения является выходом преобразовательной системы к обмоткам возбуждения третьего и четвертого тяговых электродвигателей, выход четвертого статического преобразователя напряжения соединен с входами соответственно второго и третьего преобразователей частоты, выходы второго и третьего преобразователей частоты являются выходами преобразовательной системы к тормозному компрессору и вентиляторам охлаждения третьего и четвертого тяговых электродвигателей соответственно.

РИСУНКИ

Categories: BD_2385000-2385999