|
|
(21), (22) Заявка: 2008110452/09, 18.03.2008
(24) Дата начала отсчета срока действия патента:
18.03.2008
(43) Дата публикации заявки: 27.09.2009
(46) Опубликовано: 20.03.2010
(56) Список документов, цитированных в отчете о поиске:
RU 2282295 C2, 20.08.2006. RU 2001127970 A, 27.06.2003. SU 1674306 A1, 30.08.1991. GB 2167582 A, 29.05.1986. US 4129809 A, 12.12.1978. JP 54082057 A, 29.06.1979. EP 022792 A, 08.07.1987. WO 8303930 A, 10.11.1983.
Адрес для переписки:
190031, Санкт-Петербург, Московский пр., 9, ПГУПС, патентный отдел
|
(72) Автор(ы):
Мазнев Александр Сергеевич (RU), Евстафьев Андрей Михайлович (RU)
(73) Патентообладатель(и):
Государственное образовательное учреждение высшего профессионального образования “Петербургский государственный университет путей сообщения” (RU)
|
(54) УСТРОЙСТВО ДЛЯ КОМПЕНСАЦИИ РЕАКТИВНОЙ МОЩНОСТИ
(57) Реферат:
Изобретение относится к области электротехники и может быть использовано на электроподвижном составе переменного тока. Технический результат заключается в повышении коэффициента мощности во всем диапазоне регулирования и надежности. В каждом полупериоде первый (7) или второй (8) диоды переходят в проводящее состояние, при этом второй (10) или первый (9) тиристор также переходит в проводящее состояние, так как блок управления (6) подает управляющий импульс на электрод управления тиристора. При переходе напряжения через «нуль» датчик напряжения (5) вырабатывает сигнал, по которому первый таймер, входящий в блок управления (6), обнуляется, а во второй таймер блока управления (6) записывается константа. При переходе тока через «нуль» датчик тока (4) вырабатывает сигнал, по которому содержимое первого таймера блока управления (6) фиксируется, при этом число, записанное в этом таймере, пропорционально тактовой частоте блока управления (6) и углу сдвига фазы тока. Второй таймер блока управления (6), в который записана константа в начале полупериода, продолжает счет на вычитание до тех пор, пока его содержимое не станет равно содержимому первого таймера блока управления (6). При равенстве значений первого и второго таймеров блок управления (6) вырабатывает импульс управления на выключение первого (9) или второго (10) тиристора. 1 ил.
Изобретение относится к электротехнике и может быть применено на электроподвижном составе переменного тока для повышения коэффициента мощности.
Известно устройство для компенсации реактивной мощности, содержащее тяговый трансформатор, преобразователь, тяговый двигатель пульсирующего тока, два источника реактивной мощности, датчики тока и напряжения, блок управления, коммутатор (RU 2212086, кл. H02J 3/18, B60L 9/12, бюл. 25, 10.09.2003).
Недостатком устройства является возникновение ударных токов при подключении коммутатором источника реактивной мощности к вторичной обмотке трансформатора в случае несоответствия напряжения на обмотке трансформатора и на конденсаторе источника реактивной мощности, что снижает надежность устройства. Появление ударных токов снижает коэффициент мощности.
Известно устройство для компенсации реактивной мощности, содержащее тяговый трансформатор, преобразователь, тяговый двигатель пульсирующего тока, два источника реактивной мощности, блок управления, коммутатор, датчики тока и напряжения (RU 2256994, кл. H02J 3/18, B60L 9/12, бюл. 20, 20.07.2005 – прототип).
Недостатком устройства, принятого за прототип, является дискретный способ регулирования реактивной мощности с большим шагом дискретности, что снижает коэффициент мощности во всем диапазоне регулирования, большое количество дополнительных элементов снижает надежность устройства.
Задача изобретения – повысить надежность устройства для компенсации реактивной мощности за счет сокращения числа элементов и исключения возникновения ударных токов в реактивных элементах и повысить коэффициент мощности во всем диапазоне регулирования за счет применения секторного регулирования в управляемом выпрямителе.
Технический результат достигается тем, что в устройство для компенсации реактивной мощности, содержащее тяговый трансформатор, первичная обмотка которого подключена к питающей сети, последовательно соединенные якорную обмотку и обмотку возбуждения тягового двигателя пульсирующего тока, датчик тока и датчик напряжения, их выходы подключены к первому и второму входам блока управления соответственно, согласно изобретению дополнительно введены два диода и два двухоперационных тиристора, к свободному выводу якорной обмотки тягового двигателя пульсирующего тока подключены аноды первого и второго диодов и первый вывод датчика напряжения, второй вывод которого подключен к свободному выводу обмотки возбуждения тягового двигателя пульсирующего тока и общему выводу катодов первого и второго двухоперационных тиристоров, электроды управления которых подключены к первому и второму выходам блока управления соответственно, анод первого двухоперационного тиристора и катод первого диода соединены с первым выводом вторичной обмотки тягового трансформатора, второй вывод которой соединен через датчик тока с катодом второго двухоперационного тиристора и анодом второго диода.
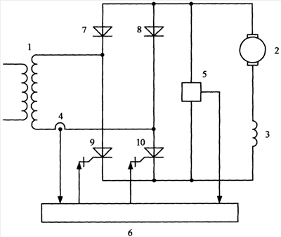
На чертеже изображена принципиальная электрическая схема предлагаемого устройства для компенсации реактивной мощности.
В соответствии с чертежом устройство для компенсации реактивной мощности, содержащее тяговый трансформатор 1, первичная обмотка которого подключена к питающей сети, последовательно соединенные якорную обмотку 2 и обмотку возбуждения 3 тягового двигателя пульсирующего тока, датчик тока 4 и датчик напряжения 5, их выходы подключены к первому и второму входам блока управления 6 (например, ADAM-5510, Прософт краткий каталог продукции 6.0, 2001, с.47) соответственно, к свободному выводу якорной обмотки 2 тягового двигателя пульсирующего тока подключены аноды первого 7 и второго 8 диодов и первый вывод датчика напряжения 5, второй вывод которого подключен к свободному выводу обмотки возбуждения 3 тягового двигателя пульсирующего тока и общему выводу катодов первого 9 и второго 10 двухоперационных тиристоров, электроды управления которых подключены к первому и второму выходам блока управления 6 соответственно, анод первого двухоперационного тиристора 9 и катод первого диода 7 соединены с первым выводом вторичной обмотки тягового трансформатора 1, второй вывод которой соединен через датчик тока 4 с катодом второго двухоперационного тиристора 10 и анодом второго диода 8.
Устройство для компенсации реактивной мощности работает следующим образом. В каждом полупериоде к соответствующему плечу полууправляемого моста прикладывается напряжение полярности, при которой первый 7 или второй 8 диоды переходят в проводящее состояние, при этом второй 10 или первый 9 тиристор также переходит в проводящее состояние, так как блок управления 6 подает управляющий импульс на электрод управления тиристора. При переходе напряжения через «нуль» датчик напряжения 5 вырабатывает сигнал, по которому первый таймер, входящий в блок управления 6, обнуляется, а во второй таймер записывается число , где Т – период переменного тока, f – тактовая частота блока управления 6. Так как нагрузка выпрямителя имеет реактивный характер, то потребляемый нагрузкой ток сдвинут по фазе по отношению к напряжению на угол . При переходе тока через «нуль» датчик тока 4 вырабатывает сигнал, по которому содержимое первого таймера блока управления 6 фиксируется, при этом число, записанное в этом таймере, пропорционально тактовой частоте блока управления 6 и углу сдвига фазы тока . Второй таймер, в который записано число N в начале полупериода, продолжает счет на вычитание до тех пор, пока его содержимое не станет равно содержимому первого таймера. При равенстве значений первого и второго таймера блок управления 6 вырабатывает импульс управления на выключение первого 9 или второго 10 тиристора. При этом угол выключения = – . Одновременное регулирование углов и позволяет получить совпадение по фазе напряжения сети и первой гармоники тока в широком диапазоне изменения среднего значения выпрямленного напряжения. При этом обеспечивается коэффициент мощности близкий к единице.
Предлагаемое устройство для компенсации реактивной мощности реализует поставленную задачу: повышает надежность устройства для компенсации реактивной мощности за счет сокращения числа элементов (на 17) и исключения возникновения ударных токов в реактивных элементах и повышает коэффициент мощности во всем диапазоне регулирования за счет применения секторного регулирования в управляемом выпрямителе.
Формула изобретения
Устройство для компенсации реактивной мощности, содержащее тяговый трансформатор, первичная обмотка которого подключена к питающей сети, последовательно соединенные якорную обмотку и обмотку возбуждения тягового двигателя пульсирующего тока, датчик тока и датчик напряжения, их выходы подключены к первому и второму входам блока управления соответственно, отличающееся тем, что в него дополнительно введены два диода и два двухоперационных тиристора, к свободному выводу якорной обмотки тягового двигателя пульсирующего тока подключены аноды первого и второго диодов и первый вывод датчика напряжения, второй вывод которого подключен к свободному выводу обмотки возбуждения тягового двигателя пульсирующего тока и общему выводу катодов первого и второго двухоперационных тиристоров, электроды управления которых подключены к первому и второму выходам блока управления соответственно, анод первого двухоперационного тиристора и катод первого диода соединены с первым выводом вторичной обмотки тягового трансформатора, второй вывод которой соединен через датчик тока с вторым диодом и вторым двухоперационным тиристором так, что в каждом полупериоде к соответствующему плечу полууправляемого моста прикладывается напряжение полярности, при которой первый или второй диоды переходят в проводящее состояние, при этом второй или первый двухоперационный тиристор указанного моста, к электроду управления которого приложен управляющий импульс, также переходит в проводящее состояние.
РИСУНКИ
|
|