|
|
(21), (22) Заявка: 2008130187/02, 21.07.2008
(24) Дата начала отсчета срока действия патента:
21.07.2008
(46) Опубликовано: 20.03.2010
(56) Список документов, цитированных в отчете о поиске:
SU 1362537 А1, 30.12.1987. SU 836425 А, 07.06.1981. SU 51415 А1, 01.01.1937. ЕР 1634659 А1, 15.03.2006.
Адрес для переписки:
455002, Челябинская обл., г. Магнитогорск, ул. Кирова, 93, ОАО “ММК”, отдел рационализации, изобретательства и патентной работы
|
(72) Автор(ы):
Антипанов Вадим Григорьевич (RU), Корнилов Владимир Леонидович (RU)
(73) Патентообладатель(и):
Открытое акционерное общество “Магнитогорский металлургический комбинат” (RU)
|
(54) СТАЛЬНАЯ ЦИЛИНДРИЧЕСКАЯ ОБОЛОЧКА
(57) Реферат:
Изобретение относится к области обработки металлов давлением, в частности к изделиям из холодногнутых гофрированных листов. Стальная цилиндрическая оболочка содержит две поверхности из гофрированных волнистых листов, гофры которых взаимно перпендикулярны, при этом гофры одной цилиндрической поверхности направлены вдоль образующей цилиндра и вершины гофров обеих поверхностей контактируют между собой. При этом отношение параметров оболочки получены опытным путем. Уменьшается расход металла и повышается жесткость оболочек. 2 з.п. ф-лы, 1 ил.
Изобретение относится к изделиям из листового проката, в частности из холодногнутых гофрированных листов.
Такие листы могут иметь гофры различной формы – полукруглые, треугольные, трапециевидные и др. Сортамент гофрированных листов достаточно широко представлен в справочнике под ред. И.С.Тришевского «Производство и применение гнутых профилей проката», М., «Металлургия», 1975, с.494-510. Одним из видов гофрированных листовых профилей являются волнистые листы (см. там же – с.509-510).
Листовой прокат часто используется для изготовления различных цилиндрических изделий – труб, контейнеров, цистерн и т.п., причем с этой же целью можно использовать и гофрированный лист, который при одинаковой толщине с гладким листом имеет значительно большую жесткость (сопротивление изгибу).
Известен криогенный сосуд, содержащий внутреннюю и наружную обечайки, расположенный между ними изолирующий пакет из установленных друг на друга пластинчатых профилированных дисков с центральным отверстием (см. а.с. СССР 970028, кл. F17C 3/08, опубл. в БИ 40, 1982 г.). Однако этот сосуд имеет весьма ограниченное применение, что сужает область его использования.
Наиболее близким аналогом к заявляемому объекту является стальная цилиндрическая оболочка, упоминаемая в а.с. СССР 1362537, кл. B21D 5/06, опубл. в БИ 48, 1987 г.
Эта оболочка имеет образующую поверхность, выполненную из гофрированного листового профиля, и характеризуется тем, что гофры выполнены с треугольным поперечным сечением, параметры которых определяются толщиной листа. Недостатком известной оболочки является относительно невысокая жесткость, что вынуждает увеличивать толщину листового профиля с соответствующим ростом расхода металла на изготовление оболочки.
Технической задачей настоящего изобретения является уменьшение расхода металла на производство различных цилиндрических изделий за счет повышения их жесткости.
Предлагаемая стальная цилиндрическая оболочка содержит образующую поверхность из гофрированного листа, и эта оболочка содержит две поверхности из гофрированных волнистых листов, гофры которых взаимно перпендикулярны друг другу, при этом гофры одной цилиндрической поверхности направлены вдоль образующей цилиндра и вершины гофров обеих поверхностей контактируют между собой, высота гофров равна 12 20 толщинам волнистого листа, а расстояние от центра цилиндра до окружности соприкосновения гофров составляет (14 20)·hн, hн – высота гофров наружной поверхности; высота гофров у цилиндрических поверхностей может быть не одинакова, а сами цилиндрические поверхности выполнены из разных марок стали.
Приведенные отношения параметров оболочки получены опытным путем и являются эмпирическими.
Сущность заявляемого технического решения состоит в оптимизации основных параметров цилиндрической оболочки, а также в возможности изготовления ее поверхностей из различных сталей, что значительно расширяет область использования данного изделия. Кроме того, выполнение поверхностей из листовых профилей с волнистыми гофрами облегчает изготовление цилиндра с поперечными гофрами (по сравнению, например, с треугольными гофрами) и сводит до минимума возможность трещинообразования при изгибе листа.
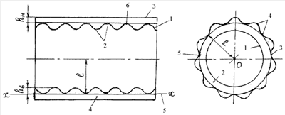
Предлагаемая оболочка схематично показана на чертеже.
Внутренняя поверхность 1 выполнена, например, с поперечными (по отношению к образующей цилиндра) волнистыми гофрами 2, а внешняя поверхность 3 – с продольными волнистыми гофрами 4; высота гофров соответственно hв и h11, причем высота гофров равна 12 20 толщинам S листа соответствующей поверхности, а расстояние от центра О цилиндра до окружности 5 соприкосновения (во фронтальной проекции линия хх) гофров 2 и 4 l=(14 20)·hн.
Опытную проверку заявляемой цилиндрической оболочки осуществляли в ОАО «Магнитогорский металлургический комбинат».
С этой целью были изготовлены различные варианты оболочек: с продольными и поперечными гофрами наружной поверхности, с гофрами различной высоты, с величинами hн=hв и hн hв, из листовых профилей различной толщины, с разной величиной l, а также из одинаковых и разных сталей листовых гофрированных поверхностей. Результаты опытов оценивали по жесткости оболочек при приложении к ним нагрузок по оси цилиндров и перпендикулярно их образующим.
Наилучшие результаты (максимальная жесткость) получены для оболочек с рекомендуемыми параметрами; отклонения от предлагаемых соотношений ухудшали достигнутые показатели.
Так, при высоте гофров (5 11) жесткость (величина деформирующих усилий) снижалась в 2,7 1,2 раза, а при их высоте более 20 S затруднялось изготовление цилиндров с поперечными гофрами, а в ряде случаев при изгибе профилей наблюдалось трещинообразование на вершинах гофров. При l>20 hн также происходило уменьшение жесткости оболочек, а при l<14 hн затруднялся изгиб профилей с вышеназванными последствиями.
Разница в высоте гофров hн hв при их рекомендуемой высоте (12 20) S не сказывалась отрицательно на жесткости оболочек. С положительными результатами были также испытаны оболочки, внутренняя поверхность которых выполнена из нержавеющей стали, а внешняя – из обычной углеродистой,
причем разность величин их временного сопротивления в была в пределах 20 65%. Диапазон толщин поверхностей S составлял 0,5 2,0 мм.
Испытания известной цилиндрической оболочки, выбранной в качестве ближайшего аналога (см. выше), показали, что при одинаковых S (для заявляемой оболочки – это суммарная толщина) h и наружных диаметрах цилиндров жесткость предлагаемой оболочки и известной, изготовленных из одинаковых сталей, разнилась почти в 2,5 раза. Таким образом, опыты подтвердили приемлемость найденного технического решения для достижения поставленной цели и его преимущество перед известным объектом.
Технико-экономические исследования показали, что использование настоящего изобретения при изготовлении цилиндрических оболочек различного назначения уменьшает расход металла не менее чем в два раза.
Пример конкретного выполнения
Цилиндрическая оболочка имеет вид, показанный на чертеже.
Поверхности оболочки имеют S=1,2 мм, причем внутренняя выполнена из нержавеющей стали 08Х18Н10Т, а внешняя – из ст.45.
Параметры оболочки: hв=14S 17 мм, hн=18S=18·1,2 22 мм; l=16hн=16·22=352 мм.
Оболочка предназначена для изготовления контейнеров, транспортирующих серную кислоту, объемом 400 дм3.
Формула изобретения
1. Стальная цилиндрическая оболочка, отличающаяся тем, что она содержит две образующие поверхности из гофрированных волнистых листов, гофры которых взаимно перпендикулярны друг другу, при этом гофры одной цилиндрической поверхности направлены вдоль образующей цилиндра и вершины гофр обеих поверхностей контактируют между собой, высота гофр равна 12 20 толщинам волнистого листа, а расстояние от центра цилиндра до окружности соприкосновения гофр составляет (14 20)·hH, где hH – высота гофр наружной поверхности.
2. Оболочка по п.1, отличающаяся тем, что высота гофр у цилиндрических поверхностей неодинакова.
3. Оболочка по п.1, отличающаяся тем, что цилиндрические поверхности выполнены из разных марок стали.
РИСУНКИ
|
|