|
|
(21), (22) Заявка: 2009103491/09, 02.02.2009
(24) Дата начала отсчета срока действия патента:
02.02.2009
(46) Опубликовано: 10.03.2010
(56) Список документов, цитированных в отчете о поиске:
RU 2020711 C1, 30.09.1994. SU 1900659 A1, 07.03.1993. GB 1204692 A, 09.09.1970.
Адрес для переписки:
432071, г.Ульяновск, а/я 2280, Е.М. Силкину
|
(72) Автор(ы):
Клоков Алексей Александрович (RU), Силкин Евгений Михайлович (RU), Шестоперов Георгий Николаевич (RU), Юнович Владимир Николаевич (RU)
(73) Патентообладатель(и):
Открытое акционерное общество “Электровыпрямитель” (RU)
|
(54) ПАРАЛЛЕЛЬНЫЙ ИНВЕРТОР НАПРЯЖЕНИЯ
(57) Реферат:
Изобретение относится к преобразовательной технике и может быть использовано в источниках питания для индукционных нагревателей. Изобретение расширяет область применения автономного параллельного инвертора напряжения. Параллельный инвертор напряжения содержит подключенную к входным выводам через магнитосвязанные дроссели фильтра (1, 2) последовательную цепь, включающую конденсатор фильтра (3), выходные выводы (4) и второй конденсатор фильтра (5), зашунтированную двухоперационным вентилем (6) с встречно-параллельным диодом (7) и компенсирующим конденсатором (8). Технический результат – расширение области применения. 2 ил.
Изобретение относится к преобразовательной технике и может быть использовано в источниках питания для индукционных нагревателей и других электротехнологических нагрузок. Изобретение расширяет область применения автономного параллельного инвертора напряжения.
12. – С.42).
Недостатком параллельного инвертора напряжения является узкая область применения. Работа на некоторые типы индукционных нагревателей или других электротехнологических нагрузок, имеющих индуктивный характер и высокую добротность, например, на вакуумные плавильные печи или закалочные трансформаторы с известным инвертором невозможна или затруднительна. Это обусловлено высокими уровнями коммутационных потерь и перенапряжений на двухоперационном вентиле и встречно-параллельном диоде, высокими уровнями токов через двухоперационный вентиль и встречно-параллельный диод из-за наличия постоянной составляющей в токе нагрузки, что может привести к выходу их из строя, или неравенством потенциалов концов индуктора, приводящих к локальным пробоям изоляционных промежутков. При подключении нагрузки через согласующий трансформатор из-за постоянного потока подмагничивания возможно насыщение сердечника трансформатора и резкое возрастание тока через элементы схемы, что также может привести к выходу их из строя.
9).
Недостатком параллельного инвертора напряжения является узкая область применения. Работа на некоторые типы индукционных нагревателей или других электротехнологических нагрузок, имеющих индуктивный характер и высокую добротность, например, на вакуумные плавильные печи или закалочные трансформаторы с известным инвертором невозможна или затруднительна. Это обусловлено высокими уровнями коммутационных потерь и перенапряжений на двухоперационном вентиле и встречно-параллельном диоде, высокими уровнями токов через двухоперационный вентиль и встречно-параллельный диод из-за наличия постоянной составляющей в токе нагрузки, что может привести к выходу их из строя, или неравенством потенциалов концов индуктора, приводящих к локальным пробоям изоляционных промежутков. При подключении нагрузки через согласующий трансформатор из-за постоянного потока подмагничивания возможно насыщение сердечника трансформатора и резкое возрастание тока через элементы схемы, что также может привести к выходу их из строя.
18)
Указанный параллельный инвертор напряжения является наиболее близким по технической сущности к изобретению и выбран в качестве прототипа.
Недостатком известного параллельного инвертора напряжения является узкая область применения. Работа на некоторые типы индукционных нагревателей или других электротехнологических нагрузок, имеющих индуктивный характер и высокую добротность, например, на вакуумные плавильные печи или закалочные трансформаторы с известным инвертором невозможна или затруднительна. Это обусловлено высокими уровнями коммутационных потерь и перенапряжений на двухоперационном вентиле и встречно-параллельном диоде, высокими уровнями токов через двухоперационный вентиль и встречно-параллельный диод из-за наличия постоянной составляющей в токе нагрузки, что может привести к выходу их из строя, или неравенством потенциалов концов индуктора, приводящих к локальным пробоям изоляционных промежутков. При подключении нагрузки через согласующий трансформатор из-за постоянного потока подмагничивания возможно насыщение сердечника трансформатора и резкое возрастание тока через элементы схемы, что также может привести к выходу их из строя.
Изобретение направлено на решение задачи расширения области применения параллельного инвертора напряжения, что является целью изобретения.
Указанная цель достигается тем, что параллельный инвертор напряжения содержит подключенную к входным выводам через магнитосвязанные дроссели фильтра последовательную цепь, включающую конденсатор фильтра, выходные выводы и второй конденсатор фильтра, зашунтированную двухоперационным вентилем с встречно-параллельным диодом и компенсирующим конденсатором.
Существенным отличием, характеризующим изобретение, является расширение области применения (применимости) параллельного инвертора напряжения, работающего на индукционный нагреватель или другую электротехнологическую нагрузку, имеющую индуктивный характер и высокую добротность, что достигается существенным снижением уровней коммутационных потерь и перенапряжений на двухоперационном вентиле и встречно-параллельном диоде, уровней токов через них, выравниванием потенциалов концов индуктора, отсутствием подмагничивания сердечника согласующего трансформатора из-за исключения постоянной составляющей в токе нагрузки, что снижает вероятность выхода двухоперационного вентиля и встречно-параллельного диода, а также других элементов схемы из строя, и локальных пробоев изоляционных промежутков.
Расширение области применения параллельного инвертора напряжения является полученным техническим результатом, обусловленным новыми элементами и новым порядком включения элементов в схеме параллельного инвертора напряжения, реализуемым способом управления, соотношением параметров и новыми связями, то есть отличительными признаками изобретения. Таким образом, отличительные признаки заявляемого автономного одноключевого параллельного инвертора напряжения являются существенными.
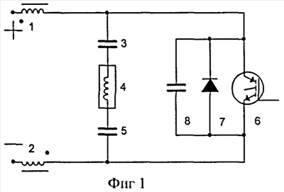
На фиг.1 приведена принципиальная схема параллельного инвертора напряжения, а на фиг.2 изображены осциллограммы сигналов в элементах схемы параллельного инвертора напряжения.
Параллельный инвертор напряжения содержит подключенную к входным выводам через магнитосвязанные дроссели фильтра 1, 2 последовательную цепь, включающую конденсатор фильтра 3, выходные выводы 4 и второй конденсатор фильтра 5, зашунтированную двухоперационным вентилем 6 с встречно-параллельным диодом 7 и компенсирующим конденсатором 8. Нагрузка (индуктор) подключается к выходным выводам параллельного инвертора напряжения.
Параллельный инвертор напряжения в установившемся режиме работает следующим образом. Импульсы управления на двухоперационный вентиль 6 подаются в моменты перехода напряжения u6 (см фиг.2) на нем через ноль с положительной (+ сверху по схеме) в отрицательную область значений (не позднее момента выключения встречно-параллельного диода 7). Двухоперационный вентиль 6 включается и проводит ток i6 на части периода выходного переменного напряжения u4. Выключение двухоперационного вентиля 4 производится позднее некоторого заданного прогнозируемого интервала времени. В момент равенства напряжения на компенсирующем конденсаторе 8, а следовательно, на двухоперационном вентиле 6
(u6) и встречно-параллельном диоде 7 (u7) нулевому уровню включается и начинает проводить ток i7 встречно-параллельный диод 7 (при условно отрицательной полярности напряжения на компенсирующем конденсаторе 8). Условно положительная полярность напряжения на компенсирующем конденсаторе 8 обусловлена свободным переходным процессом в параллельном нагрузочном колебательном контуре 4, 8. Двухоперационный вентиль 6 в интервалах проводимости встречно-параллельного диода 7 тока не проводит (даже если на него подан управляющий сигнал). После выключения встречно-параллельного диода 7 двухоперационный вентиль 6 вступает в работу и начинает проводить ток i6, который нарастает по квазилинейному закону до момента его отключения (снятия управляющего импульса). Двухоперационный вентиль 6 и встречно-параллельный диод 7, таким образом, проводят ток i6, i7 в течение суммарного интервала времени, превышающего четверть периода выходного переменного напряжения u4 в условно отрицательном полупериоде. Период (полный цикл работы инвертора) выходного переменного напряжения u4 соответствует полному циклу работы двухоперационного вентиля 6, встречно-параллельного диода 7 и интервалу паузы (свободному переходному процессу). В интервале паузы через индуктор 4 протекает ток дросселей фильтра 1, 2 условно положительного направления.
Компенсирующий конденсатор 8 обеспечивает параллельную компенсацию реактивности нагрузки 4, имеющей индуктивный характер и высокую добротность Собственная частота параллельного нагрузочного колебательного контура 4, 8 несколько выше частоты выходного переменного напряжения u4 параллельного инвертора.
Дроссели фильтра 1, 2 обеспечивают условия для нормальной коммутации двухоперационного вентиля 6 и встречно-параллельного диода 7, разделяют цепи постоянного и переменного тока, осуществляют защиту элементов параллельного инвертора напряжения при коротких замыканиях в нагрузке 4, неисправных элементах схемы, при выходе из строя двухоперационного вентиля 6 и (или) встречно-параллельного диода 7, и ограничение тока при глухом закорачивании выводов нагрузки (индуктора) 4 на «землю» (корпус) устройства. Дроссели фильтра 1, 2 также служат для фильтрации переменной составляющей напряжения на конденсаторах фильтра 3, 5 и уменьшения влияния на источник питания параллельного инвертора напряжения или фильтрации переменной составляющей тока источника питания параллельного инвертора напряжения, то есть для сглаживания входного тока. Для повышения эффективности фильтрации и уменьшения весогабаритных показателей и электрических потерь дроссели фильтра 1, 2 выполнены с магнитной связью и включены согласно. Конденсаторы фильтра 3, 5 обеспечивают эффективную фильтрацию напряжения на выводах постоянного тока последовательной цепи.
Включение двухоперационного вентиля 6, как уже отмечено, осуществляется при нулевых значениях тока i6 и напряжения u6 на нем. Выключение двухоперационного вентиля 6 происходит при максимальном токе i6 через него (фиг.2). Однако за счет действия компенсирующего конденсатора 8, шунтирующего нагрузку 4, перенапряжения в схеме параллельного инвертора напряжения отсутствуют (коммутация при нулевом напряжении u6), а коммутационные потери при выключении двухоперационного вентиля 6 и встречно-параллельного диода 7 остаются незначительными.
Параллельная компенсация реактивности нагрузки 4 является наиболее предпочтительной при высокой добротности нагрузочного колебательного контура 4, 8, так как обеспечивает протекание минимально возможных токов через элементы схемы параллельного инвертора напряжения.
Ток через нагрузку 4 не содержит постоянной составляющей из-за разделительных свойств конденсаторов фильтра 3, 5, которые включены последовательно с нагрузкой 4 и не пропускают постоянный ток. Ток 14 через нагрузку 4 имеет квазисинусоидальную форму (фиг.2), обеспечиваемую выраженными фильтрующими свойствами параллельного нагрузочного контура 4, 8.
Полностью управляемый вентиль 6 при реализации параллельного инвертора напряжения может быть выполнен как на двухоперационных тиристорах, так и на транзисторах различных типов, а также на комбинированных ключах и аналогах полностью управляемых вентилей на обычных тиристорах. В качестве встречно-параллельного диода 7 в схеме заявляемого параллельного инвертора напряжения целесообразно применить прибор на основе структуры из карбида кремния.
По сравнению с прототипом существенно расширяется область применения параллельного инвертора напряжения, работающего на индукционный нагреватель или другую электротехнологическую нагрузку с высокой добротностью. Это достигается за счет снижения величин токов двухоперационного вентиля и встречно-параллельного диода (более чем на 30%), уровней перенапряжений на двухоперационном вентиле и встречно-параллельном диоде, возникающих при их коммутациях, уровней электромагнитных помех, возникающих при выключении двухоперационного вентиля и встречно-параллельного диода, нежесткой коммутацией двухоперационного вентиля, отсутствия постоянной составляющей в токе нагрузки, что обеспечивает получение заданной мощности автономного одноключевого параллельного инвертора напряжения при меньших уровнях рабочих токов через двухоперационный вентиль и встречно-параллельный диод, исключения аварийного режима насыщения сердечника согласующего трансформатора постоянным потоком подмагничивания при подключении нагрузки через согласующий трансформатор, исключения локальных пробоев изоляционных промежутков за счет симметрирования и выравнивания потенциалов концов индуктора. Повышается устойчивость работы параллельного инвертора напряжения и вероятность срывов инвертирования при работе на изменяющуюся в широких пределах электротехнологическую нагрузку (индукционный нагреватель) при сбоях в системе управления инвертора.
Дополнительно, по сравнению с прототипом, может быть существенно упрощена конструкция энергетической (силовой) части параллельного инвертора напряжения и расширена область его применения за счет обеспечения возможности использования двухоперационного вентиля и встречно-параллельного диода со сниженными требованиями к их параметрам и более низкой ценой.
По сравнению с прототипом, дополнительно повышается надежность работы и коэффициент полезного действия параллельного инвертора напряжения за счет уменьшения токов и коммутационных потерь энергии в двухоперационном вентиле и встречно-параллельном диоде (снижение уровней коммутационных перенапряжений, рекуперация части энергии перенапряжений в нагрузку), отсутствия постоянной составляющей в токе нагрузки.
Формула изобретения
Параллельный инвертор напряжения, содержащий подключенную к входным выводам через магнитосвязанные дроссели фильтра последовательную цепь, включающую конденсатор фильтра, выходные выводы и второй конденсатор фильтра, зашунтированную двухоперационным вентилем с встречно-параллельным диодом и компенсирующим конденсатором.
РИСУНКИ
|
|