|
|
(21), (22) Заявка: 2008141573/28, 20.10.2008
(24) Дата начала отсчета срока действия патента:
20.10.2008
(46) Опубликовано: 10.03.2010
(56) Список документов, цитированных в отчете о поиске:
SU 1185419 А, 15.10.1985. SU 1610268 A1, 30.11.1990. RU 2052771 C1, 20.01.1996. SU 1703968 A1, 07.01.1992. SU 1587338 A1, 23.08.1990. RU 2167394 C2, 20.05.2001.
Адрес для переписки:
248600, г.Калуга, ул. Гоголя, 2, С.В. Карпенко
|
(72) Автор(ы):
Карпенко Сергей Владимирович (RU)
(73) Патентообладатель(и):
Карпенко Сергей Владимирович (RU)
|
(54) ДАТЧИК ИДЕНТИФИКАЦИИ И КОНТРОЛЯ ПОЛОЖЕНИЯ ИЗДЕЛИЙ
(57) Реферат:
Изобретение относится к области автоматизации производственных процессов в машиностроении и предназначено для идентификации (распознавания) металлических и неметаллических изделий, а также для контроля положения металлических и неметаллических изделий и исполнительных органов технологического оборудования без механического контакта с ними. Сущность: датчик содержит чувствительный элемент, образованный индуктивным чувствительным элементом, выполненным в виде катушки индуктивности, помещенной в кольцевом пазу открытого торца ферритового сердечника с центральным отверстием, и емкостным чувствительным элементом, установленным внутри центрального отверстия ферритового сердечника соосно с этим отверстием. При перемещении неметаллического изделия относительно чувствительного элемента датчика происходит последовательное пересечение им электромагнитного поля индуктивного чувствительного элемента, взаимодействие с электрическим полем емкостного чувствительного элемента. При этом на первом выходе датчика отрабатывается сигнал с уровнем логической “1”, несущий информацию об идентификации неметаллического изделия. На втором выходе датчика при этом присутствует напряжение с уровнем логического “1”. В случае перемещения металлического изделия сигнал с уровнем логической “1”. несущий информацию об его идентификации, отрабатывается только на втором выходе датчика. При этом на первом выходе датчика присутствует напряжение с уровнем логического “0”. При встраивании датчика заподлицо в металлические объекты он трансформируется в датчик контроля положения металлических и неметаллических изделий по его второму выходу. Изобретение обеспечивает устранение ложных срабатываний датчика при попадании посторонних металлических предметов в зону действия электромагнитного поля его чувствительного элемента. Технический результат – упрощение конструкции, расширение функциональных возможностей датчика путем обеспечения идентификации наряду с металлическими и непрозрачными неметаллическими изделиями прозрачных неметаллических изделий и возможности трансформирования функциональных возможностей, а также повышение надежности работы датчика. 5 ил
Изобретение относится к области автоматизации производственных процессов в машиностроении и предназначено для идентификации (распознавания) металлических и неметаллических изделий, а также для контроля положения металлических и неметаллических изделий и исполнительных органов технологического оборудования без механического контакта с ними.
Известен датчик, содержащий индуктивный чувствительный элемент, включающий катушку индуктивности, помещенную в кольцевом пазу открытой чашки ферритового сердечника с центральным отверстием, генератор электрических колебаний, в цепь колебательного контура которого включен индуктивный чувствительный элемент, пороговый элемент, вход которого подключен к выходу генератора электрических колебаний, логический элемент И, первый вход которого подключен к выходу порогового элемента, первую выходную клемму, подключенную к выходу логического элемента И и являющуюся первым выходом датчика, инвертор, вход которого соединен со вторым входом логического элемента И, логический элемент ИЛИ-НЕ, первый вход которого соединен с выходом инвертора, вторую выходную клемму, подключенную к выходу логического элемента ИЛИ-НЕ и являющуюся вторым выходом датчика (авторское свидетельство SU 1610268, МКМ5 G01B 21/00. “Индуктивно-оптический датчик положения и контроля”, 1990.11.30). Такой датчик обладает суженными функциональными возможностями, потому что не позволяет:
– производить идентификацию металлических и неметаллических изделий, так как он идентифицирует только нагретые металлические и неметаллические изделия соответственно на первом и втором выходах датчика;
– при встраивании заподлицо в металлические элементы на объекте эксплуатации трансформировать его функциональные возможности, при которых датчик обеспечивает, например, контроль на первом его выходе металлические и неметаллические изделия, второй выход датчика при этом блокируется и не задействуется. Т.е. в этом случае такой датчик не позволяет трансформировать его в другой тип датчика из датчика идентификации в датчик контроля положения металлических и неметаллических изделий.
Наиболее близким по технической сущности к предлагаемому решению является датчик, содержащий индуктивный чувствительный элемент, включающий катушку индуктивности, помещенную в кольцевом пазу открытой чашки ферритового сердечника с центральным отверстием, генератор электрических колебаний, в цепь колебательного контура которого включен индуктивный чувствительный элемент, пороговый элемент, вход которого подключен к выходу генератора электрических колебаний, первую выходную клемму, логический элемент ИЛИ-НЕ, выход которого соединен с первой выходной клеммой, являющейся первым выходом датчика, вторую выходную клемму, являющуюся вторым выходом датчика (авторское свидетельство SU 1185419. МКИ4 Н01Н 36/00. “Датчик положения и контроля”, 1985.10.15).
Однако такой датчик обладает ограниченными функциональными возможностями, так как:
– не обеспечивает распознавания наряду с металлическими и непрозрачными неметаллическими изделиями прозрачных для светового потока излучателя видимого излучения неметаллических изделий, так как при пересечении ими светового потока затемнения фотоприемника видимого светового излучения не происходит из-за того, что световой поток излучателя сквозь контролируемые изделия вследствие сравнительно высокого коэффициента пропускания проходит на фотоприемник и продолжает поддерживать его в засвеченном состоянии. Т.е в этом случае не обеспечивается режим идентификации (распознавания) металлических и неметаллических изделий;
– наличие в таком датчике таких оптических узлов, как излучатель и фотоприемник, обуславливает относительную сложность конструкции, так как выполнен он из двух функциональных узлов, что приводит к невозможности применения его в условиях эксплуатации на объектах, имеющих зоны монтажа и(или) контроля изделий с ограниченными монтажными пространствами;
– при встраивании заподлицо в металлические объекты на объекте эксплуатации трансформировать его функциональные возможности, при которых датчик обеспечивает, например, контроль на первом его выходе металлические и неметаллические изделия, второй выход датчика при этом блокируется и не задействуется. Т.е. в этом случае такой датчик не позволяет трансформировать его в другой тип датчика: из датчика идентификации в датчик контроля положения металлических и неметаллических изделий.
Кроме того, такой датчик имеет сравнительно низкую надежность работы из-за его ложных срабатываний от посторонних металлических предметов, попадающих в зону действия электромагнитного поля его индуктивного чувствительного элемента. Ложные срабатывания датчика проявляются в виде появления на его втором выходе ложных импульсов напряжения с уровнем логической “1”.
Решаемая изобретением задача – упрощение конструкции путем выполнения датчика функциональным без оптических элементов, расширение его функциональных возможностей путем обеспечения идентификации наряду с металлическими и непрозрачными неметаллическими изделиями прозрачных неметаллических изделий и возможности трансформирования функциональных возможностей, а также повышение надежности работы датчика путем устранения его ложных срабатываний от посторонних металлических предметов.
Указанная задача достигается тем, что в известный датчик, содержащий индуктивный чувствительный элемент, включающий катушку индуктивности, помещенную в кольцевом пазу открытой чашки ферритового сердечника с центральным отверстием, последовательно соединенные генератор электрических колебаний, к цепям колебательного контура которого подключен индуктивный чувствительный элемент, первый пороговый элемент, а также логический элемент ИЛИ-НЕ, выход которого является первым выходом датчика, введены емкостной чувствительный элемент в виде токопроводящей пластины с геометрической формой, повторяющей геометрическую форму центрального отверстия ферритового сердечника, последовательно включенные мультивибратор с подключенным к его входу емкостным чувствительным элементом, детектор, второй пороговый элемент, инвертор, выход которого соединен с первым входом логического элемента ИЛИ-НЕ, а также логический элемент И, первый и второй входы которого подключены к выходам соответствующих пороговых элементов, а его выход является вторым выходом датчика, при этом емкостной чувствительный элемент установлен внутри центрального отверстия ферритового сердечника соосно с этим отверстием со смещением относительно открытого торца ферритового сердечника вдоль оси симметрии его центрального отверстия в сторону закрытого торца ферритового сердечника, а индуктивный и емкостной чувствительные элементы образуют чувствительный элемент датчика, при этом плоскость открытого торца ферритового сердечника индуктивного чувствительного элемента и одна из плоскостей емкостного чувствительного элемента, направленные в одну сторону, установлены параллельно и образуют чувствительную поверхность датчика, причем дальность действия электромагнитного поля у открытого торца ферритового сердечника вдоль осей симметрии индуктивного и емкостного чувствительных элементов, перпендикулярных плоскостям открытого торца ферритового сердечника и емкостного чувствительного элемента, превышает дальность действия электрического поля емкостного чувствительного элемента вдоль его оси симметрии, перпендикулярной его плоским поверхностям, а при встраивании датчика открытым торцом ферритового сердечника индуктивного чувствительного элемента заподлицо в металлические объекты он трансформируется из датчика идентификации металлических и неметаллических изделий соответственно по его второму и первому выходам в датчик контроля положения металлических и неметаллических изделий по его второму выходу.
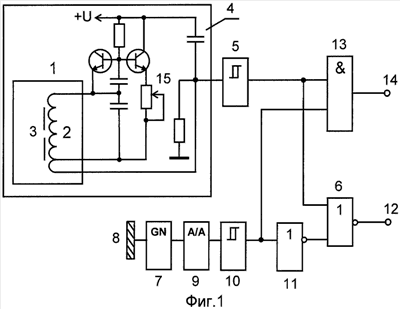
На фиг.1 представлена функциональная схема датчика; на фиг.2 – схема взаимного расположения в пространстве емкостного и индуктивного чувствительных элементов и контролируемого изделия; на фиг.3 – диаграммы напряжений, поясняющие работу датчика при срабатывании его от металлических изделий в режиме идентификации металлических и неметаллических изделий; на фиг.4 – диаграммы напряжений, поясняющие работу датчика при срабатывании его от неметаллических изделий в режиме идентификации металлических и неметаллических изделий; на фиг.5 – диаграммы напряжений, поясняющие работу датчика при срабатывании его от металлических и неметаллических изделий в режиме контроля положения металлических и неметаллических изделий после трансформирования его функциональных возможностей.
Датчик содержит (см. фиг.1) индуктивный чувствительный элемент 1, выполненный в виде катушки индуктивности 2, помещенной в кольцевом пазу открытой чашки ферритового сердечника 3, генератор электрических колебаний 4, первый пороговый элемент 5, выполненный, например, по схеме триггера Шмитта, вход которого подключен к выходу генератора 4 электрических колебаний, логический элемент ИЛИ-НЕ 6, последовательно включенные мультивибратор 7 с емкостным чувствительным элементом 8 в виде токопроводящей пластины, детектор 9, второй пороговый элемент 10, выполненный, например, по схеме триггера Шмитта, инвертор 11, выход которого соединен с первым входом логического элемента 6, а также первую выходную клемму 12, подключенную к выходу логического элемента ИЛИ-НЕ 6 и являющуюся первым выходом датчика, логический элемент И 13, первый и второй входы которого соединены с выходами соответственно первого и второго пороговых элементов 5 и 10, вторую выходную клемму 14, подключенную к выходу логического элемента И 13 и являющуюся вторым выходом датчика.
Генератор 4 выполнен, например, на основе транзистора по схеме автогенератора электрических колебаний с индуктивной трехточкой, в котором выходы индуктивного чувствительного элемента 1 подключены к цепям его колебательного контура ((Виленский П.И., Срибнер Л.А. Бесконтактные путевые выключатели. – М.: Энергоатомиздат, 1985. – 80 с., ил. – (Библиотека по автоматике: Вып.654), стр.20, рис.10,а; стр.38, рис.25). В цепи отрицательной обратной связи генератора 4 включен переменный резистор 15 для его настройки. При настройке установка амплитуды генерируемых электрических колебаний генератора 4 переменным резистором 15 производится на таком уровне, чтобы дальность действия электромагнитного поля 16 у открытого торца чашки ферритового сердечника 3 в направлении его оси симметрии, перпендикулярной плоскости этого торца, превышала дальность действия электрического поля 17 емкостного чувствительного элемента 8 вдоль его оси симметрии, перпендикулярной его обеим плоским поверхностям. Такая настройка резистором 15 генератора 4 необходима для обеспечения гарантированной возможности последовательного взаимодействия контролируемого металлического или неметаллического изделия 18 сначала с электромагнитным полем 16 индуктивного чувствительного элемента, а затем с электрическим полем 17 емкостного чувствительного элемента 2 при перемещении их как в радиальном по стрелке 19 (20), так и в осевом по стреле 21 направлениях, и, тем самым, реализовать принцип действия датчика в режиме идентификации металлических и неметаллических изделий.
Мультивибратор 7 выполнен, например, по схеме симметричного автогенератора прямоугольных импульсов на основе операционного усилителя (Шило В.Л. Линейные интегральные схемы в радиоэлектронной аппаратуре. – М.: “Сов. радио”, 1974, с.175, рис.4.42,а).
Детектор 9 выполнен, например, по схеме диодного пассивного преобразователя амплитудных значений, переменного напряжения в постоянное с последовательным включением выпрямительного диода с выходной нагрузкой в виде параллельной RC – цепочки (Волгин Л.И. Измерительные преобразователи переменного напряжение в постоянное. М.: “Сов радио”, 1977, с.174, рис.4.9, б).
Индуктивный чувствительный элемент 1 включает в себя катушку индуктивности 2, ферритовый сердечник 3 в виде чашки, имеющей открытый и закрытый торцы, а также центральное сквозное отверстие ее оси симметрии, перпендикулярной плоскости открытого торца чашки. Со стороны открытого торца чашки ферритового сердечника 3 установлена обмотка катушки индуктивности 2. У открытого торца чашки ферритового сердечника 3 при подаче с генератора 4 высокочастотного сигнала на катушку индуктивности 2 образуется в воздушном пространстве высокочастотное электромагнитное поле 16. Магнитный поток этого поля замыкается через воздушное пространство между внутренним кольцевым выступом чашки, установленным внутри центрального сквозного отверстия катушки индуктивности 2, и наружным кольцевым выступом чашки, охватывающим своей внутренней боковой поверхностью наружную боковую поверхность катушки индуктивности 2 по ее периметру. При этом непосредственно у передней кромки центрального сквозного отверстия со стороны открытого торца чашки ферритового сердечника 3 существует поток рассеяния (на фиг.2 не показан для лучшей читаемости чертежа) электромагнитного поля 16. Вместе с тем на внешней кромке наружного кольцевого выступа чашки ферритового сердечника 3, образованной поверхностью открытого торца чашки ферритового сердечника 3 и ее наружной боковой поверхностью, существует магнитный поток рассеяния 22 электромагнитного поля 16. При встраивании датчика заподлицо открытым торцом ферритового сердечника 3 в металлические элементы технологического оборудования на объектах эксплуатации, при котором чашка ферритового сердечника 3 охватывается по всему периметру или частично ее внешней боковой поверхности этими металлическими элементами, происходит взаимодействие магнитного потока рассеяния 22 с этими металлическими элементами. Наличие такого взаимодействия магнитного потока рассеяния 22 позволяет производить трансформирование функциональных возможностей датчика, при котором датчик идентификации (распознавания) металлических и неметаллических изделий соответственно по второму и первому выходам датчика (выходные клеммы 14 и 12) преобразуется в датчик контроля металлических и неметаллических изделий только по его второму выходу (выходная клемма 14). Причем перед закрытым торцом чашки в воздушном пространстве высокочастотное электромагнитное поле не возникает, так как его магнитный поток замыкается внутри сердечника через сплошной слой феррита, образующий закрытый торец чашки, т.е. происходит экранирование этим слоем электромагнитного поля со стороны закрытого торца ферритового сердечника 3.
Емкостной чувствительный элемент 8, подключенный в цепи отрицательной обратной к инвертирующему входу операционного усилителя мультивибратора 7, является одной из обкладок частотозадающего “раскрытого конденсатора”, второй обкладкой которого являются электрические цепи общей “земли” мультивибратора 7 и датчика в целом, и служит емкостным чувствительным элементом мультивибратора 7 (журнал “Радио”, 10, 2002, с.38. рис.1; с.39, рис.3). При этом емкостной чувствительный элемент 8 выполнен в виде токопроводящей пластины с геометрической формой, повторяющей геометрическую форму центрального сквозного отверстия, выполненного в чашке ферритового сердечника 3 индуктивного чувствительного элемента 1. При этом центральное отверстие в виде сквозного отверстия чашки ферритового сердечника 3 позволяет конструктивно выполнить электрическое соединение емкостного чувствительного элемента 8 с мультивибратором 7 со стороны закрытого торца чашки ферритового сердечника 3 без взаимодействия соединительного проводника с электромагнитным полем 16, т.е. без внесения нежелательного дополнительного затухания в контур генератора 4, приводящего к уменьшению соединительным металлическим проводником его добротности и, как следствие, к нарушению режима работы генератора 4. Причем емкостной чувствительный элемент 8 установлен внутри сквозного центрального отверстия чашки ферритового сердечника 3 соосно с этим отверстием со смещением относительно поверхности открытого торца чашки ферритового сердечника 3 вдоль оси симметрии центрального сквозного отверстия ферритового сердечника 3 в сторону, противоположную расположению катушки индуктивности 2, т.е. в сторону закрытого торца ферритового сердечника 3. Наличие такого смещения не позволяет магнитному потоку рассеяния электромагнитного поля 16, существующего непосредственно у передней кромки центрального сквозного отверстия со стороны открытого торца чашки ферритового сердечника 3, взаимодействовать с плоской поверхностью емкостного чувствительного элемента 8, и, тем самым, исключает возможность внесения нежелательного дополнительного затухания в колебательный контур генератора 4. Это, в свою очередь, исключает возможность снижения добротности колебательного контура генератора 4 и нарушения его режима генерации электрических колебаний, приводящего к нарушению работоспособности датчика
Индуктивный и емкостной чувствительные элементы 1, 8 образуют чувствительный элемент датчика, а плоскость открытого торца чашки ферритового сердечника 3 и одна из двух плоских поверхностей емкостного чувствительного элемента 8, направленные в одну сторону, т.е. в сторону контролируемого изделия 18, установлены параллельно между собой и образуют чувствительную поверхность датчика.
Такое взаимное расположение в пространстве емкостного чувствительного элемента 8, индуктивного чувствительного элемента 1 и контролируемого изделия 18 (см. фиг.2) при прохождении им в направлении стрелок 19 (20) и 21 относительно чувствительного элемента датчика параллельно его чувствительной поверхности в пределах действия электромагнитного поля 16 у открытого торца чашки ферритового сердечника 3 и электрического поля 17 емкостного чувствительного элемента 8 всегда обеспечивает последовательное взаимодействие контролируемого изделия 18 с электромагнитным полем 16 и электрическим полем 17. Это, в свою очередь, позволяет:
1) при взаимодействии металлического контролируемого изделия 18 и индуктивного чувствительного элемента 1 сформировать на выходе порогового элемента 5 прямоугольный импульс напряжения с уровнем логической “1” длительностью, равной длительности нахождения контролируемого металлического изделия 18 в электромагнитном поле 16 индуктивного чувствительного элемента 1;
2) при взаимодействии металлического контролируемого изделия 18 и емкостного чувствительного элемента 8 сформировать на выходе порогового элемента 10 прямоугольный импульс напряжения с уровнем логической “1” длительностью, равной длительности нахождения контролируемого металлического изделия 18 в электрическом поле 17 емкостного чувствительного элемента 8;
3) при взаимодействии контролируемого неметаллического изделия 18 с электрическим полем 17 емкостного чувствительного элемента 8 сформировать на выходе порогового элемента 10 прямоугольный импульс напряжения с уровнем логической “1” длительностью, равной длительности нахождения контролируемого неметаллического изделия 18 в электрическом поле 17 емкостного чувствительного элемента 8. При взаимодействии неметаллического контролируемого изделия 18 и индуктивного чувствительного элемента 1 формирования на выходе порогового элемента 5 прямоугольного импульса напряжения с уровнем логической “1” не происходит вследствие отсутствия внесения существенного затухания неметаллическим контролируемым изделием 18 в колебательный контур генератора 4;
4) получить на выходе порогового элемента 5 импульс длительностью всегда большей, чем длительность импульса на выходе порогового элемента 10;
5) обеспечить расстановку на временной оси сформированных импульсов таким образом, чтобы выходной импульс порогового элемента 5 большей длительности всегда “охватывал” выходной импульс порогового элемента 10 меньшей длительности.
Таким образом, такое взаимное расположение емкостного чувствительного элемента 8, индуктивного чувствительного элемента 1 и взаимодействие их в описанной выше последовательности с контролируемым изделием 18, а также наличие взаимодействия магнитного потока рассеяния 22 с металлическими элементами технологического оборудования при встраивании заподлицо в них датчика и соответствующая обработка предложенной схемой датчика выходных сигналов генератора 4 и мультивибратора 7 позволяют:
– реализовать принцип действия датчика в режимах идентификации по его выходам и контроля положения по одному его выходу металлических и неметаллических (непрозрачных и прозрачных) изделий;
– выполнить датчик в виде одного функционального узла без оптических элементов с упрощением его конструкции;
– расширить функциональные возможности датчика: идентификация наряду с металлическими и непрозрачными неметаллическими изделиями прозрачных неметаллических изделий; применение датчика в условиях эксплуатации на объектах, имеющих зоны монтажа и(или) контроля изделий с ограниченными монтажными пространствами; трансформировать датчик в другой тип датчика, причем трансформирование функциональных возможностей датчика осуществляется простым способом с помощью встраивания его заподлицо открытым торцом ферритового сердечника индуктивного чувствительного элемента в металлические объекты и без дополнительных энергетических затрат.
Датчик работает следующим образом.
1. Работа датчика в режиме идентификации металлических и неметаллических изделий
При подаче напряжения питания и нахождении контролируемого изделия 18 вне зоны чувствительной поверхности датчика (см. фиг.2) генератор 4 переходит в режим генерации электрических высокочастотных колебаний, постоянная составляющая тока которых на его выходе создает падение напряжения, превышающее пороговое значение напряжения триггера порогового элемента 5. При этом пороговый элемент 5 переключается в такое устойчивое состояние, при котором на его выходе устанавливается напряжение U1 (см. фиг.3) с уровнем логическое “0”, которое подается на первый вход логического элемента 13 и на второй вход логического элемента 6. Мультивибратор 7 находится в заторможенном состоянии, при котором на его выходе и выходе детектора 9 устанавливаются напряжения с уровнями логического “0”. После чего пороговый элемент 10 переключается в такое устойчивое состояние, при котором на его выходе, втором входе логического элемента 13 и на входе инвертора 11 устанавливается напряжение U2 с уровнем логического “0”. Выходное напряжение U2 порогового элемента 10 с уровнем логического “0” инвертируется инвертором 11 и проходит на его выход и второй вход логического элемента 6 в виде напряжения U3 с уровнем логической “1”. Уровень логической “1” напряжения U3 инвертируется логическим элементом 6 в напряжение U5 с уровнем логического “0” и проходит на его выход и выходную клемму 12, так как на втором входе логического элемента 6 установлено с выхода порогового элемента 5 напряжение U1 с уровнем логического “0”, разрешающее инвертирование. Вместе с тем на обоих входах логического элемента 13 установлены напряжения U1 и U2 с уровнями логического “0”, поэтому на его выходе и на выходной клемме 14 устанавливается напряжение U4 с уровнем логического “0”.
Таким образом, после подачи напряжения питания датчик устанавливается в исходное состояние, при котором контролируемое изделие 18 находится за пределами зоны чувствительной поверхности датчика, а на выходных клеммах 14 и 12 устанавливаются соответственно напряжения U4 и U5 с уровнями логического “0”.
Далее рассмотрим работу датчика в режиме идентификации металлических и неметаллических (непрозрачных и прозрачных) изделий, при котором контролируемое изделие 18 (см. фиг.2) перемещается в радиальном или осевом направлениях параллельно чувствительной поверхности датчика в пределах зон действия электромагнитного поля 16 и электрического поля 17 соответственно в одном из направлений по стрелке 19 (20) или по стрелке 21.
При введении в направлении стрелки 19 (20) в зону чувствительной поверхности датчика, например, металлического изделия 18, оно входит в зону действия электромагнитного поля 16. При этом происходит срыв генерации электрических колебаний генератора 4 вследствие внесения затухания контролируемым изделием 18 в его колебательный контур. В результате резко уменьшается составляющая постоянного напряжения на выходе генератора 4 и, когда его значение оказывается ниже порогового значения триггера порогового элемента 5, последний переключается в другое состояние, при котором на его выходе, первом входе логического элемента 13 и на втором входе логического элемента 6 устанавливается напряжение U1 с уровнем логической “1”. Но уровень логической “1” напряжения U1 на выход логического элемента 13 и на выходную клемму 14 не проходит, так как на его втором входе с выхода порогового элемента 10 установлено напряжение U2 с уровнем логического “0”, запрещающее прохождение. Так как на обоих входах логического элемента 6 установлены с выходов порогового элемента 5 и инвертора 11 соответственно напряжения U1 и U3 с уровнями логической “1”, поэтому на его выходе и выходной клемме 12 продолжает присутствовать напряжение U5 с уровнем логического “0”.
Затем через некоторый промежуток времени перемещающееся контролируемое изделие 18, по-прежнему оставаясь 8 зоне действия электромагнитного поля 16, входит в зону действия электрического поля 17 емкостного чувствительного элемента 8 и образует с ним электрический конденсатор. Значение электрической емкости образованного таким образом конденсатора увеличивается до такого уровня, при котором происходят возбуждение мультивибратора 7 и переход его в режим генерации электрических колебаний. Выходные импульсы мультивибратора 7 преобразуются детектором 9 в постоянное напряжение с уровнем логической “1”, которое превышает пороговый уровень напряжения триггера порогового элемента 10. При этом пороговый элемент 10 переключается в другое устойчивое состояние, при котором на его выходе устанавливается напряжение U2 с уровнем логической “1”, которое подается на второй вход логического элемента 13 и на инвертора 11. В результате на выходе инвертора 11 и на первом входе логического элемента 6 устанавливается напряжение U3 с уровнем логического “0”. Но инвертирования этого нулевого уровня напряжения U2 логическим элементом 6 не происходит, и напряжение U5 на выходной клемме 12 остается на прежнем нулевом логическом уровне, так как на первый вход логического элемента 6 подано с выхода порогового элемента 5 запрещающее инвертирование напряжение U1 с уровнем логической “1”. Вместе с тем уровень логической “1” напряжения U2 с выхода порогового элемента 10 через второй вход логического элемента 13 проходит на его выход и выходную клемму 14 в виде напряжения U4, так как на его первом входе с выхода порогового элемента 5 установлено напряжение U1 с уровнем логической “1”, разрешающее прохождение.
Далее контролируемое изделие 18, оставаясь в зоне действия электромагнитного поля 16, выходит из зоны действия электрического поля 17. После чего мультивибратор 7 снова переходит в заторможенное состояние, т.е. в исходное состояние, при котором на его выходе, входе и выходе детектора 9 устанавливаются напряжения с уровнями логического “0”. При этом на выходе порогового элемента 10 устанавливается напряжение U2 с уровнем логического “0”, которое подается на второй вход логического элемента 13 и на вход инвертора 11. Под действием этого напряжения логический элемент 13 переключается в исходное состояние, при котором на его выходе устанавливается напряжение U4 с уровнем логического “0”. На этом формирование информационного сигнала, несущего информацию об идентификации металлического контролируемого изделия 18, на выходной клемме 14 датчика заканчивается. Вместе с тем на обоих входах логического элемента 6 устанавливаются с выходов порогового элемента 5 и инвертора 11 соответственно напряжения U1 и U3 с уровнями логической “1”, поэтому на его выходе и выходной клемме 12 продолжает присутствовать напряжение U5 с прежним уровнем логического “0”.
И на последнем отрезке времени своего перемещения контролируемое изделие 18 выходит за пределы действия электромагнитного поля 16. После чего генератор 4 снова переходит в режим генерации электрических колебаний, т.е. в исходное состояние. В результате пороговый элемент 5 также переключается в исходное состояние, при котором на его выходе, первом входе логического элемента 13 и на втором входе логического элемента 6 устанавливается напряжение U1 с уровнем логического “0”. Но инвертирования нулевого логического уровня напряжения U1 по второму входу логического элемента 6 в напряжение U5 с уровнем логической “1” и прохождения его на выход логического элемента 6 и на выходную клемму 12 не происходит, так как на его первом входе с выхода инвертора 11 установлено напряжение U3 с уровнем логической “1”, запрещающее инвертирование и прохождение. При этом под действием нулевого уровня напряжения U1 с выхода порогового элемента 5 переключения логического элемента 13 не происходит, так как к этому моменту на его втором входе установлено напряжение U2 с уровнем логического “0”. На этом цикл идентификации металлического контролируемого изделия 18 заканчивается и датчик готов к следующему циклу идентификации металлического изделия. При повторном прохождении контролируемого металлического изделия 18 относительно чувствительной поверхности датчика описанный выше цикл идентификации металлического изделия на втором выходе датчика повторяется.
Работа датчика при введении контролируемого металлического изделия 18 в осевом направлении по стрелке 21 из исходного положения в зоны действия электромагнитного и электрического полей 16 и 17 и обратно в исходное положение идентична работе его при введении контролируемого металлического изделия 18 в радиальном направлении по стрелке 19 (20) и описывается диаграммами, приведенными на фиг.3, так как последовательность взаимодействия контролируемого металлического изделия 18 с электромагнитным и электрическим полями 16 и 17 идентична последовательности взаимодействия его с этими полями при радиальном перемещении.
Следовательно, при прохождении контролируемого металлического изделия 18 относительно чувствительной поверхности датчика на второй выходной клемме 14 формируется импульс напряжения U4 с уровнем логической “1”, а на выходе порогового элемента 10 – импульс напряжения U2 с уровнем логической “1”, который через инвертор 11 и первый вход логического элемента 6 на его выход и на первую выходную клемму 12 не проходит, так как поданный к этому моменту с выхода порогового элемента 5 на второй вход логического элемента 6 импульс напряжения U1 с уровнем логической “1” запрещает его инвертирование и прохождение.
В случае введения контролируемого неметаллического изделия (непрозрачного или прозрачного) 18 в направлении стрелки 19 (20) в зону чувствительной поверхности датчика при взаимодействии его с электромагнитным полем 16 существенного затухания в колебательный контур генератора 4 оно не вносит. При этом изменения режима генератора 4 относительно его исходного состояния и срабатывания порогового элемента 5 не происходит, в результате чего на выходной клемме 14 формирования импульса напряжения U4 с уровнем логической “1” не происходит (см. фиг.4). Поэтому на выходе логического элемента 13 и выходной клемме 14 продолжает присутствовать напряжение U4 с уровнем логического “0”. В этом случае формируется только импульс напряжения U2 с уровнем логической “1” на выходе порогового элемента 10, который подается на второй вход логического элемента 13 и на инвертора 11. Под действием этого импульса на выходе инвертора 11 формируется импульс напряжения U3 с уровнем логического “0”, который подается на первый вход логического элемента 6, инвертируется им в импульс напряжения U5 с уровнем логической “1” и подается на его выход и выходную клемму 12. После выхода неметаллического контролируемого изделия 18 из зоны действия электромагнитного поля 16 датчика цикл идентификации его заканчивается, и схема датчика готова к следующему циклу идентификации неметаллического контролируемого изделия 18. При повторном прохождении контролируемого неметаллического изделия 18 относительно чувствительной поверхности датчика описанный выше цикл идентификации неметаллического изделия на выходной клемме 12 повторяется.
Таким образом, в рассмотренном режиме работы датчика информационный сигнал в виде импульса напряжения U4 с уровнем логической “1” на его выходной клемме 14 однозначно соответствует прохождению относительно чувствительной поверхности датчика металлического изделия, а информационный сигнал в виде импульса напряжения U5 с уровнем логической “1” на его выходной клемме 12 – неметаллического изделия, чем и обеспечивается идентификация (распознавание) металлических и неметаллических (непрозрачных и прозрачных) изделий при выполнении датчика в виде одного функционального узла.
2. Работа датчика в режиме контроля положения металлических и неметаллических изделий после трансформирования его функциональных возможностей
Исходное положение датчика: датчик открытым торцом ферритового сердечника 3 индуктивного чувствительного элемента встроен заподлицо в металлический объект (на фиг.1 и 2 не показан) и на него подано напряжение питания. Генератор 4 находится в режиме срыва электрических колебаний вследствие взаимодействия металлического объекта, охватывающего чашку ферритового сердечника 3 по всему ее периметру или частично, с магнитным потоком 22 рассеяния электромагнитного поля 16 ферритового сердечника 3. На выходе порогового элемента 5 установлено напряжение U1 с уровнем логической “1” и подано на первый и второй входы логических элементов 13 и 6. На выходной клемме 14 установлено напряжение U4 с уровнем логического “0”, так как с выхода порогового элемента 10 на второй вход логического элемента 13 подано напряжение U2 с уровнем логического “0”, запрещающее прохождение на его выход и выходную клемму 14 напряжения U1 с уровнем логической “1”. На выходной клемме 12 установлено напряжение U5 с уровнем логического “0”, так как логический элемент 6 заблокирован по его второму входу напряжением U1 с уровнем логической “1” с выхода порогового элемента 5 в течение всего времени нахождения датчика встроенным заподлицо в металлический объект, и датчик теряет способность идентификации металлического и неметаллического контролируемых изделий 18 по двум выходным клеммам 14 и 12 соответственно, т.е. датчик трансформируется из датчика идентификации металлических и неметаллических изделий по двум его выходам соответственно с клеммами 14 и 12 в датчик контроля металлических и неметаллических изделий по его только одному выходу с выходной клеммой 14. Первый выход (выходная клемма 12) датчика в этом не задействуется.
Таким образом, при подаче напряжения питания на датчик после встраивания его заподлицо в металлический объект на его выходных клеммах 14 и 12 установлены соответственно напряжения U4 и U5 с уровнями логического “0”, а контролируемое изделие 18 находится за пределами чувствительной поверхности датчика.
Далее рассмотрим работу предлагаемого датчика в режиме контроля положения металлических и неметаллических (непрозрачных и прозрачных) изделий, при котором контролируемое изделие 18 (см. фиг.2) перемещается в радиальном или осевом направлениях параллельно чувствительной поверхности датчика в пределах зон действия соответственно электромагнитного поля 16 и электрического поля 17 в одном из направлений по стрелке 19 (20) или по стрелке 21.
При введении в направлении стрелки 19 (20) в зону чувствительной поверхности датчика, например, металлического изделия 18, оно входит зону действия электромагнитного поля 16. При этом контролируемое изделие 18 не вызывает срыва генерации электрических колебаний генератора 4. так как последний находится в таком режиме вследствие внесения затухания в колебательный контур генератора 4 металлическим объектом (на фиг.1 и 2 не показан), в который встроен датчик. В результате на выходе порогового элемента 5, первом входе логического элемента 13 и на втором входе логического элемента 6 продолжает присутствовать напряжение U1 с уровнем логической “1”. Но уровень логической “1” этого напряжения на выход логического элемента 13 и на выходную клемму 14 не проходит, так как на его втором входе с выхода порогового элемента 10 установлено напряжение U2 с уровнем логического “0”, запрещающее прохождение. Так как на обоих входах логического элемента 6 установлены с выходов порогового элемента 5 и инвертора 11 соответственно напряжения U1, U3 с уровнями логической “1”, поэтому на его выходе и выходной клемме 12 продолжает присутствовать напряжение U5 с уровнем логического “0”.
Затем через некоторый промежуток времени перемещающееся контролируемое изделие 18, по-прежнему оставаясь в зоне действия электромагнитного поля 16, входит в зону действия электрического поля 17 емкостного чувствительного элемента 8 и образует с ним электрический конденсатор. Значение электрической емкости образованного таким образом конденсатора увеличивается до такого уровня, при котором происходят возбуждение мультивибратора 7 и переход его в генерации электрических колебаний. Выходные импульсы мультивибратора 7 преобразуются детектором 9 в постоянное напряжение с уровнем логической “1”, которое превышает пороговый уровень напряжения триггера порогового элемента 10. При этом пороговый элемент 10 переключается в другое устойчивое состояние, при котором на его выходе устанавливается напряжение U2 с уровнем логической “1”, которое подается на второй вход логического элемента 13 и на вход инвертора 11. В результате на выходе инвертора 11 и на первом входе логического элемента 6 устанавливается напряжение U3 с уровнем логического “0”. Но инвертирования этого нулевого уровня напряжения U3 логическим элементом 6 не происходит, и напряжение U5 на выходной клемме 12 остается на прежнем нулевом логическом уровне, так как на первый вход логического элемента 6 подано с выхода порогового элемента 5 запрещающее инвертирование напряжение U1 с уровнем логической “1”. Вместе с тем уровень логической “1” через второй вход логического элемента 13 проходит на его выход и выходную клемму 14, так как на его первом входе с выхода порогового элемента 5 установлено напряжение U1 с уровнем логической “1”, разрешающее прохождение.
Далее контролируемое изделие 18, оставаясь в зоне действия электромагнитного поля 16, выходит из зоны действия электрического поля 17. После чего мультивибратор 7 снова переходит в заторможенное состояние, т.е. в исходное состояние, при котором на его выходе, входе и выходе детектора 9 устанавливаются напряжения с уровнями логического “0”. При этом на выходе порогового элемента 10 устанавливается напряжение U2 с уровнем логического “0”, которое подается на второй вход логического элемента 13 и на инвертора 11. Под действием этого напряжения логический элемент 13 переключается в исходное состояние, при котором на его выходе устанавливается напряжение U4 с уровнем логического “0”. На этом формирование информационного сигнала, несущего информацию о контроле металлического изделия 18, на выходной клемме 14 датчика заканчивается. Вместе с тем на обоих входах логического элемента 6 устанавливаются с выходов порогового элемента 5 и инвертора 11 соответственно напряжения U1 и U3 с уровнями логической “1”, поэтому на его выходе и выходной клемме 12 продолжает присутствовать напряжение U5 с прежним уровнем логического “0”.
И на последнем отрезке времени своего перемещения контролируемое изделие 18 выходит за пределы действия электромагнитного поля 16. После чего перехода генератора 4 в режим генерации электрических колебаний не происходит, и он продолжает находиться в исходном состоянии под действием металлического объекта, в который встроен датчик заподлицо. В результате пороговый элемент 5 также продолжает находиться в исходном состоянии, при котором на его выходе, первом входе логического элемента 13 и на втором входе логического элемента 6 установлено напряжение U1 с уровнем логической “1”. Так как на обоих входах логического элемента 6 с выходов порогового элемента 5 и инвертора 11 установлены напряжения U1 и U3 с уровнями логической “1”, на его выходе и выходной клемме 12 продолжает присутствовать напряжение U5 с уровнем логического “0”. На этом цикл контроля металлического изделия 18 заканчивается, и датчик готов к следующему циклу контроля металлического изделия. При повторном прохождении контролируемого металлического изделия 18 относительно чувствительной поверхности датчика описанный выше цикл контроля металлического изделия на выходной клемме 14 датчика повторяется.
Работа датчика при введении контролируемого металлического изделия 18 в осевом направлении по стрелке 21 из исходного положения в зоны действия электромагнитного и электрического полей 16 и 17 и обратно в исходное положение идентична его работе при введении контролируемого металлического изделия 18 в радиальном направлении по стрелке 19 (20) и описывается диаграммами, приведенными на фиг.5, так как последовательность взаимодействия контролируемого металлического изделия 18 с электромагнитным и электрическим полями 16 и 17 идентична последовательности его с этими полями при радиальном перемещении по стрелке 19 (20).
Следовательно, при прохождении контролируемого металлического изделия 18 относительно чувствительной поверхности датчика на выходной клемме 14 формируется импульс напряжения U4 с уровнем логической “1”, а на выходе порогового элемента 10 – импульс напряжения U2 с уровнем логической “1”, который через инвертор 11 и первый вход логического элемента 6 на его выход и на выходную клемму 12 не проходит, так как поданный к этому моменту с выхода порогового элемента 5 на второй вход логического элемента 6 импульс напряжения U1 с уровнем логической “1” запрещает его прохождение.
Работа датчика в этом режиме при перемещении контролируемого неметаллического изделия 18 (см. фиг.2) в радиальном или осевом направлениях параллельно чувствительной поверхности датчика в пределах зон действия электромагнитного поля 16 и электрического поля 17 соответственно в одном из направлений по стрелке 19 (20) или по стрелке 21 аналогична его работе в этом режиме при перемещении контролируемого металлического изделия 18 в радиальном или в осевом направлениях соответственно по стрелке 19 (20) или по стрелке 21 и описывается диаграммами напряжений, приведенными на фиг.5.
Таким образом, в рассмотренном режиме работы датчика информационный сигнал в виде импульса напряжения U4 с уровнем логической “1” на его выходной клемме 14 однозначно соответствует прохождению относительно чувствительной поверхности датчика металлического или неметаллического изделия, а информационный сигнал на его выходной клемме 12 при этом не отрабатывается и на ней присутствует напряжение U5 с уровнем логического “0”, чем и обеспечивается режим контроля положения металлических и неметаллических (непрозрачных и прозрачных) изделий на одном выходе датчика (выходная клемма 14).
При помещении контролируемого металлического или неметаллического (непрозрачного или прозрачного) изделия в зону действия чувствительной поверхности датчика на его соответствующей выходной клемме устанавливается потенциал с уровнем логической “1”, соответствующий информационному сигналу о положении контролируемого изделия.
Причем этот сигнал не исчезает как, например, в случае импульсного принципа формирования информационного сигнала о контролируемом изделии по перепадам напряжения (по переднему или по заднему фронту импульса), а продолжает непрерывно отслеживать потенциальным уровнем контролируемое изделие как при перемещении его в пределах чувствительной поверхности датчика, так и при нахождении контролируемого изделия в ней в неподвижном состоянии в течение неопределенного промежутка времени. Т.е. при этом имеет место однозначное соответствие информационного сигнала на соответствующей выходной клемме датчика положению контролируемого изделия в определенной точке пространства, где установлен предлагаемый датчик. Это, в свою очередь обеспечивает работу предлагаемого датчика в режиме контроля положения металлических и неметаллических (непрозрачных и прозрачных) изделий на выходной клемме 14 в случае трансформирования его функциональных возможностей, а также металлических и неметаллических изделий соответственно на выходных клеммах 14 и 12 в случае отсутствия трансформирования функциональных возможностей датчика.
В режиме контроля положения металлических изделий без трансформирования функциональных возможностей датчика он функционирует как бесконтактный датчик положения индуктивно-емкостного типа. Работа датчика в этом случае описывается диаграммами, приведенными на фиг.3. При этом информационный сигнал снимается с выходной клеммы 14, а выходная клемма 12 не задействуется.
В режиме контроля положения неметаллических (непрозрачных и прозрачных) изделий без трансформирования функциональных возможностей датчика он функционирует как бесконтактный датчик положения емкостного типа. Работа устройства в этом режиме описывается диаграммами, приведенными на фиг.4. В этом случае информационный сигнал снимается с выходной клеммы 12, а выходная клемма 14 не задействуется.
Таким образом, из описания работы датчика следует, что предлагаемый датчик выполнен в виде многофункционального датчика, в котором сочетаются функциональные возможности четырех типов датчика:
1) датчик идентификации неметаллических и металлических изделий по двум выходам (по первому и второму выходам с выходными клеммами 12 и 14 соответственно);
2) датчик контроля положения неметаллических изделий по одному выходу (по первому выходу датчика с выходной клеммой 12 без трансформирования функциональных возможностей);
3) датчик контроля положения металлических изделий по одному выходу (по второму выходу датчика с выходной клеммой 14 без трансформирования функциональных возможностей);
4) датчик контроля положения металлических и неметаллических изделий по одному выходу (по второму выходу датчика с выходной клеммой 14 после трансформирования функциональных возможностей).
Такая многофункциональность датчика позволяет применять его в автоматизированном станочном оборудовании по мехобработке деталей и сборочных единиц изделий, а также на автоматизированных участках и комплексах сборки изделий для контроля и позицирования деталей и сборочных единиц в одной или нескольких точках позицирования как в труднодоступных местах изделия, так и в зонах контроля с ограниченным пространством зоны контроля.
Так, например, предлагаемый датчик может использоваться при фиксированном его креплении в зоне контроля и ориентации контролируемого изделия относительно него в одной точке позиционирования на различных операциях сборки изделия для идентификации его поверхностей, контроля положения деталей и качества сборочных операций в следующей последовательности: идентификация (распознавание) двух поверхностей изделия, выполненных из разнородных по физическим свойствам материалов и ориентируемых поочередно относительно чувствительной поверхности датчика (первый тип датчика) – контроль наличия (положения) внутри первого глухого металлического отверстия его дна (третий тип датчика) – контроль наличия (положения) внутри второго глухого металлического отверстия на его дне неметаллической пробки или заглушки (второй тип датчика) – вхождение датчика с трансформированием его функциональных возможностей в сквозное отверстие металлического корпуса изделия и контроль через это отверстие после очередной сборочной операции наличия металлической или неметаллической детали за пределами этого отверстия внутри контролируемого изделия (четвертый тип датчика).
Более эффективное использование функциональных возможностей предлагаемого датчика обеспечивается в случае крепления его на автоматизированной механической руке с несколькими степенями свободы. При этом возможно выполнение им большого количества операций контроля при автоматизированной сборке изделия с позицированием его в одной или во многих точках технологической цепочки.
Кроме того, предлагаемый датчик обеспечивает повышенную надежность работы в условиях высокой интенсивности стружкообразования при мехобработке металлических деталей, когда фрагменты их стружек попадают в зону действия электромагнитного поля 16, а также при случайном попадании в это поле посторонних металлических предметов. Повышение надежности в этом случае происходит следующим образом. При случайном попадании металлической стружки или постороннего металлического предмета в зону действия электромагнитного поля 16 на выходе порогового элемента 5 формируется ложный импульс напряжения U1 с уровнем логической “1”, который подается на первый и второй входы первого и второго логических элементов 13 и 6 соответственно. Но этот ложный импульс на выход логического элемента 13 и на выходную клемму 14 не проходит, и на его выходе и выходной клемме 14 продолжает присутствовать напряжение U4 с уровнем логического “0”, так как на его втором входе с выхода порогового элемента 10 подано напряжение U2 с уровнем логического “0”, запрещающее прохождение. Т.е. в этом случае устраняется возможность формирования на выходной клемме 14 датчика ложного импульса напряжения с уровнем логической “1”. Вместе с тем в момент появления с выхода порогового элемента 5 ложного импульса напряжения U1 на первом и втором входах логического элемента 6 устанавливаются соответственно напряжения U3 и U1 с уровнями логической “1”, поэтому на выходе логического элемента 6 и выходной клемме 12 продолжает присутствовать напряжение U5 с уровнем логического “0”. Т.е. на выходной клемме 12 также устраняется возможность формирования ложного импульса напряжения с уровнем логической “1”.
Таким образом, при случайном попадании в зону действия электромагнитного поля 16 металлических стружек или посторонних металлических предметов ложного срабатывания датчика по его первому и второму выходам не происходит, чем и обеспечивается повышенная надежность работы датчика.
Формула изобретения
Датчик идентификации и контроля положения изделий, содержащий индуктивный чувствительный элемент, включающий катушку индуктивности, помещенную в кольцевом пазу открытой чашки ферритового сердечника с центральным отверстием, последовательно соединенные генератор электрических колебаний, к цепям колебательного контура которого подключен индуктивный чувствительный элемент, первый пороговый элемент, а также логический элемент ИЛИ-НЕ, выход которого является первым выходом датчика, отличающийся тем, что в него введены емкостной чувствительный элемент в виде токопроводящей пластины с геометрической формой, повторяющей геометрическую форму центрального отверстия ферритового сердечника, последовательно включенные мультивибратор с подключенным к его входу емкостным чувствительным элементом, детектор, второй пороговый элемент, инвертор, выход которого соединен с первым входом логического элемента ИЛИ-НЕ, а также логический элемент И, первый и второй входы которого подключены к выходам соответствующих пороговых элементов, а его выход является вторым выходом датчика, при этом емкостной чувствительный элемент установлен внутри центрального отверстия ферритового сердечника соосно с этим отверстием со смещением относительно открытого торца ферритового сердечника вдоль оси симметрии его центрального отверстия в сторону закрытого торца ферритового сердечника, а индуктивный и емкостной чувствительные элементы образуют чувствительный элемент датчика, при этом плоскость открытого торца ферритового сердечника индуктивного чувствительного элемента и одна из плоскостей емкостного чувствительного элемента, направленные в одну сторону, установлены параллельно и образуют чувствительную поверхность датчика, причем дальность действия электромагнитного поля у открытого торца ферритового сердечника вдоль осей симметрии индуктивного и емкостного чувствительных элементов, перпендикулярных плоскостям открытого торца ферритового сердечника и емкостного чувствительного элемента, превышает дальность действия электрического поля емкостного чувствительного элемента вдоль его оси симметрии, перпендикулярной его плоским поверхностям, а при встраивании датчика открытым торцом ферритового сердечника индуктивного чувствительного элемента заподлицо в металлические объекты он трансформируется из датчика идентификации металлических и неметаллических изделий соответственно по его второму и первому выходам в датчик контроля положения металлических и неметаллических изделий по его второму выходу.
РИСУНКИ
|
|