|
|
(21), (22) Заявка: 2008147476/28, 01.12.2008
(24) Дата начала отсчета срока действия патента:
01.12.2008
(46) Опубликовано: 10.03.2010
(56) Список документов, цитированных в отчете о поиске:
SU 1610268 А1, 30.11.1990. SU 1185419 А1, 15.10.1985. JP 2004069415 А, 04.03.2004. JP 61-70402 А, 11.04.1986.
Адрес для переписки:
248600, г.Калуга, ул. Гоголя, 2, С.В. Карпенко
|
(72) Автор(ы):
Карпенко Сергей Владимирович (RU)
(73) Патентообладатель(и):
Карпенко Сергей Владимирович (RU)
|
(54) УСТРОЙСТВО ИДЕНТИФИКАЦИИ И КОНТРОЛЯ ПОЛОЖЕНИЯ ИЗДЕЛИЙ
(57) Реферат:
Изобретение относится к области контрольно-измерительной техники и может быть использовано в машиностроении для идентификации (распознавания) нагретых металлических и неметаллических и ненагретых металлических и неметаллических изделий. Сущность: устройство содержит установленные вдоль прямой линии инфракрасные фотоприемники, между которыми размещены индуктивный и емкостной чувствительные элементы. Индуктивный чувствительный элемент выполнен в виде катушки индуктивности, помещенной в кольцевом пазу открытого торца ферритового сердечника с центральным отверстием. Емкостной чувствительный элемент установлен внутри центрального отверстия ферритового сердечника. Устройство содержит также пороговые и логические элементы, образующие схему с тремя выходами. При перемещении изделия относительно чувствительных элементов схема формирует на выходах логические сигналы, позволяющие идентифицировать нагретое металлическое изделие, нагретое неметаллическое изделие и ненагретое металлическое или неметаллическое изделие. Технический результат: повышение надежности, расширение функциональных возможностей и номенклатуры контролируемых изделий. 5 ил.
Изобретение относится к области контрольно-измерительной техники и может быть использовано в машиностроении для идентификации (распознавания) нагретых металлических и неметаллических изделий и ненагретых металлических и неметаллических изделий, а также в качестве бесконтактного датчика контроля положения изделий с учетом их термического состояния и вида материала.
Известно устройство идентификации (распознавания) изделий, содержащее последовательно соединенные генератор электрических колебаний с индуктивным чувствительным элементом, выполненным в виде катушки индуктивности, помещенной в кольцевом пазу чашки ферритового сердечника с центральным отверстием, и включенным в цепь его колебательного контура, пороговый элемент, последовательно включенные фотоприемник и формирователь импульсов, а также первую выходную клемму, являющуюся первым выходом устройства, логический элемент ИЛИ-НЕ, вторую выходную клемму, соединенную с выходом логического элемента ИЛИ-НЕ и являющуюся вторым выходом устройства (см. авторское свидетельство SU 1185419 А “Датчик положения и контроля”, кл. МКИ4, Н01Н 36/00, 15.10.1985). Такое устройство имеет суженные функциональные возможности, так как производит идентификацию (распознавание):
а) только ненагретых металлических и неметаллических изделий и не позволяет производить идентификацию наряду с ненагретыми нагретых металлических и неметаллических изделий, потому что его фотоприемник работает в видимом диапазоне оптического излучения;
б) ненагретых металлических и неметаллических изделий на разных выходах устройства и не позволяет производить их идентификацию на его одном отдельном соответствующем выходе;
в) ограниченной номенклатуры контролируемых изделий, т.е. им осуществляется идентификация только каждого из двух разновидностей контролируемых изделий на одном соответствующем выходе устройства из двух выходов, и не позволяет производить идентификацию изделий, имеющих расширенную номенклатуру по числу, виду материала и термическому состоянию контролируемых изделий. Например, такое устройство не позволяет идентифицировать одно изделие из четырех разновидностей контролируемых изделий (нагретое металлическое, нагретое неметаллическое, ненагретое металлическое или ненагретое неметаллическое) на одном из трех соответствующем выходе устройства.
Наиболее близким по технической сущности к предлагаемому решению является устройство идентификации изделий, содержащее индуктивный чувствительный элемент, выполненный в виде катушки индуктивности, помещенной в кольцевом пазу открытой чашки ферритового сердечника с центральным отверстием, последовательно соединенные генератор электрических колебаний, в цепь колебательного контура которого включен индуктивный элемент, пороговый элемент, последовательно включенные инфракрасный фотоприемник, формирователь импульсов, а также логический элемент И, первый и второй входы которого соединены соответственно с выходом формирователя импульсов и выходом порогового элемента, первую выходную клемму, соединенную с выходом логического элемента И и являющуюся первым выходом устройства, логический элемент ИЛИ-НЕ, вход которого подключен к выходу первого логического элемента И, вторую выходную клемму, подключенную к выходу логического элемента ИЛИ-НЕ и являющуюся вторым выходом устройства, инвертор (см. авторское свидетельство SU 1610268 А1, кл. МКИ5, G01B 21/00, “Индуктивно-оптический датчик положения и контроля”, 30.11.1990). Однако такое устройство обладает ограниченными функциональными возможностями, так как:
– производит идентификацию только нагретых металлических и неметаллических изделий соответственно на первом и втором выходах устройства и не позволяет дополнительно производить идентификацию (распознавание) наряду с нагретыми металлическими и неметаллическими изделиями ненагретых металлических и неметаллических изделий на одном отдельном его выходе;
– осуществляет идентификацию изделий из числа ограниченной номенклатуры по числу разновидностей контролируемых изделий в соответствии с алгоритмом: идентификация каждого из двух разновидностей контролируемых изделий одного изделия на одном соответствующем выходе из двух выходов устройства, и не позволяет осуществлять идентификацию изделий из числа расширенной номенклатуры (например, из набора из четырех видов контролируемых изделий – нагретое металлическое, нагретое неметаллическое, ненагретое металлическое и ненагретое неметаллическое) по числу разновидностей контролируемых изделий и по виду их материала согласно алгоритму: идентификация каждого из четырех разновидностей контролируемых изделий на одном соответствующем выходе из трех выходов устройства.
Кроме того, такое устройство характеризуется двумя зонами его чувствительности – ближней и дальней зонами чувствительности вдоль оси симметрии индуктивного чувствительного элемента, совпадающей с осью симметрии чашки его ферритового сердечника. В ближней зоне чувствительности, в которой одновременно действуют электромагнитное поле индуктивного чувствительного элемента и инфракрасное излучение контролируемого нагретого изделия в пределах чувствительности инфракрасного фотоприемника, производится идентификация (распознавание) контролируемых изделий. В дальней зоне чувствительности, в которой действует только инфракрасное излучение контролируемых изделий в пределах чувствительности фотоприемника инфракрасного излучения от конца границы ближней зоны чувствительности и до расстояния предельной чувствительности инфракрасного фотоприемника, такое устройство работает только как бесконтактный фотоэлектрический датчик, в одинаковой степени срабатывающий от нагретых металлических и неметаллических изделий по его выходу (выходная клемма 12). Это приводит к снижению надежности его работы в режиме идентификации контролируемых изделий, когда устройство находится в исходном состоянии, при котором на его выходах установлены напряжения с уровнями логического “0”, а контролируемое им изделие находится за пределами действия зоны действия его чувствительного элемента, из-за ложных его срабатываний от таких посторонних источников инфракрасного излучения, как нагретые металлические и неметаллические предметы, фотоэлектрические датчики положения с открытым оптическим каналом, установленные на технологическом оборудовании, и работающие генераторы инфракрасного излучения измерительных приборов, используемых при ремонте технологического оборудования в цеховых условиях, в том случае, когда они находятся за пределами действия электромагнитного поля. При этом ложные его срабатывания проявляются в виде формирования на его выходной клемме 12 ложных импульсов напряжения с уровнем логической “1”.
Наряду с этим такое устройство обладает низкой надежностью работы в пределах ближней зоны его чувствительности при случайном попадании посторонних нагретых неметаллических предметов одновременно в электромагнитное поле индуктивного чувствительного элемента и в область оптического окна инфракрасного фотоприемника.
Решаемая изобретением задача – расширение функциональных возможностей устройства путем обеспечения возможности распознавания наряду с нагретыми металлическими и неметаллическими изделиями ненагретых металлических и неметаллических изделий с расширением номенклатуры контролируемых изделий, а также повышение надежности работы устройства путем устранения его ложных срабатываний от посторонних источников инфракрасного излучения и нагретых неметаллических предметов.
Указанная задача достигается тем, что в известное устройство, содержащее индуктивный чувствительный элемент, выполненный в виде катушки индуктивности, помещенной в кольцевом пазу открытого торца ферритового сердечника с центральным отверстием, последовательно соединенные генератор электрических колебаний, в цепь колебательного контура которого включен индуктивный чувствительный элемент, первый пороговый элемент, последовательно включенные первый инфракрасный фотоприемник, формирователь импульсов, а также первый логический элемент И, первый и второй входы которого соединены с выходами соответственно формирователя импульсов и первого порогового элемента, а его выход является первым выходом устройства, инвертор, первый логический элемент ИЛИ-НЕ, первый вход которого подключен к выходу первого логического элемента И, а его выход является вторым выходом устройства, в него введены второй инфракрасный фотоприемник, подключенный параллельно первому инфракрасному фотоприемнику ко входу формирователя импульсов, последовательно включенные мультивибратор с емкостным чувствительным элементом, подключенным к его входу и выполненным в виде токопроводящей пластины с геометрической формой, повторяющей геометрическую форму центрального отверстия ферритового сердечника, детектор, второй пороговый элемент, а также второй логический элемент И, первый и второй входы которого подключены к выходам соответственно формирователя импульсов и второго порогового элемента, третий вход – к выходу инвертора, вход которого соединен с выходом первого логического элемента И, а его выход соединен со вторым входом первого логического элемента ИЛИ-НЕ и является третьим выходом устройства, второй логический элемент ИЛИ-НЕ, первый и второй входы которого соединены с выходами соответственно первого и второго пороговых элементов, выход – с третьим входом первого логического элемента ИЛИ-НЕ, при этом емкостной чувствительный элемент установлен внутри центрального отверстия ферритового сердечника соосно с этим отверстием со смещением относительно открытого торца ферритового сердечника вдоль оси симметрии его центрального отверстия в сторону закрытого торца ферритового сердечника, причем индуктивный и емкостной чувствительные элементы и инфракрасные фотоприемники, между которыми размещены индуктивный и емкостной чувствительные элементы, установлены вдоль прямой линии в одной плоскости и образуют чувствительный элемент устройства, а плоскости оптических окон инфракрасных фотоприемников, плоскость открытого торца ферритового сердечника и одна из плоскостей емкостного чувствительного элемента, направленные в одну сторону, установлены параллельно и образуют чувствительную поверхность устройства,
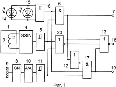
На фиг.1 представлена функциональная схема устройства; на фиг.2 – схема взаимного расположения инфракрасных фотоприемников, емкостного и индуктивного чувствительных элементов и контролируемого изделия; на фиг.3 – диаграммы напряжений, поясняющие работу устройства при срабатывании его от нагретых металлических изделий в режиме идентификации четырех видов изделий; на фиг.4 – диаграммы напряжений, поясняющие работу устройства при срабатывании его от нагретых неметаллических изделий в режиме идентификации четырех видов изделий; на фиг.5 – диаграммы напряжений, поясняющие работу устройства при срабатывании его от ненагретых металлических и неметаллических изделий в режиме идентификации четырех видов изделий.
Устройство содержит (см. фиг.1) индуктивный чувствительный элемент 1, выполненный в виде катушки индуктивности 2, помещенной в кольцевом пазу открытого торца чашки ферритового сердечника 3 с центральным отверстием, генератор электрических колебаний 4, к цепям колебательного контура которого подключен индуктивный чувствительный элемент 1, первый пороговый элемент 5, выполненный, например, по схеме триггера Шмитта, вход которого подключен к выходу генератора 4, первый логический элемент И 6, первую выходную клемму 7, подключенную к выходу первого логического элемента И 6 и являющуюся первым выходом устройства, мультивибратор 8 с емкостным чувствительным элементом 9, подключенным к его входу, детектор 10, вход которого соединен с выходом мультивибратора 8, второй пороговый элемент 11, выполненный, например, по схеме триггера Шмитта, вход которого подключен к выходу детектора 10, инвертор 12, вход которого соединен с выходом первого логического элемента И 6, первый логический элемент ИЛИ-НЕ 13, первый вход которого подключен к выходу первого логического элемента И 6, соединенные между собой параллельно первый и второй инфракрасные фотоприемники 14, 15, формирователь импульсов 16, выполненный, например, по схеме триггера Шмитта, к входу которого подключены выходы инфракрасных фотоприемников 14 и 15, а его выход соединен с первым входом первого логического элемента И 6, второй вход которого подключен к выходу первого порогового элемента 5, второй логический элемент И 17, первый и второй входы которого подключены соответственно к выходам формирователя импульсов 16 и второго порогового элемента 11, третий вход – к выходу инвертора 12, выход – ко второму входу первого логического элемента ИЛИ-НЕ 13, вторую выходную клемму 18, подключенную к выходу первого логического элемента ИЛИ-НЕ 13 и являющуюся вторым выходом устройства, третью выходную клемму 19, соединенную с выходом второго логического элемента И 17 и являющуюся третьим выходом устройства, второй логический элемент ИЛИ-НЕ 20, первый и второй входы которого подключены к выходам соответственно первого и второго пороговых элементов 5 и 11, выход – к третьему входу первого логического элемента ИЛИ-НЕ 13.
Генератор 4 выполнен, например, на основе транзистора по схеме автогенератора электрических колебаний с индуктивной трехточкой, в котором индуктивный чувствительный элемент 1 подключен к цепям его колебательного контура (см. книгу “Виленский П.И., Срибнер Л.А. Бесконтактные путевые выключатели. – М.: Энергоатомиздат, 1985, – 80 с., ил. – (Библиотека по автоматике; Вып. 654)”, стр.20, рис.10, а; стр.38, рис.25).
Мультивибратор 8 выполнен, например, по схеме симметричного автогенератора прямоугольных импульсов на основе операционного усилителя (см. книгу “Шило В.Л. Линейные интегральные схемы в радиоэлектронной аппаратуре. – М.: “Сов. радио”, 1974, с.175, рис.4.42, а).
Емкостной чувствительный элемент 9, подключенный в цепи отрицательной обратной связи к инвертирующему входу операционного усилителя мультивибратора 8, является одной из обкладок частотозадающего “раскрытого конденсатора”, второй обкладкой которого являются электрические цепи общей “земли” мультивибратора 8 и устройства в целом, и служит емкостным чувствительным элементом мультивибратора 8 (см. журнал “Радио”, 10, 2002, с.38, рис.1; с.39, рис.3). При этом емкостной чувствительный элемент 9 выполнен в виде токопроводящей пластины с геометрической формой, совпадающей с геометрической формой сквозного центрального отверстия. выполненного в чашке ферритового сердечника 3 индуктивного чувствительного элемента 1. Причем емкостной чувствительный элемент 9 установлен внутри центрального отверстия ферритового сердечника 3 соосно с этим отверстием со смещением относительно поверхности открытого торца чашки ферритового сердечника 3 вдоль оси симметрии центрального отверстия ферритового сердечника 3 в сторону, противоположную расположению катушки индуктивности 2, т.е. в сторону закрытого торца ферритового сердечника 3. Наличие такого смещения не позволяет магнитному потоку рассеяния (на фиг.2 не показан для лучшей читаемости чертежа) электромагнитного поля 21, существующего непосредственно у передней кромки центрального отверстия со стороны открытого торца чашки ферритового сердечника 3, взаимодействовать с поверхностью емкостного чувствительного элемента 9, и, тем самым, исключает возможность внесения нежелательного дополнительного затухания в колебательный контур генератора 4. Это, в свою очередь, исключает возможность снижения добротности колебательного контура генератора 4 и нарушения его режима генерации электрических колебаний, приводящего к нарушению работоспособности устройства.
Детектор 10 выполнен, например, по схеме диодного пассивного преобразователя амплитудных значений переменного напряжения в постоянное с последовательным включением выпрямительного диода с выходной нагрузкой в виде параллельной RC-цепи (см. книгу “Волгин Л.И. Измерительные преобразователи переменного напряжения в постоянное. М.: “Сов. радио”, 1977″, с.174, рис.4.9, б).
Каждый инфракрасный фотоприемник 14, 15 выполнен, например, по схеме, состоящей из усилителя постоянного тока на основе операционного усилителя, инфракрасного фотодиода, включенного в фотодиодном режиме на вход операционного усилителя (см. книгу “Аксененко М.Д. и др. Микроэлектронные фотоприемные устройства / М.Д.Аксененко, М.Л.Бараночников, О.В.Смолин. – М.: Энергоатомиздат, 1984. – 208 с., ил.”, с.83, рис.4.11, Б), и транзисторного эмиттерного повторителя с открытым эмиттерным выходом, вход которого подключен к выходу усилителя постоянного тока, а его открытый эмиттерный выход является выходом инфракрасного фотоприемника.
Индуктивный чувствительный элемент 1 включает в себя катушку индуктивности 2, ферритовый сердечник 3, выполненный в виде чашки, имеющей открытый и закрытый торцы. Со стороны открытого торца чашки ферритового сердечника 3 установлена обмотка катушки индуктивности 2. У открытого торца чашки ферритового сердечника 3 при подаче высокочастотного сигнала на катушку индуктивности 2 с генератора 4 образуется в воздушном пространстве высокочастотное электромагнитное поле 21. Магнитный поток этого поля замыкается через воздушное пространство между внутренним кольцевым выступом чашки, установленным внутри центрального отверстия катушки индуктивности 2, и наружным кольцевым выступом чашки, охватывающем своей внутренней боковой поверхностью наружную боковую поверхность катушки индуктивности 2 по ее периметру. При этом перед закрытым торцом чашки в воздушном пространстве высокочастотное электромагнитное поле не возникает, так как его магнитный поток замыкается внутри сердечника через сплошной слой феррита, образующего закрытый торец чашки, т.е. происходит экранирование этим слоем электромагнитного поля со стороны закрытого торца ферритового сердечника 3. Внутри центрального отверстия ферритового сердечника 3 высокочастотное электромагнитное поле также отсутствует, так как отверстие выполнено в сплошном слое феррита, и магнитный поток замыкается внутри ферритового сердечника 3 через этот слой феррита вследствие небольшого сопротивления феррита для магнитного потока по сравнению с сопротивлением воздуха. Поэтому взаимодействие емкостного чувствительного элемента 9, установленного внутри центрального отверстия ферритового сердечника 3 со смещением в сторону его закрытого торца, с электромагнитным полем 21 катушки индуктивности 2 полностью исключается. При этом центральное отверстие в виде сквозного отверстия чашки ферритового сердечника 3 позволяет конструктивно выполнить электрическое соединение емкостного чувствительного элемента 9 с мультивибратором 8 со стороны закрытого торца чашки ферритового сердечника 3, без взаимодействия соединительного проводника с электромагнитным полем 21, т.е. без внесения нежелательного дополнительного затухания в контур генератора 4, приводящего к уменьшению соединительным металлическим проводником его добротности и, как следствие, к нарушению режима работы генератора 4.
Между инфракрасными фотоприемниками 14, 15 установлен индуктивный чувствительный элемент 1 с емкостным чувствительным элементом 9 (см. фиг.2). При этом инфракрасные фотоприемники 14, 15, индуктивный и емкостной чувствительные элементы 1, 9 установлены вдоль прямой линии в одной плоскости и образуют чувствительный элемент устройства. Причем плоскости оптических окон инфракрасных фотоприемников 14, 15, плоскость открытого торца чашки ферритового сердечника 3 катушки индуктивности 2 и одна из плоскостей емкостного чувствительного элемента 9, направленные в одну сторону, установлены параллельно между собой и образуют чувствительную поверхность устройства.
При таком взаимном расположении элементов чувствительного элемента устройства он и, следовательно, устройство в целом характеризуется двумя зонами чувствительности – ближней и дальней зонами чувствительности вдоль осей симметрии индуктивного и емкостного чувствительных элементов 1 и 9, проведенных через их центры перпендикулярно плоскостям открытого торца ферритового сердечника 3 и емкостного чувствительного элемента соответственно. В ближней зоне чувствительности, в которой одновременно действуют электромагнитное поле 21, индуктивного чувствительного элемента 1, электрическое поле 22 емкостного чувствительного элемента 9 и инфракрасное излучение контролируемого нагретого изделия 23 в пределах чувствительности инфракрасных фотоприемников 14, 15, производится идентификация (распознавание) контролируемых изделий. В дальней зоне чувствительности, ограниченной в пределах чувствительности фотоприемников 14, 15 инфракрасного излучения концом границы ближней зоны чувствительности устройства и расстоянием предельной чувствительности инфракрасных фотоприемников 14, 15, устройство теряет свойство идентификации (распознавания) контролируемых изделий 23. Но в этой зоне устройства в условиях производственных технологических процессов могут находиться различные посторонние источники инфракрасного излучения, которыми могут быть нагретые металлические и неметаллические предметы и технологические источники инфракрасного излучения, например, оптические датчики с открытым оптическим каналом или метрологическое оборудование с измерительными генераторами инфракрасного излучения. Такие источники, воздействуя своим инфракрасным излучением на чувствительные элементы фотоприемников 14, 15, вызывают ложные срабатывания формирователя импульсов 16, проявляющиеся в виде формирования на его выходе ложных импульсов напряжения с уровнями логической “1”, что может приводить к снижению надежности его работы.
Кроме того, в ближнюю зону чувствительности устройства в зону действия его чувствительного элемента могут случайно попадать, например, посторонние нагретые неметаллические предметы и вызывать ложные срабатывания формирователя импульсов 16, которые проявляются также в виде формирования на выходах устройства ложных импульсов напряжения с уровнями логической “1”. Поэтому схема взаимного расположения элементов чувствительного элемента устройства, схемное решение устройства и алгоритм обработки сигналов фотоприемников 14, 15, индуктивного и емкостного чувствительных элементов 1, 9 разработаны с учетом наличия указанных мешающих факторов таким образом, чтобы устранить ложные срабатывания устройства при ложных срабатываниях формирователя импульсов 16.
Такое взаимное расположение в пространстве инфракрасных фотоприемников 14, 15, емкостного чувствительного элемента 9, индуктивного чувствительного элемента 1 и контролируемого изделия 23 (см. фиг.2) при прохождении им в направлении стрелки 24 (25) относительно чувствительного элемента устройства параллельно его чувствительной поверхности в пределах действия электромагнитного поля 21, электрического поля 22 и в пределах расстояний чувствительности фотоприемников 14, 15 всегда обеспечивает последовательное взаимодействие контролируемого изделия 23 с оптическим окном фотоприемника 14 (15), электромагнитным полем 21, электрическим полем 22 и оптическим окном фотоприемника 15 (14). Это, в свою очередь, обеспечивает:
1) последовательное засвечивание нагретым контролируемым металлическим или неметаллическим изделием 23 своим инфракрасным излучением 26 сначала одного фотоприемника 14 (15), потом пересечение электромагнитного поля 21, оставляя при этом фотоприемник 14 (15) в засвеченном состоянии, а затем взаимодействие с электрическим полем 22, продолжая оставаться в зоне действия электромагнитного поля 21 и оставляя при этом фотоприемник 14 (15) в засвеченном состоянии, далее засвечивание другого фотоприемника 15 (14), оставаясь в зоне действия электромагнитного и электрического полей 21, 22 соответственно и оставляя на некотором промежутке времени оба фотоприемника в засвеченном состоянии, потом затемнение фотоприемника 14 (15), оставаясь в зоне действия электромагнитного и электрического полей 21, 22 соответственно и оставляя при этом фотоприемник 15 (14) в засвеченном состоянии, затем выход из зоны действия электрического поля 22, оставаясь в зоне действия электромагнитного поля 21 и оставляя фотоприемник 15 (14) в засвеченном состоянии, далее выход из зоны действия электромагнитного поля 21, оставляя при этом фотоприемник 15 (14) в засвеченном состоянии и, наконец, затемнение фотоприемника 15 (14) и выход контролируемого нагретого металлического или неметаллического изделия 23 из зоны чувствительной поверхности устройства.
Таким образом, последовательное засвечивание нагретым контролируемым металлическим или неметаллическим изделием 23 фотоприемников 14 (15) и 15 (14) происходит без разрыва, т.е. формируется на выходе формирователя импульсов 16 обоими параллельно включенными фотоприемниками сплошной импульс напряжения с уровнем логической “1” длительностью, равной времени нахождения контролируемого нагретого изделия 23 в зоне чувствительной поверхности устройства, начиная с момента засветки фотоприемника 14 (15) и до момента выхода из засвеченного состояния фотоприемника 15 (14);
2) последовательное прохождение ненагретыми металлическим, неметаллическим и нагретыми металлическим, неметаллическим контролируемыми изделиями 23 фотоприемника 14 (15) соответственно без его засвечивания вследствие отсутствия у контролируемого изделия инфракрасного излучения 26 и с засвечиванием фотоприемника 14 (15) вследствие наличия у него инфракрасного излучения 26, потом пересечение им электромагнитного поля 21, затем взаимодействие его с электрическим полем 22, далее прохождение им фотоприемника 15 (14) соответственно без засвечивания и с засвечиванием его и выход контролируемого изделия 23 из зоны чувствительной поверхности устройства. В результате чего на выходе второго порогового элемента 11 формируются импульсы напряжений с уровнями логической “1” длительностями, равными длительности нахождения контролируемого изделия 23 в электрическом поле 22 емкостного чувствительного элемента 9:
3) получение импульсов на выходе формирователя импульсов 16 длительностью всегда большей, чем длительность каждого импульса на выходе первого порогового элемента 5 и второго порогового элемента 11;
4) получение на выходе первого порогового элемента 5 в случае взаимодействия чувствительного элемента устройства с контролируемым нагретым или ненагретым металлическим изделием 23 импульса напряжения с уровнем логической “1” длительностью всегда большей, чем длительность импульса на выходе второго порогового элемента 11;
5) расстановку на временной оси сформированных импульсов таким образом, чтобы выходные импульсы формирователя импульсов 16 большей длительности всегда “охватывали” выходные импульсы меньшей длительности первого порогового элемента 5 и второго порогового элемента 11, и чтобы в то же время выходные импульсы первого порогового элемента 5, длительности которых больше, чем длительности импульсов на выходе второго порогового элемента 11, всегда “охватывали” выходные импульсы последнего.
Следовательно, такое взаимное расположение инфракрасных фотоприемников, индуктивного и емкостного чувствительных элементов и взаимодействие их в описанной выше последовательности с контролируемым изделием, а также соответствующая обработка предложенной схемой устройства их выходных сигналов позволяют реализовать принцип действия устройства в режиме идентификации четырех видов изделий из числа нагретых металлических, неметаллических и ненагретых металлических, неметаллических изделий и расширить номенклатуру контролируемых изделий до четырех изделий, т.е. производить распознавание металлических и неметаллических изделий с учетом их термического состояния и вида материала при расширенной номенклатуре контролируемых изделий по алгоритму: идентификация каждого из четырех разновидностей контролируемых изделий на один соответствующий выход из трех выходов устройства, а также повысить надежность работы устройства.
Устройство работает следующим образом.
При подаче напряжения питания в момент нахождения контролируемого изделия 23 вне зоны чувствительной поверхности устройства (см. фиг.2) фотоприемники 14, 15 находятся в затемненном состоянии. В результате формирователь 16 устанавливается в такое устойчивое состояние, при котором на его выходе устанавливается напряжение U1 с уровнем логического “0”, которое подается на первые входы логических элементов 6 и 17 (см. фиг.3, фиг.4, фиг.5). В результате на выходе логического элемента 6, входе инвертора 12, первом входе логического элемента 13 и на выходной клемме 7 устанавливается напряжение U6 с уровнем логического “0”, а на выходе инвертора 12 и третьем входе логического элемента 17 – напряжение U5 с уровнем логической “1”. Но уровень логической “1” напряжения U5 с выхода инвертора 12 через третий вход логического элемента 17 на его выход, второй вход логического элемента 13 и на выходную клемму 19 не проходит, и на них устанавливается напряжение U7 с уровнем логического “0”, так как на первый вход логического элемента 17 подано с выхода формирователя 16 напряжение U1 с уровнем логического “0”, запрещающее его прохождение.
При этом в момент подачи напряжения питания генератор 4 переходит в режим генерации электрических колебаний, постоянная составляющая тока которых на его выходе создает падение напряжения, превышающее входное пороговое значение напряжения триггера порогового элемента 5. В результате последний переключается в такое устойчивое состояние, при котором на его выходе устанавливается напряжение U2 с уровнем логического “0”, которое подается на первый и второй входы логических элементов 20 и 6 соответственно (см. фиг.3, фиг.4, фиг.5). При этом переключения логического элемента 6 в другое состояние не происходит, потому что уровень логического “0” напряжения U2 с выхода порогового элемента 5 запрещает его переключение.
Вместе с тем в момент подачи напряжения питания мультивибратор 8 переходит в заторможенное состояние, при котором на его выходе, на входе и выходе детектора 10, на входе порогового элемента 11 устанавливаются напряжения с уровнями логического “0”. В результате пороговый элемент 11 переключается в такое устойчивое состояние, при котором на его выходе и вторых входах логических элементов 17 и 20 устанавливается напряжение U3 с уровнем логического “0” (см. фиг.3, фиг.4, фиг.5). После чего на выходе логического элемента 20 устанавливается напряжение U4 с уровнем логической “1”, которое подается на третий вход логического элемента 13, так как по первому входу логического элемента 20 происходит инвертирование им напряжения U2 с уровнем логического “0”, поданного с выхода порогового элемента 5, в напряжение U4 с уровнем логической “1”, которое проходит на выход логического элемента 20, потому что на его второй вход подано с выхода порогового элемента 11 напряжение U3 с уровнем логического “0”, разрешающее инвертирование и прохождение. При этом уровень логической “1” с выхода инвертора 12 через третий вход логического элемента 17 на его выход, второй вход логического элемента 13 и на выходную клемму 19 не проходит, и на его выходе и выходной клемме 19 устанавливается напряжение U7 с уровнем логического “0”, так как на первом и втором входах логического элемента 17 установлены с выходов соответственно формирователя импульсов 16 и порогового элемента 11 напряжения U1 и U3 с уровнями логического “0”. Так как по третьему входу логического элемента 13 происходит инвертирование им напряжения U4 с уровнем логической “1”, поданного с выхода логического элемента 20, под действием напряжений U6 и U7 с уровнями логического “0” с выходов соответственно логических элементов 6 и 17, на выходе логического элемента 13 и на выходной клемме 18 устанавливается напряжение U8 с уровнем логического “0”.
Таким образом, после подачи напряжения питания устройство устанавливается в исходное состояние, при котором контролируемое изделие 23 находится за пределами его чувствительной поверхности, а на выходных клеммах 7, 19 и 18 устанавливаются соответственно напряжения U6, U7 и U8 с уровнями логического “0” (см. фиг.3, фиг.4, фиг.5). При этом устройство готово к первому циклу идентификации изделий.
Рассмотрим работу устройства в режиме идентификации четырех видов контролируемых изделий – нагретых металлических, нагретых неметаллических, ненагретых металлических и ненагретых неметаллических, при котором контролируемое изделие 23 (см. фиг.2) перемещается параллельно чувствительной поверхности устройства в пределах ближней зоны чувствительности устройства в одном из направлений по стрелке 24 или 25.
При введении в направлении стрелки 24 (25) в зону чувствительной поверхности устройства, например нагретого металлического изделия 23, происходит засвечивание фотоприемника 14 (15) его инфракрасным излучением 26 (см. фиг.2). В результате на его выходе устанавливается напряжение с уровнем логической “1”, которое подается на вход формирователя 16, который переключается в такое устойчивое состояние, при котором на его выходе и первых входах логических элементов 6, 17 устанавливается напряжение U1 с уровнем логической “1” (см. фиг.3). Но уровень логической “1” напряжения U1 с выхода формирователя 16 на выход логического элемента 6, вход инвертора 12, первый вход логического элемента 13 и на выходную клемму 7 не проходит, и на них продолжает присутствовать напряжение U6 с уровнем логического “0”, так как на второй вход логического элемента 6 с выхода порогового элемента 5 подано напряжение U2 с уровнем логического “0”, запрещающее его прохождение.
Через некоторый промежуток времени перемещающееся в выбранном направлении контролируемое изделие 23, оставляя фотоприемник 14 (15) в засвеченном состоянии, входит в зону действия электромагнитного поля 21. При этом контролируемое изделие 23 вносит существенное затухание в колебательный контур генератора 4, который переходит в режим срыва генерации электрических колебаний, постоянная составляющая тока которых на его выходе создает падение напряжения, превышающее входное пороговое значение напряжения триггера порогового элемента 5. В результате происходит переключение порогового элемента 5 в другое устойчивое состояние, при котором на его выходе устанавливается напряжение U2 с уровнем логической “1”, которое подается на первый и второй входы логических элементов 20 и 6 соответственно. При этом на выходе логического элемента 20 и третьем входе логического элемента 13 устанавливается напряжение U4 с уровнем логического “0”. После чего происходит переключение логического элемента 6 в другое состояние, при котором на его выходе, входе инвертора 12, первом входе логического элемента 13 и на выходной клемме 7 устанавливается напряжение U6 с уровнем логической “1”, а переключения логических элементов 17 и 13 в другое состояние не происходит, и на их выходах и выходных клеммах 19 и 18 продолжают присутствовать соответственно напряжения U7 и U8 с уровнями логического “0”, соответствующие исходному состоянию схемы устройства, так как:
– на обоих входах логического элемента 6 установлены уровни логической “1” напряжений U1 и U2 с выходов соответственно формирователя 16 и порогового элемента 5, которые проходят через первый и второй входы логического элемента 6 на его выход и выходную клемму 7;
– уровень логической “1” напряжения U1 с выхода формирователя 16 через первый вход логического элемента 17 на его выход, второй вход логического элемента 13 и выходную клемму 19 не проходит, потому что с выходов порогового элемента 11 и инвертора 12 поданы соответственно на второй и третий входы логического элемента 17 напряжения U3 и U5 с уровнями логического “0”, запрещающие его прохождение;
– уровень логической “1” напряжения U6 с выхода логического элемента 6 по первому входу логического элемента 13 инвертируется им в напряжение U8 с уровнем логического “0”, которое проходит на его выход и выходную клемму 18, потому что с выходов логических элементов 20 и 17 соответственно на третий и второй входы логического элемента 13 поданы напряжения U4 и U7 с уровнями логического “0”, разрешающие его инвертирование и прохождение.
Затем перемещающееся в выбранном направлении контролируемое изделие 23, оставляя фотоприемник 14 (15) в засвеченном состоянии и по-прежнему оставаясь в зоне действия электромагнитного поля 21, входит в зону действия электрического поля 22 емкостного чувствительного элемента 9 и образует с ним электрический конденсатор.
Значение электрической емкости образованного таким образом конденсатора увеличивается до такого уровня, при котором происходит возбуждение мультивибратора 8 и переход его в режим генерации электрических колебаний. Амплитуда выходных импульсов мультивибратора 8 преобразуется детектором 10 в постоянное напряжение с уровнем логической “1”, которое превышает входное пороговое значение напряжения триггера порогового элемента 11. При этом пороговый элемент 11 переключается в другое устойчивое состояние, при котором на его выходе устанавливается напряжение U3 с уровнем логической “1”, которое подается на вторые входы логических элементов 20 и 17. После чего переключения логического элемента 20 не происходит, и на его выходе и на третьем входе логического элемента 13 продолжает присутствовать напряжение U4 с уровнем логического “0”, так как на обоих его входах установлены с выходов первого и второго пороговых элементов 5 и 11 соответственно напряжения U2 и U3 с уровнями логической “1”, запрещающие его переключение. При этом под действием уровня логической “1” напряжения U3 с выхода порогового элемента 11 переключения логических элементов 17 и 13 в другое состояние не происходит, и на их выходах и соответственно на выходных клеммах 19 и 18 продолжают присутствовать напряжения U7 и U8 с уровнями логического “0”, так как:
– на третьем входе логического элемента 17 установлено с выхода инвертора 12 напряжение U5 с уровнем логического “0”, запрещающее прохождение на его выход, второй вход логического элемента 13 и выходную клемму 19 через первый и второй входы логического элемента 17 уровней логической “1” напряжений U1 и U3 соответственно с выходов формирователя 16 и порогового элемента 11;
– по первому входу логического элемента 13 происходит инвертирование им уровня логической “1” напряжения U6 с выхода логического элемента 6 в напряжение U8 с уровнем логического “0”, которое проходит на выход логического элемента 13 и на выходную клемму 18, потому что с выходов логических элементов 20 и 17 соответственно на третий и второй входы логического элемента 13 поданы напряжения U4 и U7 с уровнями логического “0”, разрешающие его инвертирование и прохождение.
Далее перемещающееся контролируемое изделие 23, по-прежнему оставляя фотоприемник 14 (15) в засвеченном состоянии и оставаясь в зоне действия электромагнитного поля 21 и электрического поля 22, засвечивает фотоприемник 15 (14). После чего уровень напряжения на входе и выходе формирователя 16, соответствующий уровню логической “1”, не изменился, так как параллельно включенные фотоприемники 14, 15 реализуют логическую функцию МОНТАЖНОЕ ИЛИ. Поэтому описанные выше состояния схемы устройства и диаграмм напряжений на фиг.3, установившиеся до момента засвечивания фотоприемника 15 (14), не изменились.
При дальнейшем перемещении в том же направлении контролируемое изделие 23, оставаясь в зонах действия электромагнитного и электрического полей 21 и 22 соответственно и оставляя фотоприемник 15 (14) в засвеченном состоянии, выходит за пределы оптического окна фотоприемника 14 (15). При этом происходит затемнение последнего, после чего уровень напряжения U1 на выходе формирователя 16, соответствующий уровню логической “1”, также не изменяется по причине реализации фотоприемниками 14, 15 логической функции МОНТАЖНОЕ ИЛИ. В связи с этим описанные состояния схемы устройства и диаграмм напряжений на фиг.3, установившиеся до момента затемнения фотоприемника 14 (15), также не изменились.
Потом контролируемое изделие 23, оставляя фотоприемник 15 (14) в засвеченном состоянии и оставаясь в зоне действия электромагнитного поля 21, выходит из зоны действия электрического поля 22. При этом мультивибратор 8 переходит в заторможенное состояние, т.е. в исходное состояние, при котором на его выходе, входе и выходе детектора 10 устанавливаются напряжения с уровнями логического “0”. В результате на вход порогового элемента 11 подается напряжение с уровнем логического “0”, под действием которого он переключается в другое устойчивое состояние, т.е. в исходное состояние, и на его выходе устанавливается напряжение U3 с уровнем логического “0”, которое подается на вторые входы логических элементов 17 и 20. После чего под действием напряжения U3 с выхода порогового элемента 11 с уровнем логического “0” на выходе логического элемента 20 и на третьем входе логического элемента 13 устанавливается напряжение U4 с уровнем логической “1”, а на выходах логических элементов 17 и 13 и соответственно на выходных клеммах 19 и 18 продолжают присутствовать напряжения U7 и U8 с уровнями логического “0”, так как:
– уровень логической “1” напряжения U1 с выхода формирователя 16 через первый вход логического элемента 17 на его выход и выходную клемму 19 не проходит, потому что на втором и третьем входах логического элемента 17 с выходов соответственно порогового элемента 11 и инвертора 12 поданы напряжения U3 и U5 с уровнями логического “0”, запрещающие его прохождение;
– уровень логической “1” напряжения U6 с выхода логического элемента 6 инвертируется логическим элементом 13 по его первому входу в напряжение U8 с уровнем логического “0”, которое проходит на его выход и выходную клемму 18, потому что на второй и третий входы логического элемента 13 с выходов соответственно логического элемента 17 и 20 поданы напряжения U7 и U4 с уровнями логического “0”, разрешающие его инвертирование и прохождение.
Затем контролируемое изделие 23, оставляя фотоприемник 15 (14) в засвеченном состоянии, выходит из зоны действия электромагнитного поля 21. После чего генератор 4 переходит в режим генерации электрических колебаний, т.е. в исходное состояние. В результате пороговый элемент 5 переключается также в исходное состояние, при котором на его выходе устанавливается напряжение U2 с уровнем логического “0”, которое подается на первый и второй входы соответственно логических элементов 20 и 6. При этом под действием напряжения U2 с уровнем логического “0” с выхода порогового элемента 5 на выходе логического элемента 20 и на третьем входе логического элемента 13 устанавливается напряжение U4 с уровнем логической “1”. Под действием напряжения U2 с уровнем логического “0”, поданного с выхода порогового элемента 5, логический элемент 6 переключается в исходное состояние, и на его выходе, входе инвертора 12, первом входе логического элемента 13 и на выходной клемме 7 устанавливается напряжение U6 с уровнем логического “0”, а переключения логических элементов 17 и 13 в другое состояние не происходит, и на их выходах и на выходных клеммах 19 и 18 подтверждается присутствие соответственно напряжений U7 и U8 с уровнями логического “0”, так как:
– на втором входе логического элемента 6 с выхода порогового элемента 5 подано напряжение U2 с уровнем логического “0”;
– логический элемент 17 уже находится в исходном состоянии, при котором на его выходе и на выходной клемме 19 присутствует напряжение U7 с уровнем логического “0”, под действием напряжения U3 с уровнем логического “0”, поданного с выхода порогового элемента 11 на его второй вход;
– логический элемент 13 уже находится в исходном состоянии, потому что по третьему входу логического элемента 13 происходит инвертирование им напряжения U4 с уровнем логической “1” в напряжение U8 с уровнем логического “0”, которое подается на его выход и выходную клемму 18, под действием напряжения U7 с уровнем логического “0”, поданного на второй вход логического элемента 13 с выхода логического элемента 17. На этом формирование импульса напряжения U6 с уровнем логической “1” на выходной клемме 7 заканчивается.
И на последнем отрезке своего перемещения контролируемое изделие 23 выходит за пределы оптического окна фотоприемника 15 (14). После чего он затемняется, т.е. устанавливается в исходное состояние, при котором на выходе формирователя 16 устанавливается напряжение U1 с уровнем логического “0”, которое подается на первые входы логических элементов 6 и 17. Но под действием этого напряжения переключения логических элементов 6 и 17 не происходит, и на их выходах и соответственно на выходных клеммах 7 и 19 продолжают присутствовать напряжения U6 и U7 с уровнями логического “0”, соответствующие исходному состоянию схемы устройства, так как логические элементы 6 и 17 к этому моменту уже переключены в исходное состояние под действием напряжений U2 и U3 с уровнями логического “0”, поданных соответственно с выходов пороговых элементов 5 и 11. На этом цикл идентификации нагретого металлического изделия 23 на выходной клемме 7 заканчивается. В результате устройство устанавливается в исходное состояние и готово к очередному циклу идентификации контролируемого изделия. При повторном прохождении нагретого металлического контролируемого изделия 23 относительно чувствительной поверхности устройства описанный выше в соответствии с диаграммами, приведенными на фиг.3, цикл идентификации нагретого металлического изделия повторяется.
Таким образом, при введении в направлении стрелки 24 (25) в зону чувствительной поверхности устройства контролируемого нагретого металлического изделия информационный сигнал напряжения U6 с уровнем логической “1” об его идентификации появляется только на выходной клемме 7 устройства, а на выходных клеммах 19 и 18 при этом присутствуют соответственно напряжения U7 и U8 с уровнями логического “0”.
В случае прохождения в направлении стрелки 24 (25) относительно чувствительной поверхности устройства нагретого неметаллического изделия 23 происходит засвечивание фотоприемников 14, 15 вследствие наличия у него инфракрасного излучения 26 и формирование на выходе формирователя 16 импульса напряжения U1 с уровнем логической “1” (см. фиг.4), который подается на первые входы логических элементов 6 и 17.
Наряду с этим при пересечении контролируемым нагретым неметаллическим изделием 23 электромагнитного поля 21 формирования на выходе порогового элемента 5 импульса напряжения U2 с уровнем логической “1” в течение всего цикла идентификации нагретого неметаллического изделия не происходит (см. фиг.4), так как оно существенного затухания в колебательный контур генератора 4 не вносит, и генератор 4 продолжает находиться в исходном состоянии. В результате на первом и втором входах соответственно логических элементов 20 и 6 продолжает присутствовать в течение всего цикла идентификации нагретого неметаллического изделия 23 напряжение U2 с уровнем логического “0”, соответствующее исходному состоянию схемы устройства. При этом на выходе логического элемента 20 продолжает присутствовать в течение всего цикла идентификации нагретого неметаллического изделия 23 напряжение U5 с уровнем логической “1”. В этом случае при взаимодействии контролируемого нагретого неметаллического изделия 23 с электрическим полем 22 формируются только импульсы напряжений U3 и U4 на выходах соответственно порогового элемента 11 и логического элемента 20 с уровнями логической “1” и логического “0”, которые подаются соответственно на второй и третий входы логических элементов 17 и 13 (см. фиг.4). В результате на выходе логического элемента 17 и выходной клемме 19 происходит формирование импульса напряжения U7 с уровнем логической “1”, а на выходах логических элементов 6 и 13 и соответственно на выходных клеммах 7 и 18 продолжают присутствовать напряжения U6 и U8 с уровнями логического “0”, так как:
– на всех трех входах логического элемента 17 установлены с выходов формирователя 16, выхода порогового элемента 11 и инвертора 12 соответственно импульс напряжения U1, импульс напряжения U3 и напряжение U5 с уровнями логической “1”, которые проходят на выход логического элемента 17 и выходную клемму 19 в виде импульса напряжения U7 с уровнем логической “1”;
– на втором входе логического элемента 6 установлено с выхода порогового элемента 5 напряжение U2 с уровнем логического “0”, запрещающее прохождение на его выход и выходную клемму 7 с выхода формирователя 16 импульса напряжения U1 с уровнем логической “1”;
– по второму входу логического элемента 13 происходит инвертирование им импульса напряжения U7 с уровнем логической “1” в напряжение U8 с уровнем логического “0”, которое проходит на выход логического элемента 13 и выходную клемму 18, потому что с выходов логического элемента 6 и логического элемента 20 поданы соответственно на второй и третий входы логического элемента 13 напряжение U6 и импульс напряжения U4 с уровнями логического “0”, разрешающие инвертирование и прохождение. После окончания формирования на выходной клемме 19 импульса напряжения U7 с уровнем логической “1”, которому соответствует момент выхода контролируемого нагретого неметаллического изделия 23 из зоны действия электрического поля 22, и после выхода его из зоны действия электромагнитного поля 21 и области оптического окна фотоприемника 15 (14) цикл идентификации нагретого неметаллического изделия заканчивается. В результате устройство устанавливается в исходное состояние и готово к очередному циклу идентификации контролируемого изделия. При повторном перемещении нагретого неметаллического изделия относительно чувствительной поверхности устройства цикл его работы в соответствии с диаграммами напряжений, приведенными на фиг.4, повторяется.
Таким образом, при прохождении относительно чувствительной поверхности устройства контролируемого нагретого неметаллического изделия информационный сигнал напряжения U7 с уровнем логической “1” об его идентификации появляется только на выходной клемме 19 устройства, а на выходных клеммах 7 и 18 при этом присутствуют соответственно напряжения U6 и U8 с уровнями логического “0”.
В случае введения в направлении стрелки 24 (25) в зону чувствительной поверхности устройства ненагретого металлического изделия 23 засвечивания фотоприемников 14, 15 из-за отсутствия у него инфракрасного излучения 26 и переключения формирователя 16 в другое устойчивое состояние не происходит. В результате чего на выходе формирователя 16 в течение всего цикла идентификации ненагретого металлического изделия 23 формирования импульса напряжения U1 с уровнем логической “1” не происходит и, следовательно, формирователь 16 и логические элементы 6, 17 находятся в течение всего этого цикла идентификации в исходном состоянии (см. фиг.5). В этом случае при взаимодействии контролируемого ненагретого металлического изделия 23 с электромагнитным полем 21 происходит формирование на выходе порогового элемента 5 импульса напряжения U2 с уровнем логической “1”, который подается на первый и второй входы логических элементов 20 и 6 соответственно. При этом на выходе логического элемента 20 происходит формирование импульса напряжения U4 с уровнем логического “0”, который подается на третий вход логического элемента 13. Вместе с тем при взаимодействии контролируемого изделия 23 с электрическим полем 22 на выходе порогового элемента 11 происходит формирование импульса напряжения U3 с уровнем логической “1”, который подается на вторые входы логических элементов 17 и 20. Так как на обоих входах логического элемента 20 действуют импульсы напряжений U2 и U3 с выходов соответственно пороговых элементов 5 и 11 с уровнями логической “1”, на его выходе и третьем входе логического элемента 13 происходит формирование импульса напряжения U4 с уровнем логического “0”. В результате на выходе логического элемента 13 и на выходной клемме 18 формируется импульс напряжения U8 с уровнем логической “1”, а на выходах логических элементов 6 и 17 и соответственно на выходных клеммах 7 и 19 продолжают присутствовать напряжения U6 и U7 с уровнями логического “0”, так как;
– по третьему входу логического элемента 13 происходит инвертирование им импульса напряжения U4 с уровнем логического “0” с выхода логического элемента 20 в импульс напряжение U8 с уровнем логической “1”, который проходит на выход логического элемента 13 и выходную клемму 18, потому что на первый и второй входы логического элемента 13 соответственно с выходов логических элементов 6 и 17 поданы напряжения U6 и U7 с уровнями логического “0”, разрешающие его инвертирование и прохождение;
– на первом входе логического элемента 6 установлено с выхода формирователя 16 напряжение U1 с уровнем логического “0”, под действием которого на его выходе и выходной клемме 7 продолжает присутствовать напряжение U1 с уровнем логического “0”;
– уровни логической “1” импульса напряжения U3 и напряжение U5 с выходов соответственно порогового элемента 11 и инвертора 12 через второй и третий входы логического элемента 17 на его выход и выходную клемму 19 не проходят, потому что на первый вход логического элемента 17 с выхода формирователя 16 подано напряжение U1 с уровнем логического “0”, запрещающее их прохождение.
По окончании формирования импульса напряжения U8 на выходной клемме 18, которому соответствует момент выхода контролируемого ненагретого металлического изделия 23 из зоны действия электрического поля 22, и после выхода его из зоны действия электромагнитного поля 21 и за пределы оптического окна фотоприемника 15 (14) цикл его идентификации на этом заканчивается. Устройство устанавливается в исходное состояние и готово к очередному циклу идентификации контролируемого изделия. При повторном прохождении контролируемого ненагретого металлического изделия 23 относительно чувствительной поверхности устройства описанный выше в соответствии с диаграммами, приведенными на фиг.5, цикл его идентификации повторяется.
Таким образом, при введении в направлении стрелки 24 (25) в зону чувствительной поверхности устройства ненагретого металлического изделия 23 информационный сигнал напряжения U8 с уровнем логической “1” об его идентификации появляется только на выходной клемме 18 устройства, а на выходных клеммах 7 и 19 при этом присутствуют соответственно напряжения U6 и U7 с уровнями логического “0”.
В случае введения в направлении стрелки 24 (25) в зону чувствительной поверхности устройства ненагретого неметаллического изделия 23 его цикл идентификации аналогичен описанному выше циклу идентификации контролируемого ненагретого металлического изделия 23 в соответствии с диаграммами, приведенными на фиг.5. Его отличие состоит в том, что в этом случае на выходе порогового элемента 5 не происходит формирования импульса напряжения U2 с уровнем логической “1” вследствие отсутствия внесения ненагретым неметаллическим изделием 23 существенного затухания в колебательный контур генератора 4. Поэтому на выходе порогового элемента 5, на первом и втором входах соответственно логических элементов 20 и 6 присутствует в течение всего цикла идентификации ненагретого неметаллического изделия 23 напряжение U2 с уровнем логического “0”, диаграмма которого на фиг.5 выполнена штриховой линией. При этом на выходе логического элемента 20 и на выходе логического элемента 13, выходной клемме 18 формируются соответственно импульсы напряжений U4 и U8 с уровнями логического “0” и логической “1” меньшей длительности, чем при идентификации ненагретого металлического изделия 23, определяемой длительностью нахождения контролируемого ненагретого неметаллического изделия 23 в зоне действия электрического поля 22 (см. фиг.5, диаграммы U4, U8, выполненные штриховыми линиями).
Следовательно, в рассмотренном режиме работы устройства информационный сигнал на его выходной клемме 7 однозначно соответствует прохождению относительно чувствительной поверхности устройства нагретого металлического изделия, информационный сигнал на выходной клемме 19 – нагретого неметаллического изделия, а информационный сигнал на выходной клемме 18 – ненагретого металлического или неметаллического изделия, чем и обеспечивается идентификация (распознавание) четырех видов изделий из числа нагретого металлического, нагретого неметаллического, ненагретого металлического и неметаллического изделий, т.е. обеспечивается идентификация изделий с учетом их термического состояния и вида материала при расширенной номенклатуре контролируемых изделий, а также повышение надежности работы устройства.
Предлагаемое устройство обеспечивает также пять режимов идентификации изделий при суженной номенклатуре контролируемых изделий до двух единиц:
1) режим идентификации нагретых металлических и неметаллических изделий;
2) режим идентификации нагретых и ненагретых металлических изделий;
3) режим идентификации нагретых металлических и ненагретых неметаллических изделий;
4) режим идентификации нагретых и ненагретых неметаллических изделий;
5) режим идентификации нагретых неметаллических и ненагретых металлических изделий.
В режиме идентификации нагретых металлических и неметаллических изделий используются соответственно выходные клеммы 7 и 19 устройства, а его выходная клемма 18 при этом не задействуется. При прохождении относительно чувствительной поверхности устройства контролируемого нагретого металлического изделия на выходной клемме 7 отрабатывается информационный сигнал U6 с уровнем логической “1”, несущий информацию об его идентификации. На выходной клемме 19 при этом присутствует напряжение U7 с уровнем логического “0”, и цикл идентификации нагретого металлического изделия описывается диаграммами, приведенными на фиг.3. При прохождении относительно чувствительной поверхности устройства контролируемого нагретого неметаллического изделия информационный сигнал U7 с уровнем логической “1” об его идентификации отрабатывается только на выходной клемме 19. На выходной клемме 7 при этом присутствует напряжение с уровнем логического “0”, и цикл идентификации нагретого неметаллического изделия описывается диаграммами, приведенными на фиг.4.
В режиме идентификации нагретых и ненагретых металлических изделий используются выходные клеммы 7 и 18 устройства, а его выходная клемма 19 при этом не используется. При прохождении относительно чувствительной поверхности устройства контролируемого нагретого металлического изделия на выходной клемме 7 отрабатывается информационный сигнал U6 с уровнем логической “1”, несущий информацию об его идентификации. На выходной клемме 18 при этом присутствует напряжение U8 с уровнем логического “0”, и цикл идентификации нагретого металлического изделия описывается диаграммами, приведенными на фиг.3. При прохождении относительно чувствительной поверхности устройства контролируемого ненагретого металлического изделия информационный сигнал U8 с уровнем логической “1” об его идентификации отрабатывается только на выходной клемме 18. На выходной клемме 7 при этом присутствует напряжение U6 с уровнем логического “0”, и цикл идентификации ненагретого металлического изделия описывается диаграммами, приведенными на фиг.5.
В режиме идентификации нагретых металлических и ненагретых неметаллических изделий используются выходные клеммы 7 и 18 устройства, а его выходная клемма 19 при этом не задействуется. При прохождении относительно чувствительной поверхности устройства контролируемого нагретого металлического изделия на выходной клемме 7 отрабатывается информационный сигнал U6 с уровнем логической “1”, несущий информацию об его идентификации. На выходной клемме 18 при этом присутствует напряжение U8 с уровнем логического “0”, и цикл идентификации нагретого металлического изделия описывается диаграммами, приведенными на фиг.3. При прохождении относительно чувствительной поверхности устройства контролируемого ненагретого неметаллического изделия информационный сигнал U8 с уровнем логической “1” об его идентификации отрабатывается только на выходной клемме 18. На выходной клемме 7 при этом присутствует напряжение U6 с уровнем логического “0”, и цикл идентификации ненагретого неметаллического изделия описывается диаграммами, приведенными на фиг.5.
В режиме идентификации нагретых и ненагретых неметаллических изделий используются выходные клеммы 19 и 18 устройства, а его выходная клемма 7 при этом не задействуется. При прохождении относительно чувствительной поверхности устройства контролируемого нагретого неметаллического изделия на выходной клемме 19 отрабатывается информационный сигнал U7 с уровнем логической “1”, несущий информацию об его идентификации. На выходной клемме 18 при этом присутствует напряжение U8 с уровнем логического “0”, и цикл идентификации нагретого неметаллического изделия описывается диаграммами, приведенными на фиг.4. При прохождении относительно чувствительной поверхности устройства контролируемого ненагретого неметаллического изделия информационный сигнал U8 с уровнем логической “1” об его идентификации отрабатывается только на выходной клемме 18. На выходной клемме 19 при этом присутствует напряжение U7 с уровнем логического “0”, и цикл идентификации ненагретого неметаллического изделия описывается диаграммами, приведенными на фиг.5.
В режиме идентификации нагретых неметаллических и ненагретых металлических изделий используются выходные клеммы 18 и 19 устройства, а его выходная клемма 7 при этом не задействуется. При прохождении относительно чувствительной поверхности устройства контролируемого нагретого неметаллического изделия на выходной клемме 19 отрабатывается информационный сигнал U7 с уровнем логической “1”, несущий информацию об его идентификации. На выходной клемме 18 при этом присутствует напряжение U8 с уровнем логического “0”, и цикл идентификации нагретого неметаллического изделия описывается диаграммами, приведенными на фиг.4. При прохождении относительно чувствительной поверхности устройства контролируемого ненагретого металлического изделия информационный сигнал U8 с уровнем логической “1” об его идентификации отрабатывается только на выходной клемме 18. На выходной клемме 19 при этом присутствует напряжение U7 с уровнем логического “0”, и цикл идентификации ненагретого металлического изделия описывается диаграммами, приведенными на фиг.5.
Повышение надежности работы устройства путем устранения ложных срабатываний от посторонних источников инфракрасного излучения, находящихся в дальней зоне чувствительности устройства, обеспечивается следующим образом.
При попадании инфракрасного излучения от посторонних источников в область оптического окна фотоприемника 14 (15) или в оптические окна обоих фотоприемников 14, 15 происходит его или их засвечивание в момент нахождения устройства в исходном состоянии, при котором контролируемое изделие 23 находится за пределами его чувствительной поверхности. В результате происходит срабатывание формирователя 16 и формирование на его выходе ложного импульса напряжения U1 с уровнем логической “1”, который подается на первые входы логических элементов 6 и 17. Но под действием этого импульса на выходах логических элементов 6 и 17 и соответственно на выходных клеммах 7 и 19 формирования ложных импульсов напряжений U6 и U8 с уровнями логической “1” не происходит, и на их выходах и соответственно на выходных клеммах 7 и 19 продолжают присутствовать соответственно напряжения U6 и U7 с уровнями логического “0”, так как:
– на втором входе логического элемента 6 с выхода порогового элемента 5 установлено напряжение U2 с уровнем логического “0”, запрещающее прохождение с выхода формирователя 16 через первый вход логического элемента 6 на его выход и выходную клемму 7 ложного импульса напряжения U1 с уровнем логической “1”;
– на второй вход логического элемента 17 с выхода порогового элемента 11 подано напряжение U3 с уровнем логического “0”, запрещающее прохождение ложного импульса напряжения U1 с выхода формирователя 16 и напряжения U5 с выхода инвертора 12 с уровнями логической “1” на выход логического элемента 17 и на выходную клемму 19.
Таким образом, ложного срабатывания от посторонних источников инфракрасного излучения логических элементов 6, 17 и формирования на их выходах и на выходных клеммах 7, 19 устройства соответственно ложных импульсов напряжений U6, U7 с уровнями логической “1” не происходит.
Устранение ложных срабатываний устройства и, следовательно, повышение надежности его работы при случайном попадании в пределах ближней зоны чувствительности устройства посторонних нагретых неметаллических предметов одновременно в область оптического окна фотоприемника 14 (15) и в электромагнитное поле 21 происходит следующим образом.
При одновременном попадании в пределах ближней зоны чувствительности устройства посторонних нагретых неметаллических предметов в область оптического окна фотоприемника 14 (15) и в электромагнитное поле 21 на выходе формирователя 16 формируется ложный импульс напряжения U1 с уровнем логической “1”, который подается на первые входы логических элементов 6 и 17. При этом на выходах порогового элемента 5 и логического элемента 20 формирования ложных импульсов напряжений U2 и U4 соответственно с уровнями логической “1” и логического “0” не происходит вследствие отсутствия внесения посторонним нагретым неметаллическим предметом существенного затухания в колебательный контур генератора 4. Поэтому генератор 4, пороговый элемент 5 и инвертор 20 продолжают находиться в исходном состоянии, при котором на втором входе логического элемента 6 и первом входе логического элемента 20 продолжает присутствовать напряжение U2 с уровнем логического “0”, соответствующее исходному состоянию схемы устройства. Но под действием ложного импульса напряжения U1 с уровнем логической “1” с выхода формирователя 16 на выходах логических элементов 6, 17, 13 и соответственно на выходных клеммах 7, 19, 18 формирования ложных импульсов напряжений U6, U7, U8 с уровнями логической “1” не происходит, и на их выходах и соответственно на выходных клеммах 7, 19, 18 продолжают присутствовать напряжения U6, U7, U8 с уровнями логического “0”, так как:
– с выхода порогового элемента 5 подается на второй вход логического элемента 6 напряжение U2 с уровнем логического “0”, запрещающее прохождение ложного импульса напряжения U1 с уровнем логической “1” с выхода формирователя 16 на выход логического элемента 6 и на выходную клемму 7;
– на второй вход логического элемента 17 с выхода порогового элемента 11 подано напряжение U3 с уровнем логического “0”, запрещающее прохождение с выхода формирователя 16 ложного импульса напряжения U1 и с выхода инвертора 12 напряжения U5 с уровнями логической “1” на выход логического элемента 17 и выходную клемму 19 соответственно через его первый и третий входы;
– на первый и второй входы логического элемента 13 поданы с выходов логических элементов 6 и 17 соответственно напряжения U6 и U7 с уровнями логического “0”, разрешающие инвертирование логическим элементом 13 по его третьему входу напряжения U4 с уровнем логической “1” с выхода логического элемента 20 в напряжение U8 с уровнем логического “0” и подтверждающие присутствие на выходе логического элемента 13 и на выходной клемме 18 напряжения U8 с уровнем логического “0”, соответствующего исходному состоянию схемы устройства.
Таким образом, при попадании из дальней зоны чувствительности устройства инфракрасного излучения в область оптического окна фотоприемника 14 (15) или в оптические окна обоих фотоприемников 14, 15 от посторонних источников инфракрасного излучения, а также при попадании в пределах ближней зоны чувствительности устройства посторонних нагретых неметаллических предметов одновременно в область оптического окна фотоприемника 14 (15) и в зону действия электромагнитного поля 21 на выходных клеммах 7, 18 и 19 устройства формирования соответственно ложных импульсов напряжений U6, U8 и U7 с уровнями логической “1” не происходит, чем и обеспечивается повышение надежности работы предлагаемого устройства.
Кроме того, устройство дополнительно обладает в пределах его ближней зоны чувствительности повышенной надежностью работы при случайном попадании посторонних нагретых металлических предметов в область оптического окна фотоприемника 14 (15). Это происходит следующим образом.
Устранение ложных срабатываний устройства и, следовательно, повышение надежности его работы при попадании в пределах ближней зоны чувствительности устройства посторонних нагретых металлических предметов в область оптического окна фотоприемника 14 (15) происходит аналогично описанному выше для случая устранения ложных срабатываний устройства от посторонних источников инфракрасного излучения, находящихся в дальней зоне его чувствительности.
Следовательно, при случайном попадании в пределах ближней зоны чувствительности устройства посторонних нагретых металлических предметов в область оптического окна фотоприемника 14 (15), на выходных клеммах 7, 19 и 18 устройства формирования соответственно ложных импульсов напряжений U6, U7 и U8 с уровнями логической “1” не происходит, чем и обеспечивается дополнительно повышение надежности работы предлагаемого устройства.
В предложенном устройстве реализован потенциальный принцип формирования на его выходах информационных сигналов идентификации нагретых и ненагретых изделий, когда нахождению контролируемого изделия в зоне его чувствительной поверхности однозначно соответствует установление на его соответствующем выходе потенциала с уровнем логической “1”, соответствующего информационному сигналу идентификации контролируемого изделия. Причем этот сигнал (в сравнении с импульсным принципом формирования сигналов идентификации изделий) не исчезает и продолжает присутствовать на соответствующем выходе устройства, отслеживая при этом своим потенциальным сигналом с уровнем логической “1” контролируемое изделие, как при перемещении его в пределах зоны чувствительной поверхности устройства, так и при нахождении его в ней в неподвижном состоянии (после вхождения в нее) в течение сколь угодно продолжительного промежутка времени.
Следовательно, имеет место однозначное соответствие потенциального информационного сигнала на соответствующем выходе устройства истинному положению контролируемого изделия в определенной точке пространства, где устанавливается предлагаемое устройство. Это, в свою очередь, позволяет обеспечить работу предлагаемого устройства в режимах контроля положения металлических и неметаллических изделий с учетом их термического состояния и вида материала.
В режиме контроля положения нагретых металлических изделий устройство функционирует как бесконтактный датчик положения индуктивно-оптического типа. Работа устройства в этом случае описывается диаграммами, приведенными на фиг.3. При этом информационный сигнал снимается с выходной клеммы 7, а выходные клеммы 18 и 19 не задействуются.
В режиме контроля положения нагретых неметаллических изделий устройство функционирует как бесконтактный датчик оптико-емкостного типа. Работа устройства в этом случае описывается диаграммами, приведенными на фиг.4. При этом информационный сигнал снимается с выходной клеммы 19, а выходные клеммы 7 и 18 не задействуются.
В режиме контроля положения ненагретых металлических изделий устройство функционирует как индуктивный бесконтактный датчик положения автогенераторного типа. Работа устройства в этом случае описывается диаграммами, приведенными на фиг.5. При этом информационный сигнал снимается с выходной клеммы 18, а выходные клеммы 7 и 19 не задействуются,
В режиме контроля положения ненагретых неметаллических изделий устройство функционирует как бесконтактный датчик положения емкостного типа. Работа устройства в этом случае описывается диаграммами, приведенными на фиг.5. При этом информационный сигнал снимается с выходной клеммы 18, а выходные клеммы 7 и 19 не задействуются.
Формула изобретения
Устройство идентификации и контроля положения изделий, содержащее индуктивный чувствительный элемент, выполненный в виде катушки индуктивности, помещенной в кольцевом пазу открытого торца ферритового сердечника с центральным отверстием, последовательно соединенные генератор электрических колебаний, в цепь колебательного контура которого включен индуктивный чувствительный элемент, первый пороговый элемент, последовательно включенные первый инфракрасный фотоприемник, формирователь импульсов, а также первый логический элемент И, первый и второй входы которого соединены с выходами соответственно формирователя импульсов и первого порогового элемента, а его выход является первым выходом устройства, инвертор, первый логический элемент ИЛИ-НЕ, первый вход которого подключен к выходу первого логического элемента И, а его выход является вторым выходом устройства, отличающееся тем, что в него введены второй инфракрасный фотоприемник, подключенный параллельно первому инфракрасному фотоприемнику ко входу формирователя импульсов, последовательно включенные мультивибратор с емкостным чувствительным элементом, подключенным к его входу и выполненным в виде токопроводящей пластины с геометрической формой, повторяющей геометрическую форму центрального отверстия ферритового сердечника, детектор, второй пороговый элемент, а также второй логический элемент И, первый и второй входы которого подключены к выходам соответственно формирователя импульсов и второго порогового элемента, третий вход – к выходу инвертора, вход которого соединен с выходом первого логического элемента И, а его выход соединен со вторым входом первого логического элемента ИЛИ-НЕ и является третьим выходом устройства, второй логический элемент ИЛИ-НЕ, первый и второй входы которого соединены с выходами соответственно первого и второго пороговых элементов, выход – с третьим входом первого логического элемента ИЛИ-НЕ, при этом емкостной чувствительный элемент установлен внутри центрального отверстия ферритового сердечника соосно с этим отверстием со смещением относительно открытого торца ферритового сердечника вдоль оси симметрии его центрального отверстия в сторону закрытого торца ферритового сердечника, причем индуктивный и емкостной чувствительные элементы и инфракрасные фотоприемники, между которыми размещены индуктивный и емкостной чувствительные элементы, установлены вдоль прямой линии в одной плоскости и образуют чувствительный элемент устройства, а плоскости оптических окон инфракрасных фотоприемников, плоскость открытого торца ферритового сердечника и одна из плоскостей емкостного чувствительного элемента, направленные в одну сторону, установлены параллельно и образуют чувствительную поверхность устройства.
РИСУНКИ
|
|