|
|
(21), (22) Заявка: 2006126468/02, 20.07.2006
(24) Дата начала отсчета срока действия патента:
20.07.2006
(43) Дата публикации заявки: 27.01.2008
(46) Опубликовано: 10.03.2010
(56) Список документов, цитированных в отчете о поиске:
RU 2241947 C1, 10.12.2004. GB 1456333 A, 27.11.1976. US 4313274 A, 02.02.1982. FR 2602037 A, 29.01.1988.
Адрес для переписки:
152150, Ярославская обл., г. Ростов, 2 мкр., 3, кв.31, С.Н.Князевой
|
(72) Автор(ы):
Медведев Александр Владимирович (RU), Маркозов Сергей Степанович (RU), Кисляков Александр Васильевич (RU), Иваницкий Вадим Дмитриевич (RU), Князева Светлана Николаевна (RU)
(73) Патентообладатель(и):
Медведев Александр Владимирович (RU), Маркозов Сергей Степанович (RU), Кисляков Александр Васильевич (RU), Иваницкий Вадим Дмитриевич (RU), Князева Светлана Николаевна (RU)
|
(54) МНОГОКАНАЛЬНЫЙ ПРИЦЕЛЬНО-НАБЛЮДАТЕЛЬНЫЙ ОПТИКО-ЭЛЕКТРОННЫЙ ПРИБОР
(57) Реферат:
Изобретение относится к области оптико-электронного приборостроения. Технический результат – расширение функциональных свойств для обеспечения возможности производить наблюдение, прицеливание и измерение дистанции до наблюдаемых объектов в любое время суток, в том числе в полной темноте и при любых условиях видимости, включая условия пониженной прозрачности атмосферы, дымы, маскирующие завесы. Прибор содержит дневной наблюдательный канал и тепловизионный канал, дневной прицельно-наблюдательный канал с многократным увеличением. Последний выполнен в виде телевизионного канала с возможностью измерения в спектральном диапазоне от 0,4 до 0,95 мкм, а тепловизионный канал выполнен с многократным увеличением и обеспечивает работу в спектральном диапазоне от 3 до 5,5 мкм. Дневной наблюдательный канал выполнен с однократным увеличением, а тепловизионный канал содержит сканирующий кривошипно-кулисный механизм, управляемый электрическим двигателем. В тепловизионном канале и дневном прицельно-наблюдательном канале установлены системы головных призм и объектив и расположенные после них матричные фотоприемники с системой электронных блоков питания и блоков электронной обработки и формирования полного телевизионного сигнала, а также видеомонитор для визуализации изображения наблюдаемых объектов и сформированных электронным образом прицельных сеток и дальномерной шкалы. 1 ил.
Предлагаемое изобретение относится к области оптико-электронного приборостроения и может быть использовано при конструировании и производстве оптико-электронных прицельно-наблюдательных приборов, предназначенных для работы в широком спектральном диапазоне в самых разнообразных условиях наблюдения.
Наиболее близким по технической сущности является комбинированный прицел, описанный в патенте РФ 2241947 С1, 10.12.2004, который является оптико-электронным прибором, содержащим два канала (дневной наблюдательный канал и тепловизионный канал).
Целью настоящего изобретения является расширение функциональных свойств прибора, позволяющих производить наблюдение в любое время суток, в том числе в полной темноте, и при любых условиях видимости, уменьшение длины оптических трактов, а также обеспечение возможности вывода изображения на видиопросмотровое устройство.
Эта цель достигается созданием прибора, содержащего три канала наблюдения: дневной наблюдательный канал однократного увеличения, тепловизионный прицельно-наблюдательный канал многократного увеличения и дневной прицельно-наблюдательный канал многократного увеличения, представляющий собой телевизионный канал, работающий в видимом и ближнем ИК спектральном диапазоне. При этом длина оптических трактов каналов многократного увеличения уменьшена за счет исключения окулярной части и непосредственного вывода изображения на видеомонитор.
Таким образом, оптические каналы представляют собой системы, содержащие систему головных призм с защитными стеклами, обеспечивающих необходимые углы обзора прибора с установленными за ними объективами, один из которых рассчитан для работы в спектральном диапазоне от 0,4 до 0,95 мкм, другой – для работы в ИК диапазоне от 3 до 5,5 мкм. В заднем фокусе объективов расположены фотоприемные устройства (ФПУ) с системой электронных блоков управления и питания. Между ИК объективом и ФПУ в сходящемся пучке расположен механизм сканирования, обеспечивающий формирование кадра в тепловизионном канале. Полученное изображение наблюдаемых объектов выводится на видеомонитор.
В качестве ФПУ телевизионного многократного канала используется телевизионная камера высокого разрешения типа VSI-476 (VSI-702) производства фирмы ЭВС (г.Санкт-Петербург).
В качестве ФПУ тепловизионного канала используется фотоэлектронный модуль ФУР-139Л на основе селенида свинца PbSe с термоэлектрическим охлаждением и двухрядной организацией приемной площадки производства ФГУП «НПО «Орион» г.Москва.
Для визуализации полученного изображения в приборе используется видеомонитор типа ВМЦ-21ЖКМ или ВМЦ-21.8 производства Республиканского унитарного предприятия «КБ «Дисплей» г.Витебск, республика Беларусь.
Вид поля зрения формируется непосредственно на видеомониторе, где наблюдаются сформированные электронным способом прицельные индексы, необходимые шкалы и информационные знаки.
Прибор имеет пассивный дальномер, работающий по принципу «база на цели».
Учитывая, что в прицеле как в дневном прицельно-наблюдательном, так и в тепловизионном каналах применены матричные приемные устройства, имеющие мелкопиксельную структуру, то при измерении расстояний в электронном пассивном дальномере подсчет пикселей производится в микроконтроллере с использованием математического аппарата. Тем самым обеспечивается достаточно высокая точность измерения во всех режимах работы (на всех рабочих дистанциях погрешность измерения не превышает 10%).
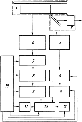
Блок-схема многоканального оптико-электронного прибора показана на чертеже. Прибор содержит систему головных призм с защитными стеклами 1, зеркально-призменную оптическую систему дневного наблюдательного канала однократного увеличения 2, ТВ объектив 3, телевизионную камеру высокого разрешения 4, блок обработки ТВ сигнала 5, ИК объектив 6, сканирующий механизм 7, фотоэлектронный модуль 8, блок электронной обработки ИК сигнала и формирования полного ТВ сигнала 9, блок питания 10, блок формирования сеток и шкал 11, блок выбора режима работы 12 и видеомонитор 13.
Принцип действия многоканального оптико-электронного прибора заключается в следующем.
Для дневного наблюдательного канала однократного увеличения: пучок лучей, излучаемых целью (местностью), пройдя защитные стекла головки, отразившись от зеркальной поверхности головной призмы, входящей в систему головных призм 1, попадает в зеркально-призменный оптический канал 2, через который глазом наблюдается действительное изображение наблюдаемых объектов с увеличением 1 крат. Зеркально-призменный оптический канал 2 имеет поворотное зеркало, при вводе которого в ход лучей обеспечивается работа дневного наблюдательного канала однократного увеличения, при выводе из хода лучей – дневного прицельно-наблюдательного канала многократного увеличения.
Для дневного прицельно-наблюдательного канала многократного увеличения: пучок лучей, излучаемых целью (местностью), пройдя защитные стекла головки, отразившись от зеркальной поверхности головной призмы, входящей в систему головных призм 1, попадает на ТВ объектив 3, который строит действительное перевернутое изображение в плоскости чувствительных элементов телевизионной камеры высокого разрешения 4, расположенной в его фокальной плоскости.
Блок электронной обработки ТВ сигнала 5 производит цифровую обработку полученного сигнала, преобразует его и визуализирует на видеомониторе 13 в виде прямого изображения объектов.
Для прицельно-наблюдательного тепловизионного канала многократного увеличения: пучок лучей, излучаемых целью (местностью), пройдя защитные стекла головки, отразившись от зеркальной поверхности головной призмы, входящей в систему головных призм 1, попадает на ИК объектив 6, который строит действительное перевернутое изображение в плоскости чувствительных элементов фотоэлектронного модуля 8, расположенного в его фокальной плоскости. Блок электронной обработки 9 производит цифровую обработку полученного сигнала, преобразует его в телевизионный формат и визуализирует на видеомониторе 13 в виде прямого изображения объектов. Для уменьшения габаритов прибора в сходящемся пучке после ИК объектива 6 установлен однокоординатный параллельный сканирующий механизм 7, содержащий зеркало, сканирующее тепловую картинку и формирующее кадр формата 144×256 элементов, тем самым обеспечивающий необходимое поле зрения тепловизионного канала. Сканирование за счет кривошипно-кулисного механизма, управляемого электрическим двигателем, осуществляется по синусоидальному закону.
Для уменьшения нелинейных искажений 15% предельных значений углов при формировании изображения не используется. Таким образом, коэффициент полезного действия сканирующего механизма составляет порядка 70%.
Блок формирования сеток и шкал 11 суммирует информацию о регулировке яркости и контраста, типе баллистик, режиме работы прицела, а также информацию о положении подвижных элементов сеток, которая учитывается в формируемом полном телевизионном сигнале при выводе на видеомонитор 13.
С помощью блока выбора режима работы 12 устанавливают необходимые режимы работы: с тепловизионным или ТВ каналами прибора, выбирая удобный для наблюдения спектральный диапазон.
Питание прибора осуществляется от блока питания 10.
Положительный эффект от предлагаемого технического решения заключается:
1. В расширении функциональных свойств прибора за счет обеспечения возможности круглосуточной работы в широком спектральном диапазоне, включающем видимый, ближний, а также средний ИК диапазоны, в любых сложных условиях видимости, при пониженной прозрачности атмосферы, дымах, маскирующих завесах и пр., а также в абсолютной темноте.
2. В повышении точности измерения дальности до наблюдаемых объектов.
3. В снижении себестоимости приборов за счет:
– уменьшения количества механических и оптических деталей в связи с уменьшением длины оптических трактов за счет исключения в окулярных каналах сеток и шкал, а также сложной оборачивающей оптики, предназначенной для оборачивания изображения, создаваемого объективами;
– уменьшения трудоемкости изготовления, сборки и юстировки приборов в связи с уменьшением количества оптических и механических узлов.
4. В повышении удобства работы за счет обеспечения возможности оснащения прибора видеовыходом.
Формула изобретения
Многоканальный прицельно-наблюдательный оптико-электронный прибор, содержащий дневной наблюдательный канал и тепловизионный канал, отличающийся тем, что он снабжен дневным прицельно-наблюдательным каналом с многократным увеличением, выполненным в виде телевизионного канала с возможностью измерения в спектральном диапазоне от 0,4 до 0,95 мкм, а тепловизионный канал выполнен с многократным увеличением и обеспечивает работу в спектральном диапазоне от 3 до 5,5 мкм, при этом дневной наблюдательный канал выполнен с однократным увеличением, а тепловизионный канал содержит сканирующий кривошипно-кулисный механизм, управляемый электрическим двигателем, причем в тепловизионном канале и дневном прицельно-наблюдательном канале установлены системы головных призм и объектив и расположенные после них матричные фотоприемники с системой электронных блоков питания и блоков электронной обработки и формирования полного телевизионного сигнала, а также видеомонитор для визуализации изображения наблюдаемых объектов и сформированных электронным образом прицельных сеток и дальномерной шкалы.
РИСУНКИ
|
|