|
(21), (22) Заявка: 2008140636/11, 13.10.2008
(24) Дата начала отсчета срока действия патента:
13.10.2008
(46) Опубликовано: 10.03.2010
(56) Список документов, цитированных в отчете о поиске:
SU 1654039 A1, 07.06.1991. SU 1150107 A1, 15.04.1985. SU 846328 A1, 15.07.1981. US 2006174722 A1, 10.08.2006.
Адрес для переписки:
625000, г.Тюмень, ул. Володарского, 38, ТюмГНГУ, патентно-информационный отдел
|
(72) Автор(ы):
Некрасов Владимир Иванович (RU), Астахова Анна Владимировна (RU)
(73) Патентообладатель(и):
Государственное образовательное учреждение высшего профессионального образования “Тюменский государственный нефтегазовый университет” (RU)
|
(54) НЕСООСНАЯ ВОСЬМИСТУПЕНЧАТАЯ КОРОБКА ПЕРЕДАЧ
(57) Реферат:
Изобретение относится к транспортному машиностроению, в частности к коробкам передач. В опорах корпуса коробки передач (1) соосно расположены входной вал (2), первичный вал (3) и дополнительный вал (4). Вторичный вал (5) установлен параллельно соосным валам (2), (3), (4). На первичном валу (3) свободно установлен трубчатый вал (6), на котором закреплена шестерня (7), зацепленная с шестерней (8). Блок шестерен (8) и (9) свободно установлен на вторичном валу (5), на котором также свободно установлены шестерни (10) и (11). Шестерня (9) зацеплена с шестерней (12), закрепленной на первичном валу (3). Шестерни (13), (14) и (15) закреплены на дополнительном валу (4). Шестерня (13) зацеплена с шестерней (10), а шестерня (15) с шестерней (11), которые свободно установлены на вторичном валу (5). Шестерня заднего хода (16) установлена на оси (17). Полумуфта (18) установлена на зубчатом венце шестерни (13) дополнительного вала (4), а полумуфта (19) – на зубчатом венце шестерни (9) вторичного вала (5). Трехпозиционная муфта (21) с закрепленной на ней ведомой шестерней заднего хода (22) установлена на зубчатом венце вторичного вала (5) между третьим и четвертым рядами шестерен. На входном валу (2) закреплен корпус (23) сдвоенного сцепления. Ведомые диски (25) левого сцепления установлены на первичном валу (3), а ведомые диски (26) правого сцепления установлены на трубчатом валу (6). Достигается расширение эксплуатационных возможностей транспортного средства за счет попарного переключения передач практически без разрыва потока мощности. 2 ил.
Изобретение относится к транспортному машиностроению, в частности к трансмиссии транспортных машин.
Известны агрегаты трансмиссии со ступенчатым изменением передаточных чисел, содержащие шестерни, валы, опоры, устройства переключения передач, применяемые на отечественных и зарубежных автомобилях (Автомобили: Конструкция, конструирование и расчет. Трансмиссия. / Под ред. А.И.Гришкевича. Мн.: Выш. шк., 1985. – 240 с.).
Эти агрегаты конструктивно сложны, металлоемки.
Наиболее близкой к предлагаемой коробке передач (КП) является КП по авторскому свидетельству 1654039 (Бюл. 21 от 07.06.1991).
Коробка передач содержит корпус агрегата, в котором параллельно расположены валы с четырьмя парами шестерен внешнего зацепления, на вторичном валу две шестерни объединены в блок и две шестерни установлены свободно, между этими шестернями расположена трехпозиционная муфта переключения с закрепленной на ней ведомой шестерней заднего хода, отдельная шестерня заднего хода установлена на оси, расположенной между валами, между средними парами шестерен расположена сдвоенная муфта, состоящая из двух противоположно направленных полумуфт, соединенных вилкой переключения и установленных на зубчатых венцах шестерен параллельных валов, на первичном валу свободно расположены две шестерни и блок из трех шестерен, между отдельными шестернями установлена трехпозиционная муфта переключения.
Описанная КП проще типовых конструкций трансмиссионных агрегатов, приведенных в книге, обеспечивает достаточный диапазон передаточных чисел (отношение передаточных чисел низшей передачи к высшей), но имеет эксплуатационные ограничения по проходимости транспортного средства и удобству управления из-за разрыва потока мощности при переключении передач.
Задача, на решение которой направлено заявляемое изобретение, заключается в расширении эксплуатационных возможностей транспортного средства за счет парного переключения передач практически без разрыва потока мощности.
Поставленная задача решается за счет достижения технического результата, который заключается в усовершенствовании процесса переключения передач путем установки сдвоенного сцепления.
Указанный технический результат достигается тем, что несоосная восьмиступенчатая коробка передач, содержащая корпус агрегата, в котором параллельно расположены валы с четырьмя парами шестерен внешнего зацепления, на вторичном валу две шестерни объединены в блок и две шестерни установлены свободно, между этими шестернями расположена трехпозиционная муфта переключения с закрепленной на ней ведомой шестерней заднего хода, отдельная шестерня заднего хода установлена на оси, расположенной между валами, между средними парами шестерен расположена сдвоенная муфта, состоящая из двух противоположно направленных полумуфт, соединенных вилкой переключения и установленных на зубчатых венцах шестерен параллельных валов, при этом три шестерни закреплены на дополнительном валу, установленном соосно первичному валу, на котором закреплена одна шестерня и установлены ведомые диски сцепления, между ними на первичном валу свободно расположен трубчатый вал, на котором установлены ведомые диски сцепления и закреплена шестерня, шестерни первичного и трубчатого валов зацеплены с блоком шестерен вторичного вала, соосно первичному валу расположен входной вал с закрепленным на нем корпусом сдвоенного сцепления.
Предлагаемое техническое решение позволяет попарно переключать передачи (8 и 7, 6 и 5, 4 и 3, 2 и 1) практически без разрыва потока мощности, что облегчает процесс управления транспортным средством и повышает его проходимость.
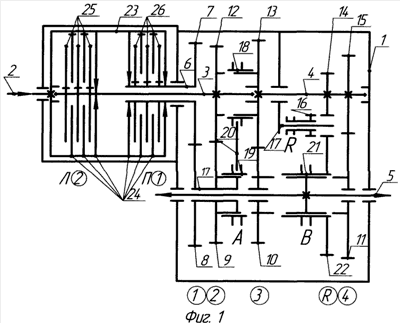
На фиг.1 изображена кинематическая схема восьмиступенчатой двухвальной несоосной КП 8R4 2СЦ (8 передач переднего хода и 4 передачи заднего хода, сдвоенное сцепление), содержащей 8 шестерен для передач переднего хода и 3 шестерни для передач заднего хода, сдвоенное сцепление и две муфты переключения передач. В нижней части приведены номера пар шестерен переднего хода (1-4) и обозначение ряда шестерен заднего хода – R.
На фиг.2 приведена лучевая диаграмма этой КП с таблицами положений сцепления и муфт переключения на различных передачах переднего (вверху) и заднего хода (внизу). В верхней части таблиц обозначены включенные в работу пары шестерен (1-4) или ряд шестерен заднего хода (R). На горизонтальных шкалах приведены в логарифмическом виде величины передаточных чисел пар шестерен и передач. Верхняя и нижняя горизонтали соответствуют передаточным числам на вторичном валу, средняя горизонталь – на первичном и дополнительном валах. Номера пар шестерен указаны на лучах. Чем значительнее наклон луча направо, тем больше передаточное число. Левый наклон луча указывает на ускоряющий режим работы пары шестерен. Наклон луча каждой пары шестерен постоянный на любом участке лучевой диаграммы.
В опорах корпуса КП 1 соосно расположены входной вал 2, первичный вал 3 и дополнительный вал 4. Вторичный вал 5 установлен параллельно соосным валам 2-4. На первичном валу 3 свободно установлен трубчатый вал 6, на котором закреплена шестерня 7, зацепленная с шестерней 8. Блок шестерен 8 и 9 свободно установлен на вторичном валу 5, на котором также свободно установлены шестерни 10 и 11. Шестерня 9 блока зацеплена с шестерней 12, закрепленной на первичном валу 3. Шестерни 13, 14 и 15 закреплены на дополнительном валу 4. Шестерня 13 зацеплена с шестерней 10, а шестерня 15 с шестерней 11, которые свободно установлены на вторичном валу 5. Отдельная шестерня заднего хода 16 установлена на оси 17, которая расположена между дополнительным валом 4 и вторичным валом 5. Сдвоенная муфта А состоит из двух полумуфт 18 и 19, взаимосвязанных вилкой переключения 20. Полумуфта 18 установлена на зубчатом венце шестерни 13 дополнительного вала 4, а полумуфта 19 – на зубчатом венце шестерни 9 вторичного вала 5. Трехпозиционная муфта 21 (В) с закрепленной на ней ведомой шестерней заднего хода 22 установлена на зубчатом венце вторичного вала 5 между третьим и четвертым рядами шестерен.
Допускается другое расположение полумуфт: полумуфта 18 – на зубчатом венце шестерни 12, а полумуфта 19 – на зубчатом венце шестерни 10.
На входном валу 2 закреплен корпус 23 сдвоенного сцепления, на нем расположены ведущие диски сцеплений 24. Ведомые диски 25 левого сцепления (Л) установлены на первичном валу 3, а ведомые диски 26 правого сцепления (П) установлены на трубчатом валу 6. Нажимное устройство, прижимающее ведущие 24 и ведомые 25 и 26 диски при включении сцеплений, не показано.
Работа КП осуществляется следующим образом: сдвоенное сцепление срабатывает при каждом переключении, которое происходит практически без разрыва потока мощности, муфта А изменяет свое положение через одно переключение, а муфта В – после четырех последовательных переключений.
Первая передача
Муфты А и В в правом положении (П), работает левое сцепление (Л) (см. фиг.2, табл. справа над т.1).
Крутящий момент от ведущего вала 2 (см. фиг.1) через левое сцепление (Л) передается на первичный вал 3, далее парой шестерен 12-9, по полумуфте 19, по паре шестерен 10-13 на дополнительный вал 4, затем парой шестерен 15-11 и по муфте 21 (В) передается на вторичный вал 5.
На лучевой диаграмме (см. фиг.2) эта передача представлена тремя лучами: луч 2 выходит из т.0 на средней горизонтали и направлен направо вверх к т.5, далее луч 3 направо вниз к средней горизонтали и луч 4 направо вверх к точке 1.
Вторая передача
Переключаем сдвоенное сцепление, работает правое сцепление (П).
Крутящий момент через правое сцепление (П) передается трубчатым валом 6 на пару шестерен 7-8, далее – как на предыдущей передаче.
На лучевой диаграмме эта передача характеризуется лучами: луч 1 от т.0 на средней горизонтали вертикально вверх к точке 6, затем луч 3 направо вниз и луч 4 направо вверх к т.2.
Третья передача
Включаем левое сцепление, муфту А переключаем в левое положение.
Крутящий момент от первичного вала 3 передается на зубчатый венец шестерни 12 и по полумуфте 18 на дополнительный вал 4, затем – как на предыдущих передачах.
На лучевой диаграмме этой передаче принадлежит один луч 4, направленный от т.0 на средней линии направо вверх к т.3.
Четвертая передача
Включаем правое сцепление.
Крутящий момент через правое сцепление передается по трубчатому валу 6 на пару шестерен 7-8, блок шестерен 8-9, пару шестерен 9-12, по полумуфте 18 на дополнительный вал 4, далее – как на предыдущих передачах.
На лучевой диаграмме этой передаче соответствуют лучи: 1, 2 от т.6 налево вниз к средней горизонтальной линии (по сравнению с предыдущей передачей изменилось направление) и луч 4 к т.4.
Пятая передача
Включаем левое сцепление, переключаем муфту А в правое положение, а муфту В в левое положение.
Крутящий момент через левое сцепление передается на первичный вал 3, далее через пару шестерен 12-9, затем по полумуфте 19 на корпус шестерни 10 и по муфте 21 (В) на вторичный вал 5.
На лучевой диаграмме этой передаче соответствует луч 2 от т.0 средней линии к т.5.
Шестая передача
Включаем правое сцепление.
Крутящий момент через правое сцепление передается по трубчатому валу 6 на пару шестерен 7-8, далее – как на предыдущей передаче.
На лучевой диаграмме эта передача представлена одним лучом 1 от т.0 к т.6.
Седьмая передача
Включаем левое сцепление, муфту А переключаем в левое положение.
Крутящий момент через левое сцепление передается на первичный вал 3, далее по полумуфте 18 на пару шестерен 13-10, затем по муфте 21 (В) на вторичный вал 5.
На лучевой диаграмме эта передача представлена одним лучом 3 от т.0 к т.7.
Восьмая передача
Включаем правое сцепление.
Крутящий момент до дополнительного вала 4 передается как на четвертой передаче, далее – как на предыдущей передаче.
На лучевой диаграмме этой передаче соответствуют лучи: 1, 2 от т.6 налево вниз к средней горизонтальной линии и луч 3 к т.8.
Для включения передач заднего хода необходимо переместить муфту 21 (В) с ведомой шестерней заднего хода 22 в нейтральное положение, а муфту R с шестерней 16, находящуюся на оси 17, в правое положение, ведя ее в зацепление с шестернями 14 и 22.
Первый задний ход – 1R
Включаем левое сцепление, муфта А находится в правом положении, муфта В – в нейтральном (см. табл. внизу, фиг.2).
Крутящий момент до дополнительного вала 4 передается как на первой передаче переднего хода, далее по ряду шестерен заднего хода 14-16-22 на муфту 21 и на вторичный вал 5.
На лучевой диаграмме этой передаче соответствуют лучи: луч 2 от т.0 к т.5, луч 3 к средней горизонтали, далее пологий луч R направо вниз к т.1R на нижней горизонтали.
Второй задний ход – 2R
Включаем правое сцепление.
Крутящий момент до дополнительного вала 4 передается как на второй передаче переднего хода, далее по ряду шестерен заднего хода 14-16-22 на муфту 21 и на вторичный вал 5.
На лучевой диаграмме этой передаче соответствуют лучи: луч 1 от т.0 к т.6, луч 3 к средней горизонтали, далее пологий луч R направо вниз к т.2R на нижней горизонтали.
Третий задний ход – 3R
Включаем левое сцепление, муфту А в левое положение.
Крутящий момент до дополнительного вала 4 передается как на третьей передаче переднего хода, далее по ряду шестерен заднего хода 14-16-22 на муфту 21 и на вторичный вал 5.
На лучевой диаграмме этой передаче соответствует пологий луч R направо вниз к т.3R на нижней горизонтали.
Четвертый задний ход – 4R
Включаем правое сцепление.
Крутящий момент до дополнительного вала 4 передается как на четвертой передаче переднего хода, далее по ряду шестерен заднего хода 14-16-22 на муфту 21 и на вторичный вал 5.
На лучевой диаграмме этой передаче соответствуют лучи: луч 1 от т.0 к т.6, луч 2 к средней горизонтали, далее пологий луч R направо вниз к т.4R на нижней горизонтали.
Формула изобретения
Несоосная восьмиступенчатая коробка передач, содержащая корпус агрегата, в котором параллельно расположены валы с четырьмя парами шестерен внешнего зацепления, на вторичном валу две шестерни объединены в блок и две шестерни установлены свободно, между этими шестернями расположена трехпозиционная муфта переключения с закрепленной на ней ведомой шестерней заднего хода, отдельная шестерня заднего хода установлена на оси, расположенной между валами, между средними парами шестерен расположена сдвоенная муфта, состоящая из двух противоположно направленных полумуфт, соединенных вилкой переключения и установленных на зубчатых венцах шестерен параллельных валов, отличающаяся тем, что три шестерни закреплены на дополнительном валу, установленном соосно первичном валу, на котором закреплена одна шестерня и установлены ведомые диски сцепления, между ними на первичном валу свободно расположен трубчатый вал, на котором установлены ведомые диски сцепления и закреплена шестерня, шестерни первичного и трубчатого валов зацеплены с блоком шестерен вторичного вала, соосно первичному валу расположен входной вал с закрепленным на нем корпусом сдвоенного сцепления.
РИСУНКИ
|