|
(21), (22) Заявка: 2008140635/11, 13.10.2008
(24) Дата начала отсчета срока действия патента:
13.10.2008
(46) Опубликовано: 10.03.2010
(56) Список документов, цитированных в отчете о поиске:
SU 1654040 A1, 07.06.1952. SU 1150107 A1, 15.04.1985. SU 251390 A1, 01.01.1969. US 5071398 A, 10.12.1991.
Адрес для переписки:
625000, г.Тюмень, ул. Володарского, 38, ТюмГНГУ, патентно-информационный отдел
|
(72) Автор(ы):
Некрасов Владимир Иванович (RU), Морозова Анна Андреевна (RU)
(73) Патентообладатель(и):
Государственное образовательное учреждение высшего профессионального образования “Тюменский государственный нефтегазовый университет” (RU)
|
(54) ВОСЬМИСТУПЕНЧАТАЯ КОРОБКА ПЕРЕДАЧ СО СДВОЕННЫМ СЦЕПЛЕНИЕМ
(57) Реферат:
Изобретение относится к транспортному машиностроению, в частности к коробкам передач транспортных машин. На входе в коробку передач расположено сдвоенное сцепление. Часть ведомых дисков этого сцепления установлена на первичном валу КП, а другая часть – на трубчатом валу. На этих валах закреплены шестерни, зацепленные с блоком шестерен, свободно установленные на промежуточном валу, на котором закреплены три шестерни. Соосно первичному валу расположен вторичный вал с двумя свободно установленными на нем шестернями, между ними расположена трехпозиционная муфта переключения. Между средними парами шестерен установлена сдвоенная муфта переключения, состоящая из двух полумуфт, взаимосвязанных вилкой переключения. Достигается расширение эксплуатационных возможностей транспортного средства. 2 ил.
Изобретение относится к транспортному машиностроению, в частности к трансмиссии транспортных машин.
Известны агрегаты трансмиссии со ступенчатым изменением передаточных чисел, содержащие шестерни, валы, опоры, устройства переключения передач, применяемые на отечественных и зарубежных автомобилях. (Автомобили: Конструкция, конструирование и расчет. Трансмиссия. / Под ред. А.И.Гришкевича. Мн.: Выш. шк., 1985. – 240 с.).
Эти агрегаты конструктивно сложны, металлоемки.
Наиболее близкой к предлагаемой коробке передач (КП) является КП по авторскому свидетельству 1654040 (Бюл. 21 от 07.06.1991).
Коробка передач содержит корпус агрегата, в котором первичный и вторичный вал расположены соосно, а промежуточный вал расположен параллельно им. На валах свободно установлены четыре пары шестерен внешнего зацепления. На промежуточном валу шестерни объединены в два блока, на втором блоке закреплена ведущая шестерня заднего хода. Между второй и третьей парой шестерен расположена двухпозиционная сдвоенная муфта, состоящая из двух противоположно направленных полумуфт, соединенных вилкой переключения и установленных на зубчатых венцах шестерен параллельных валов. Между первой и второй парами шестерен, а также между третьей и четвертой парами шестерен расположены трехпозиционные муфты переключения, на второй муфте закреплена ведомая шестерня заднего хода, отдельная шестерня заднего хода установлена на оси, расположенной между параллельными валами.
Описанная КП проще типовых конструкций трансмиссионных агрегатов, приведенных в книге, обеспечивает достаточный диапазон передаточных чисел (отношение передаточных чисел низшей передачи к высшей), но имеет эксплуатационные ограничения по проходимости транспортного средства и удобству управления из-за разрыва потока мощности при переключении передач.
Задача, на решение которой направлено заявляемое изобретение, заключается в расширении эксплуатационных возможностей транспортного средства за счет попарного переключения передач практически без разрыва потока мощности.
Поставленная задача решается за счет достижения технического результата, который заключается в усовершенствовании процесса переключения передач путем установки сдвоенного сцепления.
Указанный технический результат достигается тем, что восьмиступенчатая коробка передач содержит корпус агрегата, в котором параллельно расположены валы с четырьмя парами шестерен внешнего зацепления, на промежуточном валу свободно установлен блок из двух шестерен, между шестернями, свободно установленными на вторичном валу, расположена трехпозиционная муфта переключения с закрепленной на ней ведомой шестерней заднего хода, отдельная шестерня заднего хода установлена на оси, расположенной между параллельными валами, между средними парами шестерен расположена сдвоенная муфта, состоящая из двух противоположно направленных полумуфт, соединенных вилкой переключения и установленных на зубчатых венцах шестерен параллельных валов, при этом на промежуточном валу закреплены три шестерни, на первичном валу закреплена одна шестерня и установлены ведомые диски сцепления, между ними свободно расположен трубчатый вал, на котором установлены ведомые диски сцепления и закреплена шестерня, шестерни первичного и трубчатого валов зацеплены с блоком шестерен вторичного вала, соосно первичному валу расположен входной вал с закрепленным на нем корпусом сдвоенного сцепления с ведущими дисками.
Предлагаемое техническое решение позволяет попарно переключать передачи (8 и 7, 6 и 5, 4 и 3, 2 и 1) практически без разрыва потока мощности, что облегчает процесс управления транспортным средством и повышает его проходимость.
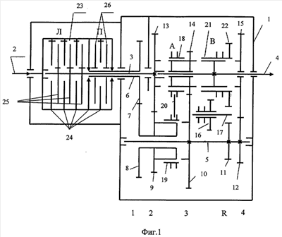
На фиг.1 изображена кинематическая схема восьмиступенчатой трехвальной соосной КП 8R4 (8 передач переднего хода и 4 заднего хода) со сдвоенным сцеплением. В нижней части (под фиг.1) отмечены номера пар шестерен.
На фиг.2 изображена лучевая диаграмма КП 8R4 с таблицами положений сцеплений и муфт переключения на различных передачах. На горизонтальных шкалах диаграммы в логарифмическом виде представлены величины передаточных чисел пар шестерен и передач. Над верхней горизонталью обозначены номера передач переднего хода (8-1), под нижней горизонталью – передачи заднего хода (4R-1R). На крайних горизонталях величина передаточных чисел приведена к вторичному валу, на средней горизонтали – к промежуточному валу. Номера пар шестерен указаны на лучах. Наклон луча вправо указывает на замедляющий режим работы пары шестерен, чем положе луч, тем больше передаточное число. Наклон луча налево характеризует ускоряющий режим работы пары шестерен. Наклон луча каждой пары шестерен постоянный на любом участке лучевой диаграммы.
В опорах корпуса КП 1 соосно расположены входной 2, первичный 3 и вторичный 4 валы. Промежуточный вал 5 расположен параллельно валам 2-4. На первичном валу 3 установлен трубчатый вал 6, на нем закреплена шестерня 7, которая взаимозацеплена с шестерней 8. Блок шестерен 8-9 свободно установлен на промежуточном валу 5. Шестерни 10-12 жестко закреплены на промежуточном валу 5, шестерни 9, 10, 12 взаимозацеплены с шестернями 13-15. Шестерня 13 закреплена на первичном валу 3, а шестерни 14 и 15 свободно установлены на вторичном валу 4. Отдельная шестерня заднего хода 16 установлена на оси 17, которая расположена между промежуточным 5 и вторичным 4 валами. Сдвоенная муфта А состоит из двух полумуфт 18 и 19, взаимосвязанных вилкой переключения 20. Полумуфта 18 установлена на венце шестерни 14 вторичного вала 4, а полумуфта 19 – на венце шестерни 9 промежуточного вала 5 напротив полумуфты 18. Трехпозиционная муфта 21 (В) расположена между третьим и четвертым рядами шестерен на вторичном валу 4, на ней закреплена ведомая шестерня заднего хода 22.
Полумуфты могут быть установлены иначе. Полумуфта 18 может находиться на венце шестерни 13, а полумуфта 19 – на венце шестерни 10.
На входном валу 2 закреплен корпус 23 сдвоенного сцепления, в нем расположены ведущие диски сцеплений 24. Ведомые диски 25 левого сцепления (Л) установлены на первичном валу 3, а ведомые диски 26 правого сцепления (П) установлены на трубчатом валу 6. Нажимное устройство, прижимающее ведущие и ведомые диски при включении сцеплений, не показано.
КП работает следующим образом: сдвоенное сцепление срабатывает при каждом переключении, которое происходит практически без разрыва потока мощности. Муфта А изменяет свое положение через одно переключение, а муфта В – после четырех последовательных переключений передач.
Первая передача
Включено правое сцепление (П), муфта А в левом положении, муфта В в правом (см. на фиг.2, верхняя таблица над т.1).
Крутящий момент от правого сцепления (П) передается на трубчатый вал 6, (см. фиг.1, полумуфты 18, 19 и муфта В (21) показаны в нейтральном положении) на пару шестерен 7-8, по блоку шестерен 8-9, пару шестерен 9-13, полумуфтой 18, парой шестерен 14-10, по промежуточному валу 5, на пару шестерен 12-15 и муфтой В (21) на вторичный вал 4.
На лучевой диаграмме (см. фиг.2) эта передача представлена четырьмя лучами: из т.6 на верхней горизонтали луч 1 направо вниз к средней горизонтали, далее луч 2 направо вверх к т.5, затем более пологий луч 3 направо вниз к средней горизонтали, далее пологий луч 4 вверх направо к т.1.
Вторая передача
Включаем левое сцепление, муфты А и В (21) остаются в прежнем положении.
От левого сцепления крутящий момент через первичный вал 3 идет на шестерню 13, полумуфтой 18 передается на ступицу шестерни 14, затем, как на предыдущей передаче.
На лучевой диаграмме эта передача представлена двумя лучами: из т.6 пологий луч 3 направо вниз к средней горизонтали, луч 4 вверх направо к т.2.
Третья передача
Включаем правое сцепление (П), муфту А переключаем в правое положение: полумуфта 18 отключена, полумуфта 19 включена.
Крутящий момент от трубчатого вала 6 передается парой шестерен 7-8, по блоку шестерен 8-9, полумуфтой 19 на ступицу шестерни 10, жестко закрепленную на промежуточном валу 5, затем, как на предыдущих передачах.
На лучевой диаграмме эта передача представлена двумя лучами: из т.6 луч 1 направо круто вниз, затем пологий луч 4 направо вверх к т.3.
Четвертая передача
Включаем левое сцепление (Л), муфты А и В (21) остаются в прежнем положении.
От левого сцепления крутящий момент передается на первичный вал 3, парой шестерен 13-9, полумуфтой 19 на ступицу шестерни 10, затем, как на предыдущих передачах.
На лучевой диаграмме эта передача представлена двумя лучами: из т.6 луч 2 направлен круто вниз влево, пологий луч 4 вверх вправо к т.4.
Пятая передача
Включаем правое сцепление (П), муфты А и В переключаем в левое положение (муфта В (21) и полумуфта 18 включены, полумуфта 19 отключена).
Крутящий момент от трубчатого вала 6 передается парой шестерен 7-8, по блоку шестерен 8-9, парой шестерен 9-13, полумуфтой 18 на ступицу шестерни 14, муфтой В (21) на вторичный вал 4.
На лучевой диаграмме эта передача представлена двумя лучами: из т.6 луч 1 направлен круто вниз вправо, луч 2 направлен круто вверх вправо к т.5.
Шестая передача – прямая
Сцепление и обе муфты находятся в левом положении.
Крутящий момент от первичного вала 3 передается на шестерню 13, полумуфтой 18 на ступицу шестерни 14, муфтой В (21) на вторичный вал 4.
На лучевой диаграмме этой передаче соответствует т.6.
Седьмая передача
Включаем правое сцепление (П), муфту А переводим в правое положение.
Крутящий момент передается от трубчатого вала 6 парой шестерен 7-8, по блоку шестерен 8-9, полумуфтой 19, парой шестерен 10-14, муфтой В (21) на вторичный вал 4.
На лучевой диаграмме эта передача представлена двумя лучами: из т.6 луч 1 направлен круто вниз вправо, более пологий луч 3 вверх влево к т.7.
Восьмая передача
Включаем левое сцепление (Л), обе муфты остаются в прежнем положении.
Крутящий момент от первичного вала 3 передается парой шестерен 13-9, полумуфтой 19, парой шестерен 10-14, муфтой В (21) на вторичный вал 4.
На лучевой диаграмме эта передача представлена двумя лучами: из т.6 луч 2 направлен вниз влево, более пологий луч 3 направлен вверх влево к т.8.
Первый задний ход – 1R
Включаем правое сцепление (П), муфту А переключаем в левое положение, муфту В (21) в нейтральное положение, отдельную шестерню заднего хода 16 вводим в зацепление с ведущей 11 и ведомой 22 шестернями заднего хода.
Крутящий момент до промежуточного вала 5 поступает, как на первой передаче переднего хода, далее по ряду шестерен 11-16-22 заднего хода, муфтой В (21) на вторичный вал 4.
На лучевой диаграмме эта передача представлена четырьмя лучами: из т.6 луч 1 направлен круто вниз вправо на среднюю горизонталь, луч 2 направлен круто вверх вправо, более пологий луч 3 вниз вправо на среднюю диагональ, пологий луч R направлен вниз вправо на нижнюю диагональ к т.1R.
Второй задний ход – 2R
Включаем левое сцепление (Л), муфты остаются в прежнем положении.
Крутящий момент до промежуточного вала 5 поступает, как на второй передаче переднего хода, далее по ряду шестерен 11-16-22 заднего хода, муфтой В (21) на вторичный вал 4.
На лучевой диаграмме эта передача представлена двумя лучами: из т.6 пологий луч 3 направлен вниз вправо на среднюю горизонталь, более пологий луч R направлен вниз вправо на нижнюю горизонталь к т.2R.
Третий задний ход – 3R
Включаем правое сцепление (П), муфту А переводим в правое положение.
Крутящий момент до промежуточного вала 5 поступает, как на третьей передаче переднего хода, далее по ряду шестерен 11-16-22 заднего хода, муфтой В (21) на вторичный вал 4.
На лучевой диаграмме эта передача представлена двумя лучами: из т.6 луч 1 направлен круто вниз вправо на среднюю горизонталь, пологий луч R направлен вправо вниз на нижнюю горизонталь к т.3R.
Четвертый задний ход – 4R
Включаем левое сцепление (Л), муфты остаются в прежнем положении.
Крутящий момент до промежуточного вала 5 поступает, как на четвертой передаче переднего хода, далее по ряду шестерен 11-16-22 заднего хода, муфтой В (21) на вторичный вал 4.
На лучевой диаграмме эта передача представлена двумя лучами: из т.6 луч 2 направлен круто вниз влево на среднюю горизонталь, пологий луч R вниз вправо на нижнюю горизонталь к т.4R.
Формула изобретения
Восьмиступенчатая коробка передач, содержащая корпус агрегата, в котором параллельно расположены валы с четырьмя парами шестерен внешнего зацепления, на промежуточном валу свободно установлен блок из двух шестерен, между шестернями, свободно установленными на вторичном валу, расположена трехпозиционная муфта переключения с закрепленной на ней ведомой шестерней заднего хода, отдельная шестерня заднего хода установлена на оси, расположенной между параллельными валами, между средними парами шестерен расположена сдвоенная муфта, состоящая из двух противоположно направленных полумуфт, соединенных вилкой переключения и установленных на зубчатых венцах шестерен параллельных валов, отличающаяся тем, что на промежуточном валу закреплены три шестерни, на первичном валу закреплена одна шестерня и установлены ведомые диски сцепления, между ними свободно расположен трубчатый вал, на котором установлены ведомые диски сцепления и закреплена шестерня, шестерни первичного и трубчатого валов зацеплены с блоком шестерен вторичного вала, соосно первичному валу расположен входной вал с закрепленным на нем корпусом сдвоенного сцепления с ведущими дисками.
РИСУНКИ
|