|
|
(21), (22) Заявка: 2008132519/06, 08.08.2008
(24) Дата начала отсчета срока действия патента:
08.08.2008
(46) Опубликовано: 10.03.2010
(56) Список документов, цитированных в отчете о поиске:
JP 0001219318 А, 01.09.1989. JP 2004339973 A, 02.12.2004. WO 2008056242 A2, 15.05.2008. JP 2007211646 A, 23.08.2007. RU 2065526 C1, 20.08.1996. US 4781160 A, 01.11.1988. GB 436058 A, 03.10.1935.
Адрес для переписки:
140408, Московская обл., г. Коломна, ул. Партизан, 42, ОАО “Коломенский завод”, главному конструктору по машиностроению, В.А. Рыжову
|
(72) Автор(ы):
Рыжов Валерий Александрович (RU), Перов Константин Юрьевич (RU), Колесников Михаил Александрович (RU), Гальченко Вячеслав Петрович (RU), Зайцев Андрей Александрович (RU)
(73) Патентообладатель(и):
Открытое акционерное общество холдинговая компания “Коломенский завод” (RU)
|
(54) ДВИГАТЕЛЬ ВНУТРЕННЕГО СГОРАНИЯ С ВЫСОКОЙ ОГРАНИЧИТЕЛЬНОЙ ХАРАКТЕРИСТИКОЙ И ВЫСОКОЙ СКОРОСТЬЮ ПРИЕМА НАГРУЗКИ
(57) Реферат:
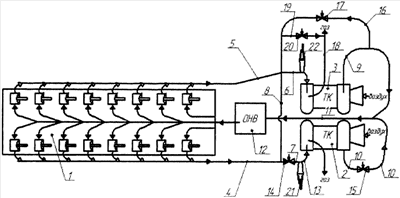
Изобретение относится к машиностроению, в частности к двигателестроению. Техническим результатом является повышение надежности, мощности и экономичности двигателя. Сущность изобретения заключается в том, что V-образный двигатель (1) внутреннего сгорания содержит два турбокомпрессора (2) и (3) различной настройки с раздельным подводом к ним выпускных газов по трактам (4) и (5) и обводным трубопроводом (8) между газоприемными патрубками (6) и (7). Полости нагнетания турбокомпрессоров (9) и (10) объединены общим впускным коллектором (11), в котором установлен охладитель воздуха (12). Турбокомпрессор (2) отключается устройствами (14) и (15), установленными в газоприемном патрубке (13) и полости нагнетания (10). Полость нагнетания (9) и газоприемный патрубок (6) турбокомпрессора (3) соединены трубопроводом (16) с запорным устройством (17), а между газоприемным патрубком (6) и выпускным трактом (18) установлен байпасный трубопровод (19) с устройством (20). В газоприемных патрубках (6) и (7) могут быть установлены дополнительные камеры сгорания (21) и (22). 5 з.п. ф-лы, 1 ил.
Изобретение относится к машиностроению, в частности двигателестроению, а именно к системам наддува дизелей.
Известен двигатель внутреннего сгорания, оборудованный системой нерегулируемого турбонаддува, эксплуатируемый в качестве силовой установки в судовых и транспортных условиях (Международный ежегодный каталог «Global Sourcing Guide 2006», стр.216).
Недостатком такого двигателя являются ограничения по теплонапряженности и механической прочности, которые препятствуют увеличению крутящего момента на пониженных частотах вращения коленчатого вала из-за недостаточной мощности, развиваемой газовой турбиной турбокомпрессора на этих режимах.
Наиболее близким аналогом по отношению к заявляемому изобретению является двигатель внутреннего сгорания, содержащий впускной трубопровод и выпускной коллектор, к которым соответственно при помощи воздушного и газоподводящего каналов подключены воздухонапорные и газоприемные патрубки по меньшей мере двух турбокомпрессоров, обводную трубу, соединяющую эти патрубки между собой, органы перекрытия, установленные по меньшей мере в одном воздухонапорном и по меньшей мере в одном газоприемном патрубках, и обводной трубопровод, соединяющий перекрываемые патрубки (Патент Франции 2322266, кл. F02D 23/00, опублик. 1977).
Недостатком такого двигателя является использование сжатого в компрессоре воздуха для работы дополнительной камеры сгорания с целью увеличения крутящего момента на стационарных режимах, что неизбежно приводит к увеличению расхода топлива.
Задачей, на решение которой направлено заявляемое изобретение, является повышение надежности, мощности и экономичности дизелей, работающих в широком диапазоне изменения нагрузок и частот вращения коленчатого вала.
Указанный технический результат достигается за счет того, что на известный двигатель дополнительно устанавливаются в каждый газоприемный патрубок дополнительные камеры сгорания, запорные устройства в газоприемный патрубок и полость нагнетания одного из турбокомпрессоров, обводной и байпасный трубопроводы неотключаемого турбокомпрессора, а газовые тракты объединены обводным трубопроводом.
На чертеже показаны основные элементы двигателя. Двигатель 1 внутреннего сгорания V-образный содержит два турбокомпрессора 2 и 3, причем подвод выпускных газов к каждому осуществляется по отдельным газовым трактам 4 и 5, а между газоприемными патрубками 6 и 7 установлен обводной трубопровод 8. Полости нагнетания турбокомпрессоров 9 и 10 объединены общим впускным коллектором 11, в котором установлен охладитель наддувочного воздуха 12. Для отключения турбокомпрессора 2 на малых и средних частотах вращения коленчатого вала в газоприемном патрубке 13 и полости нагнетания 10 установлены запорные устройства 14 и 15. Между полостью нагнетания 9 и газоприемным патрубком 6 постоянно работающего турбокомпрессора 3 установлен обводной трубопровод 16 с запорным устройством 17, а между газоприемным патрубком 6 и трактом выпуска 18 установлен байпасный трубопровод 19 с регулируемым запорным устройством 20. В газоприемных патрубках 6 и 7 установлены дополнительные камеры сгорания 21 и 22.
Эти устройства работают следующим образом.
На статических режимах работы двигателя в диапазоне низких и средних частот вращения коленчатого вала двигатель 1 работает с одним турбокомпрессором 3, а турбокомпрессор 2 с помощью запорных органов управления 14 и 15 отключен. При этом выпускные газы, выходящие из цилиндров двигателя 1, по газовым трактам 4,5 и обводному трубопроводу 8 поступают на вход в турбокомпрессор 3, а воздух, сжимаемый в этом турбокомпрессоре, через полость нагнетания 9, впускной коллектор 11 и охладитель наддувочного воздуха 12 поступает в цилиндры двигателя 1. Регулируемое устройство 20, установленное в байпасном трубопроводе 19, закрыто, а запорное устройство 17, установленное в обводном трубопроводе 16, открывается при условии положительной разницы между давлением наддува и давлением выпускных газов перед турбиной. В случае открытия запорного устройства 17 часть воздуха, сжатого в компрессоре турбокомпрессора 3, поступает на вход в турбину этого же турбокомпрессора, минуя цилиндры двигателя 1, что позволяет существенно увеличить уровень мощности двигателя за счет исключения неустойчивой работы компрессора. С повышением нагрузки увеличивается цикловая подача топлива, что приводит к увеличению количества выпускных газов, частоты вращения ротора работающего турбокомпрессора 3, повышению уровня давления наддува и, следовательно, к увеличению величины максимального давления цикла. Ограничение уровня давления наддува, максимального давления цикла и частоты вращения ротора турбокомпрессора для конкретной величины частоты вращения коленчатого вала двигателя 1 происходит за счет включения в работу регулируемого перепускного устройства 20, что позволяет перепускать часть выпускных газов мимо работающего турбокомпрессора 3. При этом за счет исключения ограничения по величине максимального давления цикла увеличивается мощность двигателя 1.
С целью повышения эффективности работы системы турбонаддува двигателя 1 на неотключаемом турбокомпрессоре 3 проходное сечение соплового аппарата турбины уменьшено на 25 30% по сравнению с отключаемым турбокомпрессором 2. Это мероприятие позволяет существенно расширить мощностные показатели двигателя 1 при работе на низких и средних частотах вращения коленчатого вала.
С увеличением частоты вращения коленчатого вала до значений, близких к номинальным, с помощью запорных органов 14 и 15 включается в работу турбокомпрессор 2 и двигатель 1 работает с двумя параллельно работающими турбокомпрессорами 2 и 3. При этом запорные устройства 20 и 17 работают по такому же принципу, как и в случае работы двигателя 1 с одним турбокомпрессором 3.
С целью улучшения динамических характеристик двигателя 1 в газоприемные патрубки 6 и 7 установлены дополнительные камеры сгорания 21 и 22, причем камера сгорания 22 обеспечивает работу двигателя 1 на переходных режимах при работе с одним турбокомпрессором, а камера сгорания 21 включается в работу в момент перехода двигателя 1 на работу с двумя параллельно работающими турбокомпрессорами.
Формула изобретения
1. Двигатель внутреннего сгорания, V-образный, с наддувом, содержащий впускной трубопровод и выпускной коллектор, к которым соответственно при помощи воздушного и газоподводящего каналов подключены воздухонапорные и газоприемные патрубки, по меньшей мере, двух турбокомпрессоров, обводной трубопровод, соединяющий эти патрубки между собой, органы перекрытия, установленные, по меньшей мере, в одном воздухонапорном и в одном газоприемном патрубках, отличающийся тем, что впускной коллектор выполнен общим, а выпускной разделен для каждого турбокомпрессора.
2. Двигатель по п.1, отличающийся тем, что проходное сечение соплового аппарата неотключаемого турбокомпрессора на 25 30% меньше по сравнению с отключаемым.
3. Двигатель по п.1, отличающийся тем, что установлена система регулирования параметров турбонаддува, обеспечивающая работу двигателя на режимах средних частот вращения с перепуском части сжатого в компрессорах воздуха на вход в турбину неотключаемого турбокомпрессора, а на режимах, близких к полным нагрузкам, система обеспечивает работу двигателя с перепуском части газа в обвод турбины неотключаемого турбокомпрессора.
4. Двигатель по п.1, отличающийся тем, что на входе в турбину неотключаемого турбокомпрессора установленная дополнительная камера сгорания включается на статических режимах работы двигателя с малыми и средними частотами вращения коленчатого вала и на переходных режимах.
5. Двигатель по п.1, отличающийся тем, что на входе в турбину отключаемого турбокомпрессора установленная дополнительная камера сгорания включается на переходных режимах в момент включения отключаемого турбокомпрессора в работу с временным предварением.
6. Двигатель по п.1, отличающийся тем, что воздух для обеспечения работы дополнительных камер сгорания подается от внешнего источника.
РИСУНКИ
|
|