|
|
(21), (22) Заявка: 2008127236/06, 07.07.2008
(24) Дата начала отсчета срока действия патента:
07.07.2008
(46) Опубликовано: 10.03.2010
(56) Список документов, цитированных в отчете о поиске:
RU 2273746 C2, 10.04.2006. RU 2277175 C1, 27.05.2006. RU 2136931 C1, 10.09.1999. RU 2117794 C1, 20.08.1998. EP 0513957 A1, 19.11.1992. DE 3737844 C1, 16.02.1989.
Адрес для переписки:
129301, Москва, ул. Касаткина, 13, НТЦ им. А. Люльки ОАО “НПО “Сатурн”, СПиИС
|
(72) Автор(ы):
Голубов Александр Николаевич (RU), Семенов Вадим Георгиевич (RU), Фомин Вячеслав Николаевич (RU)
(73) Патентообладатель(и):
Открытое акционерное общество “Научно-производственное объединение “Сатурн” (ОАО “НПО “Сатурн”) (RU)
|
(54) МАСЛЯНАЯ СИСТЕМА АВИАЦИОННОГО ГАЗОТУРБИННОГО ДВИГАТЕЛЯ
(57) Реферат:
Масляная система авиационного газотурбинного двигателя (ГТД) относится к области авиадвигателестроения, а именно к маслосистеме ГТД маневренного самолета. Технический результат – увеличение продолжительности фигурного полета самолета в случае возникновения на нем околонулевых перегрузок. Маслосистема содержит масляные полости подшипниковых опор ротора, в одной из которых расположены упорный подшипник ротора и форсунки, подключенные к устройству подвода масла, выполненному в виде системы из двух взаимодействующих между собой нагнетающих насосов, один из которых сообщен с маслозаборником, установленным в нижней полости маслобака, а другой сообщен с маслозаборником, расположенным в верхней полости свободного объема маслобака, причем выходы насосов сообщены между собой. Устройство для подвода масла к форсункам снабжено масляным аккумулятором, вход в который подключен параллельно через обратный клапан к магистрали, сообщающей между собой выходы нагнетающих насосов, а выход из аккумулятора сообщен с установленной в масляной полости упорного подшипника резервной форсункой подачи масла. 1 ил.
Изобретение относится к области авиационного двигателестроения, в частности к маслосистеме авиационного газотурбинного двигателя (ГТД) маневренного самолета.
Известна масляная система авиационного газотурбинного двигателя, содержащая масляные полости подшипниковых опор ротора, в одной из которых расположены упорный подшипник ротора и форсунки, подключенные к устройству подвода масла, выполненному в виде системы из двух взаимодействующих между собой нагнетающих насосов, один из которых сообщен с маслозаборником, установленным в нижней полости маслобака, а другой сообщен с маслозаборником, расположенным в верхней полости свободного объема маслобака, причем выходы насосов сообщены между собой.
Известная маслосистема не обеспечивает требуемую продолжительность фигурного полета самолета в случае возникновения на нем околонулевых перегрузок.
В момент появления на самолете околонулевых перегрузок масло перемещается в среднюю часть полости маслобака, обнажая сразу оба маслозаборника, расположенных в нижней и верхней его частях. Объясняется это тем, что масло заполняет только часть объема маслобака, так как при работе двигателя масло из маслобака перемещается в двигатель на заполнение масляных магистралей, маслосборников, масляных полостей теплообменников, фильтров, клапанов и других агрегатов; кроме того, масло расходуется при работе двигателя и испаряется.
Поэтому при появлении на самолете околонулевых перегрузок падает давление масла на выходе из обоих нагнетающих насосов, что приводит к “масляному голоданию” опорных подшипников ротора двигателя и ограничивает продолжительность фигурного полета самолета (не более 15 с).
Наиболее опасно “масляное голодание” для упорного подшипника, воспринимающего большое осевое усилие, действующее на ротор от газовых сил.
Задача изобретения – увеличить продолжительность питания маслом упорного подшипника ротора при фигурных полетах самолета с околонулевыми перегрузками.
Указанная задача решается тем, что в маслосистеме авиационного ГТД, содержащей масляные полости подшипниковых опор ротора, в одной из которых расположены упорный подшипник ротора и форсунки, подключенные к устройству подвода масла, выполненному в виде системы из двух взаимодействующих между собой нагнетающих насосов, один из которых сообщен с маслозаборником, установленным в нижней полости маслобака, а другой сообщен с маслозаборником, расположенным в верхней полости свободного объема маслобака, причем выходы насосов сообщены между собой, согласно изобретению устройство для подвода масла к форсункам снабжено масляным аккумулятором, вход в который подключен параллельно через обратный клапан к магистрали, сообщающей между собой выходы нагнетающих насосов, а выход из аккумулятора сообщен с установленной в масляной полости упорного подшипника резервной форсункой подачи масла.
Новым в изобретении является то, что устройство для подвода масла к форсункам снабжено масляным аккумулятором, вход в который подключен параллельно через обратный клапан к магистрали, сообщающей выходы из нагнетающих насосов, а выход из аккумулятора сообщен с установленной в масляной полости упорного подшипника дублирующей форсункой подачи масла.
Наличие в устройстве подвода масла к форсункам емкости с резервным объемом смазки, сообщенной магистралью с установленной в масляной полости упорного подшипника резервной форсункой, позволит при появлении на самолете околонулевых перегрузок выдавить этот резервный объем масла под давлением из аккумулятора в одну-единственную резервную форсунку, что обеспечит надежное маслопитание самого напряженного элемента двигателя.
Поскольку при околонулевых перегрузках радиальные нагрузки (вес ротора) на опорные подшипники ротора резко снижаются (ротор как бы всплывает), кратковременное “масляное голодание” на их работоспособности не отражается.
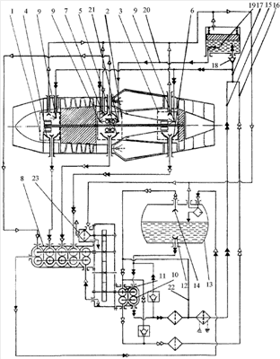
На чертеже изображена принципиальная схема масляной системы авиационного ГТД.
Масляная система включает в себя масляные полости 1, 2 и 3 подшипниковых опор ротора. В масляной полости 2 расположен упорный подшипник, воспринимающий наибольшую нагрузку – осевое усилие на ротор. В нижней части масляных полостей 1, 2 и 3 выполнены маслозаборники 4, 5 и 6 соответственно; кроме того, масляная полость 2 снабжена вторым маслозаборником 7, расположенным в верхней ее части.
Каждый маслозаборник 4, 5, 6, 7 системой масляных магистралей подключен к своему насосу откачки, встроенному в единый блок насосов 8.
Каждая из масляных полостей 1, 2 и 3 снабжена форсунками 9, подключенными системой магистралей к устройству подвода к ним масла, выполненному в виде системы из двух взаимодействующих между собой нагнетающих насосов 10 и 11. Нагнетающий насос 10 сообщен с маслозаборником 12, расположенным внизу маслобака 13, а нагнетающий насос 11 сообщен с маслозаборником 14, установленным вверху него. Выходы из нагнетающих насосов 10 и 11 сообщены между собой магистралями 15 и 16, объединенными в единую магистраль 17, к которой параллельно подключен через обратный клапан 18 вход в масляный аккумулятор 19, оборудованный подпружиненным поршнем. Выход из масляного аккумулятора 19 магистралью 20 сообщен с резервной форсункой 21, установленной в масляной полости 2 упорного подшипника ротора. Выход из нагнетающего насоса 10 сообщен с входом в нагнетающий насос 11 через магистраль 22. Для отвода воздуха и газов из масляных полостей 1, 2 и 3 служит суфлер 23.
При горизонтальном полете самолета и при положительных перегрузках на нем масло из маслобака 13 через маслозаборник 12 попадает на вход нагнетающего насоса 10 и далее через магистрали 15 и 17 подводится к форсункам 9; при этом часть масла через обратный клапан 18 заполняет масляный аккумулятор 19, отжимая поршень аккумулятора вверх.
Нагнетающий насос 11 работает в холостом режиме, так как маслозаборник 14 обезмаслен. Чтобы исключить его поломку, на вход насоса поступает незначительное количество масла по магистрали 22 от выхода нагнетающего насоса 10, что позволяет поддерживать нагнетающий насос 11 в постоянной боевой готовности.
Отработанная смазка в виде масловоздушной эмульсии из масляных полостей 1, 2 и 3 собирается в маслосборниках 4, 5 и 6 и переправляется на входы откачивающих насосов в блоке насосов откачки 8 и далее в маслобак 13 для повторного использования.
В маслобаке 13 эмульсия сепарируется: масло стекает в нижнюю его часть к маслозаборнику 12, а воздух скапливается в верхней части маслобака и удаляется из него нагнетающим насосом 11, который по совместительству выполняет функцию суфлера для маслобака. При фигурных полетах с отрицательными перегрузками или при перевернутом полете масло под действием сил энергии или веса отбрасывается в верхний свободный объем маслобака 13.
Маслозаборник 12 обнажается, а маслозаборник 14 оказывается в масляной ванне, поэтому вступает в работу нагнетающий насос 11, а нагнетающий насос 10 переходит на кратковременную холостую работу.
Масло из нагнетающего насоса 11 теперь уже по магистралям 16 и 17 поступает к форсункам 9, при этом резервный объем в масляном аккумуляторе 19 сохраняется. Значительная часть масла, попадающая внутрь двигателя, возвращается в маслобак 13 для его восполнения с помощью насоса откачки, подключенного к маслосборнику 7 в масляной полости 2, куда поступает львиная доля всей смазки.
При фигурных полетах самолета с околонулевыми перегрузками масло в маслобаке 13 перемещается в среднюю часть его полости, при этом обнажаются одновременно оба маслозаборника 12 и 14 и давление масла на выходе нагнетающих насосов 10 и 11 и в магистралях 15, 16 и 17 падает до нуля. Обратный клапан 18 отсекает магистраль 17 от емкости аккумулятора и под давлением подпружиненного поршня аккумулятора резервный объем смазки выдавливается через магистраль 20 в резервную форсунку 21, что исключает масляное голодание упорного подшипника ротора, установленного в масляной полости 2. При всех эволюциях самолета воздух из масляных полостей 1, 2, 3 вместе с частицами попавшей в него смазки по суфлирующим магистралям попадает на вход центробежного суфлера 23, улавливающего смазку, которая через откачивающий насос в блоке насосов откачки 8 возвращается в маслобак 13.
Осуществление изобретения позволит предотвратить возникновение режима “масляное голодание” упорного подшипника ротора при фигурных полетах самолета с околонулевыми перегрузками и таким образом увеличить продолжительность полетов.
Формула изобретения
Масляная система авиационного газотурбинного двигателя, содержащая масляные полости подшипниковых опор ротора, в одной из которых расположен упорный подшипник ротора и форсунки, подключенные к устройству подвода масла, выполненному в виде системы из двух взаимодействующих между собой нагнетающих насосов, один из которых сообщен с маслозаборником, установленным в нижней полости маслобака, а другой сообщен с маслозаборником, расположенным в верхней полости свободного объема маслобака, причем выходы насосов сообщены между собой, отличающаяся тем, что устройство для подвода масла к форсункам снабжено масляным аккумулятором, вход в который подключен параллельно через обратный клапан к магистрали, сообщающей между собой выходы нагнетающих насосов, а выход из аккумулятора сообщен с установленной в масляной полости упорного подшипника резервной форсункой подачи масла.
РИСУНКИ
|
|