|
|
(21), (22) Заявка: 2008152651/06, 29.12.2008
(24) Дата начала отсчета срока действия патента:
29.12.2008
(46) Опубликовано: 10.03.2010
(56) Список документов, цитированных в отчете о поиске:
US 4390328 А, 28.06.1983. SU 1198285 А, 15.12.1983. SU 870759 А, 17.10.1981. DE 2159065 А, 07.06.1973. DE 3320090 A1, 06.12.1984.
Адрес для переписки:
644043, г.Омск, ул. Волочаевская, 17ж, кв.38, Г.М. Фокину
|
(72) Автор(ы):
Фокин Геннадий Михайлович (RU)
(73) Патентообладатель(и):
Фокин Геннадий Михайлович (RU)
|
(54) ВОЛНОВАЯ ПНЕВМОГИДРОМАШИНА
(57) Реферат:
Изобретение относится к области машиностроения и может быть использовано в качестве гидронасосов, компрессоров, пневмогидромоторов. Волновая пневмогидромашина содержит жесткое колесо с разделителями 3 полостей всасывания и нагнетания, гибкое колесо-вытеснитель 5, генератор волн 2 с уплотнителями 4 радиального зазора в вершинах волн гибкого колеса. Гибкое колесо-вытеснитель 5 выполнено в виде многослойного пакета соосных чередующихся широких, равных ширине рабочей камеры колец и промежуточных, расположенных между ними пар укороченных колец. Между укороченными кольцами располагается плоская браслетная пружина, распирающая их и обеспечивающая постоянное поджатие торцев укороченных колец к торцам крышки и фланца машины. Изобретение направлено на создание волновой пневмогидромашины с работоспособной конструкцией торцевого уплотнения в подвижном соединении гибкого колеса – вытеснителя с крышкой и фланцем машины. 3 ил.
Использование: в любых отраслях промышленности в качестве гидронасосов, компрессоров и пневмогидромоторов.
Сущность изобретения состоит в применении волнового механизма в качестве пневмогидромашины, где корпус является жестким звеном, в котором размещены каналы и устройства подвода и нагнетания газа или жидкости и разделители полостей, гибкое колесо, являющееся вытеснителем газа или жидкости, выполнено в виде многослойного пакета соосных упругих колец, а генератор волн снабжен уплотнителями, расположенными в вершинах волн деформации гибкого колеса и обеспечивающими беззазорное обкатывание наружной поверхности гибкого колеса по внутренней поверхности жесткого звена.
Из уровня техники известна волновая пневмогидромашина, содержащая жесткое колесо с разделителями полостей, гибкое колесо и генератор волн с уплотнителями радиального зазора, а также с уплотнителем торцевого зазора в виде поджимной втулки с пружинами (US 4390328 A, 28.01.1983, F01G 5/02, стр.7, фиг.21).
Недостатком указанной конструкции уплотнения торцевого зазора, выполненного по аналогии с применяемой в шестеренных гидронасосах, является большое нагружение в контакте уплотняющая втулка – гибкое звено.
То, что хорошо работает в шестеренных насосах, где торцевая поверхность зубчатых колес имеет большую величину и с таким давлением, хотя и с большим трением и износом справляется, вряд ли будет работоспособно в волновой пневмогидромашине.
Задачей заявленного изобретения является разработка волновой пневмогидромашины с работоспособной конструкцией торцевого уплотнения в подвижном соединении гибкого колеса – вытеснителя с крышкой и фланцем машины.
Поставленная задача решается в волновой пневмогидромашине, содержащей жесткое колесо с разделителями полостей всасывания и нагнетания, гибкое колесо-вытеснитель, генератор волн гибкого колеса, за счет выполнения гибкого колеса-вытеснителя в виде многослойного пакета соосных чередующихся широких, равных ширине рабочей камеры колец и промежуточных, расположенных между ними пар укороченных колец, между которыми располагается плоская браслетная пружина, распирающая укороченные кольца и обеспечивающая постоянное поджатие торцев укороченных колец к торцам крышки и фланца машины.
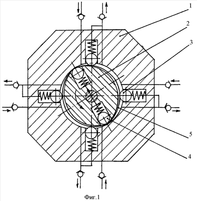
Волновая пневмогидромашина иллюстрируется фиг.1, 2 и 3, где
на фиг.1 изображен поперечный разрез волновой пневмогидромашины,
на фиг.2 – фрагмент продольного разреза волновой пневмогидромашины,
на фиг.3 – вид на развертку пары укороченных колец с распорной плоской браслетной пружиной между ними.
Пневмогидромашина состоит из корпуса 1, одновременно являющегося жестким колесом волнового механизма, генератора волн 2 с уплотнителям 4 радиального зазора, разделителей 3 полостей всасывания и нагнетания, гибкого колеса-вытеснителя 5, выполненного в виде пакета соосных чередующихся широких 6 и подпружиненных укороченных колец 7 с распорной плоской браслетной пружиной 8 между ними, крышки 9 и фланца 10.
Устройство для уплотнения торцевого зазора в подвижном соединении гибкого колеса с фланцем и крышкой работает следующим образом.
Укороченные кольца 7, расположенные между широкими кольцами 6, распираются в осевом направлении плоской браслетной пружиной 8 в местах контакта между ними совокупностью сил «р», обеспечивающей оптимальную суммарную силу поджатия укороченных колец 7 к торцам крышки 9 и фланца 10 и полную ликвидацию торцевого зазора между гибким колесом-вытеснителем 5 и крышкой 9 и фланцем 10.
Предлагаемая конструкция проста, технологична, долговечна, универсальна для пневмогидромашин с различными значениями давления нагнетания.
Формула изобретения
Волновая пневмогидромашина, содержащая жесткое колесо с разделителями полостей всасывания и нагнетания, гибкое колесо-вытеснитель, генератор волн с уплотнителями радиального зазора в вершинах волн гибкого колеса, отличающаяся тем, что гибкое колесо-вытеснитель выполнено в виде многослойного пакета соосных чередующихся широких, равных ширине рабочей камеры, колец и промежуточных, расположенных между ними пар укороченных колец, между которыми располагается плоская браслетная пружина, распирающая укороченные кольца и обеспечивающая постоянное поджатие торцев укороченных колец к торцам крышки и фланца машины.
РИСУНКИ
|
|