Патент на изобретение №2383695

Published by on




РОССИЙСКАЯ ФЕДЕРАЦИЯ



ФЕДЕРАЛЬНАЯ СЛУЖБА
ПО ИНТЕЛЛЕКТУАЛЬНОЙ СОБСТВЕННОСТИ,
ПАТЕНТАМ И ТОВАРНЫМ ЗНАКАМ
(19) RU (11) 2383695 (13) C1
(51) МПК

E04C5/06 (2006.01)

(12) ОПИСАНИЕ ИЗОБРЕТЕНИЯ К ПАТЕНТУ

Статус: по данным на 28.09.2010 – действует

(21), (22) Заявка: 2008127959/03, 08.07.2008

(24) Дата начала отсчета срока действия патента:

08.07.2008

(46) Опубликовано: 10.03.2010

(56) Список документов, цитированных в отчете о
поиске:
RU 2313640 С1, 27.12.2007. GB 2148973 А, 05.05.1988. GB 1549775 A, 08.08.1979. SU 1761901 A1, 15.02.1992. RU 2020228 С1, 30.09.1994. SU 1418441 A1, 23.08.1988.

Адрес для переписки:

443001, г.Самара, ул. Молодогвардейская, 194, СГАСУ, патентный отдел

(72) Автор(ы):

Ильин Николай Алексеевич (RU),
Славкин Павел Николаевич (RU),
Шепелев Александр Петрович (RU)

(73) Патентообладатель(и):

Государственное образовательное учреждение высшего профессионального образования “Самарский государственный архитектурно-строительный университет” (СГАСУ) (RU)

(54) АРМАТУРНЫЙ КАРКАС ДЛЯ ЖЕЛЕЗОБЕТОННЫХ ИЗДЕЛИЙ

(57) Реферат:

Изобретение относится к строительству, в частности к изготовлению плоских арматурных каркасов – узких сеток «зигзаг» – для армирования железобетонных изделий. Техническим результатом изобретения является упрощение изготовления и повышения качества арматурного каркаса, повышение прочности наклонных сечений железобетонных изделий, сокращение технологических операций по механической обработке арматурной стали, в частности по резке арматурных стержней и последующей их сварке в местах сочленения с продольной арматурой, снижение трудоемкости при изготовлении арматурного каркаса, экономия металла, энергии и сварочного материала, снижение травматизма при изготовлении и монтаже арматурного каркаса. Результат при использовании изобретения достигается тем, что в арматурном каркасе, включающем продольные рабочие, монтажные и поперечные стержни, поперечные стержни выполнены в виде витой сетки «зигзаг», закреплены на цельном остове арматурного каркаса. 16 з.п. ф-лы, 16 ил.

Изобретение относится к строительству, в частности к изготовлению плоских арматурных каркасов – узких сварных сеток, используемых в массовом производстве железобетонных изделий или их усилении.

Известен арматурный каркас для железобетонных изделий – плоская узкая сварная сетка типа «лесенка» с прямоугольным контуром, включающий перпендикулярно расположенные продольные и поперечные стержни; диаметры продольных рабочих стержней d=(10÷25) мм, монтажных стержней d1=(10÷25) мм, поперечных стержней d2=(6÷12) мм; шаг поперечных стержней принят кратным 50 и 100 мм, максимальный шаг umax=600 мм; на каждый поперечный стержень приходятся от 2 до 8 точек сварки. Минимальный размер концевых выпусков принят не менее 20 мм; наименьшее расстояние между осями стержней одного направления umin=50 мм /Руководство по конструированию бетонных и железобетонных конструкций из тяжелого бетона (без преднапряжения). – М.: Стройиздат, 1978, с.14, – 17, рис.5 (фиг.е, ж) /[1].

К причинам, препятствующим достижению указанного ниже технического результата при изготовлении известного арматурного каркаса для железобетонных изделий, относится то, что большие объемы резки продольных рабочих и монтажных стержней и особенно при резке многочисленных поперечных стержней приводят к значительному расходу энергии и увеличению трудоемкости сварочных работ; при изготовлении арматурных каркасов каждый стержень поперечной арматуры приваривают к продольным стержням не менее, чем в двух точках, вследствие этого возрастает расход электроэнергии и выделяются вредно действующие лучистая энергия и газы; при резке стержней малой длины (до 300 мм) возрастает травматизм работающих.

Известен арматурный каркас для железобетонных изделий – плоская узкая товарная (легкая и тяжелая) сетка с прямоугольным контуром, включающий взаимно перпендикулярно расположенные продольные и поперечные стержни.

Параметры легких сеток: диаметры продольных и поперечных стержней от 3 до 8 мм; шаг продольных стержней от 50 до 390 мм; шаг поперечных стержней от 100 до 500 мм; число продольных стержней от 2 до 4; на каждый поперечный стержень назначают от 2 до 4 точек сварки; максимальная длина каркаса 7,2 м. Параметры тяжелых сеток: диаметры продольных стержней от 10 до 40 мм, поперечных стержней от 4 до 14 мм; шаг продольных стержней от 75 до 1400 мм, шаг поперечных стержней от 100 до 600 мм; число продольных стержней от 2 до 6 (сетки I типа)/ от 2 до 8 (сетки II типа); на каждый стержень поперечной арматуры назначают от 2 до 16 точек сварки, максимальная длина арматурных каркасов 12/18 м /Пособие по проектированию бетонных и железобетонных конструкций из тяжелых и легких бетонов без преднапряжения арматуры. – М.: ЦИТП Госстроя, 1986; (с.148-151: Плоские сварные сетки, табл.40) /[2].

К причинам, препятствующим достижению указанного ниже технического результата при изготовлении известного арматурного каркаса для железобетонных изделий, относится то, что изготовление плоского арматурного каркаса представляет сложный процесс резки поперечной арматуры на большое число отрезков небольшой длины, при этом каждый отрезок – стержень поперечной арматуры – приварен к продольной арматуре не менее чем в двух точках (для узких сеток II типа число точек сварки возрастает от 2 до 8); при большом объеме сварки трудоемкость арматурных работ велика, значительны расходы энергии на резку и сварку стержней арматуры; для повышения сцепления с бетоном гладкой продольной арматуры сеток дополнительно на ее концах предусмотрено устройство крюков или петель.

Известен арматурный каркас для железобетонных изделий, содержащий изогнутый металлический стержень, который при сборке его в арматурный каркас выполнен в форме петель. При сборке множества подобных арматурных элементов в арматурный каркас в их петли установлена продольная арматура; после этого элементы раздвигают по длине продольной арматуры в проектное положение и фиксируют их /Пат. 697666 SU, МПК-2 Е04С 5/03. Арматурный элемент./ В.Г.Федоров, А.Н.Ерофеев, заявка: 2596323/29-33 от 27.03.78, опубл. 15.11.79, Бюл. 42/ [3] – принято за прототип.

К причинам, препятствующим достижению указанного ниже технического результата при изготовлении известного арматурного каркаса для железобетонных изделий, относится то, что совокупность технологического процесса сборки элементов известного каркаса многодельна и сложна, жесткость плоского каркаса снижена из-за неплотной подгонки петель поперечной арматуры с продольными стержнями; резка арматуры на короткие стержни повышает трудоемкость и потенциальную опасность арматурных работ вследствие отлета коротких стержней; при ручной вязке элементов известного арматурного каркаса невозможно применение механизированного изготовления арматуры при больших объемах работ; вязка арматурных каркасов по сравнению с изготовлением их на сварочных машинах требует больших трудовых затрат и увеличения расхода металла на (15÷20)% за счет изготовления отгибов и крюков на концах стержней, необходимых для анкеровки в бетоне.

Сущность изобретения заключается в следующем.

Задача, на решение которой направлено изобретение, состоит в упрощении изготовления и повышения качества арматурного каркаса для железобетонных изделий, в повышении прочности наклонных сечений железобетонных изделий, в сокращении технологических операций по механической обработке арматурной стали, в частности по резке арматурных стержней и последующей их сварки в местах сочленения с продольной арматурой, в снижении трудоемкости при изготовлении арматурного каркаса, в экономии металла и вязальной проволоки, экономии энергии и материалов сварки.

Технический результат – упрощение изготовления плоского арматурного каркаса (узкой сетки), повышение жесткости и неизменяемости формы плоского каркаса, повышение надежности анкеровки продольной и поперечной арматуры каркаса, повышение прочности сцепления с бетоном изогнутых стержней арматуры, сокращение объемов резки продольной и поперечной арматуры каркаса, снижение числа одновременно свариваемых пересечений, снижение трудоемкости при изготовлении поперечной арматуры при использовании сетки «зигзаг» и сборки ее в арматурный каркас, снижение расхода металла при его раскрое, улучшение качества изготовления сеток «зигзаг», сокращение объема сварочных работ, экономия энергии, упрощение изготовления и установки фиксаторов однократного использования, возможность механизации арматурных работ и центрального изготовления узких сеток «зигзаг», возможность навивки на стенде непрерывной арматуры для изготовления узких сеток «зигзаг», снижение травматизма при изготовлении и монтаже арматурного каркаса, снижение усадочных напряжений в бетоне и повышение прочности наклонных сечений железобетонных изделий.

Указанный технический результат при использовании изобретения достигается тем, что в известном арматурном каркасе для железобетонных изделий, включающем продольные рабочие и монтажные стержни, поперечные стержни, особенностью является то, что остов арматурного каркаса выполнен цельным путем загиба концов продольных стержней; поперечные стержни арматурного каркаса выполнены в виде узкой сетки «зигзаг» с закруглением при загибе в форме полукруга заданного диаметра.

Следующая особенность заключается в том, что для изготовления остова каркаса применяют арматурную сталь гладкого профиля класса А240 (A-I) диаметром (6÷40) мм и периодического профиля классов A300 (A-II) (10-40) мм и А400 (A-III) (6÷40) мм.

Крайний поперечный стержень арматурного каркаса приопорной зоны выполнен в форме гнутого стержня продольной рабочей и/или монтажной арматуры диаметром da0,5·d, где d – диаметр продольной рабочей арматуры, мм.

Узкая сетка «зигзаг» выполнена в виде вертикальных ветвей поперечной арматуры с загибами в местах пересечения с продольными стержнями остова каркаса в форме полукруга диаметром, равным величине шага поперечной арматуры в пределах u=(1/3÷3/4)·h, где h – высота поперечного сечения остова каркаса.

Узкая сетка «зигзаг» выполнена в виде вертикальной и наклонной поперечной арматуры с требуемым шагом по длине каркаса в пределах u=(1/3÷3/4)·h, с загибом в местах пересечения с продольными стержнями остова каркаса диаметром D3, мм, не менее диаметра продольных стержней и не менее диаметра оправки, то есть D3ddоп2,5·d2, мм.

Узкая сетка «зигзаг» выполнена с расположением в поперечном сечении каркаса ветвей поперечной арматуры в одной плоскости в форме узкого овала и нанизана или навита на продольные стержни остова каркаса.

Узкая сетка «зигзаг» выполнена с пересечением ветвей арматуры в поперечном сечении каркаса в форме «восьмерки» и нанизана или навита на продольные стержни остова каркаса.

Узкая сетка «зигзаг» прикреплена в виде накладки на продольные стержни рабочей и/или монтажной арматуры с применением вязки арматурной проволокой в местах соприкосновения с продольными стержнями остова каркаса.

Узкая сетка «зигзаг» прикреплена в виде вставки, уложенной вплотную к продольным стержням остова каркаса, с применением сварки или вязки арматурной проволокой в местах соприкосновения продольной и поперечной арматуры.

Для изготовления узкой сетки «зигзаг» применены стали для ненапрягаемой арматуры гладкого профиля (6÷18) мм классов B-I, А 240 (A-I) или периодического профиля классов Вр-I, А300 (A-II).

Узкая сетка «зигзаг» выполнена цельной или составной в виде частей сетки, соединенных между собой по длине железобетонного изделия.

Наибольшее расстояние u1, мм, между ветвями сетки «зигзаг» принято (кратно 50 мм) на приопорных участках u10,5·h150 мм; где h – высота поперечного сечения изделия в пределах от 150 до 300 мм.

Наибольшее расстояние u1 и u2, мм, между ветвями сетки «зигзаг» принято (кратно 100 мм) на приопорных участках u10,5·h150 мм и в средней части u20,75·h500 мм, где h – высота поперечного сечения изделия в пределах от 300 до 450 мм.

Наибольшее расстояние u1 и u2, мм, между ветвями сетки «зигзаг» принимают (кратно 150 мм) на приопорном участке u10,33·h500 мм и в средней части u20,75·n500 мм; где h – высота поперечного сечения изделия более 450 мм.

Большая часть ветвей поперечной арматуры (75%) и более от общего числа ветвей сетки «зигзаг», выполнена высотой hom, мм, равной не более половины высоты сечения остова каркаса hк, мм, то есть hom0,5·hк.

Длина приопорного участка при равномерно распределенной нагрузке на железобетонное изделие принята равной lon=0,25·l, где l – пролет изделия, мм.

Диаметры стержней поперечной арматуры d2, мм, и расстояние между ними u, мм, приняты по расчету прочности железобетонного изделия.

Причинно-следственная связь между совокупностью признаков и техническим результатом работы заключена в следующем.

Применение остова каркаса цельным путем загиба продольных рабочих и/или монтажных стержней, а также неразрезных поперечных стержней в виде сетки «зигзаг» упрощает изготовление плоского арматурного каркаса для железобетонных изделий; повышает жесткость и неизменяемость формы каркаса; повышает надежность анкеровки продольной и поперечной арматуры каркаса за счет неразрезности и плавных загибов ее концов; повышает прочность сцепления изогнутой стержневой арматуры с бетоном; применение неразрезной арматуры для поперечных стержней сокращает объемы резки ее; снижает трудоемкость изготовления поперечной арматуры при использовании сетки «зигзаг» и сборки в арматурный каркас; снижение объемов резки стержневой арматуры сокращает расход метала при его раскрое, улучшает качество изготовления сеток «зигзаг» в частности и арматурного каркаса в целом; сокращение объема сварочных работ на (50÷75)% и более дает экономию энергии строительного производства на резку и последующую сварку элементов арматурного каркаса; упрощение изготовления и установки фиксаторов однократного использования надежно обеспечивает требуемую толщину слоя бетона; изготовление узких плоских сеток «зигзаг» позволяет механизировать производство арматурных работ и возможность навивки на стенде непрерывной арматуры для изготовления плоских сеток; отсутствие острых концов арматурных стержней снижает травматизм работающих при изготовлении узких сеток; применение закруглений на концах поперечных стержней арматурного каркаса снижает напряжения усадки в бетоне и повышает прочность наклонных сечений железобетонных изделий по изгибающим моментам и поперечным силам.

На чертежах представлено:

На фиг.1-3 изображено расположение арматурных каркасов по длине изгибаемого железобетонного изделия на участках с обязательным поперечным армированием и наибольшее расстояние u, мм, между ветвями сеток «зигзаг» при отсутствии отгибов в зависимости от высоты поперечного сечения армированного изделия:

– при 150h300 мм (фиг.1): на приопорном участке u10,5·h150 мм (кратно 50 мм);

– при 300h450 мм (фиг.2): на приопорном участке u10,5·h150 мм и в средней части u2<0,75·h500 мм (кратно 100 мм);

при h>450 мм (фиг.3): на приопорном участке u10,33·h500 мм и в средней части u20,75·h500 мм (кратно 150 мм): 1, 2 и 3 – продольная, монтажная и поперечная арматура; 4 – фиксатор.

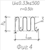
На фиг.4-5 изображены части (блоки) плоских сеток «зигзаг» с различным шагом расположения ветвей сеток, с радиусом загиба арматуры на приопорном участке r=0,5·u1 и в пролете R=0,5·u2; где u1 и u2 – соответственно шаг ветвей сеток «зигзаг» на приопорном участке и в пролете, мм.

На фиг.6-8 изображены изделия плоского арматурного каркаса (опорный участок изделия) с цельным остовом:

типа I – гнутого по всему периметру каркаса;

типа II – гнутого по трем участкам монтажной арматуры;

типа III – содержащим отдельные, скрепленные друг с другом продольные и поперечные стержни: 1, 2, 3 – соответственно продольная, монтажная и поперечная арматура остова каркаса.

На фиг.9 изображено изделие витое арматурное ИВА-1 в виде плоского каркаса для линейного железобетонного изделия (опорный участок) с сеткой «зигзаг» в качестве поперечной арматуры, выполненной в виде вертикальных ветвей поперечной арматуры с загибами в местах пересечения с продольными стержнями арматурного каркаса в форме полукруга диаметром, равным величине шага поперечной арматуры в пределах u=(1/3÷3/4)·h, где h – высота поперечного сечения армированного изделия, мм.

На фиг.10-12 изображены изделия витые арматурные ИВА-2, ИВА-3 и ИВА-4 с плоским каркасом для линейного железобетонного изделия (опорный участок) с сеткой «зигзаг» в качестве поперечной арматуры, выполненной в виде вертикальной и/или наклонной поперечной арматуры с требуемым шагом по длине каркаса в пределах u=(1/3÷3/4)·h, с загибами в местах пересечения с продольными рабочими и монтажными стержнями арматурного каркаса диаметром не менее диаметра продольных стержней каркаса: 1, 2 и 3 – продольная, монтажная и поперечная арматура; 4 – фиксатор; 5 и 6 – заопорные поперечные стержни каркаса; 7 – точки сварки или вязки поперечной арматуры.

На фиг.13-16 изображены поперечные сечения предлагаемых плоских арматурных каркасов для железобетонных изделий с сеткой «зигзаг» в качестве поперечной арматуры, выполненной:

– с расположением ветвей поперечной арматуры в одной плоскости в форме узкого овала и нанизана или навита на продольные стержни остова каркаса (фиг.13);

– с пересечением ветвей арматуры в поперечном сечении каркаса в одной плоскости в форме «восьмерки» и нанизана или навита на продольные стержни остова каркаса (фиг.14);

– с прикреплением сетки «зигзаг» в виде накладки на продольные стержни остова каркаса с помощью сварки или вязки арматурной проволокой (фиг.15);

– с прикреплением узкой сетки «зигзаг» в виде вставки, уложенной вплотную к продольным стержням остова каркаса с помощью вязки (фиг.16):

1, 2 и 3 – продольная, монтажная и поперечная арматура каркаса; 4 – фиксатор.

Сведения, подтверждающие возможность применения изобретения с получением указанного выше технического результата.

Техническим осмотром здания, поврежденного пожаром, установлено, что подлежащее усилению железобетонное перекрытие холла 8-го этажа состоит из железобетонных многопустотных панелей перекрытия с круглыми пустотами D=159 мм; высота сечения 220 мм; размеры панелей в плане 1,2×5,86 м.

В проекте усиления панелей применена арматура класса А 400 (A-III) для продольных стержней рабочей и монтажной арматуры диаметром (14÷18) мм и класса А 240 (A-I) для поперечных стержней каркаса усиления – плоской сетки «зигзаг» диаметром (8÷10) мм. Плоские арматурные каркасы усиления установлены в четырех (из 6) пустотных каналов через щели в нижней полке панели, прорезанные в средней части панели перекрытия; ширина щели (40±10) мм; длина щели 3000 мм. Плоские арматурные каркасы – сетки «зигзаг» – имеют продольные стержни рабочей арматуры длиной 2920 мм; ширина каркаса В=150 мм. Арматурное изделие усиления для плит выполнено в виде плоских каркасов усиления с поперечными стержнями каркаса усиления – узкой сетки «зигзаг» на приопорной части. Арматурные каркасы имеют продольные стержни рабочей арматуры длиной 3520 мм и продольные монтажные стержни длиной 1520 мм; ширина каркаса В=128 мм.

Следовательно, заявленное изобретение соответствует условию «промышленная применимость».

Источники информации

1. Руководство по конструированию бетонных и железобетонных конструкций из тяжелого бетона (без преднапряжения). – М.: Стройиздат, 1978. с.14, рис.5 (фиг.е, ж).

2. Пособие по проектированию бетонных и железобетонных конструкций из тяжелых и легких бетонов без преднапряжения арматуры. – М.: ЦИТП Госстроя, 1986; (с.148-151: Плоские сварные сетки, табл.40).

3. Пат.697666 SU, МПК-2 Е04С 5/03. Арматурный элемент./ В.Г.Федоров, А.Н.Ерофеев, заявка 2596 323/29-33 от 27.03.78, опубл. 15.11.79, Бюл. 42; (фиг.1).

Формула изобретения

1. Арматурный каркас для железобетонных изделий, включающий продольные рабочие и монтажные стержни, поперечные стержни, отличающийся тем, что остов арматурного каркаса выполнен цельным путем загиба концов продольных стержней; поперечные стержни арматурного каркаса выполнены в виде узкой сетки «зигзаг» с закруглением при загибе в форме полукруга заданного диаметра.

2. Арматурный каркас по п.1, отличающийся тем, что для изготовления остова каркаса применена арматурную сталь гладкого профиля класса А240 (A-I) диаметром 0(6÷40) мм и периодического профиля классов A300 (A-II) 0 (10-40) мм и А400 (A-III) 0 (6÷40) мм.

3. Арматурный каркас по п.1, отличающийся тем, что крайний поперечный стержень арматурного каркаса приопорной зоны выполнен в форме гнутого стержня продольной рабочей и/или монтажной арматуры диаметром da0,5·d, где d – диаметр продольной рабочей арматуры, мм.

4. Арматурный каркас по п.1, отличающийся тем, что узкая сетка «зигзаг» выполнена в виде вертикальных ветвей поперечной арматуры с загибами в местах пересечения с продольными стержнями остова каркаса в форме полукруга диаметром, равным величине шага поперечной арматуры в пределах u=(1/3÷3/4)-h, где h – высота поперечного сечения остова каркаса.

5. Арматурный каркас по п.1, отличающийся тем, что узкая сетка «зигзаг» выполнена в виде вертикальной и наклонной поперечной арматуры с требуемым шагом по длине каркаса в пределах u=(1/3÷3/4)·h, с загибом в местах пересечения с продольными стержнями остова каркаса диаметром D3.mm не менее диаметра продольных стержней и не менее диаметра оправки, то есть D3ddоп2,5·d2, мм.

6. Арматурный каркас по п.1, отличающийся тем, что узкая сетка «зигзаг» выполнена с расположением в поперечном сечении каркаса ветвей поперечной арматуры в одной плоскости в форме узкого овала и нанизана или навита на продольные стержни остова каркаса.

7. Арматурный каркас по п.1, отличающийся тем, что узкая сетка «зигзаг» выполнена с пересечением ветвей арматуры в поперечном сечении каркаса в форме «восьмерки» и нанизана или навита на продольные стержни остова каркаса.

8. Арматурный каркас по п.1, отличающийся тем, что узкая сетка «зигзаг» прикреплена в виде накладки на продольные стержни рабочей и/или монтажной арматуры, с применением сварки или вязки арматурной проволокой в местах соприкосновения с продольными стержнями остова каркаса.

9. Арматурный каркас по п.1, отличающийся тем, что узкая сетка «зигзаг» прикреплена в виде вставки, уложенной вплотную к продольным стержням остова каркаса, с применением сварки или вязки арматурной проволокой в местах соприкосновения продольной и поперечной арматуры.

10. Арматурный каркас по п.1, отличающийся тем, что для изготовления узкой сетки «зигзаг» применены стали для ненапрягаемой арматуры гладкого профиля (6÷18) мм классов B-I, А 240 (A-I) или периодического профиля классов Вр-1, А 300 (A-II).

11. Арматурный каркас по п.1, отличающийся тем, что узкая сетка «зигзаг» выполнена цельной или составной в виде частей сетки, соединенных между собой по длине железобетонного изделия.

12. Арматурный каркас по п.1, отличающийся тем, что наибольшее расстояние u1, мм, между ветвями сетки «зигзаг» принято (кратно 50 мм) на приопорных участках u10,5·h150 мм, где h – высота поперечного сечения изделия в пределах от 150 до 300 мм.

13. Арматурный каркас по п.1, отличающийся тем, что наибольшее расстояние u1 и
u2, мм, между ветвями сетки «зигзаг» принято (кратно 100 мм) на приопорных участках u10,5·h150 мм и в средней части u20,75·h500 мм, где h – высота поперечного сечения изделия в пределах от 300 до 450 мм.

14. Арматурный каркас по п.1, отличающийся тем, что наибольшее расстояние u1 и
u2, мм, между ветвями сетки «зигзаг» принято (кратно 150 мм) на приопорном участке
u10,33·h500 мм и в средней части u20,75·h500 мм, где h – высота поперечного сечения изделия более 450 мм.

15. Арматурный каркас по п.1, отличающийся тем, что большая часть ветвей поперечной арматуры, – 75% и более от общего числа ветвей сетки «зигзаг», – выполнена высотой hom, мм, равной не более половины высоты сечения остова каркаса hk, мм, то есть hom0,5·hk.

16. Арматурный каркас по п.1, отличающийся тем, что длина приопорного участка при равномерно распределенной нагрузке на железобетонное изделие принята равной
lon=0,25·1, где l – пролет изделия, мм.

17. Арматурный каркас по п.1, отличающийся тем, что диаметры стержней поперечной арматуры d2, мм, и расстояние между ними u, мм, приняты по расчету прочности железобетонного изделия.

РИСУНКИ

Categories: BD_2383000-2383999