|
|
(21), (22) Заявка: 2008141426/04, 21.10.2008
(24) Дата начала отсчета срока действия патента:
21.10.2008
(46) Опубликовано: 10.03.2010
(56) Список документов, цитированных в отчете о поиске:
WO 03106021 A1, 24.12.2003. RU 2310639 C2, 20.11.2000. GB 802100 A, 01.10.1958.
Адрес для переписки:
121351, Москва, ул. Кунцевская, 10/8, кв.159, Л.А.Тюриной
|
(72) Автор(ы):
Смирнов Владимир Валентинович (RU), Николаев Сергей Александрович (RU), Тюрина Людмила Александровна (RU)
(73) Патентообладатель(и):
Общество с ограниченной ответственностью “Старт-Катализатор” (RU)
|
(54) СПОСОБ ОЧИСТКИ ЭТИЛЕНА ОТ ПРИМЕСЕЙ АЦЕТИЛЕНА
(57) Реферат:
Способ очистки этилена от примесей ацетилена путем гидрирования молекулярным водородом в газовой фазе в присутствии катализатора, содержащего золото, нанесенное на гамма-оксид алюминия, отличающийся тем, что частицы металлического золота имеют средний размер 2.5-3.5 нм, и катализатор дополнительно содержит ультрадисперсные частицы никеля, причем суммарное содержание золота в катализаторе составляет 0.02-0.25 мас.%, при соотношении золото/никель от 0.1 до 10, и процесс ведут при температуре 50-125°С. Применение настоящего способа позволяет резко снизить расход драгоценного металла в катализаторе и повысить активность при стабильной работе и отсутствии измеримых потерь этилена в ходе гидрирования. 2 табл., 2 ил.
Изобретение относится к каталитическим технологиям очистки мономеров для полимеризации, конкретно – к способу очистки этилена от примесей ацетилена.
Пиролиз углеводородов нефти является основным способом получения мономеров полимеризации, таких как пропилен и этилен. Полученный пиролизом этилен после первичных операций разделения газообразных продуктов реакции всегда содержит некоторое количество (до 1% и более) ацетилена. В ходе полимеризации ацетилен быстро отравляет катализаторы Циглера-Натта и резко снижает качество образующихся полимеров. В связи с этим, содержание ацетиленовых примесей в сырьевом мономере полимеризации должно быть снижено до минимально допустимого значения – 1-10 ppm (патенты США 7009085 (2006) и РФ 2278731 (2006)). Традиционно эта задача решается селективным гидрированием. При этом основная проблема состоит в том, чтобы исключить гидрирование самого этилена, обеспечив одновременно полную конверсию ацетилена. Кроме того, необходимо исключить или хотя бы минимизировать образование в ходе гидрирования олигомерных продуктов (т.н. «зеленого масла»).
Катализаторы на основе палладия проявляют высокую активность в гидрировании, однако селективность их действия при гидрировании смесей этилена с ацетиленом совершенно неудовлетворительна (патенты США 5059732 и 4126645). Неоднократно предпринимались попытки повысить селективность гидрирования путем добавления к палладию других металлсодержащих компонентов. Например, в патенте США 4404124 как дополнительный компонент катализатора предложено использовать серебро, в патенте Германии 1284403 и в патенте США 4577047 этим компонентом является хром, в патенте США 3912789 – медь, в патенте США 3900526 – железо, в патенте США 3489809 – родий, в патенте США 3325556 – литий, в патенте США 7045670 – индий, галлий, марганец, цинк, в патенте США 6127310 – свинец или висмут, в патенте РФ 2259877 в катализатор предлагается вводить калий, магний, кальций, в патенте РФ 2278731 – лантан, цезий, европий, кадмий, стронций, барий или бериллий. Использование подобных систем позволяет решить проблемы селективного гидрирования лишь отчасти. Некоторые из них обеспечивают высокую активность катализатора, но недостаточно селективны, в других случаях, в сравнении с чисто палладиевыми системами, удается существенно улучшить селективность или снизить количество «зеленого масла», но при этом значительно снижается активность биметаллических систем. Ряд систем на базе палладия и нескольких менее активных металлов-промоторов в принципе обладает хорошими показателями по конверсии ацетилена, селективности и стабильности, но синтез таких полиметаллических катализаторов весьма трудоемок и, как правило, предполагает существенный расход редких и дорогостоящих металлов-промоторов. Таким образом, поиск новых высокоэффективных и, по возможности, более рентабельных биметаллических катализаторов селективного гидрирования остается важной и актуальной задачей.
В последнее время внимание в качестве компонента катализаторов селективного гидрирования ацетилена и его производных все чаще привлекает золото.
В патенте американской компании “Sud-Chemie hik” (патент США 6509292) для повышения селективности Pd/ -Al2O3 авторы предлагают добавлять в палладийсодержащий катализатор 0.01-0.5 вес.% золота. Типичный синтез катализатора состоит из следующих стадий. Полученный предварительно известным способом катализатор Pd/ -Al2O3 пропитывают водным раствором хлорида золота (III). Далее предшественник сушат сутки и прокаливают при 450°С в течение 3 часов. Для полного восстановления нанесенных металлов прокаленный образец обрабатывают формиатом натрия. Затем для удаления адсорбированного NaCl образец промывают дистиллированной водой. Образец сушат сутки и выдерживают при 450°С в течение 18 часов. Гидрирование проводят на катализаторах Pd-Au/ -Al2O3 (Pd=0.01-0.02 вес.%, Au=0.27-0.30 вес.%) в следующих условиях: мольный состав реакционной смеси – С2Н2:Н2:С2Н4:СН4=0.25:20:45:34, объемная скорость смеси 7000 ч-1, температура 50-60°С. Селективность полученных систем в сравнении с катализаторами на основе индивидуального палладия несколько повышается (57% на Pd-Au против 3% на Pd). Все же она остается очень низкой, что является существенным недостатком.
Стабильность работы Pd-Au систем в гидрировании ацетилена изучена в патенте Французского Нефтехимического Института (патент FR 83-14969). Авторы цитируемого патента синтезируют катализатор Pd-Au/Al2O3 послойной пропиткой носителя сначала нитратом палладия, затем хлоридом золота (III), с последующим термическим восстановлением в токе водорода. Гидрирование ведут следующим образом. Исходную смесь ацетилена и этилена (С2Н2=2%, С2Н4=98%) пропускают через 0.1% раствор этилендиамина в толуоле. Полученную газовую смесь подают на катализатор со скоростью 2.5 ч-1 при температуре 25°С и давлении (Н2)=25 бар. После 2 и 200 часов проведения реакции концентрация ацетилена в этилене на выходе из реактора с Pd-Au/Al2O3 (Pd=0.2 вес.%, Au=0.02 вес.%) составила 3 ppm, в то время как активность Pd/Al2O3 (Pd=0.2 вес.%) катализатора после 200 ч работы уменьшилась в два раза. Недостатком данного способа очистки является существенное усложнение технологической схемы и необходимость использования органических растворителей.
Кроме того, недостатком способа является низкая производительность (высокая конверсия достигается только при очень малых объемных скоростях подачи смеси).
В патенте американской компании “Synfuels International, Inc” (патент US 7045670) описаны каталитические свойства биметаллических катализаторов Pd-Au/Al2O3, полученных послойной пропиткой. Селективность типового Pd-Au/Al2O3 (0.3 вес.% Pd, 1.2 вес.% Au) катализатора в гидрировании смеси ацетилена и н-метилпиролидина (НМП) изучена в следующих условиях: проточная установка, t=120°C, состав реакционной смеси – С2Н2=4.2% и НМП=95.8%, объемная скорость смеси = 5 ч-1, Н2/С2Н2 (моль/моль)=1.6/1. Оказалось, что добавка к палладию золота повышает селективность палладиевого катализатора на 50-60%. К недостаткам описываемого способа гидрирования относятся высокие расходы благородных металлов и сложность аппаратного исполнения.
Активность Pd-Au систем в гидрировании смеси бутина-1 и бутена-1 изучена во французском патенте FR 82-04477. Катализаторы готовят послойной пропиткой. Сначала пропиткой Al2O3 (Sуд=70 м2/г) раствором ацетилацетоната палладия в бензоле с последующим термическим восстановлением получают палладиевый катализатор Pd/Al2O3. Затем его пропиткой водным раствором золотохлористоводородной кислоты с последующим термическим восстановлением синтезируют биметаллический Au-Pd/Al2O3. Смешанные системы в сравнении с монометаллическими палладийсодержащими катализаторами обладают большей активностью в гидрировании бутина-1. К недостатком метода можно отнести дороговизну используемого прекурсора палладия. В патенте отсутствуют данные по селективности процесса.
Наиболее близким к предлагаемому является способ очистки этилена от примесей ацетилена, описанный в патенте США 6936568. Для удаления примесных концентраций ацетилена в потоке этилена предложено использовать катализаторы, получаемые нанесением золота на -оксид алюминия. Типовой синтез катализатора состоит из: 1) пропитки -Al2O3 (Sуд=250 м2/г) водным раствором AuCl3 с последующим прокаливанием при 250°С; 2) восстановления нанесенного золота формиатом натрия при 76°С; 3) промывки предшественника водой для удаления продуктов восстановления; 4) повторного прокаливания при 120°С в течение 18 часов. Содержание металла в катализаторе от 0.05 до 5 вес.% (предпочтительно 0.05-0.5%). Катализатор Au/ -Al2O3 (Au=0.5 вес.%) при температуре 94°С (газофазное гидрирование, объемная скорость смеси 7000 ч-1) позволяет достигать конверсии ацетилена 99.8% (остаточное содержание ацетилена в продуктах реакции менее 25 ppm). Однако при этом селективность описываемого процесса крайне низкая – 41%, что является существенным недостатком. К тому же, содержание благородного металла в катализаторе по-прежнему слишком велико.
Авторами настоящей заявки неожиданно было обнаружено, что очистка этилена от примесей ацетилена может быть эффективно осуществлена путем гидрирования этилен-ацетиленовой смеси при температуре 20-125°С в присутствии катализатора, содержащего иммобилизованные послойно на -оксиде алюминия наноразмерные частицы золота и ультрадисперсные частицы никеля. При этом содержание золота в катализаторе равно 0.02-0.25%. Катализатор стабилен в работе и значительно превосходит по активности и селективности как свои монометаллические аналоги Ni/ -Al2O3 и Au/ -Al2O3, так и используемый в промышленности катализатор
Pd-Ag/ -Al2O3. Получение послойно нанесенных частиц металлов на носителе обеспечивается комбинированным использованием методов анионной адсорбции и пропитки.
Целью настоящего изобретения являлось создание нового способа очистки этилена от примесей ацетилена с использованием в качестве катализатора нанесенных послойно на оксид алюминия наночастиц золота и ультрадисперсных частиц никеля. Способ призван обеспечить резкое снижение расхода драгоценного металла в катализаторе и повышение активности при стабильной работе и отсутствии измеримых потерь этилена в ходе гидрирования.
СУЩЕСТВО ИЗОБРЕТЕНИЯ
Предметом изобретения является способ очистки этилена от примесей ацетилена путем гидрирования молекулярным водородом в газовой фазе при температуре 50-125°С в присутствии катализатора, содержащего золото, нанесенное на гамма-оксид алюминия, отличающийся тем, что частицы золота имеют средний размер от 2.5 до 3.5 нм, катализатор дополнительно содержит ультрадисперсные частицы никеля, содержание золота в катализаторе составляет 0.02-0.25 мас.%, а отношение металлов по массе варьируется в пределах 0.1<[Au]:[Ni]<10.
Технический результат, достигаемый в рамках изобретения, состоит в резком (более, чем на порядок) снижении расхода благородного металла в катализаторе при одновременном обеспечении эффективной очистки этилена от примесей ацетилена, отсутствия потерь этилена и стабильной работы катализатора. Изобретение иллюстрируется следующими примерами.
Пример 1
Ниже описан синтез предшественника для Au-Ni композита – катализатора
Au/ -Al2O3 с 0.02 вес.% золота, который включает в себя следующие последовательные стадии:
1) Приготовление раствора 1 – навеску 4.2 мг HAuCl4 растворяют в 50 мл дистиллированной воды. В настоящей работе использовали HAuCl4*×H2O (“Аурат”, ТУ 6-09-05-1075-89) с массовым содержанием Au 49.04%; 2) рН раствора 1 доводят до 7.0 водным раствором NaOH (0.1 M); 3) Проводят сорбцию металла из раствора на носитель – в сосуд с мешалкой помещают 10 г -Al2O3 (в качестве носителя для наночастиц использовали микросферический -Al2O3 АО “Катализатор” марки ИКТ-02-6 М с удельной поверхностью Sуд=138 м2/г и суммарным объемом пор
0.32 см3/г. Перед использованием -Al2O3 активировали прокаливанием при 300°С в течение 3 часов), 100 мл Н2О и нейтрализованный раствор 1. Смесь перемешивают в течение 1 ч при 70°С, при этом рН раствора поддерживают равным 7.0, при необходимости добавляя NaOH (0,1 M). В процессе перемешивания наблюдается обесцвечивание раствора, свидетельствующее о нанесении золота на носитель; 4) Предшественник катализатора отделяют от маточного раствора на воронке Бюхнера; 5) Полученный продукт промывают дистиллированной водой порциями по 50 мл для удаления поверхностно-незакрепленного золота и NaCl. Удаление NaCl считается приемлемым, если маточный раствор не мутнеет при добавлении в него 1 мг AgNO3; 6) Промытый предшественник сушат на воздухе при 20°С в течение 24 часов; 7) Для получения готового катализатора предшественник прокаливают при 300°С в течение 3 часов.
Аналогичным образом были получены катализаторы с содержанием золота в катализаторе 0.25 и 2.5 вес.%. Электронные микрофотографии катализаторов получали методом ПЭМ на приборе “LEO912 АВ OMEGA с разрешающей способностью 0.2 нм. Ниже (на фиг.1) приведена одна из микрофотографий ПЭМ для катализатора Au/ -Al2O3 (0.02 вес.% золота) с нанесенными частицами золота размером 2-5 нм, при этом 90% нанесенных частиц имеют размер 2.5 нм. По данным ПЭМ настоящей работы средний размер нанесенных частиц золота в катализаторах Au/ -Al2O3 с 0.25 и 2.5 вес.% золота приходится на 3.5 и 5.0 нм соответственно.
Пример 2
Ниже приведен синтез биметаллического катализатора Au-Ni/ -Al2O3 с 0.02 вес.% Au и 0.001 вес.% Ni. Катализатор получают следующим путем:
1) Готовят водный раствор нитрата никеля с концентрацией никеля C(Ni)=1.69*10-7 моль/мл (раствор 3). В настоящей работе в качестве прекурсоров использовали Ni(NO3)2*6H2O (“Реахим”, марка ч.д.а.) и дистиллированную воду; 2) Прокаливают при 300°С в течение 3 часов навеску Au/ -Al2O3 с 0.02 вес.% золота (см. Пример 1) массой 2 г; 3) Добавляют по каплям 1 мл раствора 3 к 1 г прокаленного катализатора
Au/ -Al2O3 с 0.02 вес.% золота; 4) Сушат полученный предшественник при 20°С на воздухе в течение 24 часов; 5) Прокаливают высушенный предшественник при 300°С в течение 3 часов; 6) Восстанавливают предшественник при 300°С в токе водорода в течение 5 часов.
Аналогичным образом были получены катализаторы с содержанием золота от 0.02 до 0.25 вес.% и никеля от 0.002 до 0.8 вес.%.
Пример 3
В настоящей работе был получен референтный биметаллический катализатор Pd(0.02%)-Ag(0.02%)/ -Al2O3 (Pd-Ag/ -Al2O3). Катализатор получали послойно: методом анионной адсорбции из PdCl2 получали катализатор Pd/ -Al2O3 (методику – см. Пример 1), серебро далее наносили пропиткой Pd/ -Al2O3 из водного раствора нитрата серебра (методику – см. Пример 2).
Пример 4
Ниже описан синтез катализатора сравнения Ni/ -Al2O3 с 0.08 вес.% никеля. Катализатор получают следующим образом:
1) Готовят водный раствор нитрата никеля с концентрацией никеля C(Ni)=1.35*10-5 моль/мл (раствор 2). В настоящей работе в качестве прекурсоров использовали Ni(NO3)2*6H2O (“Реахим”, марка ч.д.а.) и дистиллированную воду; 2) Прокаливают при 300°С в течение 3 часов навеску -Al2O3 массой 2 г; 3) Добавляют по каплям при перемешивании 1 мл раствора 2 к 1 г прокаленного -Al2O3; 4) Сушат полученный предшественник при 20°С на воздухе в течение 24 часов; 5) Прокаливают высушенный предшественник при 300°С в течение 3 часов; 6) Восстанавливают предшественник при 300°С в токе водорода в течение 5 часов.
Аналогичным образом были получены катализаторы сравнения состава Ni/ -Al2O3 с содержанием никеля в катализаторе 0.4 и 0.8 вес.%.
Пример 5
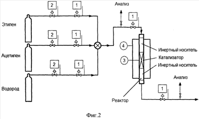
Гидрирование смеси ацетилена и этилена проводят в проточной системе с пирексовым реактором (фиг.2.), где 1 – индикатор давления, 2 -контролер газового потока, 3 – термопара, 4 – контроллер температуры. Гидрирование проводили следующим образом: 1 г катализатора помещали на фильтр Шота пирексового реактора объемом 50 мл. Реактор помещали в трубчатую печь и нагревали до желаемой температуры в пределах 20-125°С. После фиксирования желаемой температуры подавали в реактор смесь водорода, ацетилена и этилена. Потоки газов: водород – 1 мл/мин, ацетилен – 0.5 мл/мин, этилен – 10 мл/мин. Газовую смесь на выходе реактора анализировали методом ГЖХ. Анализ проводили на хроматографе «Хром-800» (колонка набивная «Poropak Т», длина колонки – 3 м, режим анализа – изотермический (50°С), газ-носитель – Не, детектор – ПИД). Конверсию ацетилена (C2H2) рассчитывали по формуле: (С2Н2)=(( 0(С2Н2)- i(C2H2))* 0(C2H2)-1*100%, где
0(C2H2) – мольная доля ацетилена в органической смеси до реакции, i(C2H2) – мольная доля ацетилена в органической смеси после реакции в момент времени i. Селективность S катализатора рассчитывали по формуле: S= i(C2H4)*( i(C2H2)+ i(C2H4)+ i(C2H6))-1*100%, где i(C2H2), i(C2H4) и i(С2Н6) – мольные доли ацетилена, этилена и этана в органической смеси после реакции в момент времени i.
Изменение состава реакционной смеси, пропускаемой через полученные в примерах 1-4 катализаторы на выходе из реактора во времени, показано в Табл.1 и 2. Из Табл.1 видно, что поставленная задача достигается только на катализаторах изобретения (Табл.1, катализаторы 1-7). Невозможность достижения поставленной цели при параметрах процесса, выходящих за пределы, соответствующие данному изобретению, иллюстрируется сравнительными примерами в Табл.1. Так, в отсутствие контакта золото-никель (Табл.1, катализаторы 8-13) или при соотношениях золото/никель, выходящих за рамки соотношения 0.1<[Au]:[Ni]<10 (катализаторы 14, 15), конверсия ацетилена не превышает 54%. Эффективность предлагаемого в настоящей работе изобретения в сравнении с эффективностью палладий-серебряного катализатора, используемого в промышленности, иллюстрируется сравнением данных Табл.1 (катализаторы 1-7) и данных Табл.2. Видно, что активность и стабильность работы Au-Ni катализатора существенно выше активности и стабильности Pd-Ag аналога.
Формула изобретения
Способ очистки этилена от примесей ацетилена путем гидрирования молекулярным водородом в газовой фазе в присутствии катализатора, содержащего золото, нанесенное на гамма-оксид алюминия, отличающийся тем, что частицы металлического золота имеют средний размер 2,5-3,5 нм и катализатор дополнительно содержит ультрадисперсные частицы никеля, причем суммарное содержание золота в катализаторе составляет 0,02-0,25 мас.% при соотношении золото/никель от 0,1 до 10, и процесс ведут при температуре 50-125°С.
РИСУНКИ
|
|