|
|
(21), (22) Заявка: 2008119316/11, 19.05.2008
(24) Дата начала отсчета срока действия патента:
19.05.2008
(43) Дата публикации заявки: 27.11.2009
(46) Опубликовано: 10.03.2010
(56) Список документов, цитированных в отчете о поиске:
RU 2005138016 A1, 07.12.2007. GB 1409882 A, 17.10.1975. US 6205595 B1, 27.03.2001. JP 7233558 A, 05.09.1995.
Адрес для переписки:
109125, Москва, ул. Окская, 4, корп.3, оф.34, ООО “Минаев и партнеры”, А.А.Минаеву
|
(72) Автор(ы):
Ваганов Валерий Иванович (RU)
(73) Патентообладатель(и):
Общество с ограниченной ответственностью “НТЦ КУРС” (RU)
|
(54) УСТАНОВКА ВАКУУМНАЯ
(57) Реферат:
Изобретение относится к санитарно-техническому оборудованию, в частности к вакуумным туалетным системам, используемым на транспортных средствах. Вакуумная установка содержит корпус, вакуумный насос (10) с блоком управления (17), контролирующим сигнализатором уровня жидкости ее уровень в вакуумируемом приемном баке (1), датчик давления (4), контролирующий разрежение в вакуумной магистрали приемного бака, и датчик давления (8), контролирующий давление на выходе вакуумного насоса и степень загрязнения выходного фильтра (18), соединенного с атмосферой. По сигналу блока управления электромагнитный клапан (5) открывает и закрывает вакуумную магистраль и электромагнитный клапан (6), обеспечивающий режим продувки вакуумного насоса, и контролируется работа вакуумного насоса датчиком температуры (7). Вакуумная установка содержит вентилятор и нагревательный элемент. Вакуумная магистраль снабжена фильтром-сепаратором, установленным после сигнализатора уровня жидкости. Корпус выполнен термостатическим и термоизолированным. Изобретение повышает надежность и стабильность работы установки вакуумной при различных температурах, снижает энергетические затраты и упрощает эксплуатацию. 2 з.п. ф-лы, 1 ил.
Изобретение относится к санитарно-техническому оборудованию, в частности к вакуумным туалетным системам, используемым на транспортных средствах.
Из уровня техники известно аналогичное оборудование, используемое в вакуумных туалетных системах на транспортных средствах (см. SU  1607749, 1834195, FR  2628774, 2694317).
Наиболее близким техническим решением к заявляемому изобретению является устройство для создания, поддержания и снятия вакуума в резервуаре для сбора и последующей транспортировки отходов и может быть использовано в туалетах с вакуумной системой. Устройство содержит два клапана, эжектор, имеющий входное сопло, выходной патрубок и вакуумный проход. Эжектор соединен с первым клапаном через входное сопло и с первым узлом подключения через вакуумный проход. Поршневой управляющий клапан содержит первый вход, второй вход и выход. Клапаны могут быть соединены с одним и тем же источником сжатого воздуха через общий вход. Устройство обладает способностью к самоочищению, легче по весу, чем известные конструкции, и проще в установке (см. RU 2138600).
Предлагаемая установка вакуумная (далее установка) предназначена для создания и поддержания заданного разрежения в вакуумируемом приемном баке в автоматическом режиме, обеспечения поддержания температуры вакуумного насоса (термостатирование) в холодное время года в заданных пределах и автоматического выключения насоса и обеспечения продувки магистрали при переполнении приемного бака. Сущность заявляемой установки заключается в том, что: она содержит корпус, вакуумный насос с блоком управления, контролирующий сигнализатором уровня жидкости ее уровень в вакуумируемом приемном баке; датчик давления, контролирующий разрежение в вакуумной магистрали приемного бака, и датчик давления, контролирующий давление на выходе вакуумного насоса и степень загрязнения выходного фильтра, соединенного с атмосферой; электромагнитный клапан, открывающий и закрывающий вакуумную магистраль по сигналу блока управления и электромагнитный клапан, обеспечивающий режим продувки вакуумного насоса по сигналу блока управления, контролирующего также работу вакуумного насоса датчиком температуры; вакуумная установка дополнительно содержит вентилятор и нагревательный элемент, связанные с блоком управления через датчик температуры, контролирующий температуру внутри вакуумной установки.
Вакуумная магистраль, связанная с приемным баком, снабжена фильтром-сепаратором, установленным после сигнализатора уровня жидкости.
Корпус выполнен термостатическим и покрыт термоизоляцией, обеспечивающей тепловой режим работы вакуумного насоса.
Достигаемый изобретением технический результат заключается в обеспечении контроля за надежностью, стабильностью работы вакуумного туалета транспортного средства в различных климатических условиях и различных температурных диапазонах, снижение энергетических затрат и упрощение эксплуатации.
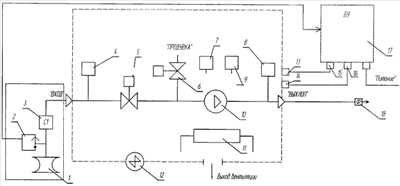
Изобретение поясняется блок-схемой, где на
чертеже изображена схема вакуумной установки, связанной с вакуумируемым приемным баком.
Установка содержит следующие конструктивные элементы: вакуумируемый приемный бак 1, сигнализатор уровня жидкости 2 (СУЖ), фильтр-сепаратор 3, датчик давления 4, электромагнитные клапаны 5 и 6, датчик температуры 7, датчик давления 8, датчик температуры 9, вакуумный насос 10, элемент нагревательный 11, вентилятор 12, разъемы соединений 13-16, блок управления (БУ) 17 и фильтр 18.
Основное назначение вакуумной установки – создание и поддержание заданного разрежения в вакуумируемом приемном баке 1 вакуумного туалета транспортного средства. СУЖ 2 контролирует от переполнения приемного бака 1 от поступающей в него жидкости. Фильтр-сепаратор 3 очищает газо-воздушную смесь от влаги и механических примесей. Датчик давления 4 контролирует разрежение в вакуумной магистрали приемного бака 1. Электромагнитный клапан 5 открывает или перекрывает по сигналу БУ 17 вакуумируемую магистраль, а электромагнитный клапан 6 обеспечивает режим продувки чистым воздухом вакуумного насоса 10. Датчик температуры 7 контролирует вакуумный насос 10 и управляется БУ 17. Датчик температуры 9 контролирует температуру воздуха внутри установки и связан с блоком управления 17, и может включать и выключать элемент нагревательный 11 и вентилятор 12 с целью поддержания оптимальной температуры внутри установки вакуумной. Датчик давления 8 контролирует давление на выходе вакуумного насоса 10 для избежания выхода его из строя и одновременно контролирует степень загрязнения выходного фильтра 18, соединенного с атмосферой.
| Общие технические данные установки вакуумной. |
| Наименование показателя. |
Значение. |
Примечание. |
| Диапазон автоматического поддержания разрежения |
0,42-0,61 бар |
В абсолютных единиц. |
На корпусе вакуумного насоса расположены разъемы для подключения кабелей от БУ 17 и два штуцера «ВХОД» и «ВЫХЛОП», а также два окна для забора воздуха из вагона (не показаны). Окно с вентилятором является выходом, а окно без вентилятора – входом. В состав вакуумного насоса 10 входят однофазный вакуумный насос мембранного типа, два электромагнитных клапана 5 и 6, два датчика температуры 7 и 9, два датчика давления 4 и 8, соединительная трубопроводная арматура (не показана), нагревательный элемент 11 и вентилятор 12. Элементы вакуумного насоса расположены на раме (не показана). Корпус покрыт термоизоляцией (не показана) для обеспечения теплового режима вакуумного насоса 10.
Формула изобретения
1. Вакуумная установка для туалета транспортного средства, содержащая корпус, вакуумный насос (10) с блоком управления (17), сигнализатор уровня жидкости (2), контролирующий ее уровень в вакуумируемом приемном баке (1), датчик давления (4), контролирующий разрежение в вакуумной магистрали, и датчик давления (8), контролирующий давление на выходе вакуумного насоса (10) и степень загрязнения выходного фильтра (18), соединенного с атмосферой, электромагнитный клапан (5), открывающий и закрывающий вакуумную магистраль по сигналу блока управления (17), и электромагнитный клапан (6), обеспечивающий режим продувки вакуумного насоса (10) по сигналу блока управления (17), контролирующего также работу вакуумного насоса (10), датчик температуры (7), контролирующий режим работы вакуумного насоса (10), вакуумная установка дополнительно содержит вентилятор (12) и нагревательный элемент (11), связанный с блоком управления (17) через датчик температуры (9), контролирующий температуру внутри вакуумной установки.
2. Вакуумная установка по п.1, отличающаяся тем, что вакуумная магистраль, связанная с приемным баком (1), снабжена фильтром-сепаратором (3), установленным после сигнализатора уровня жидкости (2).
3. Вакуумная установка по п.1, отличающаяся тем, что корпус выполнен термостатическим и покрыт термоизоляцией, обеспечивающей тепловой режим работы вакуумного насоса (10).
РИСУНКИ
|
|