|
|
(21), (22) Заявка: 2009104547/09, 10.02.2009
(24) Дата начала отсчета срока действия патента:
10.02.2009
(46) Опубликовано: 27.02.2010
(56) Список документов, цитированных в отчете о поиске:
SU 1506515 A1, 07.09.1989. SU 1483600 A1, 30.05.1989. US 5389893 A, 14.02.1995.
Адрес для переписки:
346500, Ростовская обл., г. Шахты, ул. Шевченко, 147, ЮРГУЭС, патентная служба
|
(72) Автор(ы):
Прокопенко Николай Николаевич (RU), Конев Даниил Николаевич (RU), Будяков Петр Сергеевич (RU)
(73) Патентообладатель(и):
Государственное образовательное учреждение высшего профессионального образования “Южно-Российский государственный университет экономики и сервиса” (ГОУ ВПО “ЮРГУЭС”) (RU)
|
(54) РАДИАЦИОННО СТОЙКИЙ ПРЕОБРАЗОВАТЕЛЬ “НАПРЯЖЕНИЕ – ТОК”
(57) Реферат:
Изобретение относится к области радиотехники и связи и может быть использовано в качестве устройства преобразования аналоговых сигналов, в структуре аналоговых микросхем различного функционального назначения (например, операционных усилителях, перемножителях напряжения, компараторах и т.д.). Радиационностойкий преобразователь «напряжение-ток» содержит источник сигнала (1), включенный между базами первого (1) и второго (2) входных транзисторов, первый (4) и второй (5) токостабилизирующие двухполюсники, связанные с эмиттерами соответствующих первого (2) и второго (3) входных транзисторов, масштабирующий резистор (6), включенный между эмиттерами первого (2) и второго (3) входных транзисторов, цепь нагрузки (7), связанную с коллекторами первого (2) и второго (3) входных транзисторов и первым (8) и вторым (9) токовыми выходами устройства. В схему введены первый (10) второй (11), третий (12) и четвертый (13) дополнительные транзисторы, база первого (10) дополнительного транзистора соединена с базой первого (2) входного транзистора, эмиттер первого (10) дополнительного транзистора подключен к эмиттеру первого (2) входного транзистора, база второго (11) дополнительного транзистора подключена к первому (8) токовому выходу устройства, эмиттер второго (11) дополнительного транзистора соединен с коллектором первого (10) дополнительного транзистора, коллектор второго (11) дополнительного транзистора связан с источником питания (14), база третьего (12) дополнительного транзистора соединена с базой второго (3) входного транзистора, эмиттер третьего (12) дополнительного транзистора подключен к эмиттеру второго (3) входного транзистора, база четвертого (13) дополнительного транзистора подключена ко второму (9) токовому выходу устройства, эмиттер четвертого (13) дополнительного транзистора соединен с коллектором третьего (12) дополнительного транзистора, коллектор четвертого (l3) дополнительного транзистора связан с источником питания (14). Технический результат – снижение погрешности преобразования в условиях радиации. 1 з.п. ф-лы, 9 ил.
Изобретение относится к области радиотехники и связи и может быть использовано в качестве устройства преобразования аналоговых сигналов, в структуре аналоговых микросхем различного функционального назначения (например, операционных усилителях, перемножителях напряжения, компараторах и т.д.).
Известны схемы классических преобразователей «напряжение-ток» (ПНТ) на основе дифференциальных каскадов с симметричной нагрузкой в виде резисторов (или p-n переходов) и местной отрицательной обратной связью, которые нашли широкое применение в современных аналоговых микросхемах [1-22], например смесителях и перемножителях сигналов.
Ближайшим прототипом (фиг.1) заявляемого устройства является преобразователь «напряжение-ток», описанный в патенте США 6531920, фиг.1, содержащий источник сигнала 1, включенный между базами первого 1 и второго 2 входных транзисторов, первый 4 и второй 5 токостабилизирующие двухполюсники, связанные с эмиттерами соответствующих первого 2 и второго 3 входных транзисторов, масштабирующий резистор 6, включенный между эмиттерами первого 2 и второго 3 входных транзисторов, цепь нагрузки 7, связанную с коллекторами первого 2 и второго 3 входных транзисторов и первым 8 и вторым 9 токовыми выходами устройства.
Существенный недостаток известного устройства состоит в том, что погрешность его преобразования входного напряжения uвх в выходной ток (I8, I9) зависит от численных значений коэффициента усиления по току базы ( ) входных транзисторов, который уменьшается в 5÷10 раз при воздействии потока нейтронов (F) и по литературным источникам при F=1013÷1014 n/с·см2 для биполярных n-p-n транзисторов достигает значения min=5÷10.
Основная цель предлагаемого изобретения состоит в снижении ошибки преобразования входного напряжения в выходной ток в условиях радиации. Это позволяет создавать на базе таких ПНТ прецизионные аналоговые перемножители сигналов, например для систем СВЧ-связи.
Поставленная цель достигается тем, что в известном преобразователе фиг.1, содержащем источник сигнала 1, включенный между базами первого 1 и второго 2 входных транзисторов, первый 4 и второй 5 токостабилизирующие двухполюсники, связанные с эмиттерами соответствующих первого 2 и второго 3 входных транзисторов, масштабирующий резистор 6, включенный между эмиттерами первого 2 и второго 3 входных транзисторов, цепь нагрузки 7, связанную с коллекторами первого 2 и второго 3 входных транзисторов и первым 8 и вторым 9 токовыми выходами устройства, предусмотрены новые элементы и связи – в схему введены первый 10, второй 11, третий 12 и четвертый 13 дополнительные транзисторы, база первого 10 дополнительного транзистора соединена с базой первого 2 входного транзистора, эмиттер первого 10 дополнительного транзистора подключен к эмиттеру первого 2 входного транзистора, база второго 11 дополнительного транзистора подключена к первому 8 токовому выходу устройства, эмиттер второго 11 дополнительного транзистора соединен с коллектором первого 10 дополнительного транзистора, коллектор второго 11 дополнительного транзистора связан с источником питания 14, база третьего 12 дополнительного транзистора соединена с базой второго 3 входного транзистора, эмиттер третьего 12 дополнительного транзистора подключен к эмиттеру второго 3 входного транзистора, база четвертого 13 дополнительного транзистора подключена ко второму 9 токовому выходу устройства, эмиттер четвертого 13 дополнительного транзистора соединен с коллектором третьего 12 дополнительного транзистора, коллектор четвертого 13 дополнительного транзистора связан с источником питания 14.
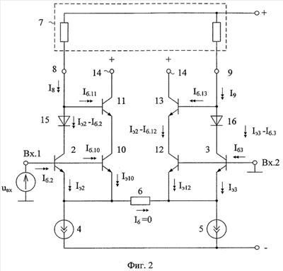
На фиг.1 представлена схема устройства-прототипа. Схема заявляемого устройства и ее статические токи показаны на фиг.2.
На фиг.3 показана схема фиг.2 и приращения токов, вызванные входным сигналом.
На фиг.4 показана схема фиг.2 для случая, когда транзисторы 2 и 10, а также 3 и 12 выполнены в виде двухколлекторных транзисторов с общей эмиттерной цепью.
На фиг.5 показана схема преобразователя «напряжение-ток», в котором за счет дополнительных дифференциальных каскадов 17 и 18 введена отрицательная обратная связь, что обеспечивает дальнейшее повышение точки преобразования
uвх в iвых схемы фиг.2.
На фиг.6 приведена схема ПНТ-прототипа в среде компьютерного моделирования PSpice на моделях интегральных транзисторов ФГУП НПП «Пульсар».
На фиг.7 приведена схема заявляемого устройства в среде компьютерного моделирования PSpice на моделях интегральных транзисторов ФГУП НПП «Пульсар».
Результаты компьютерного моделирования схем фиг.6 и 7 приведены на фиг.8 и 9. При этом на фиг.8 =40, а на фиг.9 =4.
Преобразователь «напряжение-ток» фиг.2 содержит входной источник сигнала 1, включенный между базами первого 1 и второго 2 входных транзисторов, первый 4 и второй 5 токостабилизирующие двухполюсники, связанные с эмиттерами соответствующих первого 2 и второго 3 входных транзисторов, масштабирующий резистор 6, включенный между эмиттерами первого 2 и второго 3 входных транзисторов, цепь нагрузки 7, связанную с коллекторами первого 2 и второго 3 входных транзисторов и первым 8 и вторым 9 токовыми выходами устройства. В схему введены первый 10, второй 11, третий 12 и четвертый 13 дополнительные транзисторы, база первого 10 дополнительного транзистора соединена с базой первого 2 входного транзистора, эмиттер первого 10 дополнительного транзистора подключен к эмиттеру первого 2 входного транзистора, база второго 11 дополнительного транзистора подключена к первому 8 токовому выходу устройства, эмиттер второго 11 дополнительного транзистора соединен с коллектором первого 10 дополнительного транзистора, коллектор второго 11 дополнительного транзистора связан с источником питания 14, база третьего 12 дополнительного транзистора соединена с базой второго 3 входного транзистора, эмиттер третьего 12 дополнительного транзистора подключен к эмиттеру второго 3 входного транзистора, база четвертого 13 дополнительного транзистора подключена ко второму 9 токовому выходу устройства, эмиттер четвертого 13 дополнительного транзистора соединен с коллектором третьего 12 дополнительного транзистора, коллектор четвертого 13 дополнительного транзистора связан с источником питания 14.
В схеме фиг.2, в соответствии с п.2 формулы изобретения, цепь нагрузки 7 связана с коллекторами первого 2 и второго 3 входных транзисторов через первый 15 и второй 16 р-n переходы.
В схеме фиг.5 за счет введения дифференциальных каскадов 17 и 18 обеспечивается минимизация влияния сопротивлений эмиттера и базы транзисторов 2, 10 и 3, 12 на погрешность преобразования uвх в выходной ток.
Рассмотрим работу заявляемого устройства фиг.2 в статическом режиме, а затем схемы фиг.3 на переменном токе.
В схеме фиг.2 при uвх=0 выходные токи I8 и I9 складываются из нескольких составляющих


где Iэ.i(Iб.i) – статический ток эмиттера (ток базы) i-го транзистора.
Причем


где i – статический коэффициент усиления по току базы i-го транзистора;
I4, I5 – токи двухполюсников 4 и 5.
Таким образом, с учетом (3) можно найти


Из (4) и (5) следует, что существенная (но идентичная) деградация транзисторов 11 и 2, 13 и 3 не приводит к дополнительной статической ошибке I преобразования uвх в токи I8 и I9


где 
 
В ПНТ-прототипе фиг.1


Если принять, что при повышенной радиации транзисторов уменьшается ( 2= 3=10), то относительная ошибка преобразования в ПНТ фиг.1 достигает 10%, а в заявляемом устройстве как минимум на порядок меньше.
Аналогичные выводы о погрешности преобразования uвх на переменном токе можно сделать в результате анализа схемы фиг.3, для которой при R6»rэ2 rэ3 переменные составляющие выходных токов


где 
R6 – сопротивление резистора 6;
– сопротивления эмиттерных переходов транзисторов 2 и 3.
Таким образом, переменные токи выходов 8 и 9


Следовательно, относительная погрешность крутизны преобразования uвх в iвых в схеме фиг.3 получается достаточно малой


Полученные выше теоретические выводы совпадают с результатами компьютерного моделирования схемы фиг.7 – абсолютная погрешность преобразования тока через резистор 6, пропорционального uвх, в выходной ток предлагаемого ПНТ в 7-10 раз меньше, чем в ПНТ-прототипе. При этом эффект воздействия радиации в схемах моделировался существенным снижением транзисторов (фиг.8 – =40, фиг.9 – =4).
В частном случае коллекторы транзисторов 11 и 13 могут быть использованы как дополнительные токовые выходы ПНТ.
БИБЛИОГРАФИЧЕСКИЙ СПИСОК
1. Патент США 5666888.
2. Патент США 5767741.
3. Патентная заявка 20020053935.
4. Патент США 5550.512.
5. Патент США 5256984.
6. Патент США 4439696.
7. А.св. СССР 600545.
8. Патент США 5389893.
9. Патент США 5914639.
10. Патент США 5521544.
11. Патент США 4721920.
12. Патентная заявка 20040251965 А1.
13. Патент США 5065112.
14. Патент США 5521544.
15. Патент США 4288707.
16. Патент США 5774020.
17. Патент США 4498053.
18. Патент США 5610547, фиг.19.
19. Патент США 6369618, фиг.2.
20. Патент США 6111463, фиг.1.
21. Патент США 5610547.
22. Патент США 4385364.
Формула изобретения
1. Радиационно стойкий преобразователь «напряжение – ток», содержащий источник сигнала (1), включенный между базами первого (1) и второго (2) входных транзисторов, первый (4) и второй (5) токостабилизирующие двухполюсники, связанные с эмиттерами соответствующих первого (2) и второго (3) входных транзисторов, масштабирующий резистор (6), включенный между эмиттерами первого (2) и второго (3) входных транзисторов, цепь нагрузки (7), связанную с коллекторами первого (2) и второго (3) входных транзисторов и первым (8) и вторым (9) токовыми выходами устройства, отличающийся тем, что в схему введены первый (10), второй (11), третий (12) и четвертый (13) дополнительные транзисторы, база первого (10) дополнительного транзистора соединена с базой первого (2) входного транзистора, эмиттер первого (10) дополнительного транзистора подключен к эмиттеру первого (2) входного транзистора, база второго (11) дополнительного транзистора подключена к первому (8) токовому выходу устройства, эмиттер второго (11) дополнительного транзистора соединен с коллектором первого (10) дополнительного транзистора, коллектор второго (11) дополнительного транзистора связан с источником питания (14), база третьего (12) дополнительного транзистора соединена с базой второго (3) входного транзистора, эмиттер третьего (12) дополнительного транзистора подключен к эмиттеру второго (3) входного транзистора, база четвертого (13) дополнительного транзистора подключена ко второму (9) токовому выходу устройства, эмиттер четвертого (13) дополнительного транзистора соединен с коллектором третьего (12) дополнительного транзистора, коллектор четвертого (13) дополнительного транзистора связан с источником питания (14).
2. Устройство по п.1, отличающееся тем, что цепь нагрузки (7) связана с коллекторами первого (2) и второго (3) входных транзисторов через первый (15) и второй (16) p-n-переходы.
РИСУНКИ
|
|