|
|
(21), (22) Заявка: 2008110329/09, 20.03.2008
(24) Дата начала отсчета срока действия патента:
20.03.2008
(43) Дата публикации заявки: 27.09.2009
(46) Опубликовано: 27.02.2010
(56) Список документов, цитированных в отчете о поиске:
RU 2262794 C1, 20.10.2005. SU 921008 A1, 15.04.1982. SU 1791949 A1 30.01.1993. GB 2256100 A, 25.11.1998. US 4039914 A, 02.08.1977. US 2004155623 A1, 12.08.2004. WO 8801450 A1, 25.02.1988.
Адрес для переписки:
117036, Москва, ул. Шверника, 4, генеральному директору ООО “ТЭКОмаш”, В.А. Зоркину
|
(73) Патентообладатель(и):
Общество с ограниченной ответственностью “ТЭКОмаш” (RU)
|
(54) ЧАСТОТНО-УПРАВЛЯЕМЫЙ ПРИВОД ДЛЯ ЦЕНТРИФУГИ ПО РАЗДЕЛЕНИЮ МНОГОКОМПОНЕНТНЫХ СМЕСЕЙ С ВЫВОДОМ ДВУХ ЖИДКИХ И ОДНОЙ ТВЕРДОЙ ФРАКЦИЙ
(57) Реферат:
Изобретение относится к области электротехники и может быть использовано в химической, горнорудной, нефтеперерабатывающей, пищевой, микробиологической и других отраслях промышленности. Техническим результатом является повышение надежности работы в режиме длительного динамического торможения и повышение эффективности разделения многокомпонентных смесей и качества выводимых из центрифуги жидких фракций путем снижения концентрации каждой из жидких фракций в другой жидкой фракции, частотно-управляемый привод центрифуги обеспечивает разгон и торможение двух асинхронных короткозамкнутых электродвигателей ротора центрифуги (главный привод) и ее шнека для разгрузки твердой фракции (кека) с учетом повышенной вибрации и резонансных явлений. В течение длительного частотно-динамического торможения обеспечивается своевременный переход электродвигателя шнека в реверсивное вращение для полного удаления из ротора центрифуги твердой фракции и своевременное отключение датчиков плотности двух жидких фракций, которые управляют регулируемыми клапанами в напорном режиме основной работы центрифуги. 3 з.п. ф-лы, 2 ил.
Изобретение относится к автоматическому управлению электроприводом центробежных машин, например центрифуги с большим маховым моментом, и может быть использовано в химической, горнорудной, нефтеперерабатывающей, пищевой, микробиологической и других отраслях промышленности.
Известен частотно-управляемый электропривод центрифуг, содержащий преобразователь частоты, к которому подключен двигатель, тормозной резистор, соединенный с двигателем через шунтирующий тиристор (Власов В.Г. и др. Взрывозащищенный тиристорный электропривод переменного тока. М.: «Энергия», 1977, с.52-57, рис.2-16).
Недостатком указанного привода центрифуг является то, что для перевода двигателя в режим динамического торможения снимаются управляющие импульсы с части силовых тиристоров и дополнительно включается шунтирующий тиристор. Это требует в схеме управления обеспечения необходимой задержки времени между отключением части силовых тиристоров и включением шунтирующего тиристора, чтобы предотвратить короткое замыкание. Эффективность динамического торможения при этом снижается из-за использования только части обмоток двигателя.
Наиболее близким по технической сущности к изобретению является частотно-управляемый электропривод (патент РФ 1096744 А, кл. Н02Р 3/22, 07.06.84, бюл. 21), содержащий асинхронный короткозамкнутый электродвигатель, преобразователь частоты, который состоит из выпрямителя напряжения сети, инвертора, выход которого подключен к обмоткам электродвигателя, а вход инвертора через силовой фильтр с выходом нереверсивного управляемого выпрямителя, систему управления инвертором и выпрямителем, блок вентилей обратного тока, цепь динамического торможения, состоящую из последовательно соединенных регулируемого тормозного резистора и контактора, и импульсно-аналоговый преобразователь для прерывания тока в тормозном резисторе.
Недостаток известного устройства состоит в том, что при использовании его в приводах, например для центрифуг, сепараторов и барабанных фильтров, не обеспечивается надежность при длительном режиме частотно-динамического торможения, поскольку в тормозном режиме в инверторе на тиристорах (семисторах или силовых триодах) коммутируется не только ток намагничевания, но и ток резистора цепи динамического торможения, этот значительный ток, равный номинальному или больше (150%) номинала при быстром торможении, в сумме с током намагничивания может привести к пробою тиристоров (силовых триодов или семисторов) инвертора.
Цель изобретения – повышение надежности работы в режиме длительного динамического торможения электропривода, повышение эффективности разделения смеси и качества выводимых из центрифуги жидких фракций путем снижения концентрации каждой из жидких фракций в другой жидкой фракции.
Данная задача решается тем, что в устройство введены два диода, а цепь динамического торможения подключена к выводам постоянного тока блока вентилей обратного тока, связанным через указанные диоды, включенные в прямом направлении протекания тока блока вентилей обратного тока, со входом инвертора преобразователя частоты, при этом привод обеспечивает вращение двух асинхронных короткозамкнутых электродвигателей ротора центрифуги и ее шнека, который при длительном частотно-динамическом торможении автоматически от блока управления и датчиков плотности двух жидких фракций переводится в реверсивный режим вращения.
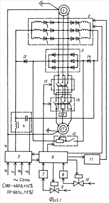
На фиг.1 показана комбинированная блок-схема электропривода. Схема содержит асинхронный короткозамкнутый электродвигатель 1 ротора центрифуги (главный привод), подсоединенный к выходу инвертора 2 преобразователя частоты (показаны основные элементы без междуфазных конденсаторов) с блоком 3 вентилей обратного тока (показан упрощенно). Вход инвертора 2 через сглаживающий фильтр 4 подключен к выходу выпрямителя 5 напряжения сети. Блок управления 6 подключен к управляющим входам инвертора 2 и выпрямителя 5, а также к блоку защиты 11 и блоку динамического торможения 12, датчикам плотности 7 и 8 соответственно легкой жидкой фракции и тяжелой жидкой фракции, которые в свою очередь подключены к управляющим клапанам 9 и 10. Диоды 13 и 14 соединяют входы инвертора 2 с блоком вентилей обратного тока 3, а выходы инвертора 2 и блока 3 соединены через магнитные пускатели 15 и 16 с синхронным короткозамкнутым электродвигателем 17 привода шнека центрифуги. Также показано реле номинального тока 18 в фазе электродвигателя 17 от перегрузок при прямом пуске и реверсе.
Частотно-управляемый электропривод для центрифуги по разделению многокомпонентных смесей с выводом двух жидких и одной твердой фракций работает следующим образом. Подлежащая разделению смесь подается во вращающийся ротор центрифуги после разгона двигателя 1 до номинальной частоты вращения, при этом с блока управления 6 подается сигнал на включение магнитного пускателя 15 для прямого пуска двигателя 17 шнека центрифуги, который выгружает осадок (твердую фазу). Одновременно с блока управления 6 подаются сигналы на управляемые клапаны 9 и 10 в зависимости от показаний датчиков плотности 7 и 8 соответственно легкой жидкой и тяжелой жидкой фракций для обеспечения эффективного разделения смеси. При длительном частотно-динамическом торможении по заданному закону, другим сигналом от блока управления 6 включается блок динамического торможения 12. Электродвигатели 1 и 17 переходят в генераторный режим. Одновременно в ротор центрифуги не подается многокомпонентная смесь и за счет датчиков плотности 7 и 8 закрываются клапаны 9 и 10, а двигатель 17 включается магнитным пускателем 16 в реверсивное вращение, что обеспечивает полное удаление твердой фазы (кека) из ротора. Длительное торможение обеспечивается тем, что энергия генераторного режима через блок вентилей обратного тока 3 выделяется на резисторе блока динамического торможения 12 и подзаряжает конденсатор сглаживающего фильтра 4, не создавая перенапряжений. Инвертор 2 коммутирует с соответствующей частотой только ток намагничивания двигателей 1 и 17 благодаря диодам 13 и 14, которые отсекают токи, коммутируемые в инверторе 2 от блока 12. Промывка центрифуги до регламентной остановки для замены смазки осуществляется при номинальных частотах вращения двигателей 1 и 17 с отключением датчиков плотности 7 и 8, а также при закрытом клапане 9 легкой жидкой фракции. В аварийных ситуациях, например, при понижении давления ниже допустимого инертного газа, подаваемого под кожух центрифуги, подача многокомпонентной смеси прекращается, привод обесточивается, датчики плотности 7 и 8 отключаются, а клапаны 9 и 10 открываются. Перед профилактической остановкой центрифуга промывается и ее управление переводится в наладочный режим, при котором все включения и отключения двигателей 1 и 17, а также клапанов 9 и 10 осуществляются только по месту.
Реле номинального тока 18 в фазе двигателя шнека имеет размыкающие контакты в цепях пуска шнека при прямом вращении и при реверсе, которые блокируются на время установления номинального тока двигателя шнека 17.
Блок управления 6 обеспечивает скачки частот, как показано на фиг.2, при разгоне и торможении основного двигателя 1 ротора центрифуги для исключения явлений повышенной вибрации или резонанса.
Формула изобретения
1. Частотно-управляемый электропривод для центрифуги по разделению многокомпонентых смесей с выводом двух жидких и одной твердой фракций, содержащий асинхронный короткозамкнутый электродвигатель ротора центрифуги, асинхронный короткозамкнутый электродвигатель шнека центрифуги, преобразователь частоты, выполненный на выпрямителе напряжения сети, инверторе, вход которого через силовой фильтр связан с выходом выпрямителя и системой управления инвертором и выпрямителем, а выход инвертора подключен к обмоткам двух асинхронных короткозамкнутых электродвигателей, и блок вентилей обратного тока, выводы по переменному току которого подключены к выходу инвертора, цепь динамического торможения, состоящую из последовательно соединенных регулируемого резистора и контактора, отличающийся тем, что при длительном режиме частотно-динамического торможения двух асинхронных короткозамкнутых электродвигателей в него введены два диода, а цепь динамического торможения подключена к выводам постоянного тока блока вентилей обратного тока, которые через указанные диоды, включенные в прямом направлении протекания тока блока вентилей обратного тока, связаны с входом инвертора преобразователя частоты.
2. Частотно-управляемый электропривод по п.1, отличающийся тем, что к блоку управления подключены датчики плотности легкой и тяжелой жидких фракций центрифуги для регулирования в напорных режимах клапанов вывода этих фракций, при этом с отключением подачи многокомпонентной смеси в ротор центрифуги при длительном динамическом торможении и закрытии регулируемых клапанов жидких фракций осуществляется реверс асинхронного короткозамкнутого электродвигателя шнека центрифуги.
3. Частотно-управляемый электропривод по п.1 или 2, отличающийся тем, что реле номинального тока в фазе двигателя шнека и размыкающие контакты этого реле в цепях прямого пуска и реверса шнека блокируются на время установления номинального тока этого двигателя.
4. Частотно-управляемый электропривод по п.1 или 2, отличающийся тем, что при разгоне и торможении частоты, на которых наблюдается повышенная вибрация или резонансные явления, вырезаются за счет скачка набора частоты при пуске и скачка частоты при торможении.
РИСУНКИ
|
|