Патент на изобретение №2382936

Published by on




РОССИЙСКАЯ ФЕДЕРАЦИЯ



ФЕДЕРАЛЬНАЯ СЛУЖБА
ПО ИНТЕЛЛЕКТУАЛЬНОЙ СОБСТВЕННОСТИ,
ПАТЕНТАМ И ТОВАРНЫМ ЗНАКАМ
(19) RU (11) 2382936 (13) C2
(51) МПК

F22B1/18 (2006.01)

(12) ОПИСАНИЕ ИЗОБРЕТЕНИЯ К ПАТЕНТУ

Статус: по данным на 27.10.2010 – действует

(21), (22) Заявка: 2007134409/06, 10.02.2006

(24) Дата начала отсчета срока действия патента:

10.02.2006

(30) Конвенционный приоритет:

16.02.2005 EP 05003268.9

(43) Дата публикации заявки: 27.03.2009

(46) Опубликовано: 27.02.2010

(56) Список документов, цитированных в отчете о
поиске:
ЕР 0936404 А2, 18.08.1999. ЕР 0848207 А2, 15.12.1997. ЕР 1398564 A1, 10.09.2002. US 4685426 A, 11.08.1987. US 6189491 A, 20.02.2001. SU 311087 A, 21.10.1971. US 3789806 A, 05.02.1974.

(85) Дата перевода заявки PCT на национальную фазу:

17.09.2007

(86) Заявка PCT:

EP 2006/050851 20060210

(87) Публикация PCT:

WO 2006/087299 20060824

Адрес для переписки:

103735, Москва, ул.Ильинка, 5/2, ООО”Союзпатент”, А.А.Силаевой

(72) Автор(ы):

БРЮКНЕР Ян (DE),
ФРАНКЕ Йоахим (DE),
КРАЛЬ Рудольф (DE)

(73) Патентообладатель(и):

СИМЕНС АКЦИЕНГЕЗЕЛЛЬШАФТ (DE)

(54) ПАРОГЕНЕРАТОР ГОРИЗОНТАЛЬНОГО ТИПА

(57) Реферат:

Изобретение предназначено для нагрева пара и может быть использовано в энергетике. В протекаемом приблизительно в горизонтальном направлении топочного газа канале топочного газа расположена испарительная прямоточная поверхность нагрева парогенератора. Испарительная поверхность содержит множество параллельно включенных для прохождения текучей среды парогенераторных труб с множеством подключенных на стороне текучей среды после некоторых парогенераторных труб выходных коллекторов. Выходной коллектор или каждый выходной коллектор соответственно содержит интегрированный водоотделительный элемент, через который соответствующий выходной коллектор на стороне пара соединен с множеством подключенных после него перегревательных труб перегревательной поверхности нагрева. Изобретение обеспечивает уменьшение затрат на изготовление парогенератора, а также высокую эксплуатационную гибкость в режиме запуска и режиме слабой нагрузки. 10 з.п. ф-лы, 1 ил.

Изобретение относится к парогенератору, в котором в канале топочного газа, протекаемом топочным газом приблизительно в горизонтальном направлении, расположена испарительная прямоточная поверхность нагрева, которая содержит множество включенных параллельно для протекания текучей среды парогенераторных труб с множеством подключенных после некоторых парогенераторных труб на стороне текучей среды выходных коллекторов.

В случае парогазотурбинной установки тепло, содержащееся в расширенной рабочей среде или топочном газе из газовой турбины, используют для производства пара для паровой турбины. Теплопередача происходит во включенном после газовой турбины парогенераторе на отходящем тепле (котле-утилизаторе), в котором обычно расположено множество поверхностей нагрева для подогрева воды, для производства пара и для перегрева пара. Поверхности нагрева включены в пароводяной контур паровой турбины. Пароводяной контур охватывает обычно несколько, например три ступени давления, причем каждая ступень давления может содержать испарительную поверхность нагрева.

Для парогенератора, подключенного после газовой турбины на стороне топочного газа в качестве парогенератора на отходящем тепле, принимаются во внимание многие альтернативные концепции расчета, а именно расчет в виде прямоточного парогенератора или расчет в виде парогенератора с принудительной циркуляцией. В прямоточном парогенераторе нагрев парогенераторных труб, предусмотренных в качестве испарительных труб, приводит к испарению текучей среды в парогенераторных трубах за одноразовый проход. В противоположность этому в парогенераторе с естественной или принудительной циркуляцией вода, направляемая в контуре, испаряется при одном проходе через испарительные трубы только частично. Не испарившуюся при этом воду после отделения выработанного пара снова подводят к тем же самым испарительным трубам для дальнейшего испарения.

Прямоточный парогенератор в противоположность парогенератору с естественной или принудительной циркуляцией не подлежит никакому ограничению давления, так что он может быть рассчитан для давлений свежего пара значительно выше критического давления воды (Pkri221 бар), где не существует никакого различия фаз вода и пар и тем самым также невозможно никакого разделения фаз. Высокое давление свежего пара способствует достижению высокого теплового коэффициента полезного действия и тем самым низких эмиссий CO2 электростанции, работающей на ископаемом топливе. Кроме того, прямоточный парогенератор по сравнению с парогенератором с принудительной циркуляцией имеет простую конструкцию и таким образом может изготавливаться с особенно низкими затратами. Применение парогенератора, рассчитанного по прямоточному принципу, в качестве парогенератора на отходящем тепле парогазотурбинной установки является поэтому особенно выгодным для достижения высокого общего коэффициента полезного действия парогазотурбинной установки при простой конструкции.

Особенные преимущества относительно затрат на изготовление, но также и относительно необходимых работ по техническому обслуживанию предлагает парогенератор на отходящем тепле горизонтального типа конструкции, в котором нагревательная среда или топочный газ, то есть отходящий газ из газовой турбины, проходит через парогенератор в приблизительно горизонтальном направлении потока. Подобный парогенератор, который при расчете в виде прямоточного парогенератора со сравнительно малыми строительными и конструктивными затратами имеет особенно высокую степень стабильности потока, является известным, например, из WO 2004/025176 А1. Этот парогенератор имеет испарительную прямоточную поверхность нагрева, которая содержит множество включенных параллельно для протекания текучей среды парогенераторных труб или испарительных труб. Чтобы при этом между расположенными при рассмотрении в направлении топочного газа друг за другом испарительными трубами обеспечить гомогенизацию и стабильность условий потока, этот прямоточный парогенератор имеет множество включенных после испарительной прямоточной поверхности нагрева выходных коллекторов, которые ориентированы своим продольным направлением в основном параллельно к направлению топочного газа и тем самым принимают текучую среду, вытекающую из расположенных при рассмотрении в направлении топочного газа друг за другом и тем самым различно нагретых испарительных труб. Эти выходные коллекторы испарительной прямоточной поверхности нагрева служат равным образом в качестве входного распределителя для включенной после них перегревательной поверхности нагрева.

В общем прямоточный парогенератор в режиме слабой нагрузки или при запуске эксплуатируют с минимальным потоком текучей среды в испарительных трубах, чтобы обеспечить надежное охлаждение испарительных труб и чтобы избежать возможного парообразования в подогревательной поверхности нагрева, включенной на стороне текучей среды перед испарительной прямоточной поверхностью нагрева. Этот минимальный поток в режиме запуска или в режиме слабой нагрузки не испаряют полностью в испарительных трубах так, что при подобном виде эксплуатации на конце испарительных труб имеется еще не испаренная текучая среда. Другими словами, при этом виде эксплуатации из испарительных труб выходит пароводяная смесь. Конечно, распределение подобной пароводяной смеси на обычно включенные после испарительных труб перегревательные трубы в прямоточном парогенераторе является, как правило, невозможным; обычно предусмотренное распределение предполагает, что подлежащая распределению текучая среда содержит исключительно паровые составляющие. Поэтому, как правило, при режиме запуска или в режиме слабой нагрузки прямоточного парогенератора на выходе испарительной прямоточной поверхности нагрева требуется разделение воды и пара, которое происходит, как правило, в так называемых циклонных сепараторах.

Обусловленное типом конструкции проточное питание этих циклонных сепараторов водой является возможным только условно. Могущая быть использованной для испарения поверхность нагрева должна таким образом лежать при рассмотрении в направлении потока текучей среды перед сепараторами и является тем самым ограниченной. Из этого следует, что температуру свежего пара можно регулировать только в узких пределах за счет количества питательной воды, причем для большего диапазона регулирования требуются, как правило, впрыскивающие пароохладители. Связанное с этими аспектами ограничение эксплуатационной гибкости обуславливает наряду с высокими аппаратурными затратами обычно, как правило, нежелательно длинные времена запуска и времена реакции при изменениях нагрузки прямоточного парогенератора в режиме слабой нагрузки.

В основе изобретения поэтому лежит задача указания прямоточного парогенератора вышеназванного вида, который при поддерживаемых малыми затратах на изготовление также в режиме запуска или в режиме слабой нагрузки позволяет иметь особенно высокую эксплуатационную гибкость и тем самым, в частности, также поддерживаемые малыми времена пуска и изменения нагрузки.

Эта задача решается согласно изобретению за счет того, что выходной коллектор или каждый выходной коллектор соответственно содержит интегрированный водоотделительный элемент, через который соответствующий выходной коллектор на стороне текучей среды связан с множеством подключенных перегревательных труб перегревательной поверхности нагрева.

Изобретение исходит при этом из рассуждения, что для достижения особенно высокой эксплуатационной гибкости также в режиме пуска в действие или в режиме слабой нагрузки для целей испарения должна бы быть использована особенно высокая доля имеющихся в целом в распоряжении поверхностей нагрева. При этом, в частности, нужно также иметь возможность привлекать для испарения текучей среды в случае необходимости, то есть как раз для целей пуска или слабой нагрузки перегревательную поверхность нагрева, подключенную после испарительной прямоточной поверхности нагрева. Соответственно этому конечная точка испарения должна бы быть смещаемой в перегревательную поверхность нагрева. Чтобы сделать это возможным, переходная область между испарительной прямоточной поверхностью нагрева и последующей перегревательной поверхностью нагрева должна бы быть рассчитана так, чтобы было возможным запитывание воды в перегревательную поверхность нагрева. В связи с проблемами распределения, обычно сопровождающими проточное запитывание воды, водоотделительная система, включенная между испарительной прямоточной поверхностью нагрева и перегревательной поверхностью нагрева, поэтому должна быть рассчитана так, чтобы сложное распределение не требовалось. Это может быть достигнуто за счет того, что водоотделительная система в отличие от обычно предусмотренного централизованного разделения воды и пара выполнена децентрализованной, причем функция отделения интегрирована по группам труб во множество параллельно включенных, приданных в соответствие отдельным группам труб конструктивных элементов. Для этого предусмотрены так или иначе обусловленные конструктивным выполнением, приданные в соответствие только небольшому количеству испарительных труб, ориентированные своим продольным направлением в направлении топочного газа выходные коллекторы.

Предпочтительным образом выходные коллекторы рассчитаны при этом на необходимое отделение воды и пара по принципу инерционной сепарации. При этом используют знание, что вследствие значительных инерционных различий между паром, с одной стороны, и водой, с другой стороны, паровая составляющая пароводяной смеси в имеющемся потоке может подвергаться отклонению значительно легче, чем водяная составляющая. Как раз при интегрировании функции водоотделения в выходной коллектор или в выходные коллекторы это можно реализовывать особенно простым образом за счет того, что предпочтительным образом соответствующий выходной коллектор выполнен в основном в виде цилиндрического тела, которое на своем не соединенном с парогенераторными трубами конце соединено с водоотводящим отрезком трубы.

При этом в дальнейшей предпочтительной форме выполнения от соответствующего цилиндрического тела или от соответствующего водоотводящего отрезка трубы ответвляется выходной отрезок трубы для текучей среды, который соединен с множеством подключенных перегревательных труб. В этой форме выполнения снабженный интегрированной функцией водоотделения выходной коллектор тем самым в основном выполнен в виде Т-образной детали, в которой цилиндрическое тело образует протекаемый в основном прямолинейно канал, в котором вследствие своей сравнительно высокой инерционности предпочтительно направляется водяная составляющая текучей среды. От этого канала ответвляется выходной отрезок трубы, в который вследствие своей сравнительно малой инерционности предпочтительно отклоняется паровая составляющая текучей среды.

Предпочтительным образом выходные коллекторы – при рассмотрении сверху – ориентированы своим продольным направлением в основном параллельно к направлению топочного газа так, что они принимают текучую среду, вытекающую из расположенных друг за другом при рассмотрении в направлении топочного газа и тем самым различно нагретых испарительных труб. При рассмотрении в боковом направлении выходные коллекторы могут быть ориентированы также в основном параллельно к направлению топочного газа. Особенно высокое сепарирующее действие является достижимым за счет того, что выходной коллектор с интегрированной функцией отделения предпочтительным образом рассчитан так, что водяная составляющая текучей среды, с одной стороны, предпочтительно направляется на противоположной ответвленному выходному отрезку трубы внутренней стенке цилиндрического тела и, с другой стороны, поддерживается отведение воды. Для этого цилиндрическое тело и/или водоотводящий отрезок трубы предпочтительным образом расположен своим продольным направлением относительно горизонтали при рассмотрении в направлении потока текучей среды наклоненным вниз. Наклон может быть при этом также выражен сравнительно сильно так, что цилиндрическое тело в основном ориентировано вертикально. При этом названная инерционная сепарация еще дополнительно поддерживается за счет действия силы тяжести на водяную составляющую текучей среды, текущей в цилиндрическом теле.

Особенно простая конструкция относительно направления потока отделенной воды может быть достигнута за счет того, что некоторые или все водоотделительные элементы на стороне выхода воды соединены группами соответственно с общим выходным коллектором, после которого, со своей стороны, в дальнейшей предпочтительной форме выполнения включен водосборный бак.

При разделении воды и пара в водоотделительной системе можно отделять или почти всю водяную составляющую так, что на последующие перегревательные трубы еще передается только испаренная текучая среда. В этом случае конечная точка испарения лежит или еще в испарительных трубах или фиксирована в самой водоотделительной системе. Альтернативно, однако, можно отделять также только часть поступающей воды, причем оставшаяся еще не испаренная текучая среда вместе с испаренной текучей средой передается в последующие перегревательные трубы. В этом случае, который имеет значение, в частности, при наложении дополнительной циркуляции на собственный поток среды в режиме слабой нагрузки или в режиме пуска, конечная точка испарения смещается в перегревательные трубы.

В названном последним случае, обозначаемом также как перепитка отделительного устройства, сначала полностью заполняют водой подключенные после водоотделительных элементов на стороне воды компоненты, как, например, выходной коллектор или водосборный бак так, что при все еще притекающей воде в соответствующих частях линии образуется обратный подпор. Как только этот подпор достигает водоотделительные элементы, по крайней мере, частичный поток вновь притекающей воды вместе с направляемым в потоке текучей среды паром передается дальше на последующие перегревательные трубы. По объему этот частичный поток соответствует при этом количеству воды, которое не может быть принято компонентами, подключенными после водоотделительных элементов на стороне воды. Чтобы в этом режиме работы так называемой перепитки отделительной системы обеспечить особенно высокую эксплуатационную гибкость, предпочтительным образом в подключенную к водосборному баку сливную линию введен установочный вентиль, управляемый через соответствующее регулирующее устройство. Регулирующее устройство является при этом предпочтительным образом нагружаемым входным значением, характеристическим для энтальпии текучей среды на выходе на стороне пара перегревательной поверхности нагрева, подключенной после водоотделительной системы.

С помощью подобной системы в режиме работы перепитанной отделительной системы посредством нацеленного управления вентилем, включенным в сливную линию водосборного бака, можно регулировать массопоток, вытекающий из водосборного бака. Так как последний заменяют соответствующим массопотоком воды из водоотделительных элементов, таким образом является настраиваемым также массовый поток, который попадает из водоотделительных элементов в коллекторную систему. Тем самым в свою очередь является настраиваемым также остаточный частичный поток, который вместе с паром передается дальше в перегревательные трубы так, что за счет соответствующего регулирования этого частичного потока, например, на конце подключенной перегревательной поверхности нагрева можно поддерживать заданную энтальпию. Альтернативно или дополнительно можно воздействовать на переданный вместе с паром на перегревательные трубы частичный поток воды путем соответствующего управления наложенной циркуляции. Для этого в последующей или альтернативной предпочтительной форме выполнения через регулирующее устройство является управляемым присвоенный испарительным трубам циркуляционный насос.

Предпочтительным образом снабженный соответственно интегрированной водоотделительной функцией выходной коллектор рассчитан на использование силы тяжести для облегчения отведения отделенной воды. Для этого выходной коллектор или каждый выходной коллектор расположен предпочтительным образом выше канала топочного газа.

Особенно высокая эксплуатационная стабильность парогенератора является достижимой за счет того, что испарительная прямоточная поверхность нагрева является рассчитанной на самостабилизирующее поведение потока при появляющихся различиях нагрева между отдельными парогенераторными трубами прямоточной поверхности нагрева. Это является достижимым за счет того, что испарительная прямоточная поверхность нагрева в особенно предпочтительном выполнении рассчитана таким образом, что более нагретая по сравнению со следующей парогенераторной трубой той же самой прямоточной поверхности нагрева парогенераторная труба имеет по сравнению с другой парогенераторной трубой более высокий расход текучей среды. Рассчитанная таким образом испарительная прямоточная поверхность нагрева проявляет тем самым по типу характеристики потока испарительной поверхности нагрева с естественной циркуляцией (характеристика естественной циркуляции) при появляющемся различном нагреве отдельных парогенераторных труб самостабилизирующее поведение, которое без необходимости внешнего воздействия приводит к выравниванию температур на стороне выхода также на различно нагретых параллельно включенных на стороне текучей среды парогенераторных трубах.

Целесообразным образом парогенератор используется в качестве парогенератора на отходящем тепле парогазотурбинной установки. При этом парогенератор предпочтительным образом включен на стороне топочного газа после газовой турбины. При этом включении целесообразным образом после газовой турбины может быть расположена дополнительная топочная камера для повышения температуры топочного газа.

Достигнутые изобретением преимущества заключаются, в частности, в том, что посредством интегрирования функции водоотделения в выходные коллекторы можно предоставить в распоряжение выполненную децентрализованной водоотделительную систему, при которой вследствие небольшого количества подключенных после каждого отдельного водоотделителя перегревательных труб может отпадать сложная распределительная система. Тем самым является возможной также перепитка не испаренной текучей среды за счет водоотделителей так, что конечную точку испарения при необходимости можно смещать в перегревательные трубы. Тем самым как раз в режиме пуска или слабой нагрузки особенно большие части поверхностей нагрева являются используемыми для целей испарения, причем к тому же является достижимой особенно высокая эксплуатационная гибкость также в случае этих режимов эксплуатации. В частности, посредством Т-образного выполнения выходного коллектора в виде цилиндрического тела с ответвленным выходным отрезком трубы можно к тому же обеспечивать простыми средствами надежное водоотделение по принципу инерционной сепарации.

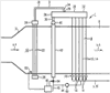
Пример выполнения изобретения поясняется более подробно с помощью чертежа. При этом чертеж показывает в упрощенном представлении в продольном сечении испарительную секцию парогенератора горизонтального типа конструкции.

Показанный на чертеже со своей испарительной секцией парогенератор 1 подключен по типу парогенератора на отходящем тепле на стороне отходящего газа после не представленной более подробно на чертеже газовой турбины. Парогенератор 1 содержит ограждающую стенку 2, которая образует протекаемый приблизительно в горизонтальном обозначенном стрелкой 4 направлении топочного газа х канал 6 для отходящего газа из газовой турбины. В канале топочного газа 6 расположена рассчитанная по прямоточному принципу испарительная прямоточная поверхность нагрева 8, после которой для протекания текучей среды W, D включена перегревательная поверхность нагрева 10.

Испарительная прямоточная поверхность нагрева 8 является нагружаемой не испаренной текучей средой W, которая в режиме нормальной или полной нагрузки при однократном проходе через испарительную прямоточную поверхность нагрева 8 испаряется и после выхода из испарительной прямоточной поверхности нагрева 8 в виде пара D подается к перегревательной поверхности нагрева 10. Образованная из испарительной прямоточной поверхности нагрева 8 и перегревательной поверхности нагрева 10 испарительная система включена в не представленный более подробно пароводяной контур паровой турбины. Дополнительно к этой испарительной системе в пароводяной контур паровой турбины включены множество дальнейших не представленных на чертеже более подробно поверхностей нагрева, в случае которых может идти речь, например, о перегревателях, испарителях среднего давления, испарителях низкого давления и/или о подогревателях.

Испарительная прямоточная поверхность нагрева 8 образована множеством включенных параллельно для прохождения текучей среды W парогенераторных труб 12. Парогенераторные трубы 12 при этом ориентированы своей продольной осью в основном вертикально и рассчитаны для протекания текучей среды W от нижней входной области к верхней выходной области, то есть снизу вверх.

При этом испарительная прямоточная поверхность нагрева 8 содержит по типу пучка труб множество расположенных друг за другом при рассмотрении в направлении топочного газа x трубных слоев 14, каждый из которых образован множеством расположенных рядом друг с другом при рассмотрении в направлении топочного газа x парогенераторных труб 12, и из которых на чертеже соответственно является видимой только одна парогенераторная труба. Каждый трубный слой 14 при этом может содержать до 200 парогенераторных труб 12. Перед парогенераторными трубами 12 каждого трубного слоя 14 при этом включен общий ориентированный своим продольным направлением в основном перпендикулярно к направлению топочного газа x и расположенный ниже канала топочного газа 6 входной коллектор 16. Альтернативно один общий входной коллектор 16 может быть придан в соответствие также множеству трубных слоев 14. Входные коллекторы 16 подключены при этом к показанной на чертеже только схематически системе подачи воды 18, которая может содержать распределительную систему для распределения при необходимости притока текучей среды W по входным коллекторам 16. На стороне выхода и тем самым в области выше канала топочного газа 6 образующие испарительную прямоточную поверхность нагрева 8 парогенераторные трубы 12 впадают во множество приданных в соответствие выходных коллекторов 20.

Аналогично перегревательная поверхность нагрева 10 образована множеством перегревательных труб 22. Последние рассчитаны в примере выполнения на протекание текучей среды в нисходящем направлении, то есть сверху вниз. На стороне входа перед перегревательными трубами 22 подключено множество распределителей 24, выполненных в виде так называемых Т-образных распределителей. На стороне выхода перегревательные трубы 22 впадают в общий коллектор свежего пара 26, от которого перегретый свежий пар является подаваемым не показанным более подробно образом к соответствующей паровой турбине. В примере выполнения коллектор свежего пара 26 расположен ниже канала топочного газа 6. Альтернативно перегревательная поверхность нагрева 10 могла бы быть, однако, снабжена U-образно выполненными перегревательными трубами 22. В этом не представленном на чертеже более подробно случае каждая перегревательная труба 22 содержит соответственно отрезок опускной трубы и подключенный после него отрезок подъемной трубы, причем коллектор свежего пара 26 точно так же, как и выходной коллектор 20, расположен выше канала топочного газа 6. Между отрезком опускной трубы и отрезком подъемной трубы при этом может быть включен дренажный коллектор.

Испарительная прямоточная поверхность нагрева 8 рассчитана таким образом, что она является пригодной для питания парогенераторных труб 12 со сравнительно низкой плотностью массопотока, причем расчетные соотношения потока в парогенераторных трубах 12 имеют характеристику естественной циркуляции. В случае этой характеристики естественной циркуляции парогенераторная труба 12, более нагретая по сравнению со следующей парогенераторной трубой 12 той же самой испарительной прямоточной поверхности нагрева 8, имеет по сравнению со следующей парогенераторной трубой 12 более высокий расход текучей среды W.

Парогенератор 1 рассчитан на надежное однородное направление потока при остающейся сравнительно простой конструкции. При этом предусмотренная в соответствии с расчетом для прямоточной поверхности нагрева 8 характеристика естественной циркуляции использована последовательно для выдержанной простой распределительной системы. Дело в том, что эта характеристика естественной циркуляции и связанная с ней предусмотренная в соответствии с расчетом поддерживаемая сравнительно низкой плотность массопотока позволяют объединение частичных потоков из расположенных при рассмотрении в направлении потока топочного газа x друг после друга и тем самым различно нагретых парогенераторных труб 12 в общее пространство. При экономии самостоятельной сложной распределительной системы таким образом является возможным смещение смешивания вытекающей из испарительной прямоточной поверхности нагрева 8 текучей среды W в выходной коллектор или выходные коллекторы 20.

Для того чтобы возможно меньше ухудшать при этом достигнутую гомогенизацию текучей среды W, вытекающей из различно расположенных при рассмотрении в направлении потока топочного газа x и тем самым различно нагретых парогенераторных труб 12, при последующем направлении в следующую систему, каждый из расположенных в основном параллельно друг другу и рядом друг с другом выходных коллекторов 20, из которых на чертеже видным является только один, направлен своей продольной осью в основном параллельно к направлению потока топочного газа x. Количество выходных коллекторов 20 при этом согласовано с количеством парогенераторных труб 12 в каждом трубном слое 14 так, что в основном расположенным друг за другом, образующим так называемую испарительную пластину парогенераторным трубам 12 соответственно придан в соответствие один выходной коллектор 20. Аналогично также распределители 24 ориентированы своей продольной осью параллельно к направлению топочного газа x так, что позиционированным в основном соответственно друг за другом перегревательным трубам 22 соответственно придан в соответствие один распределитель 24.

Парогенератор 1 рассчитан на то, чтобы при необходимости, в частности, в режиме запуска или слабой нагрузки парогенераторным трубам 12 можно было накладывать еще дополнительно к испаряемому массопотоку текучей среды по причинам эксплуатационной надежности еще другой циркуляционный массопоток текучей среды. Для обеспечения при этом особенно высокой эксплуатационной гибкости и тем самым, в частности, поддерживаемых малыми времен запуска и времен изменения нагрузки и достижения возможности использования, особенно высокой части поверхностей нагрева, предусмотрено, что в этом режиме эксплуатации конечную точку испарения можно при необходимости смещать от парогенераторных труб 12 в перегревательные трубы 22. Чтобы осуществить это с поддерживаемыми сравнительно малыми расходами на изготовление, каждый из выходных коллекторов 20 содержит интегрированный водоотделяющий элемент 28, через который соответствующий выходной коллектор 20 соединен через перепускную трубу 30 на стороне текучей среды с одним из подключенных распределителей 24. За счет этого конструктивного выполнения, в частности, обеспечено, что после разделения воды и пара сложного распределения пароводяной смеси на перегревательные трубы 22 не требуется.

Для высокого отделительного действия при высокой эксплуатационной надежности снабженные соответственно интегрированной отделительной функцией выходные коллекторы 20 рассчитаны на понятие инерционной сепарации пароводяной смеси. При этом используют знание того, что водяная составляющая пароводяной смеси вследствие своей сравнительно большой инерционности в месте разветвления предпочтительно течет дальше прямо в своем направлении потока, в то время как паровая составляющая вследствие своей сравнительно меньшей инерционности может сравнительно легче следовать вынужденному отклонению. Чтобы использовать это для особенно простой конструкции водоотделения, выходные коллекторы 20 выполнены по типу Т-образных деталей, причем от основного тела, в основном выполненного в виде цилиндрического тела 32, ответвляется впадающий в соответствующую перепускную трубу 30 выходной отрезок трубы 34 для текучей среды.

Выполненное в виде цилиндрического тела 32 основное тело соответствующего выходного коллектора 20 при этом на своем не соединенном с парогенераторными трубами 12 конце 36 соединено с водоотводящим отрезком трубы 38. За счет этой конструкции водяная составляющая пароводяной смеси течет тем самым в выходном коллекторе 20 на месте ответвления выходного отрезка трубы 34, образующем соответственно интегрированный водоотделяющий элемент 28, предпочтительно в аксиальном направлении дальше, и попадает тем самым через конец 36 в водоотводящий отрезок трубы 38. В противоположность этому паровая составляющая пароводяной смеси, текущей в цилиндрическом теле 32, вследствие своей сравнительно меньшей инерционности может лучше следовать вынужденному отклонению и течет тем самым через выходной отрезок трубы 34 и другие промежуточно включенные компоненты предпочтительно к подключенным далее перегревательным трубам 22. Для усиления достигнутого при этом отделительного действия и/или для облегченного отведения воды цилиндрическое тело 32 может быть расположено своим продольным направлением относительно горизонтали в направлении потока наклонно вниз.

На стороне выхода воды, то есть через водоотводящие отрезки трубы 38 интегрированные в выходные коллекторы 20 водоотделительные элементы 28 соединены группами с соответственно одним общим выходным коллектором 40. После него подключен водосборный бак 42, в частности баллон-сепаратор. Водосборный бак 42 на стороне выхода соединен через подключенную сливную линию 44, от которой также ответвляется соединенная с канализационной системой отводящая линия 45, с системой подачи воды 18 прямоточной испарительной поверхности нагрева 8 так, что возникает замкнуто работающий циркуляционный контур. Через этот циркуляционный контур в режиме запуска слабой или частичной нагрузки на испаряемую текучую среду, текущую в парогенераторных трубах 12, можно накладывать дополнительную циркуляцию для повышения эксплуатационной надежности. В зависимости от требования эксплуатации или при необходимости отделительную систему, образованную интегрированными водоотделительными элементами 28, при этом можно эксплуатировать таким образом, что всю еще направляемую на выходе парогенераторных труб 12 воду отделяют от текучей среды и на перегревательные трубы 22 передают дальше только испаренную текучую среду.

Альтернативно водоотделительную систему можно, однако, эксплуатировать также в так называемом режиме перепитки, при котором из текучей среды отделяют не всю воду, а передают вместе с паром на перегревательные трубы 22 еще частичный поток направляемой вместе воды. При этом в режиме работы конечная точка испарения смещается внутрь в перегревательные трубы 22. В подобном перепитанном режиме работы сначала полностью наполняются водой как водосборный бак 42, так и включенные перед ним выходные коллекторы 40, так, что образуется обратный подпор вплоть до переходной области соответствующего водоотделительного элемента 28, на котором ответвляется выходной отрезок трубы 34. В связи с этим обратным подпором также водяная составляющая притекающей к водоотделительным элементам 28 текучей среды претерпевает, по крайней мере, частично отклонение и попадает тем самым вместе с паром в выходной отрезок трубы 34. Высота частичного потока, который при этом подводится вместе с паром к перегревательным трубам 22, получается при этом, с одной стороны, из всего массопотока воды, подведенного к соответствующему водоотделительному элементу 28, и, с другой стороны, из отведенного через водоотводящий отрезок трубы 38 частичного массопотока. Тем самым за счет подходящего изменения подведенного массопотока воды и/или отведенного через водоотводящий отрезок трубы 38 массопотока воды можно устанавливать передаваемый дальше в перегревательные трубы 22 массопоток не испаренной текучей среды. Тем самым является возможным за счет управления одной или обеих названных величин устанавливать составляющую передаваемой дальше в перегревательные трубы 22 не испаренной текучей среды таким образом, что на конце перегревательной поверхности нагрева 22 устанавливается заданная энтальпия.

Чтобы сделать это возможным, водоотделительной системе придано в соответствие регулирующее устройство 60, которое на стороне входа соединено с чувствительным элементом 62, выполненным для определения параметра, характеризующего энтальпию на выходе со стороны пара перегревательной поверхности нагрева 22. На стороне выхода регулирующее устройство 60 действует, с одной стороны, на установочный вентиль 64, включенный в сливную линию 44 водосборного бака 42. Тем самым посредством нацеленного управления установочным вентилем 64 можно задавать поток воды, который отбирают из отделительной системы. Этот массопоток можно опять-таки извлекать из текучей среды в водоотделительных элементах 28 и направлять дальше к следующим коллекторным системам. Таким образом за счет управления установочным вентилем 64 можно оказывать влияние на соответственно ответвленный в водоотделительном элементе 28 водяной поток и тем самым оказывать влияние на водяную составляющую, еще передаваемую дальше в текучей среде после отделения в перегревательные поверхности нагрева 22. Альтернативно или дополнительно регулирующее устройство 60 еще может воздействовать на циркуляционный насос 66, включенный в сливную линию 44, так, что можно соответственно также устанавливать скорость притока среды в водоотделительную систему.

Формула изобретения

1. Парогенератор (1), в котором в протекаемом приблизительно в горизонтальном направлении топочного газа (х) канале топочного газа (6) расположена испарительная прямоточная поверхность нагрева (8), которая содержит множество параллельно включенных для прохождения текучей среды парогенераторных труб (12), с множеством подключенных на стороне текучей среды после некоторых парогенераторных труб (12) выходных коллекторов (20), отличающийся тем, что выходной коллектор или каждый выходной коллектор (20) соответственно содержит интегрированный водоотделительный элемент (28), через который соответствующий выходной коллектор (20) на стороне пара соединен с множеством подключенных после него перегревательных труб (22) перегревательной поверхности нагрева (10).

2. Парогенератор (1) по п.1, отличающийся тем, что выходной коллектор или каждый выходной коллектор (20) соответственно выполнен в основном в виде цилиндрического тела (32), которое на своем не соединенном с парогенераторными трубами (12) конце (36) соединено с водоотводящим отрезком трубы (38).

3. Парогенератор (1) по п.2, отличающийся тем, что от соответствующего цилиндрического тела (32) или от соответствующего водоотводящего отрезка трубы (38) ответвлен выходной отрезок трубы (34) для текучей среды.

4. Парогенератор (1) по п.2 или 3, отличающийся тем, что цилиндрическое тело (32) или водоотводящий отрезок трубы (38) своим соответствующим продольным направлением расположены в направлении течения наклонно вниз относительно горизонтали.

5. Парогенератор (1) по п.1, отличающийся тем, что некоторые или все водоотделительные элементы (28) соединены группами соответственно с одним выходным коллектором (40).

6. Парогенератор (1) по п.5, отличающийся тем, что после соответствующего выходного коллектора (40) включен водосборный бак (42).

7. Парогенератор (1) по п.6, отличающийся тем, что в подключенную к водосборному баку (42) сливную линию (44) включен управляемый через соответствующее регулирующее устройство (60) установочный вентиль (64), причем регулирующее устройство (60) выполнено с возможностью реагирования на входное значение, характерное для энтальпии текучей среды на выходе на стороне пара, подключенной после водоотделительной системы перегревательной поверхности нагрева (10).

8. Парогенератор (1) по п.7, отличающийся тем, что циркуляционный насос (66) выполнен с возможностью управления от регулирующего устройства (60) и соединен с парогенераторными трубами (12).

9. Парогенератор (1) по п.1 или 2, отличающийся тем, что выходной коллектор или каждый выходной коллектор (20) расположен выше канала топочного газа (6).

10. Парогенератор (1) по п.1, отличающийся тем, что испарительная прямоточная поверхность нагрева (8) рассчитана так, что по сравнению со следующей парогенераторной трубой (12) одной и той же испарительной прямоточной поверхности нагрева (8) перегретая парогенераторная труба (12) имеет по сравнению со следующей парогенераторной трубой (12) более высокий расход текучей среды.

11. Парогенератор (1) по п.1, отличающийся тем, что перед каналом топочного газа (6) на стороне топочного газа включена газовая турбина.

РИСУНКИ

Categories: BD_2382000-2382999