|
(21), (22) Заявка: 2008136269/03, 08.09.2008
(24) Дата начала отсчета срока действия патента:
08.09.2008
(46) Опубликовано: 20.02.2010
(56) Список документов, цитированных в отчете о поиске:
ЕА 009243 В1, 28.12.2007. RU 2016354 С1, 15.07.1994. RU 2266479 С1, 20.12.2005. RU 42641 U1, 10.12.2004.
Адрес для переписки:
198303, Санкт-Петербург, пр-кт Стачек, 107, корп.1, кв.136, А.И. Малахову
|
(72) Автор(ы):
Малахов Анатолий Иванович (RU), Малахов Михаил Анатольевич (RU)
(73) Патентообладатель(и):
Малахов Анатолий Иванович (RU)
|
(54) СИСТЕМА ТЕПЛОСНАБЖЕНИЯ
(57) Реферат:
Изобретение относится к теплоэнергетике и может быть использовано в системах теплоснабжения жилых, общественных и производственных зданий и промышленного технологического оборудования. Технический результат: снижение потребляемой системой теплоснабжения мощности и увеличение полезной мощности производимой теплоэлектроцентралью электроэнергии. Система теплоснабжения, содержащая источник тепла и установленную перед потребителем тепла по крайней мере двухкаскадную теплонасосную установку, конденсатор последнего каскада которой включен в циркуляционный контур потребителя тепла, а испаритель первого каскада включен в циркуляционный контур источника тепла, конденсатор предыдущего каскада и испаритель последующего каскада совмещены в одном двухконтурном теплообменнике. 2 ил.
Изобретение относится к теплоэнергетике и может быть использовано в системах теплоснабжения жилых, общественных и производственных зданий и промышленного технологического оборудования.
Предшествующий уровень техники
Известны производственные, квартальные и районные системы теплоснабжения, содержащие котельную и размещенную в наружной среде теплосеть с подающей и обратной магистралями [1, стр.227-250]. Недостатком таких систем являются большие потери тепла в окружающую среду (более 50% от получаемой при сжигании топлива тепловой энергии). Этот недостаток обусловлен высокой температурой воды в подающей (до 150°С) и в обратной (до 70°С) магистралях.
Меньшие потери тепла в окружающую среду имеет система теплоснабжения, содержащая теплоэлектроценраль с теплосиловой установкой, имеющей конденсатор водяного пара, и теплосеть с подающей и обратной магистралями [2, стр.323-325]. Уменьшение потерь тепла в такой системе обеспечивается благодаря преобразованию в теплосиловой установке части получаемой при сжигании топлива тепловой энергии в электрическую.
Однако и в такой системе теряется большое количество тепла из-за высоких значений температур воды в подающей и обратной магистралях. При этом уменьшается коэффициент полезного действия тепловой установки в связи с необходимостью увеличения температуры конденсации водяного пара для обеспечения требуемых значений температур воды на входе в потребитель тепла, например системы отопления.
Уменьшение потерь тепла в окружающую среду обеспечивают системы теплоснабжения, содержащие подающую и обратную магистрали с контуром подмеса обратной воды и теплонасосную установку, испаритель которой установлен в обратной магистрали, а конденсатор в контуре подмеса обратной воды [патенты RU 14071 ПМ, RU 2239129]. Уменьшение потерь тепла в такой системе достигается снижением температуры воды в обратной магистрали.
Однако остаются основные потери тепла из подающей магистрали из-за высокой температуры воды (до 150°С).
До минимума уменьшаются потери тепла в системе теплоснабжения, содержащей источник тепла, потребитель тепла и установленную перед потребителем тепла двухкаскадную теплонасосную установку. Конденсатор второго каскада этой установки включен в циркуляционный контур потребителя тепла, а испаритель первого каскада включен в циркуляционный контур источника тепла [евразийский патент 009243] (прототип). Уменьшение потерь тепла в окружающую среду при использовании этой системы обеспечивается охлаждением воды в циркуляционном контуре источника тепла до температур, близких к значению температур окружающей среды и нагреванием воды в циркуляционном контуре потребителя тепла с помощью теплонасосной установки до требуемых значение температур.
При использовании в качестве источника тепла конденсатора теплосиловой установки теплоэлектроцентрали охлаждение воды в циркуляционном контуре упомянутого конденсатора с помощью двухкаскадной теплонасосной установки позволяет увеличить коэффициент полезного действия теплонасосной установки и благодаря этому увеличить производимую теплоэлектроцентралью мощность электроэнергии до уровня действующих электростанций.
Однако такие системы теплоснабжения имеют повышенное потребление электрической энергии для своего функционирования вследствие необратимых тепловых потерь в конденсаторе первого каскада и в испарителе второго каскада теплонасосной установки.
Раскрытие изобретения
Задачей, решаемой при создании изобретения, является снижение потребляемой системой теплоснабжения мощности и увеличение полезной мощности производимой теплоэлектроцентралью электроэнергии.
Для этого в известной системе теплоснабжения, содержащей источник тепла, потребитель тепла и установленную перед потребителем тепла двухкаскадную теплонасосную установку, конденсатор которой включен в циркуляционный контур потребителя тепла, а испаритель первого каскада включен в циркуляционный контур источника тепла, конденсатор первого каскада и испаритель второго каскада совмещены в одном двухконтурном теплообменнике.
Поставленная задача решается путем уменьшения необратимых тепловых потерь в теплонасосной установке.
Необратимые тепловые потери в двухкаскадной теплонасосной установке, , могут быть оценены разностью температур конденсации в конденсаторе первого каскада, tк1°C, и температуры испарения в испарителе второго каскада, t02°C.

Тепловые потери, , в теплонасосной установке предложенной системы обусловлены тепловым сопротивлением одного теплообменника, в одном контуре которого осуществляется конденсация, а в другом – испарение рабочего вещества.
У прототипа тепловые потери обусловлены тепловым сопротивлением двух теплообменников:
конденсатора первого каскада

испарителя второго каскада

где t1 и t2 – температура воды на выходе соответственно конденсатора первого каскада и испарителя второго каскада.
Из сложения выражений (2) и (3) получим величину тепловых потерь прототипа

Для теплообменников одинаковой конструкции в первом приближении можно принять

Из выражений (4) и (5) получим

Таким образом, необратимые тепловые потери прототипа больше по сравнению с предложенной системой на величину (tк1-t02)+(t1-t2).
Холодильный коэффициент двухкаскадной теплонасосной установки равен



где 1; Т01; Tк1 – показатели первого каскада соответственно холодильный коэффициент; температура испарения, К; температура конденсации, К,
2; Т02; Tк2 – – показатели второго каскада, соответственно.
Решая систему уравнений (1), (8) и (9), при условии минимального значения потребляемой мощности ( 1= 2), получим


Из выражения (10) следует, что чем меньше значение tнп, тем больше значение Т02. Это, согласно выражению (9), ведет к увеличению значения 2, а следовательно, и к уменьшению потребляемой вторым каскадом мощности.
Из выражения (11) следует, что чем меньше значение tнп, тем меньше значение Тк1. Это, согласно выражению (8), ведет к увеличению значения 2, а следовательно, и к уменьшению потребляемой мощности.
Таким образом, совмещение конденсатора первого каскада и испарителя второго каскада в одном двухконтурном теплообменнике позволяет существенно снизить необратимые тепловые потери и благодаря этому уменьшить потребляемую теплонасосной установкой мощность.
Краткое описание чертежей
На чертежах схематично представлены примеры выполнения предложенной системы теплоснабжения и прототипа:
на фиг.1 показана схема предложенной системы теплоснабжения;
на фиг.2 – схема прототипа.
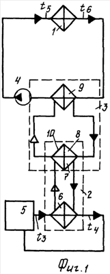
Система, представленная на фиг.1, содержит установленную перед потребителем 1 тепла теплонасосную установку с первым 2 и вторым 3 каскадами, насос 4 и источник тепла, например, теплопункт 5 теплосети электротеплоцентрали (не показаны).
Каскад 2 имеет испаритель 6 и конденсатор 7, а каскад 3 – испаритель 8 и конденсатор 9; конденсатор 7 и испаритель 8 совмещены в двухконтурном теплообменнике 10.
В качестве потребителя 1 могут быть использованы система отопления, система горячего водоснабжения и технологическое оборудование тепловой обработки продукции.
В качестве теплопункта 5 может быть использован и любой другой источник тепла: котельная, электростанция, система оборотного водоснабжения предприятий, сточные воды жилых зданий, промышленных и сельскохозяйственных предприятий, геотермальные воды и другие источники низкопотенциального тепла.
Теплонасосная установка может быть выполнена двух- и более каскадной, двух- и более ступенчатой.
Система, представленная на фиг.2, содержит те же элементы схемы и отличается от представленной на фиг.1 системы тем, что конденсатор 7 и испаритель 8 выполнены в виде отдельных теплообменников.
В системе, представленной на фиг.1, вода из теплопункта 5 поступает с температурой t3 в испаритель 6 с температурой испарения в нем рабочего вещества t01=1°С, охлаждается до температуры t4=4°С и возвращается в теплопункт 5. Пары рабочего вещества из испарителя 6 поступают в конденсатор 7 и конденсируются в нем при температуре конденсации Tк1. Выделенное при этом тепло передается в теплообменнике 10 в контур испарителя 8.
Пары испарившегося в испарителе 8 рабочего вещества при температуре кипения Т02 поступают в конденсатор 9 и конденсируются в нем при температуре конденсации tr2=98°С. Выделенное при этом тепло передается воде, циркулирующей через потребитель 1 (например, систему отопления) с температурой на входе t5=95°С и на выходе t6=70°С.
В системе, представленной на фиг.2, вода с температурой t6 поступает в испаритель 8, охлаждается в нем до температуры t1, затем поступает в конденсатор 7 и нагревается в нем до температуры t2. В остальном принцип работы аналогичен рассмотренному для системы, представленной на фиг.1.
Значения приведенных в описании чертежей температур могут быть и любые другие, обеспечивающие требуемые значения температур в потребителе 1 тепла.
Лучший вариант осуществления изобретения
Лучшим вариантом осуществления изобретения является использование его в составе действующих систем теплоснабжения с теплоэлектроцентралью. Такое использование позволяет исключить капитальные затраты на строительство источников тепла и теплосетей и увеличить мощность вырабатываемой теплоэлектроцентралью электроэнергии.
При значениях приведенных в описании чертежей температур производимая теплоэлектроцентралью электрическая мощность увеличивается до уровня действующих электростанций, а потребляемая теплонасосными установками мощность по сравнению с прототипом уменьшается в 1,42 раза при одинаковом значении температуры кипения в испарителе второго каскада и в 1,84 раза при одинаковой температуре конденсации в конденсаторе первого каскада.
Промышленная применимость
Использование изобретения не требует разработки принципиально новой аппаратуры и агрегатов. Для этого могут быть применены выпускаемые промышленностью приведенные на фиг.1 элементы схемы системы теплоснабжения.
Литература
1. Грингауз Ф.И. Санитарно-технические работы. Изд. 8-е, М., Высшая школа, 1979 г.
2. Кириллин В.А., Сычев А.Е., Шейндлин А.Е. Техническая термодинамика. Изд. 4-е., М., Энергоатомиздат, 1983 г.
Формула изобретения
Система теплоснабжения, содержащая источник тепла и установленную перед потребителем тепла по крайней мере двухкаскадную теплонасосную установку, конденсатор последнего каскада которой включен в циркуляционный контур потребителя тепла, а испаритель первого каскада включен в циркуляционный контур источника тепла, отличающаяся тем, что конденсатор предыдущего каскада и испаритель последующего каскада совмещены в одном двухконтурном теплообменнике.
РИСУНКИ
|