|
|
(21), (22) Заявка: 2008144106/06, 10.11.2008
(24) Дата начала отсчета срока действия патента:
10.11.2008
(46) Опубликовано: 20.02.2010
(56) Список документов, цитированных в отчете о поиске:
WO 2006117079 A1, 09.11.2006. RU 2256085 C2, 20.10.2004. RU 2166653 C2, 10.09.1999. US 2003075125 A1, 24.04.2003.
Адрес для переписки:
125438, Москва, ул. Автомоторная, 2, ФГУП “НАМИ”
|
(72) Автор(ы):
Никитин Андрей Аминодович (RU), Тер-Мкртичьян Георг Георгович (RU), Глатерман Александр Владимирович (RU)
(73) Патентообладатель(и):
Федеральное государственное унитарное предприятие “Центральный ордена Трудового Красного Знамени научно-исследовательский автомобильный и автомоторный институт “НАМИ” (RU)
|
(54) ПОРШНЕВОЙ ДВИГАТЕЛЬ С РЕГУЛИРУЕМОЙ СТЕПЕНЬЮ СЖАТИЯ
(57) Реферат:
Изобретение относится к двигателям внутреннего сгорания с регулируемой степенью сжатия воздуха или топливовоздушной среды в рабочем цилиндре двигателя, обеспечиваемой изменением объема камеры сжатия между поршнем, находящимся в верхнем мертвом положении, и головкой цилиндра. Поршневой двигатель с регулируемой степенью сжатия содержит корпус (1). В корпусе расположен коленчатый вал (4). На кривошипной шейке (5) коленчатого вала расположена траверса (6). Траверса (6) связана шатуном (7) с поршнем (2) и тягой (6) с шейкой регулировочного вала (10). Регулировочный вал (10) снабжен приводом. Привод регулировочного вала содержит червячную передачу, планетарный механизм, обгонную муфту (16) и обгонную муфту (18). Планетарный механизм состоит из коронного зубчатого колеса (12), водила (11) с сателлитами и солнечной шестерни (13). Коронное зубчатое колесо (12) соединено с корпусом. Водило (11) соединено с червяком (15). Обгонная муфта (16) связывает солнечную шестерню (13) с ведущим валом (17). Обгонная муфта (18) связывает ведущий вал (17) с водилом (11) посредством поводка (19). Поводок расположен в пазах (20) у заклинивающих элементов (22) обгонной муфты (16). Технический результат заключается в упрощении управления приводом регулировочного вала и повышении быстродействия привода. 4 ил.
Изобретение относится к двигателям с внутреннего сгорания с регулируемой степенью сжатия воздуха или топливовоздушной среды в рабочем цилиндре двигателя, обеспечиваемой изменением объема камеры сжатия между поршнем, находящимся в верхнем мертвом положении, и головкой цилиндра.
Известны различные поршневые двигатели с регулируемой степенью сжатия, представленные, например, в патенте РФ 2256085, МПК F02B 75/04, в патенте 5595146, выданном в США.
Наиболее близким аналогом является поршневой двигатель с регулируемой степенью сжатия, изображенный в международной заявке WO 2006/117079, F02B 75/04. Он содержит корпус, в котором расположен коленчатый вал. На кривошипной шейке коленчатого вала расположена траверса, связанная шатуном с поршнем и тягой с шейкой эксцентрикового регулировочного вала. Регулировочный вал снабжен приводом, содержащим планетарный механизм, состоящий из двух планетарных рядов, электромагнитной муфты и фрикционного тормоза для связи солнечной шестерни первого планетарного ряда соответственно с ведущим валом и с корпусом. Водило первого ряда соединено с солнечной шестерней второго ряда, водило второго ряда соединено с регулировочным валом, а коронные зубчатые колеса соединены с корпусом. Указанный планетарный механизм требует применения специальной системы управления электромагнитной муфтой и фрикционным тормозом, что усложняет и замедляет регулирование степени сжатия.
Задача – упрощение регулирования степени сжатия воздуха или
топливовоздушной смеси в поршневом двигателе внутреннего сгорания и при этом уменьшение металлоемкости двигателя и его габаритов.
Решение задачи обеспечено тем, что поршневой двигатель внутреннего сгорания с регулируемой степенью сжатия содержит корпус, в котором расположен коленчатый вал, на кривошипной шейке коленчатого вала расположена траверса, связанная шатуном с поршнем и тягой с шейкой регулировочного вала, регулировочный вал снабжен приводом, содержащим червячную передачу, планетарный механизм, состоящий из коронного зубчатого колеса, соединенного с корпусом, водила с сателлитами, соединенного с червяком червячной передачи, и солнечной шестерни, обгонную муфту для связи солнечной шестерни с ведущим валом привода, обгонную муфту противоположного направления действия для связи ведущего вала с водилом посредством поводка, расположенного в пазах у заклинивающих элементов первой упомянутой обгонной муфты.
В поршневом двигателе внутреннего сгорания с регулируемой степенью сжатия, характеризуемом приведенной совокупностью признаков, обеспечено автоматическое изменение передаточного числа в приводе регулировочного вала при изменении направления его вращения, что упрощает процесс регулирования. При этом обеспечены необходимый большой поворотный момент для поворота регулировочного вала при увеличении степени сжатия и ускорение поворота регулировочного вала и, значит, ускорение процесса регулирования при уменьшении степени сжатия. Кроме того, при таком регулировании степени сжатия металлоемкость двигателя и его габариты получаются меньше вследствие упрощения привода регулировочного вала.
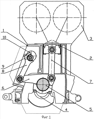
На фиг.1 изображен поршневой двигатель внутреннего сгорания с регулируемой степенью сжатия.
На фиг.2 показан привод регулировочного вала.
На фиг.3 показано положение деталей обгонных муфт привода регулировочного вала при увеличении степени сжатия.
На фиг.4 показано положение деталей обгонных муфт привода регулировочного вала при уменьшении степени сжатия.
Поршневой двигатель внутреннего сгорания, представленный на фиг.1, содержит корпус 1, в рабочих цилиндрах которого установлены поршни 2, расположенные под головкой 3 рабочих цилиндров. В корпусе 1 установлен коленчатый вал 4. На кривошипной шейке 5 коленчатого вала расположена траверса 6, сделанная в виде двуплечего рычага. Одно плечо траверсы 6 шарнирно связано шатуном 7 с поршнем 2. Другое плечо траверсы 6 шарнирно связано тягой 8 с кривошипной шейкой 9 эксцентрикового регулировочного вала 10, сделанной в виде эксцентрика. Регулировочный вал 10 с расположенной на его шейке 9 тягой 8 предназначен для изменения кинематики кривошипно-шатунного механизма, образованного кривошипной шейкой 5 коленчатого вала, траверсой 6 и шатуном 7, при необходимости изменения объема камеры сжатия между поршнем 2 и головкой 3 рабочего цилиндра.
Регулировочный вал 10 снабжен приводом от электродвигателя или гидромотора малой мощности, содержащим самотормозящуюся червячную передачу и планетарный механизм, состоящий из водила 11 с сателлитами, коронного зубчатого колеса 12 и солнечной шестерни 13 (фигура 2). Червячное колесо 14 червячной передачи закреплено на регулировочном валу 10. Червяк 15 соединен с водилом 11 планетарного механизма. Коронное зубчатое колесо 12 соединено с корпусом. Планетарный механизм снабжен обгонной муфтой 16 для соединения солнечной шестерни 13 с ведущим валом 17 и обгонной муфтой 18 противоположного направления действия для связи ведущего вала 17 с водилом 11 посредством поводка 19 (фиг.3), сделанного за одно целое с солнечной шестерней 13. Поводок 19 расположен в пазах 20 ступицы 21 обгонной муфты 16 у заклинивающих элементов 22 обгонной муфты 16.
При перемещении поршня 2 коленчатым валом 4 вниз от головки цилиндров при открытом впускном клапане совершается такт всасывания, при котором происходит впуск в рабочий цилиндр воздуха или топливо-воздушной смеси. Затем при обратном перемещении поршня 2 к головке цилиндров происходит сжатие воздуха или топливо-воздушной смеси. Величина объема камеры сжатия между поршнем 2 и головкой цилиндров при нахождении поршня в верхнем мертвом положении регулируется эксцентриковым регулировочным валом 10 путем его поворота и соответственно перемещения тяги 8, расположенной на его эксцентриковой шейке 9. При опускании тяги 8 объем камеры сжатия уменьшается, а степень сжатия воздуха или топливо-воздушной смеси увеличивается. При подъеме тяги 8 регулировочным валом 10 объем камеры сжатия увеличивается, а степень сжатия уменьшается. При воспламенении топливо-воздушной смеси в камере сжатия электрической свечой зажигания поршень вследствие увеличения давления в камере сжатия совершает рабочий ход, поворачивая при своем движении вниз от головки цилиндров коленчатый вал 4 посредством шатуна 7 и траверсы 6.
Для увеличения степени сжатия воздуха или топливо-воздушной смеси при работе двигателя на режимах холостого хода и малых нагрузок поворачивают ведущий вал 17 электродвигателем или гидромотором в таком направлении, при котором замыкается обгонная муфта 16, и тогда поворотный момент передается солнечной шестерне 13. При вращении солнечной шестерни 13 происходит вращение водила 11, которое с увеличенным поворотным моментом вращает червяк 15, поворачивающий червячное колесо 14 и вместе с ним эксцентриковый регулировочный вал 10. При повороте вала 10 его эксцентриковая шейка 9 и вместе с ней тяга 8 опускаются, преодолевая большую силу, действующую на нее вверх от траверсы 6 при рабочем ходе поршня. При опускании тяги 8 связанное с ней плечо траверсы 6 понижается, а противоположное плечо траверсы, с которым соединен шатун 7, повышается. Из-за повышения плеча траверсы, с которым связан шатун 7, поршень 2 при ходе сжатия ближе подходит к головке цилиндров, вследствие чего объем камеры сжатия уменьшается, а степень сжатия воздуха или топливо-воздушной смеси соответственно увеличивается.
Для уменьшения степени сжатия при увеличении нагрузки двигателя либо повышении давления наддува воздуха или топливо-воздушной смеси нагнетателем поворачивают ведущий вал 17 в противоположном направлении, при котором замыкается обгонная муфта 18 (фиг.4). Тогда поворотный момент от ступицы обгонной муфты 16 через поводок 19 передается водилу 11, которое в этом случае вращается с такой же частотой, с какой вращается ведущий вал 17. Водило 11 с ускоренной частотой вращает червяк 15, поворачивая посредством червячной передачи регулировочный вал 10. При повороте вала 10 в данном случае в противоположную сторону его шейка 9 и расположенная на ней тяга 8 поднимается, чему способствует большая вертикальная сила, действующая вверх на тягу 8 от траверсы 6 при рабочем ходе поршня. При подъеме тяги 8 траверса 6 поворачивается на кривошипной шейке 5 коленчатого вала так, что ее плечо, связанное с шатуном 7, понижается. Вследствие этого расстояние между головкой цилиндров и поршнем в верхнем мертвом его положении и, значит, объем камеры сжатия становится больше, а степень сжатия топливо-воздушной смеси получается соответственно меньше, что обеспечивает отсутствие детонации в бензиновом двигателе и снижение нагрузки на подшипники коленчатого вала в дизельном двигателе.
В созданном поршневом двигателе с регулируемой степенью сжатия, содержащем на кривошипной шейке коленчатого вала траверсу, связанную шатуном с поршнем и тягой с шейкой регулировочного вала, имеющего привод через червячную передачу и планетарный механизм с обгонными муфтами, обеспечено автоматическое изменение передаточного числа в приводе регулировочного вала при изменении направления его вращения, что упрощает управление приводом регулировочного вала и повышает быстродействие этого привода, обеспечивая повышение эффективности работы двигателя. При этом такой поршневой двигатель получается более компактным с меньшей металлоемкостью.
Формула изобретения
Поршневой двигатель с регулируемой степенью сжатия, содержащий корпус, в котором расположен коленчатый вал, на кривошипной шейке коленчатого вала расположена траверса, связанная шатуном с поршнем и тягой с шейкой регулировочного вала, регулировочный вал снабжен приводом, содержащим червячную передачу, планетарный механизм, состоящий из коронного зубчатого колеса, соединенного с корпусом, водила с сателлитами, соединенного с червяком червячной передачи, и солнечной шестерни, обгонную муфту для связи солнечной шестерни с ведущим валом привода, обгонную муфту противоположного направления действия для связи ведущего вала с водилом посредством поводка, расположенного в пазах у заклинивающих элементов первой упомянутой обгонной муфты.
РИСУНКИ
|
|