|
|
(21), (22) Заявка: 2008142661/02, 27.10.2008
(24) Дата начала отсчета срока действия патента:
27.10.2008
(46) Опубликовано: 20.02.2010
(56) Список документов, цитированных в отчете о поиске:
RU 2296661 C1, 10.04.2007. RU 2181321 C2, 20.04.2002. US 3599829, 17.08.1971.
Адрес для переписки:
170026, г.Тверь, наб. А. Никитина, 22, ТГТУ, отдел охраны авторских прав и защиты информации
|
(72) Автор(ы):
Архаров Анатолий Павлович (RU)
(73) Патентообладатель(и):
Государственное образовательное учреждение высшего профессионального образования “Тверской государственный технический университет” (RU)
|
(54) УСТРОЙСТВО ДЛЯ ВТОРИЧНОЙ ОРИЕНТАЦИИ СТУПЕНЧАТЫХ СТЕРЖНЕЙ
(57) Реферат:
Изобретение относится к машиностроению, в частности к автоматизации технологических процессов. Устройство содержит наклонно установленный корпус с закрепленной на нем неподвижной центральной пробкой, приемный лоток, закрепленный на верхней части корпуса, отводящий лоток и желоб. Последние закреплены на нижней части корпуса. Кольцо, установленное на корпусе, выполнено с радиальными пазами и сопряжено с корпусом и центральной пробкой и имеет возможность вращения вокруг ее оси от закрепленного на корпусе привода. В корпусе выполнены окна и проем, а в центральной пробке – радиальный канал и сопряженная с ним выемка, тоннель и сопряженный с ним вырез. На дне каждого радиального паза выполнено гнездо с полуоткрытой канавкой. В результате работы устройства стержень, независимо от занимаемого положения, транспортируется в радиальном пазу кольцом. При совмещении радиального паза с вырезом неправильно ориентированный стержень не задерживается гнездом и полуоткрытой канавкой, переориентируется опрокидыванием в вырез и по тоннелю удаляется в отводящий лоток, а правильно ориентированный стержень задерживается гнездом, транспортируется до совмещения радиального паза и гнезда с выемкой, опускается в нее и по радиальному каналу смещается в желоб. Обеспечивается расширение технологических возможностей устройства для вторичной ориентации ступенчатых стержней. 3 ил.
Изобретение относится к автоматизации технологических процессов в машиностроении, в частности для ориентации ступенчатых стержней.
Известно устройство для ориентации ступенчатых стержней, содержащее наклонно установленный корпус с окнами, одно из которых выполнено напротив приемного лотка, смонтированного на верхней части корпуса, а другое – напротив отводящего лотка в нижней части корпуса, и гнездом, выполненным напротив радиального канала неподвижно установленной в корпусе центральной пробки, сопряженное с ней и корпусом кольцо с радиальными пазами, смонтированное с возможностью вращения относительно оси центральной пробки от привода, закрепленного на корпусе, в гнезде которого расположен узел зажима и на котором закреплен торцовый кулачок, и снабженное размещенными на кольце механизмами редуцирования поперечных сечений выходных частей радиальных пазов, а в кольце выполнены отверстия, попарно расположенные симметрично относительно продольной оси каждого радиального паза, и поперечные пазы, пересекающие выходные части радиальных пазов, причем число поперечных пазов и механизмов редуцирования соответствует числу радиальных пазов, а каждый из упомянутых механизмов выполнен в виде подпружиненной вилки с двумя наклонными пазами, расположенными в боковинах упомянутой вилки симметрично относительно ее продольной оси, подпружиненного толкателя с роликом и двух полузаслонок, у каждой из которых на одном конце выполнен вырез по форме полупрофиля поперечного сечения малой ступени ориентируемого стержня, а на другом установлен штифт, кроме того, боковинки вилки сопряжены с отверстиями кольца с возможностью поступательного перемещения вилки вдоль оси центральной пробки, ролик размещен с возможностью взаимодействия с торцовым кулачком, толкатель установлен в вилке с возможностью поступательного перемещения вдоль ее продольной оси, штифты сопряжены с наклонными пазами, а полузаслонки размещены в поперечном пазу симметрично относительно продольной оси радиального паза с возможностью выхода своими концами, содержащими вырезы, в радиальный паз [патент RU 2181321, МПК В23Q 7/02, 2002 г. (аналог)].
Однако механизмы редуцирования и механизм зажима усложняют устройство для ориентации ступенчатых стержней.
Прототип – устройство для вторичной ориентации ступенчатых стержней, содержащее наклонно установленный корпус с окнами, одно из которых выполнено напротив приемного лотка, смонтированного в верхней части корпуса, а другое – напротив отводящего лотка в нижней части корпуса, неподвижно установленную в корпусе центральную пробку с радиальным каналом, кольцо с радиальными пазами, сопряженное с корпусом и центральной пробкой и смонтированное с возможностью вращения относительно оси центральной пробки от закрепленного на корпусе привода, желоб, закрепленный в нижней части корпуса, в котором напротив желоба и выхода радиального канала выполнен проем, кроме того, в кольце, на дне каждого радиального паза, выполнено гнездо, расположенное напротив приемного лотка при совмещении радиального паза с упомянутым лотком, а в центральной пробке выполнена выемка, расположенная с возможностью совмещения своим входом с радиальными пазом и сопряженная своим выходом со входом радиального канала [Патент RU 2296661 С1, МПК В23Q 7/02, 2007 г. (прототип)].
Однако известное устройство имеет ограниченные технологические возможности, поскольку не позволяет переориентировать ступенчатые стержни, имеющие на своих концах ступени, равные по диаметру, но разные по длине. Наличие таких конструктивных элементов позволяет как правильно ориентированным, так и неправильно ориентированным деталям заходить в гнездо кольца и опускаться в выемку центральной пробки, что делает невозможным использование этого устройства для ориентации подобных деталей.
В основу настоящего изобретения была положена задача расширения технологических возможностей устройства для ориентации ступенчатых стержней за счет ориентации стержней, имеющих на своих концах равные по диаметру, но разные по длине ступени.
Это достигается тем, что устройство для вторичной ориентации ступенчатых стержней содержит наклонно установленный корпус с окнами, одно из которых выполнено напротив приемного лотка, смонтированного в верхней части корпуса, а другое – напротив отводящего лотка в нижней части корпуса, и проемом, расположенным напротив закрепленного в нижней части корпуса желоба, неподвижно установленную в корпусе центральную пробку с выемкой, радиальным каналом, тоннелем и вырезом, кольцо с радиальными пазами, сопряженное с корпусом и центральной пробкой и смонтированное с возможностью вращения относительно оси центральной пробки от закрепленного на корпусе привода, кроме того, в кольце, на дне каждого радиального паза, выполнено гнездо, расположенное напротив приемного лотка при совмещении радиального паза с упомянутым лотком, а в верхней части каждого гнезда выполнена полуоткрытая канавка с выходом в радиальный паз, причем радиальный канал сопряжен своим выходом с проемом, выемка расположена с возможностью совмещения своим входом с радиальным пазом и гнездом и сопряжена своим выходом со входом радиального канала, тоннель сопряжен своим выходом с окном в нижней части корпуса, вырез расположен между приемным лотком и выемкой с возможностью сопряжения своим входом с радиальным пазом при совмещении и сопряжен своим выходом со входом тоннеля.
Сравнение предложенного устройства с прототипом показывает, что предложенное устройство за счет полуоткрытой канавки в гнезде, тоннеля и выреза, расположенного между приемным лотком и выемкой, обеспечивает переориентацию путем опрокидывания детали, введенной в гнездо короткой ступенью, и удержание гнездом детали, введенной в упомянутое гнездо длинной ступенью. Этим достигается возможность ориентации деталей, имеющих на своих концах равные по диаметру, но разные по длине ступени, что дает расширение технологических возможностей.
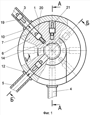
На фиг.1 показано предлагаемое устройство, вид спереди; на фиг.2 – разрез по А-А на фиг.1; на фиг.3 – разрез по Б-Б на фиг.1.
Устройство для вторичной ориентации ступенчатых стержней содержит наклонно установленный корпус 1 с закрепленной на нем неподвижной центральной пробкой 2, приемный лоток 3, закрепленный на верхней части корпуса 1, отводящий лоток 4 и желоб 5, закрепленные в нижней части корпуса 1, кольцо 6 с радиальными пазами 7, установленное с помощью кронштейна 8 на корпусе 1 и сопряженное с упомянутым корпусом и центральной пробкой 2 с возможностью вращения вокруг оси указанной пробки от закрепленного на кронштейне 8 привода 9. В корпусе 1 выполнены окна 10 и 11, из которых первое расположено напротив приемного лотка 3, а второе – напротив отводящего лотка 4, и проем 12, расположенный напротив желоба 5 и выхода радиального канала 13, выполненного в центральной пробке 2. В кольце 6, на дне каждого радиального паза 7, выполнено гнездо 14, расположенное напротив приемного лотка 3 при совмещении радиального паза 7 с упомянутым лотком, а в верхней части каждого гнезда 14 выполнена полуоткрытая канавка 15 с выходом в радиальный паз 7. В центральной пробке 2 выполнены выемка 16, расположенная с возможностью совмещения своим входом с радиальным пазом 7 и гнездом 14 и сопряженная своим выходом со входом радиального канала 13, тоннель 17, сопряженный своим выходом с окном 11, и вырез 18, расположенный между приемным лотком 3 и выемкой 16 и сопрягаемый своим входом с радиальным пазом 7 при совмещении, а своим выходом сопряженный со входом тоннеля 17.
Корпус 1 и сопряженное с ним кольцо 6 наклонены к горизонту под углом, обеспечивающим самотечное перемещение ориентируемого стержня 19. Полуоткрытая канавка 15 выполнена длиной, соответствующей длине короткой ступени одного из концов упомянутого стержня.
Устройство для вторичной ориентации ступенчатых стержней работает следующим образом.
Кольцо 6 вращают со скоростью V вокруг оси центральной пробки 2 от закрепленного на кронштейне 8 привода 9.
При совмещении радиального паза 7 с окном 10 ориентируемый стержень 19 из приемного лотка 3, в котором он был размещен, под действием собственного веса смещается в упомянутый радиальный паз 7. В этом пазу он может занимать одно из двух положений: правильно ориентированное (положение правильно ориентируемого стержня 20, обращенного своей длинной ступенью к центральной пробке 2) и неправильно ориентированное (положение неправильно ориентированного стержня 21, обращенного своей короткой ступенью к центральной пробке 2). Ориентируемый стержень 19 своей малой по диаметру ступенью заходит в гнездо 14, а буртиком упирается в дно радиального паза 7. Разная длина при одинаковых диаметрах ступеней на концах ориентируемого стержня 19 обеспечивает ему разное положение вдоль оси радиального паза 7. Правильно ориентируемый стержень 20 размещается своей длинной ступенью по всей длине гнезда 14, а неправильно ориентированный стержень 21 своей короткой ступенью размещается только в той части длины упомянутого гнезда, где выполнена полуоткрытая канавка 15.
Независимо от занимаемого положения упомянутые стержни транспортируются в радиальном пазу 7 кольцом 6.
По мере поворота кольца 6 происходит совмещение радиального паза 7 с вырезом 18. Если в радиальном пазу 7 размещается правильно ориентированный стержень 20, то он задерживается гнездом 14, не опускается в вырез 18 и путем вращения кольца 6 транспортируется дальше, а при совмещении радиального паза 7 и гнезда 14 с выемкой 16 опускается в нее, смещается в радиальный канал 13, а по нему через проем 12 – в желоб 5. Если в радиальном пазу 7 размещается неправильно ориентированный стержень 21, то он за счет полуоткрытой канавки 15 не задерживается гнездом 14, опрокидывается в вырез 18, переориентируясь при этом в требуемое положение, смещается в тоннель 17, а по нему через окно 11 – в отводящий лоток 4.
Таким образом, в отводящий лоток 4 и желоб 5 попадают стержни в правильно ориентированном положении.
Устройство может быть использовано на машиностроительных предприятиях для ориентации деталей в виде стержней, имеющих на своих концах ступени с одинаковыми размерами в поперечном сечении, но разной длины, при автоматизации операций механической обработки, наплавки, сборки и измерения.
Формула изобретения
Устройство для вторичной ориентации ступенчатых стержней, содержащее наклонно установленный корпус с окнами, одно из которых выполнено напротив приемного лотка, смонтированного на верхней части корпуса, а другое – напротив отводящего лотка в нижней части корпуса, и проемом, расположенным напротив закрепленного в нижней части корпуса желоба, неподвижно установленную в корпусе центральную пробку с выемкой и радиальным каналом, сопряженным своим выходом с проемом, кольцо с радиальными пазами, сопряженное с корпусом и центральной пробкой и смонтированное с возможностью вращения относительно оси центральной пробки от закрепленного на корпусе привода, при этом в кольце на дне каждого радиального паза выполнено гнездо, расположенное напротив приемного лотка при совмещении радиального паза с упомянутым лотком, а выемка расположена с возможностью совмещения своим входом с радиальным пазом и сопряжена своим выходом со входом радиального канала, отличающееся тем, что в центральной пробке выполнен тоннель, сопряженный своим выходом с окном в нижней части корпуса, и вырез, расположенный между приемным лотком и выемкой и сопрягаемый при совмещении своим входом с радиальным пазом, а своим выходом – со входом тоннеля, причем в верхней части каждого гнезда выполнена полуоткрытая канавка с выходом в радиальный паз, а гнездо расположено с возможностью сопряжения с входом выемки центральной пробки при их совмещении.
РИСУНКИ
|
|