|
|
(21), (22) Заявка: 2009103831/09, 06.02.2009
(24) Дата начала отсчета срока действия патента:
06.02.2009
(46) Опубликовано: 10.02.2010
(56) Список документов, цитированных в отчете о поиске:
SU 1840421 A1, 20.03.2007. RU 2231923 C2, 27.06.2004. RU 2189112 C2, 10.09.2002. RU 2097920 С1, 27.11.1997. RU 2080739 C1, 27.05.1997. RU 2066925 C1, 20.09.1996. WO 2008/145811 A1, 04.12.2008. US 2008/254755 A1, 16.10.2008. US 2008/160947 A1, 03.07.2008.
Адрес для переписки:
141006, Московская обл., г. Мытищи-6, ФГУ 16 ЦНИИИ МО РФ, Зам. начальника института по научной работе, О.В. Смирнову
|
(72) Автор(ы):
Балюков Валерий Михайлович (RU), Голубев Владимир Николаевич (RU), Вергелис Николай Иванович (RU), Чумиков Эдуард Евгеньевич (RU), Батуров Игорь Анатольевич (RU), Усик Виллен Аркадьевич (RU)
(73) Патентообладатель(и):
Федеральное государственное учреждение 16 Центральный научно-исследовательский испытательный институт Министерства обороны Российской Федерации имени маршала войск связи А.И. Белова (RU)
|
(54) РАДИОПРИЕМНОЕ УСТРОЙСТВО
(57) Реферат:
Изобретение относится к области радиотехники и может быть использовано для приема сигналов в диапазоне коротких и ультракоротких волн с дискретной перестройкой рабочих частот. Технический результат – обеспечение возможности приема сигналов в KB и УКВ диапазонах волн и сокращение времени перестройки рабочих частот. Радиоприемное устройство содержит антенны KB и УКВ диапазонов, полосовой фильтр, блоки переключаемых фильтров KB и УКВ диапазонов, аналого-цифровой преобразователь (АЦП) полосы частот, блок цифровых фильтров, выходное устройство, блок усилителя высокой частоты (УВЧ), первый и второй смесители, блок опорного генератора, синтезатор частот гетеродинов, первый и второй гетеродин, блок переключаемых фильтров первой промежуточной частоты (ПЧ1), усилитель ПЧ1, блок переключаемых фильтров второй промежуточной частоты (ПЧ2), усилитель ГГЧ2, блок управления перестройкой рабочих частот и блок дистанционного управления (ДУ). Изобретение обеспечивает работу радиоприемного устройства в широком диапазоне частот, существенное сокращение времени установки рабочей частоты устройства с дискретностью 1 Гц на любую рабочую частоту. 1 з.п. ф-лы, 2 ил.
Изобретение относится к области радиотехники и может быть использовано для приема сигналов в диапазоне коротких и ультракоротких волн с дискретной перестройкой рабочих частот.
Известно радиоприемное устройство, содержащее антенну, селективный радиоприемник, состоящий из преселектора, преобразователя частоты, усилителя промежуточной частоты, амплитудного демодулятора и частотного демодулятора, блок управления и порт дистанционного управления [1].
Недостатком этого устройства является большое время, затрачиваемое на перестройку частоты, что ограничивает возможность его применения для приема кратковременных передач в различных диапазонах волн.
Наиболее близким по технической сущности к предлагаемому изобретению является радиоприемное устройство, описанное в [2].
Известное радиоприемное устройство содержит блок программного управления, перестраиваемый преселектор, состоящий из электронного конденсатора переменной емкости, контура и коммутатора, первый смеситель частот, первый блок коммутируемых фильтров, второй смеситель частот, второй блок коммутируемых фильтров, третий смеситель частот, блок однополосной телефонии, состоящий из усилителя, фильтра основной селекции, регулируемого усилителя, блока автоматической регулировки усиления, детектора и выходного усилителя, блок преобразования частот, блок автоматической телеграфии, состоящий из блока коммутируемых фильтров основной селекции и цифрового демодулятора, блок перестраиваемого гетеродина, синтезатор частот, блок программ, демодулятор команд, первый коммутатор, блок телеуправления и телесигнализации, второй коммутатор, аппаратуру автоматического ведения связи, дополнительный блок автоматической регулировки усиления и дополнительный регулируемый усилитель.
Известное устройство обеспечивает повышение устойчивости приема при воздействии помех, в том числе преднамеренных.
Недостатки известного радиоприемного устройства заключаются в том, что оно обеспечивает работу в одном KB диапазоне волн и на перестройку поддиапазонов волн в нем затрачивается значительное время.
Целью изобретения является обеспечение возможности приема сигналов в KB и УКВ диапазонах волн и сокращение времени перестройки рабочих частот.
Поставленная цель достигается тем, что в радиоприемное устройство, содержащее блок управления перестройкой рабочих частот, блок переключаемых фильтров коротковолнового диапазона (KB), блок усилителя высокой частоты (УВЧ), первый и второй смесители, синтезатор частот гетеродинов, в него введены антенна KB диапазона, полосовой фильтр, аналого-цифровой преобразователь (АЦП) полосы частот, блок цифровых фильтров, выходное устройство, антенна ультракоротковолнового (УКВ) диапазона, блок переключаемых фильтров УКВ диапазона, блок опорного генератора, первый гетеродин, блок переключаемых фильтров первой промежуточной частоты (ПЧ1), усилитель ПЧ1, второй гетеродин, блок переключаемых фильтров второй промежуточной частоты (ПЧ2), усилитель ПЧ2 и блок дистанционного управления (ДУ), при этом выход антенны KB диапазона соединен со входом полосового фильтра, выход которого соединен со входом блока переключаемых фильтров KB диапазона, выход которого соединен со входом АЦП полосы частот, выход которого соединен со входом блока цифровых фильтров, выход которого соединен с первым входом выходного устройства, через первый выход которого подаются цифровые сигналы на оконечные устройства цифровой обработки сигналов, выход антенны УКВ диапазона соединен со входом блока переключаемых фильтров УКВ диапазона, выход которого соединен со входом блока УВЧ, выход которого соединен с первым входом первого смесителя, выход которого соединен со входом блока переключаемых фильтров ПЧ1, выход которого через усилитель ПЧ1 соединен с первым входом второго смесителя, выход которого соединен со входом блока переключаемых фильтров ПЧ2, выход которого соединен со входом усилителя ПЧ2, выход которого соединен со вторым входом выходного устройства, через второй выход которого аналоговые сигналы подаются на оконечные устройства потребителя, первый и второй управляющие выходы блока опорного генератора подключены соответственно к первому и второму управляющим входам синтезатора частот гетеродинов, первый управляющий выход которого соединен с управляющим входом первого гетеродина, выход которого подключен ко второму входу первого смесителя, а второй управляющий выход синтезатора частот гетеродинов соединен с управляющим входом второго гетеродина, выход которого соединен со вторым входом второго смесителя, первый, второй и третий управляющие выходы блока управления перестройкой рабочих частот подключены к управляющим входам соответственно блока переключаемых фильтров KB диапазона, блока переключаемых фильтров УКВ диапазона и блока опорного генератора, четвертые, пятые, шестые, седьмые и восьмые управляющие выходы блока управления подключены соответственно к первому, второму, третьему, четвертому и пятому управляющим входам синтезатора частот гетеродинов, а девятые и десятые управляющие выходы блока управления перестройкой рабочих частот подключены к управляющим входам соответственно блока переключаемых фильтров ПЧ1 и блока переключаемых фильтров ПЧ2, выход блока ДУ соединен с управляющим входом блока управления.
Сопоставительный анализ с прототипом показывает, что предлагаемое радиоприемное устройство отличается наличием новых блоков: антенны KB диапазона, полосового фильтра, АЦП полосы частот, блока цифровых фильтров, выходного устройства, антенны УКВ диапазона, блока переключаемых фильтров УКВ диапазона, блока опорного генератора, первого гетеродина, блока переключаемых фильтров ПЧ1, усилителя ПЧ1, второго гетеродина, блока переключаемых фильтров ПЧ2, усилителя ПЧ2 и блока ДУ, а также изменением связей между известными блоками.
Таким образом, заявляемое радиоприемное устройство соответствует критерию изобретения “новизна”. Сравнение заявляемого решения с другими техническими решениями показывает, что вновь введенные в предлагаемое радиоприемное устройство блоки реализуемы, хорошо известны специалистам в данной области техники и дополнительного творчества, учитывая приведенные ниже пояснения, для их воспроизведения не требуется.
Данное решение существенно отличается от известных решений в данной области техники. Заявляемое решение явным образом не следует из уровня техники и имеет изобретательский уровень.
Это позволяет сделать вывод о соответствии технического решения критерию “существенные отличия”.
Заявляемое решение может быть реализовано с использованием существующих аппаратуры, приборов и устройств, используемых в электрорадиотехнике и вычислительной технике, и является промышленно применимым.
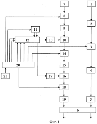
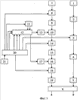
На фиг.1 представлена структурная электрическая схема радиоприемного устройства, а на фиг.2 приведена структурная электрическая схема синтезатора частот гетеродинов.
Радиоприемное устройство (фиг.1) содержит антенну 1 KB диапазона, полосовой фильтр 2, блок 3 переключаемых фильтров KB диапазона, аналого-цифровой преобразователь (АЦП) 4 полосы частот, блок 5 цифровых фильтров, выходное устройство 6, антенну 7 УКВ диапазона, блок 8 переключаемых фильтров УКВ диапазона, блок 9 УВЧ, первый смеситель 10, блок 11 опорного генератора, синтезатор 12 частот гетеродинов, первый гетеродин 13, блок 14 переключаемых фильтров ПЧ1, усилитель 15 ПЧ1, второй смеситель 16, второй гетеродин 17, блок 18 переключаемых фильтров ПЧ2, усилитель 19 ПЧ2, блок 20 управления перестройкой рабочих частот и блок 21 ДУ.
Синтезатор 12 частот гетеродинов (фиг.2) содержит цифровой синтезатор 22 сетки частот, первый блок 23 разбивки сетки частот на поддиапазоны, электронный коммутатор 24, первый смеситель 25, блок 26 переключения частотных подставок, блок 27 переключаемых фильтров, первый выходной усилитель 28, блок 29 образования частот второго гетеродина, второй выходной усилитель 30, второй блок 31 разбивки сетки частот на поддиапазоны, второй смеситель 32, генератор 33 частоты подставки и фильтр 34 верхних частот.
Выход антенны 1 KB диапазона соединен со входом полосового фильтра 2, выход которого соединен со входом блока 3 переключаемых фильтров KB диапазона, выход которого соединен со входом АЦП 4 полосы частот, выход которого соединен со входом блока 5 цифровых фильтров, выход которого соединен с первым входом выходного устройства 6, через первый выход которого подаются цифровые сигналы на оконечные устройства цифровой обработки сигналов.
Выход антенны 7 УКВ диапазона соединен со входом блока 8 переключаемых фильтров УКВ диапазона, выход которого соединен со входом блока 9 УВЧ, выход которого соединен с первым входом первого смесителя 10, выход которого соединен со входом блока 14 переключаемых фильтров ПЧ1, выход которого через усилитель 15 ПЧ1 соединен с первым входом второго смесителя 16, выход которого соединен со входом блока 18 переключаемых фильтров ПЧ2, выход которого соединен со входом усилителя 19 ПЧ2, выход которого соединен со вторым входом выходного устройства 6, через второй выход которого аналоговые сигналы подаются на оконечные устройства потребителя.
Первый и второй управляющие выходы блока 11 опорного генератора подключены соответственно к первому и второму управляющим входам синтезатора 12 частот приема, первый управляющий выход которого соединен с управляющим входом первого гетеродина 13, выход которого подключен ко второму входу первого смесителя 10, а второй управляющий выход синтезатора 12 частот приема соединен с управляющим входом второго гетеродина 17, выход которого соединен со вторым входом второго смесителя 16.
Первый, второй и третий управляющие выходы блока 20 управления перестройкой рабочих частот подключены к управляющим входам соответственно блока 3 переключаемых фильтров KB диапазона, блока 8 переключаемых фильтров УКВ диапазона и блока 11 опорного генератора, четвертые, пятые, шестые, седьмые и восьмые управляющие выходы блока 20 управления перестройкой рабочих частот подключены соответственно к первому, второму, третьему, четвертому и пятому управляющим входам синтезатора 12 частот гетеродинов, а девятые и десятые управляющие выходы блока 20 управления подключены к управляющим входам соответственно блока 14 переключаемых фильтров ПЧ1 и блока 18 переключаемых фильтров ПЧ2, выход блока 21 ДУ соединен с управляющим входом блока 20 управления перестройкой рабочих частот.
Первый выход цифрового синтезатора 22 сетки частот синтезатора 12 частот гетеродинов соединен со входом первого блока 23 разбивки сетки частот на поддиапазоны, выход которого соединен с первым входом электронного коммутатора 24, выход которого соединен со входом первого смесителя 25, выход которого соединен со входом блока 27 переключаемых фильтров, выход которого соединен со входом первого выходного усилителя 28, первый и второй управляющие выходы блока 26 переключения частотных подставок подключены к управляющим входам соответственно первого смесителя 25 и блока 29 образования частот второго гетеродина, выход которого соединен со входом второго выходного усилителя 30, а второй выход цифрового синтезатора 22 сетки частот соединен со входом второго блока 31 разбивки сетки частот на поддиапазоны, выход которого соединен с первым входом второго смесителя 32, второй вход которого соединен с выходом генератора 33 частоты подставки, выход которого соединен со входом фильтра 34 верхних частот, выход которого соединен со вторым входом электронного коммутатора 24. При этом входы цифрового синтезатора 22 сетки частот и генератора 33 частоты подставки являются соответственно первым и вторым входами синтезатора 12 частот гетеродинов, первыми, вторыми, третьими, четвертыми и пятыми управляющими входами которого являются управляющие входы соответственно первого блока 23 разбивки сетки частот на поддиапазоны, блока 26 переключения частотных подставок, блока 27 переключаемых фильтров, второго блока 31 разбивки сетки частот на поддиапазоны и фильтра 34 верхних частот.
Антенна 1 KB диапазона и антенна 7 УКВ диапазона представляют собой антенные решетки, выполненные на основе известных элементов.
Блок 3 переключаемых фильтров KB диапазона, блок 8 переключаемых фильтров УКВ диапазона, блок 14 переключаемых фильтров ПЧ1 и блок 15 переключаемых фильтров ПЧ2 выполнены с использованием микроминиатюрных конденсаторов и катушек индуктивности на основе ЧИП элементов с сосредоточенными параметрами, а также миниатюрных полосковых элементов с распределенными параметрами [3]. Это способствовало значительному сокращению массогабаритных характеристик указанных блоков и всего устройства в целом.
Блок 11 опорного генератора предназначен для формирования частот для первого и второго гетеродинов, цифрового синтезатора сетки частот.
Синтезатор 12 частот гетеродинов в составе цифрового синтезатора 22 сетки частот, первого блока 23 разбивки сетки частот на поддиапазоны, электронного коммутатора 24, первого смесителя 25, блока 26 переключения частотных подставок, блока 27 переключаемых фильтров, первого 28 и второго 30 выходных усилителей, блока 29 образования частот второго гетеродина, второго блока 31 разбивки сетки частот на поддиапазоны, второго смесителя 32, генератора 33 частоты подставки и фильтра 34 верхних частот обеспечивает существенное сокращение времени настройки рабочей частоты радиоприемного устройства.
Цифровой синтез мелкой сетки частот сам по себе обеспечивает минимальное время настройки (вплоть до единиц мксек). Однако современное состояние цифровой техники обеспечивает выполнение этого требования в устройствах подобного типа лишь в диапазоне до 300 МГц. Поэтому обеспечение минимального времени настройки частоты в радиоприемном устройстве (вплоть до единиц мксек) во всем УКВ диапазоне в предлагаемой схеме синтезатора 12 достигается использованием цифрового синтезатора в диапазоне от 30 до 300 МГц с последующим расширением этого диапазона с помощью частотных подставок и переключаемых фильтров. Фильтры необходимы для устранения (снижения уровня) посторонних частот на выходе синтезатора 12 частот гетеродинов.
Расширение диапазона частот достигается за счет введения в синтезатор 12 частот гетеродинов дополнительно цепочки, включающей второй блок 31 разбивки сетки частот на поддиапазоны, второй смеситель 32, генератор 33 частоты подставки и фильтр 34 верхних частот, выход которого соединен со вторым входом электронного коммутатора 24. При этом на электронный коммутатор 24 подаются сигналы одновременно только на один вход, то есть если сигналы поданы на первый вход, то второй его вход отключен. Переключение входов электронного коммутатора 24 осуществляется автоматически.
Радиоприемное устройство работает следующим образом.
В предлагаемом радиоприемном устройстве обеспечивается в KB диапазоне преселекция и цифровая обработка входных высокочастотных сигналов без промежуточного частотного преобразования, а в УКВ диапазоне осуществляется прием и обработка входных сигналов с двойным промежуточным частотным преобразованием и получением второй промежуточной частоты, которая выдается на выход устройства для последующего анализа и обработки оконечными устройствами потребителя.
При этом радиосигналы, наводимые в антенне 1 KB диапазона, поступают на вход полосового фильтра 2, который обеспечивает выделение сигналов в полосе пропускания частот KB диапазона, например 1,5-30 МГц, и подавление помех вне полосы пропускания. С выхода полосового фильтра 2 спектр сигналов в полосе частот пропускания входного сигнала поступает на вход одного из переключаемых фильтров блока 3 переключаемых фильтров KB диапазона. Управление переключением фильтров осуществляется путем подачи на управляющий вход блока 3 управляющих сигналов с первого управляющего выхода блока 20 управления перестройкой рабочих частот. Выбранный с помощью блока 20 управления фильтр блока 3 осуществляет выделение части полосы пропускания с целью уменьшения динамического диапазона уровней сосредоточенных помех, поступающих на вход АЦП 4 полосы частот, и тем самым обеспечивается согласование этого диапазона с динамическим диапазоном АЦП4.
На выходе АЦП 4 полосы частот образуется спектр сигналов, поступивших на вход блока, в цифровом виде, который поступает на вход блока 5 цифровых фильтров. В блоке 5 из всего выходного спектра в цифровом виде выделяется спектр в некоторой полосе частот, определенной блоком 20 управления. С выхода блока 5 цифровых фильтров этот спектр в цифровом виде поступает на первый вход выходного устройства 6 и с его первого выхода указанный спектр в цифровом виде поступает на блок цифровой обработки оконечного устройства потребителя. Такое построение тракта приема KB диапазона обеспечивает малое время настройки радиоприемного устройства на любую рабочую частоту во всем KB диапазоне.
Прием радиосигналов в УКВ диапазоне осуществляется следующим образом.
Радиосигналы, наводимые в антенне 7 УКВ диапазона, поступают на вход одного из фильтров блока 8 переключаемых фильтров УКВ диапазона. Переключение фильтров осуществляется за счет подачи на управляющий вход блока 8 управляющих сигналов со второго выхода блока 20 управления. Выделенный спектр сигналов с выхода блока 8 поступает на вход блока 9 УВЧ, который усиливает его и подает на первый вход первого смесителя 10, на второй вход которого с выхода первого гетеродина 13 подается соответствующая частотная подставка. Блок 10 осуществляет преобразование поступающего спектра сигналов в сигналы первой промежуточной частоты и подает их на вход одного из фильтров блока 14 переключаемых фильтров. Управление выбором конкретного фильтра осуществляется блоком 20 путем подачи на управляющий вход блока 14 управляющего сигнала. С выхода блока 14 сигналы поступают на вход усилителя 15 ПЧ1, который усиливает спектр сигналов и подает его на первый вход второго смесителя 16, на второй вход которого с выхода второго гетеродина 17 подается соответствующая частотная подставка. Блок 16 осуществляет преобразование поступающего спектра сигналов в сигналы второй промежуточной частоты и подает их на вход одного из фильтров блока 18 переключаемых фильтров ПЧ2. Управление выбором конкретного фильтра осуществляется блоком 20 путем подачи на управляющий вход блока 18 управляющего сигнала. С выхода блока 18 сигналы поступают на вход усилителя 19 ПЧ2, который усиливает спектр сигналов и подает его на второй вход выходного устройства 6 и с его второго выхода спектр сигналов ПЧ2 в аналоговом виде поступает на оконечное устройство потребителя для анализа и дальнейшей обработки.
Установка рабочей частоты радиоприемного устройства и перестройка фильтров в соответствующих блоках осуществляется с помощью блока 20 управления перестройкой рабочих частот. При этом процесс настройки и выбора конкретных фильтров может производиться непосредственно оператором путем набора соответствующих команд в блоке 20 или дистанционно с блока 21 ДУ путем подачи управляющих сигналов на вход блока 20 управления перестройкой рабочих частот.
Техническая эффективность предлагаемого радиоприемного устройства заключается в обеспечении возможности приема сигналов в KB и УКВ диапазонах волн и сокращении времени перестройки частот. Это достигается за счет введения дополнительно элементов тракта приема в УКВ диапазоне, выполнения синтезатора частот гетеродинов, обеспечивающего дискретную перестройку рабочей частоты в широком диапазоне частот (от 1,5 до 3000 МГц) с малым интервалом сетки частот (1 ГЦ) и высокую скорость установки рабочей частоты радиоприемного устройства во всем рабочем диапазоне частот.
Время перестройки в предлагаемом радиоприемном устройстве при этом существенно сократилось и составило единицы микросекунд в отличие от прототипа, у которого указанное время составляет единицы миллисекунд.
Изготовлен макет предлагаемого радиоприемного устройства и проведены его испытания, результаты которых подтвердили достижение поставленной цели.
Источники информации
1. RU патент на полезную модель 65704 U1, кл. Н04В 17/00, 2007.
2. SU авторское свидетельство 1840421 А1, кл. Н04В 1/06, 2007 (прототип).
3. Фирма «СМД компонент». Каталог электронных компонентов. 2006.
Формула изобретения
1. Радиоприемное устройство, содержащее блок управления перестройкой рабочих частот, блок переключаемых фильтров коротковолнового диапазона (KB), блок усилителя высокой частоты (УВЧ), первый и второй смесители, синтезатор частот гетеродинов, отличающееся тем, что в него введены антенна KB-диапазона, полосовой фильтр, аналого-цифровой преобразователь (АЦП) полосы частот, блок цифровых фильтров, выходное устройство, антенна ультракоротковолнового (УКВ) диапазона, блок переключаемых фильтров УКВ-диапазона, блок опорного генератора, первый гетеродин, блок переключаемых фильтров первой промежуточной частоты (ПЧ1), усилитель ПЧ1, второй гетеродин, блок переключаемых фильтров второй промежуточной частоты (ПЧ2), усилитель ПЧ2 и блок дистанционного управления (ДУ), при этом выход антенны KB-диапазона соединен со входом полосового фильтра, выход которого соединен со входом блока переключаемых фильтров KB-диапазона, выход которого соединен со входом АЦП полосы частот, выход которого соединен со входом блока цифровых фильтров, выход которого соединен с первым входом выходного устройства, через первый выход которого подаются цифровые сигналы на оконечные устройства цифровой обработки сигналов, выход антенны УКВ-диапазона соединен со входом блока переключаемых фильтров УКВ-диапазона, выход которого соединен со входом блока УВЧ, выход которого соединен с первым входом первого смесителя, выход которого соединен со входом блока переключаемых фильтров ПЧ1, выход которого через усилитель ПЧ1 соединен с первым входом второго смесителя, выход которого соединен со входом блока переключаемых фильтров ПЧ2, выход которого соединен со входом усилителя ПЧ2, выход которого соединен со вторым входом выходного устройства, через второй выход которого аналоговые сигналы подаются на оконечные устройства потребителя, первый и второй управляющие выходы блока опорного генератора подключены соответственно к первому и второму управляющим входам синтезатора частот гетеродинов, первый управляющий выход которого соединен с управляющим входом первого гетеродина, выход которого подключен ко второму входу первого смесителя, а второй управляющий выход синтезатора частот гетеродинов соединен с управляющим входом второго гетеродина, выход которого соединен со вторым входом второго смесителя, первый, второй и третий управляющие выходы блока управления перестройкой рабочих частот подключены к управляющим входам соответственно блока переключаемых фильтров KB-диапазона, блока переключаемых фильтров УКВ-диапазона и блока опорного генератора, четвертые, пятые, шестые, седьмые и восьмые управляющие выходы блока управления перестройкой рабочих частот подключены соответственно к первому, второму, третьему, четвертому и пятому управляющим входам синтезатора частот гетеродинов, а девятые и десятые управляющие выходы блока управления подключены к управляющим входам соответственно блока переключаемых фильтров ПЧ1 и блока переключаемых фильтров ПЧ2, выход блока ДУ соединен с управляющим входом блока управления перестройкой рабочих частот.
2. Устройство по п.1, отличающееся тем, что синтезатор частот гетеродинов содержит цифровой синтезатор сетки частот, первый блок разбивки сетки частот на поддиапазоны, электронный коммутатор, первый смеситель, блок переключения частотных подставок, блок переключаемых фильтров, первый выходной усилитель, блок образования частот второго гетеродина, второй выходной усилитель, второй блок разбивки сетки частот на поддиапазоны, второй смеситель, генератор частоты подставки и фильтр верхних частот, при этом первый выход цифрового синтезатора сетки частот соединен со входом первого блока разбивки сетки частот на поддиапазоны, выход которого соединен с первым входом электронного коммутатора, выход которого соединен со входом первого смесителя, выход которого соединен со входом блока переключаемых фильтров, выход которого соединен со входом первого выходного усилителя, первый и второй управляющие выходы блока переключения частотных подставок подключены к управляющим входам соответственно первого смесителя и блока образования частот второго гетеродина, выход которого соединен со входом второго выходного усилителя, а второй выход цифрового синтезатора сетки частот соединен со входом второго блока разбивки сетки частот на поддиапазоны, выход которого соединен с первым входом второго смесителя, второй вход которого соединен с выходом генератора частоты подставки, выход которого соединен со входом фильтра верхних частот, выход которого соединен со вторым входом электронного коммутатора, при этом входы цифрового синтезатора сетки частот и генератора частоты подставки являются соответственно первым и вторым входами синтезатора частот гетеродинов, первыми, вторыми, третьими, четвертыми и пятыми управляющими входами которого являются управляющие входы соответственно первого блока разбивки сетки частот на поддиапазоны, блока переключения частотных подставок, блока переключаемых фильтров, второго блока разбивки сетки частот на поддиапазоны и фильтра верхних частот.
РИСУНКИ
|
|