|
(21), (22) Заявка: 2008111230/09, 14.03.2008
(24) Дата начала отсчета срока действия патента:
14.03.2008
(43) Дата публикации заявки: 10.10.2009
(46) Опубликовано: 10.02.2010
(56) Список документов, цитированных в отчете о поиске:
US 4575690, 11.03.1986. RU 2277292 С1, 27.05.2006. US 2005/0242893 А1, 03.11.2005. JP 55023672 А, 20.02.1980. US 5200714 А, 06.04.1993. ШАРАПОВ В.М., МУСИЕНКО М.П., ШАРАПОВА Е.В. Мир электроники. Пьезоэлектрические датчики. – М.: ТЕХНОСФЕРА. 2006, с.294-296.
Адрес для переписки:
191186, Санкт-Петербург, а/я 230, “АРС-ПАТЕНТ”, пат.пов. В.М.Рыбакову, рег. 90
|
(72) Автор(ы):
Артемьев Вадим Андреевич (RU), Вороховский Яков Леонидович (RU), Галасюк Игорь Борисович (RU), Добровольский Александр Александрович (RU), Яковлев Сергей Федорович (RU)
(73) Патентообладатель(и):
Открытое акционерное общество “Морион” (ОАО “Морион”) (RU)
|
(54) СПОСОБ УМЕНЬШЕНИЯ ВЛИЯНИЯ ВИБРАЦИОННЫХ ВОЗДЕЙСТВИЙ НА РАБОЧИЕ ХАРАКТЕРИСТИКИ КВАРЦЕВОГО ГЕНЕРАТОРА ЧАСТОТЫ И ВИБРОУСТОЙЧИВЫЙ КВАРЦЕВЫЙ ГЕНЕРАТОР
(57) Реферат:
Изобретение относится к области радиотехники и может использоваться для генерирования электрических колебаний. Достигаемый технический результат – снижение влияния вибрационных воздействий на рабочие характеристики кварцевого генератора частоты. Кварцевый генератор содержит два корпусированных кварцевых пьезоэлемента, причем один электрод каждого из пьезоэлементов соединен с одним электродом другого пьезоэлемента, при этом кварцевые пьезоэлементы расположены так, что имеют одинаковую ориентацию в пространстве, а указанные электроды кварцевых пьезоэлементов соединены встречно. 2 н. и 8 з.п. ф-лы, 6 ил.
Область техники, к которой относится изобретение
Изобретение относится к области радиотехники, в частности к устройствам генерирования электрических колебаний с использованием пьезоэлектрических устройств стабилизации и селекции частоты.
Уровень техники
В настоящее время имеют широкое распространение генераторы электрических колебаний, в которых стабилизация частоты осуществляется с использованием кварцевых резонаторов. Одним из важнейших параметров кварцевых генераторов является величина относительной спектральной плотности мощности фазовых шумов (ФШ), непосредственно влияющая на параметры оборудования, в котором используется кварцевый генератор. В частности, величина ФШ во многом определяет качество связи, дальность действия и разрешение РЛС и т.д. Хорошо известен эффект значительной деградации ФШ на величину порядка 30-50 дБ при внешних механических воздействиях. Механические воздействия могут быть ударными и вибрационными и в общем случае степень их влияния достаточно удобно оценивается с помощью широкополосной случайной вибрации (ШСВ). Можно сказать, что если обеспечено подавление вибрационного воздействия, то также обеспечивается и подавление ударного воздействия в той же полосе частот при обеспечении соответствия энергетических характеристик ударного и вибрационного воздействия. Для подавляющего большинства практических применений полоса частот ШСВ составляет 10-2000 Гц.
Известен ряд устройств, использующих для подавления воздействия ШСВ механическое демпфирование. В них могут использоваться упругие свойства резины и других полимерных или композитных материалов, а также демпфирующие свойства тросовой подвески. Недостатками механических способов снижения влияния ШСВ являются большие размеры демпфирующих устройств, их различные демпфирующие свойства по пространственным координатам, а также недостаточное подавление ШСВ в низкочастотной области (до 100-300 Гц).
Известны устройства, обеспечивающие подавление ШСВ в низкочастотной области путем электронной компенсации влияния вибрационных воздействий. Так, в патентном документе US 7106143 приведен способ электронной компенсации g-чувствительности (чувствительности к вибрационным воздействиям) кварцевого пьезоэлемента, входящего в состав кварцевого резонатора, с применением датчика ускорения, сигнал с которого после обработки подается на элемент управления частотой кварцевого резонатора. Недостатком данного способа является необходимость разработки достаточно сложной схемы компенсации.
Более простой способ компенсирования внешних механических воздействий раскрыт в патенте US 4575690. В этом документе описан способ и кварцевый генератор, содержащий два электрически последовательно включенных кварцевых резонатора, у которых кварцевые пьезоэлементы расположены таким образом, что их вектора g-чувствительности расположены антипараллельно. Эти способ и устройство являются наиболее близким аналогом заявляемого изобретения.
Для осуществления способа и устройства подавления влияния вибрации на кварцевые пьезоэлементы согласно известному решению требуется определение направления максимальной чувствительности пьезоэлементов к ускорениям для того, чтобы компенсация была наиболее эффективной. Это является недостатком, поскольку усложняет осуществление способа. Кроме того, компенсация вибрационных воздействий происходит всего лишь по одному из направлений воздействия вибрации.
Раскрытие изобретения
Задачей настоящего изобретения является создание способа снижения влияния вибрационных воздействий на рабочие характеристики кварцевого генератора частоты, благодаря которому компенсируется влияние вибрационных воздействий по всем направлениям воздействия вибрации, а необходимость определения направления максимальной чувствительности пьезоэлементов к ускорениям отсутствует.
Другой задачей изобретения является создание кварцевого генератора, в котором обеспечивается снижение влияния вибрационных воздействий на кварцевый резонатор.
Первая задача настоящего изобретения решена в способе уменьшения влияния вибрационных воздействий на рабочие характеристики кварцевого генератора, содержащего, по меньшей мере, два электрически соединенных между собой кварцевых пьезоэлемента. Согласно изобретению обеспечивают, по существу, одинаковую пространственную ориентацию пьезоэлементов, а электрическое соединение кварцевых пьезоэлементов выполняют встречным.
Ориентация кварцевого пьезоэлемента в пространстве определяется по расположению в пространстве его поверхностей и кристаллографических осей. Для того чтобы кварцевые пьезоэлементы имели одинаковую ориентацию в пространстве, необходимо, чтобы их кристаллографические оси были одинаково сориентированы.
Под встречным электрическим соединением понимается такое соединение, при котором соединяют электроды разных пьезоэлементов, имеющие одинаковое расположение относительно их кристаллографических осей. При этом соединены должны быть по одному электроду каждого кварцевого пьезоэлемента.
Одинаковая ориентация кварцевых пьезоэлементов в пространстве обеспечивает идентичность электрических потенциалов, вызываемых вибрационными и ударными воздействиями, а благодаря встречному включению кварцевых пьезоэлементов электрические потенциалы взаимно компенсируются, выполняя таким образом компенсацию воздействия вибрации.
Степень компенсации вибрационного воздействия зависит от идентичности кварцевых пьезоэлементов и нанесенных на них электродов, условий, в которых находятся пьезоэлементы, а также от идентичности вибрационного воздействия на пьезоэлементы. При этом можно указать следующую зависимость: чем больше различие между кварцевыми пьезоэлементами и электродами, нанесенными на пьезоэлементы, и условиями, в которых находятся пьезоэлементы, и вибрационным воздействием на пьезоэлементы, тем хуже будет компенсация вибрационного воздействия.
В предпочтительном варианте при осуществлении способа обеспечивают синфазность и равенство амплитуд вибрационных воздействий на каждый из пьезоэлементов. Для обеспечения идентичности воздействия вибрации на пьезоэлементы необходимо обеспечить одинаковое закрепление кварцевых пьезоэлементов в приборе, а расстояние между пьезоэлементами сделать минимально возможным.
Для обеспечения глубокой компенсации вибрационного воздействия желательно, чтобы кварцевые пьезоэлементы были идентичны. В предпочтительном варианте при осуществлении способа используют кварцевые пьезоэлементы, изготовленные из одной заготовки кристалла кварца или из заготовок кристалла кварца с одинаковыми срезами и имеющие одинаковую форму и размеры.
Вторая задача изобретения решена в кварцевом генераторе, содержащем, по меньшей мере, два корпусированных кварцевых пьезоэлемента, причем один электрод каждого из пьезоэлементов соединен с одним электродом другого пьезоэлемента. Согласно изобретению кварцевые пьезоэлементы расположены так, что имеют, по существу, одинаковую ориентацию в пространстве, а электроды кварцевых пьезоэлементов соединены встречно.
Для повышения эффективности компенсации воздействия вибрации в предпочтительном варианте кварцевый генератор снабжен средствами, обеспечивающими синфазность и равенство амплитуд вибрационных воздействий на каждый из пьезоэлементов. Такими средствами являются одинаковое закрепление кварцевых пьезоэлементов в приборе и установка их на минимально возможном расстоянии друг от друга. При неодинаковых свойствах закрепления пьезоэлементов вибрационное воздействие на кварцевые пьезоэлементы будет различным и, как следствие, эффект компенсации вибрационного воздействия будет ниже.
С увеличением расстояния между пьезоэлементами вибрационное воздействие на пьезоэлементы будет становиться все более различающимся из-за фазовых сдвигов (временных задержек), образующихся у механических колебаний при распространении в конструкции генератора. При большем расстоянии между пьезоэлементами вибрационные воздействия будут иметь большие разности в фазах (временах задержек), в результате чего суммарный эффект снижения вибрационного воздействия будет становиться меньше. При этом для низкочастотных механических колебаний (вибрации) фазовый набег по отношению к длине волны будет иметь меньшее значение, в связи с чем глубина компенсации вибрационного воздействия в низкочастотной части спектра ШСВ будет больше, чем в высокочастотной. По мере роста частоты вибрационного воздействия эффект его компенсации снижается и при некотором значении частоты, зависящем от расстояния, эффект компенсации вибрационного воздействия будет отсутствовать.
Для обеспечения максимальной компенсации вибрационного воздействия на выходной сигнал генератора желательно, чтобы кварцевые пьезоэлементы были идентичны. В предпочтительном варианте кварцевые пьезоэлементы имеют одинаковые форму и размеры. При использовании пьезоэлементов, имеющих отличающиеся форму и размеры, эффект компенсации вибрационного воздействия уменьшается.
Также предпочтительно, чтобы кварцевые пьезоэлементы были изготовлены из одной заготовки кристалла кварца или из заготовок кристалла кварца с одинаковыми срезами. Эффект компенсации влияния вибрации на параметры выходного сигнала генератора будет достигаться также и при электрическом соединении кварцевых пьезоэлементов, изготовленных из заготовок кристалла кварца, имеющих разные срезы, однако такой эффект будет меньше или иметь выборочное действие по частоте или направлению воздействия, чем при одинаковых срезах заготовок кристаллов кварца.
Предпочтительно при изготовлении пьезоэлементов двухповоротных срезов из заготовок кварца допуск на углы поворота заготовки при ее ориентации для получения требуемого среза составляют 15 20 угловых секунд на угол первого поворота (относительно кристаллографической оси Z) и ±3 угловые минуты на угол второго поворота (относительно кристаллографической оси X).
Для одноповоротных срезов, в частности АТ-срезов, педпочтительный допуск должен быть не более ±1 1,5 угловых минут.
Если в кварцевом генераторе согласно настоящему изобретению используются кварцевые пьезоэлементы, при изготовлении которых указанные допуски не соблюдаются, то глубина компенсации воздействия вибрации на кварцевые пьезоэлементы будет меньше, но тем не менее эффект наблюдаться будет.
Для увеличения эффекта подавления вибрационного воздействия необходимо, чтобы электроды, нанесенные на кварцевые пьезоэлементы, имели одинаковые форму, размеры и положения на пьезоэлементах. Допуск на положение электрода относительно кромки пьезоэлемента составляет порядка нескольких сотых долей мм, допуск на линейные размеры маски для напыление электродов имеет порядок нескольких мкм. Для соединения электродов с подводящими электрическое напряжение проводниками у каждого электрода предусматривается вывод электрода, представляющий собой нанесенный заодно с электродом отвод от электрода в сторону периферии кварцевого пьезоэлемента в виде узкой полосы. Положение вывода электрода имеет влияние на колебательный процесс, происходящий в кварцевом пьезоэлементе, поэтому в предпочтительном варианте при напылении электродов допуск на положение выводов электрода составляет не более ± 5 градусов относительно кристаллографической оси Z. При несоблюдении указанного допуска эффект подавления вибрационного воздействия будет меньше.
Кварцевые пьезоэлементы, применяемые в кварцевом генераторе согласно настоящему изобретению, могут быть установлены как в одном герметичном корпусе, так и в отдельных герметичных корпусах. В предпочтительном варианте каждый пьезоэлемент заключен в отдельный корпус, образуя таким образом отдельный кварцевый резонатор. При этом предпочтительно применение одинаковых видов корпусов и создание одинаковых условий размещения кварцевых пьезоэлементов в корпусах, таких как закрепление пьезоэлементов, давления внутри корпуса, а также обеспечение идентичности вибрационного воздействия на корпуса резонаторов. В предпочтительном варианте вибрационное воздействие на корпуса резонаторов должно быть одинаковым, то есть синфазным и с одинаковыми амплитудами. Для этого необходимо обеспечить идентичность механических свойств закрепления резонаторов и минимальное расстояние между ними.
Как в случае установки пьезоэлементов в одном корпусе, так и в случае использования отдельных корпусов, различие в угловой ориентации пьезоэлементов друг относительно друга не должно превышать величины ±5 угловых градусов относительно кристаллографических осей Z.
При несоблюдении указанного допуска эффект подавления вибрационного воздействия будет меньше, однако будет присутствовать.
Краткое описание чертежей
На чертежах изображен пример выполнения виброустойчивого кварцевого генератора частоты.
На фиг.1 представлен кварцевый пьезоэлемент.
На фиг.2 показано основание корпуса кварцевого резонатора с установленным пьезоэлементом.
На фиг.3 изображено взаимное расположение кварцевых резонаторов в кварцевом генераторе частоты.
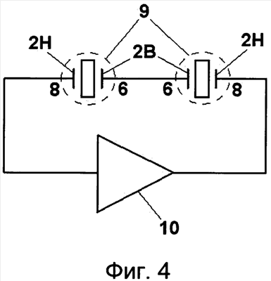
На фиг.4 изображена схема электрического включения кварцевых резонаторов в кварцевом генераторе частоты.
На фиг.5 приведена характеристика ФШ кварцевого генератора с одним резонатором, причем нижняя кривая соответствует ФШ генератора без вибрационного воздействия, а верхняя – при воздействии ШСВ в диапазоне 10-200 Гц по наиболее g-чувствительной оси.
На фиг.6 приведена характеристика ФШ кварцевого генератора со встречным включением резонаторов, причем нижняя кривая соответствует ФШ генератора без вибрационного воздействия, а верхняя – при воздействии ШСВ в диапазоне 10-200 Гц по наиболее g-чувствительной оси.
Осуществление изобретения
Кварцевый генератор согласно примеру исполнения содержит два кварцевых резонатора, каждый из которых в свою очередь содержит пьезоэлемент, установленный в корпусе, состоящем из основания и крышки.
На фиг.1 представлен пример выполнения кварцевого пьезоэлемента для кварцевого генератора согласно изобретению. Кварцевый пьезоэлемент 1 представляет собой кристалл кварца, которому придана дискообразная форма, с нанесенными на кристалл, например, методом напыления, двумя электродами 2 и выводами 3 электродов, которые имеют различное положение относительно кристаллографических осей пьезоэлемента. Электрод, показанный на фиг.1 сверху, условно обозначен как верхний электрод 2В, а электрод, показанный на фиг.1 снизу, условно обозначен как нижний электрод 2Н.
На фиг.2 показано размещение пьезоэлемента 1 на основании 4 корпуса кварцевого резонатора 9 с помощью держателей 5. При установке пьезоэлемента 1 верхний электрод 2В пьезоэлемента 1 через вывод 3 электрода соединяется с электрическим выводом 6, проходящим в основании 4 корпуса, с помощью предназначенного для этого проводника 7, а нижний электрод 2Н пьезоэлемента 1 соединяется с электрическим выводом 8 (на фиг.2 не показан), проходящим в основании 4 корпуса. Кроме того, на основании 4 установлена крышка (не показана), благодаря которой обеспечивается герметичность корпуса. Кварцевый резонатор 9 вакуумирован.
Второй кварцевый резонатор 9 (фиг.3) изготавливается точно так же, как и первый, причем пьезоэлементы 1, устанавливаемые в резонаторах 9, изготовлены из одной заготовки кварца в едином технологическом цикле, имеют одинаковую форму, одинаковое расположение кристаллографических осей и идентичное расположение верхних и нижних электродов 2В и 2Н, а также выводов 3 электродов относительно кристаллографических осей. При установке второго пьезоэлемента 1 в такой же корпус, в который установлен и первый пьезоэлемент 1, обеспечивается одинаковая ориентация кристаллографических осей первого и второго пьезоэлементов 1 относительно оснований 4 корпусов резонаторов 9, причем закрепление пьезоэлементов 1 на основаниях 4 корпусов с помощью держателей 5 выполняется одинаковым. Герметичность и степень вакуумирования для резонаторов 9 также выполняются, по существу, одинаковыми, то есть резонаторы 9 должны иметь максимальную идентичность. Такая идентичность достаточно просто обеспечивается при изготовлении резонаторов в едином технологическом цикле.
Кварцевые резонаторы 9 установлены на монтажной плате 10 с обеспечением идентичности пространственной ориентации резонаторов 9. На фиг.3 показаны пространственные координаты и одинаковое расположение ключей на корпусах резонаторов. Кварцевые резонаторы 9 закреплены на плате 10 одинаково. Показанные на фиг.3 кварцевые резонаторы 9 имеют больше чем два электрических вывода, но в настоящем рассмотрении имеют значение только выводы 6 и 8. При монтаже резонаторов 9 на плате электрические выводы 6 кварцевых резонаторов 9 с помощью проводников электрически соединяются друг с другом, а выводы 8 включены в схему генератора 11 электрических колебаний, как это показано на фиг.4. Поскольку верхние электроды 2В пьезоэлементов 1 соединены с электрическими выводами 6 резонаторов 9, а нижние электроды 2Н соединены с электрическими выводами 8, происходит встречное электрическое соединение пьезоэлементов 1. При этом пьезоэлементы 1 имеют идентичную ориентацию в пространстве, поскольку кварцевые резонаторы 9 имеют одинаковую ориентацию, а пьезоэлементы 1 в резонаторах 9 также установлены одинаково.
При работе такого кварцевого генератора частоты реализуется способ компенсации влияния вибрационных воздействий на рабочие характеристики кварцевого генератора частоты. Вследствие одинаковой ориентации кварцевых пьезоэлементов в пространстве электрические потенциалы, возникающие в кристаллах кварца вследствие вибрационных воздействий, практически идентичны по величине. При этом благодаря встречному включению кварцевых пьезоэлементов электрические потенциалы, наводящиеся под действием вибрации на соединенные между собой электроды, взаимно компенсируются, т.е. их влияние на рабочие характеристики кварцевого генератора практически сводится к нулю. В результате применения такого способа подавления вибрационного воздействия удается снизить g-чувствительность по худшей оси в несколько раз.
На фиг.5 и 6 приведены графики ФШ кварцевого генератора без использования и с использованием компенсации вибрационного воздействия путем встречного включения кварцевых резонаторов, что позволяет оценить эффективность заявляемого способа уменьшения влияния вибрационных воздействий на рабочие характеристики кварцевого генератора частоты.
Следует отметить, что компенсация вибрационного воздействия происходит по всем направлениям воздействия вибрации вследствие одинаковости ориентации пьезоэлементов. При этом необходимость определения направления максимальной чувствительности пьезоэлементов к ускорениям отсутствует, так как для реализации заявляемого способа снижения влияния вибрационных воздействий достаточно лишь определения расположения кристаллографических осей пьезоэлемента, что традиционно осуществляется при изготовления пьезоэлементов.
Формула изобретения
1. Способ уменьшения влияния вибрационных воздействий на рабочие характеристики кварцевого генератора частоты, содержащего два кварцевых пьезоэлемента, причем кварцевые пьезоэлементы соединяют между собой электрически, отличающийся тем, что обеспечивают, по существу, одинаковую пространственную ориентацию кварцевых пьезоэлементов, а электрическое соединение кварцевых пьезоэлементов выполняют встречным.
2. Способ по п.1, отличающийся тем, что используют кварцевые пьезоэлементы, изготовленные из одной заготовки кристалла кварца или из заготовок кристалла кварца с одинаковыми срезами, при этом кварцевые пьезоэлементы имеют одинаковые форму и размеры.
3. Способ по п.1, отличающийся тем, что обеспечивают синфазность и равенство амплитуд вибрационных воздействий на каждый из пьезоэлементов.
4. Кварцевый генератор, содержащий два корпусированных кварцевых пьезоэлемента, причем один электрод каждого из пьезоэлементов соединен с одним электродом другого пьезоэлемента, отличающийся тем, что кварцевые пьезоэлементы расположены так, что имеют, по существу, одинаковую ориентацию в пространстве, а указанные электроды кварцевых пьезоэлементов соединены встречно.
5. Кварцевый генератор по п.4, отличающийся тем, что кварцевые пьезоэлементы имеют одинаковые форму и размеры.
6. Кварцевый генератор по п.4, отличающийся тем, что кварцевые пьезоэлементы изготовлены из одной заготовки кристалла кварца или из заготовок кристалла кварца с одинаковыми срезами.
7. Кварцевый генератор по любому из пп.4-6, отличающийся тем, что допуск на углы поворота пьезоэлемента двухповоротного среза составляют: 15 20 угловых секунд на угол первого поворота (относительно кристаллографической оси Z) и ±3 угловые минуты на угол второго поворота (относительно кристаллографической оси X) и не более ±1 1,5 угловых минут для одноповоротных срезов.
8. Кварцевый генератор по любому из пп.4-6, отличающийся тем, что допуск на поворот одного пьезоэлемента относительно другого в конструкции генератора составляет не более ±5 угловых градуса относительно кристаллографической оси Z пьезоэлементов.
9. Кварцевый генератор по любому из пп.4-6, отличающийся тем, что допуск на различие ориентации пьезоэлементов, установленных в едином корпусе, относительно кристаллографической оси Z составляет не более ±5 угловых градуса.
10. Кварцевый генератор по любому из п.4-6, отличающийся тем, что каждый пьезоэлемент заключен в отдельный корпус.
РИСУНКИ
|