|
(21), (22) Заявка: 2008147487/09, 01.12.2008
(24) Дата начала отсчета срока действия патента:
01.12.2008
(46) Опубликовано: 10.02.2010
(56) Список документов, цитированных в отчете о поиске:
Обзоры по электронной технике. Серия 7: «Технология, организация производства и оборудование», вып.3. – М.: ЦНИИ «Электроника», 1978, с.22. WO 0008740 A2, 17.02.2000. GB 982539 A, 03.02.1965.
Адрес для переписки:
428003, г.Чебоксары, пр-кт И. Яковлева, 3, ООО НПП “ЭКРА”
|
(72) Автор(ы):
Ильин Владимир Федорович (RU), Котельников Андрей Геннадьевич (RU)
(73) Патентообладатель(и):
Общество с ограниченной ответственностью научно-производственное предприятие “ЭКРА” (RU)
|
(54) СЕТЕВОЙ ФИЛЬТР (ВАРИАНТЫ)
(57) Реферат:
Изобретение относится к области электротехники и может быть использовано для повышения помехоустойчивости устройств релейной защиты и автоматики, питающихся от сети постоянного и переменного тока. Технический результат заключается в повышении надежности функционирования устройства при действии несимметричных импульсных помех большой энергии. Указанный результат достигается введением в схему фильтра, содержащего катушки индуктивности на ферромагнитных сердечниках и конденсаторы, образующие LC-звенья в цепи помех общего вида, дополнительных ключевых резистивных двухполюсников, шунтирующих катушки индуктивности. Подключаемые в период действия высоковольтного импульса помехи резистивные двухполюсники создают дополнительные потери и обеспечивают ограничение переходных токов в катушках индуктивности и выбросов напряжений на конденсаторах. 2 н. и 6 з.п. ф-лы, 4 ил.
Изобретение относится к области электротехники и может быть использовано для повышения помехоустойчивости устройств релейной защиты и автоматики, питающихся от сети постоянного и переменного тока.
Известен сетевой фильтр, содержащий магнитосвязанные катушки индуктивности на общем ферромагнитном сердечнике, включенные согласно в разрыв линейных проводов сети электропитания, и конденсаторы, связывающие линейные провода между собой и шиной заземления (см. [1], с.337, рис.8.10).
Недостатком такого фильтра является низкая эффективность при действии в сети электропитания микросекундных импульсных помех большой энергии. Высоковольтные импульсные помехи общего вида, возникающие в сети электропитания при коммутации силового оборудования или ударов молнии, вызывают переходные процессы, сопровождающиеся насыщением ферромагнитного сердечника и коммутацией индуктивности в цепях линейных проводов фильтра. Скачкообразное снижение индуктивности катушек приводит к увеличению скорости нарастания переходных токов и напряжений и генерированию фильтром собственных помех. В результате ускоренного колебательного заряда Y-конденсаторов, включенных между линейными проводами и шиной заземления, на выходе фильтра создаются выбросы переходного напряжения с повышенной крутизной фронта и амплитудой, превышающей амплитуду исходной импульсной помехи. Причем в случае высокой добротности колебательных LC-звеньев фильтра это превышение может достигать предельного 2-кратного значения. Таким образом, данный фильтр при воздействии микросекундных импульсных помех общего вида генерирует собственные помехи и создает опасные выбросы переходного напряжения с повышенной крутизной нарастания, снижающие надежность функционирования устройства.
Сетевой фильтр может содержать независимые катушки индуктивности, собранные на отдельных ферромагнитных сердечниках с зазором, насыщение которых не вызывает большого изменения индуктивности. Но и в этом случае несимметричные импульсные помехи большой энергии вызывают опасные выбросы переходного напряжения, приводящие к снижению надежности функционирования устройства.
Известны сетевые фильтры, в которых для подавления выбросов перенапряжения используются дополнительные ограничители напряжения в виде варисторов или «зенеровских» диодов, включенных между линейными проводами и шиной заземления на входе и/или выходе фильтра [2]. Однако жесткие требования к электрической прочности изоляции устройств релейной защиты и автоматики, в составе которых предусматривается сетевой фильтр, ограничивают применение защитных цепей с рабочим напряжением, меньшим уровня регламентированного приемо-сдаточными и периодическими испытаниями. Использование же высоковольтных энергоемких ограничителей напряжения усложняет конструкцию фильтра и ухудшает его массообъемные показатели. К тому же указанные защитные цепи не исключают переходной нелинейный режим электромагнитных компонентов и генерирование фильтром собственных помех повышенной частоты.
Целью предложенного технического решения является повышение надежности функционирования устройства при действии несимметричных импульсных помех большой энергии.
Технический результат достигается тем, что в сетевом фильтре, содержащем катушки индуктивности на ферромагнитных сердечниках, включенные в разрыв линейных проводов, и конденсаторы, связывающие линейные провода между собой и с шиной заземления, катушки индуктивности зашунтированы дополнительно введенными ключевыми резистивными двухполюсниками.
Во втором варианте сетевого фильтра, содержащем магнитосвязанные катушки индуктивности на общем ферромагнитном сердечнике, включенные в разрыв линейных проводов, и конденсаторы, связывающие линейные провода между собой и с шиной заземления, по крайней мере одна из магнитосвязанных катушек индуктивности зашунтирована дополнительно введенным ключевым резистивным двухполюсником.
В третьем варианте сетевого фильтра ключевой резистивный двухполюсник выполнен в виде последовательно включенных резистора и разрядника.
В четвертом варианте сетевого фильтра ключевой резистивный двухполюсник выполнен в виде последовательно включенных резистора и тиристора.
В пятом варианте сетевого фильтра упомянутые катушки индуктивности включены в разрыв линейных проводов последовательно с дополнительно введенными высокочастотными дросселями.
В предложенном устройстве негативные действия несимметричной импульсной помехи большой энергии подавляются с помощью низкоомных резисторов, подключаемых на время переходного процесса параллельно катушкам индуктивности. При этом основной ток заряда Y-конденсаторов замыкается через низкоомные резисторы, в результате чего катушки индуктивности разгружаются по току на все время переходного процесса. В связи с возрастанием потерь в схеме фильтра устанавливается апериодический переходной процесс, при котором исключается выброс переходного напряжения. Таким образом, низкоомный резистор в цепи дополнительного двухполюсника обеспечивает ограничение амплитуды тока в катушках индуктивности и снижение добротности колебательных LC-звеньев фильтра. Ключевой элемент с определенным пороговым уровнем напряжения обеспечивает отстройку от низковольтных помех и надежное срабатывание при действии высоковольтных импульсных помех.
В качестве ключевого элемента в цепи дополнительного двухполюсника может применяться разрядник или двухполюсный защитный тиристор с симметричной вольт-амперной характеристикой. Последний обладает более стабильными ключевыми характеристиками. В случае применения тиристора, с целью ограничения скорости нарастания коммутируемого им тока в схему фильтра могут быть введены дополнительно высокочастотные дроссели в виде ферритовых трубок, надетых на линейные провода.
При применении в сетевом фильтре магнитосвязанных катушек индуктивности, собранных на общем ферромагнитном сердечнике, требуемое снижение добротности колебательного контура может производиться подключением дополнительного двухполюсника параллельно только одной катушке индуктивности.
Следует отметить, что в предложенном техническом решении ограничение выбросов переходного напряжения при действии высоковольтных импульсных помех достигается применением дополнительных компонентов с меньшей установленной мощностью, чем в известных аналогах с защитными ограничителями напряжения.
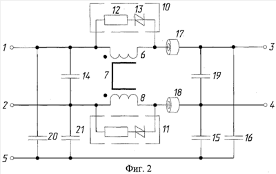
На фиг.1 приведена схема одного из вариантов 2-проводного сетевого фильтра с катушками индуктивности, собранными на отдельных ферромагнитных сердечниках; на фиг.2 – схема варианта сетевого фильтра с катушками индуктивности, собранными на общем ферромагнитном сердечнике; на фиг.3 и 4 приведены экспериментальные осциллограммы напряжения на входном и выходном выводах фильтра, снятые относительно шины заземления при воздействии несимметричной микросекундной импульсной помехи соответственно для схемы фильтра без дополнительного двухполюсника и с ним.
Сетевой фильтр на фиг.1 содержит входные 1, 2 и выходные 3, 4 выводы для подключения его в разрыв 2-проводной линии сети постоянного или переменного тока и общий вывод 5 для подключения к шине заземления. Между входными и выходными выводами 1, 3 и 2, 4 включены катушки индуктивности 6 и 8, собранные на ферромагнитных сердечниках 7 и 9. Параллельно катушкам индуктивности 6 и 8 включены двухполюсники 10 и 11, состоящие из последовательно соединенных резистора 12 и двухполюсного тиристора с симметричной вольт-амперной характеристикой 13. Входные выводы фильтра 1 и 2 связаны между собой через Х-конденсатор 14, а выходные выводы 3 и 4 связаны с общим выводом 5 через Y-конденсаторы 15 и 16.
Во втором варианте фильтра на фиг.2 магнитосвязанные катушки индуктивности 6 и 8 собраны на общем ферромагнитном сердечнике 7 и подключены между входными и выходными выводами фильтра 1, 3 и 2, 4 через высокочастотные дроссели 17 и 18. Дроссели 17 и 18 могут быть выполнены в виде ферритовых трубок, надетых на линейные проводники. Схема фильтра дополнена Х-конденсатором 19, связывающим между собой выходные выводы 3 и 4, и Y-конденсаторами 20 и 21, связывающими входные выводы 1 и 2 с общим выводом 5.
Сетевой фильтр на фиг.1 работает следующим образом.
В отсутствие помех сетевой фильтр обычным образом обеспечивает напряжение на потребителе, подключенном к выходным выводам 3 и 4.
При действии помех, наводимых на линейных проводах относительно земли с амплитудой, не превышающей напряжения включения тиристора 13, цепи двухполюсников 10 и 11 остаются разомкнутыми и сохраняют высокоомное состояние. Они не оказывают влияния на режим работы, и коэффициент ослабления помех общего вида в частотной области определяется передаточной характеристикой параллельно включенных высокодобротных LC-звеньев фильтра, образуемых катушками индуктивности и Y-конденсаторами соответственно: 6 и 16; 8 и 15.
При действии на входе фильтра импульсной помехи общего вида с амплитудой, превышающей напряжение включения тиристора 13, происходит коммутация в цепи двухполюсников 10 и 11 и катушки индуктивности 6 и 8 шунтируются низкоомными резисторами 12 на время протекания зарядного тока Y-конденсаторов 15 и 16. При этом добротность LC-звеньев фильтра резко снижается и потери в зарядном контуре возрастают. В схеме устанавливается апериодический переходный процесс, при котором максимальное напряжение на Y-конденсаторах 15 и 16 ограничивается амплитудой исходного импульса помехи. При этом зарядные токи Y-конденсаторов 15 и 16 замыкаются в основном через низкоомные цепи двухполюсников 10 и 11 и катушки индуктивности 6 и 8 сохраняют режим малых токов, при котором не происходит насыщение ферромагнитных сердечников.
По окончании переходного процесса, когда зарядные токи Y-конденсаторов 15 и 16 спадают ниже уровня тока удержания тиристора 13, последний запирается и двухполюсники 10 и 11 возвращаются в высокоомное состояние. С этого момента высокодобротные LC-звенья фильтра обычным образом обеспечивают подавление низковольтных помех.
Сопротивление резистора 12 в цепях двухполюсников 10 и 11 выбирается из условий формирования апериодического переходного процесса с допустимой крутизной нарастания напряжения на выходных выводах фильтра и ограниченной амплитудой переходного тока в катушках индуктивности 6 и 8.
Сетевой фильтр на фиг.2 имеет симметричную схему относительно входных и выходных выводов и обеспечивает надежное функционирование при действии несимметричных импульсных помех как со стороны сети электропитания, так и со стороны потребителя. Так как коэффициент связи катушек индуктивности 6 и 8, собранных на одном ферромагнитном сердечнике 7, достаточно высок, то рассмотренный шунтирующий эффект может быть получен подключением дополнительного двухполюсника параллельно только одной катушке индуктивности 6 или 8. В условиях повышенной интенсивности высоковольтных импульсных помех оправдано включение двухполюсников параллельно каждой катушке индуктивности. В этом случае схема фильтра оказывается строго симметричной и более надежной.
В сетевых фильтрах с повышенным рабочим током в схему могут быть введены высокочастотные дроссели 17 и 18. Они обеспечивают необходимое ограничение скорости нарастания токового импульса в начальный период коммутации тиристора и повышают надежность его работы.
Рассмотренное техническое решение апробировано на практике. Для эксперимента был использован фильтр, собранный по схеме на фиг 2. Он содержит: двухобмоточный дроссель с индуктивностью 2×18 мГн и рабочим током 2 А; Х-конденсаторы с емкостью по 0,68 мкФ и рабочим напряжением 300 В (тип X1) и Y-конденсаторы – по 6,8 нФ и 250 В (тип Y1), включенные на входе и выходе фильтра. Дополнительный двухполюсник, собранный из последовательно соединенных резистора сопротивлением 62 Ом и мощностью 1 Вт и тиристора типа TISP4250H3 (фирмы BOURNS) с рабочим напряжением 250 В, подключался параллельно одной обмотке дросселя. Для формирования импульсной помехи был использован имитатор микросекундных импульсных помех типа ИИП-4000. Результаты испытаний фильтра без дополнительного двухполюсника (фиг.3) и с ним (фиг.4) наглядно подтверждают эффективность предложенного технического решения. Приведенные экспериментальные осциллограммы напряжения на входном 1 (кривая 1) и выходном 3 (кривая 2) выводах фильтра сняты относительно общего вывода 5 при действии несимметричной импульсной помехи с амплитудой 500 В. В фильтре без двухполюсника амплитуда выброса переходного напряжения на выходных выводах фильтра составляет практически 800 В, что на 60% превышает амплитуду исходного импульса помехи. Наблюдаемые на входных выводах фильтра кратковременные провалы и выбросы напряжения указывают на эмиссию высокочастотных помех в питающую сеть, обусловленную колебательным перезарядом входных Y-конденсаторов во время насыщенного состояния сердечника магнитосвязанных катушек индуктивности. Таким образом, сетевой фильтр без дополнительного двухполюсника усиливает действие импульсной помехи за счет генерирования свободных колебаний повышенной частоты.
В схеме фильтра с двухполюсником амплитуда напряжения свободной составляющей повышенной частоты существенно ослаблена. Согласно экспериментальным данным неблагоприятный выброс переходного напряжения на выходных выводах фильтра отсутствует. Максимальный уровень выходного напряжения составляет 480 В, что ниже амплитуды исходного импульса помехи. Крутизна нарастания выходного напряжения в 1,5 раза ниже входного, а гладкая форма кривой входного напряжения свидетельствует о малом влиянии переходного процесса данного фильтра на питающую сеть.
Таким образом, рассмотренное устройство при воздействии высоковольтных импульсных помех общего вида функционирует более надежно, чем известные аналоги. В отличие от сетевых фильтров с дополнительными высоковольтными ограничителями напряжения он проще в реализации. Предложенное техническое решение имеет существенные отличия от аналогов и является новым, ранее не известным.
Источники информации
1. Т.Уильямс, К.Армстронг. ЭМС для систем и установок. – М.: Издательский Дом «Технологии». 2004.
2. Патент 2214036 (Россия). Сетевой фильтр для оборудования, питающегося от сети переменного тока с заземленной нейтралью / В.А.Иванов, В.А.Колосов, B.C.Мухтарулин, А.А.Федосов. – Опубл. 10.10.2003.
Формула изобретения
1. Сетевой фильтр, содержащий катушки индуктивности на ферромагнитных сердечниках, включенные в разрыв линейных проводов, и конденсаторы, связывающие линейные провода между собой и с шиной заземления, отличающийся тем, что катушки индуктивности зашунтированы дополнительно введенными ключевыми резистивными двухполюсниками.
2. Сетевой фильтр по п.1, отличающийся тем, что ключевой резистивный двухполюсник выполнен в виде последовательно включенных резистора и разрядника.
3. Сетевой фильтр по п.1, отличающийся тем, что ключевой резистивный двухполюсник выполнен в виде последовательно включенных резистора и тиристора.
4. Сетевой фильтр по п.1, отличающийся тем, что катушки индуктивности включены в разрыв линейных проводов последовательно с дополнительно введенными высокочастотными дросселями.
5. Сетевой фильтр, содержащий магнитосвязанные катушки индуктивности на общем ферромагнитном сердечнике, включенные в разрыв линейных проводов, и конденсаторы, связывающие линейные провода между собой и с шиной заземления, отличающийся тем, что, по крайней мере, одна из магнитосвязанных катушек индуктивности зашунтирована дополнительно введенным ключевым резистивным двухполюсником.
6. Сетевой фильтр по п.5, отличающийся тем, что ключевой резистивный двухполюсник выполнен в виде последовательно включенных резистора и разрядника.
7. Сетевой фильтр по п.5, отличающийся тем, что ключевой резистивный двухполюсник выполнен в виде последовательно включенных резистора и тиристора.
8. Сетевой фильтр по п.5, отличающийся тем, что катушки индуктивности включены в разрыв линейных проводов последовательно с дополнительно введенными высокочастотными дросселями.
РИСУНКИ
|