|
|
(21), (22) Заявка: 2009102756/09, 28.01.2009
(24) Дата начала отсчета срока действия патента:
28.01.2009
(46) Опубликовано: 10.02.2010
(56) Список документов, цитированных в отчете о поиске:
SU 671664 А, 17.09.1980. SU 1365265 А1, 07.01.1988. RU 2250525 С1, 20.04.2005. RU 2174281 С1, 27.09.2001. RU 2231196 С2, 20.06.2004. RU 2138899 С1, 27.09.1999. RU 49392 U1, 10.11.2005. US 2718709 А, 27.09.1955. GB 1444900 А, 04.08.1976. US 3989966 А, 02.01.1976.
Адрес для переписки:
127083, Москва, ул. Мишина, 35, стр.2, ЗАО “Твин Трейдинг Компани”
|
(72) Автор(ы):
Абрамов Яков Кузьмич (RU), Веселов Владимир Михайлович (RU), Залевский Виктор Михайлович (RU), Евдокимов Владимир Дмитриевич (RU), Тамурка Виталий Григорьевич (RU), Миронов Борис Иванович (RU), Володин Вениамин Сергеевич (RU), Талеева Елена Владимировна (RU), Рассолов Александр Федорович (RU)
(73) Патентообладатель(и):
Закрытое акционерное общество “Твин Трейдинг Компани” (RU)
|
(54) СПОСОБ СУШКИ ТВЕРДОЙ ИЗОЛЯЦИИ ОБМОТОК ЭЛЕКТРИЧЕСКИХ МАШИН И АППАРАТОВ
(57) Реферат:
Изобретение относится к области электротехники, а точнее к технологии производства электрических машин, и может быть использовано, преимущественно, в трансформаторостроении, а также при производстве и ремонте электродвигателей. Согласно предлагаемому способу, нагрев изоляции в баке трансформатора производится воздушным теплоносителем и токами низкой частоты при подаче напряжения низкой частоты 1,0 Гц на высоковольтную обмотку при закороченной низковольтной обмотке, а цикличное вакуумирование бака проводят одно- или многоступенчатым скоростным вакуумированием с помощью ресивера и быстродействующего электроклапана за время до 10 с с последующей выдержкой под вакуумом до 10,0 мин и одно- или многоступенчатым сбросом вакуума до атмосферного давления напуском осушенного воздуха в бак трансформатора, а циклы повторяют до получения требуемого количества влаги в твердой изоляции. Многоступенчатое вакуумирование предотвращает механическую деформацию бака трансформатора и исключает образование дефектов в твердой изоляции из многослойных картонов и ДСП – растрескивание, расщепление и т.д. Для ускорение процесса сушки может быть использован обогреваемый вакуумный колпак. Режимы скоростного вакуумирования, объем ресивера и время достижения заданного давления рассчитываются по приведенным формулам. Технический результат от использования данного изобретения состоит в интенсификации процесса бездефектной сушки твердой изоляции для широкой номенклатуры трансформаторов по допустимому перепаду давления для бака. Сушка твердой изоляции может быть выполнена как на стадии изготовления трансформатора, так и при его эксплуатации во время замены масла. 2 з.п. ф-лы, 3 ил., 1 табл.
Изобретение относится к области электротехники, а именно к технологии производства электрических машин, преимущественно к трансформаторостроению.
Известен способ сушки твердой изоляции, по которому при увлажнении твердой изоляции, высушенной в процессе изготовления трансформаторов, сушку производят в масле (РТМ 16. 687.000.-73).
Однако этот способ малоэффективен, так как наличие масла ограничивает создание высоких температур, влагоемкость масла препятствует свободному удалению влаги из твердой изоляции, требуется слив и повторная заливка большого объема масла.
Способ энергоемкий и трудоемкий, требует большого объема подготовительных работ, применяется при незначительных поверхностях изоляции.
Известен способ сушки трансформаторов разбрызгиванием горячей диэлектрической жидкости (Патент США 2718709, кл. 34-91).
Бак трансформатора заполняется диэлектрической жидкостью до уровня начала уравнительной изоляции. К баку присоединяют оборудование для нагрева и очистки диэлектрической жидкости и производят циркуляцию жидкости в баке снизу вверх с разбрызгиванием ее в верхней части бака. Жидкость нагревают до 80-110°С. В баке поддерживают разрежение не более 125 мм рт.ст. остаточного давления. Высушенная диэлектрическая жидкость, попадая на изоляцию, нагревает и отбирает выделяющуюся из нее влагу (сушка в парах сольвента), которая удаляется из жидкости в очистительной установке. Разреженность в баке способствует удалению влаги.
Отбор влаги происходит медленно в связи с непродолжительностью контакта диэлектрической жидкости с твердой изоляцией и малой ее (жидкости) влагоемкостью, требуется высокопроизводительная установка для постоянной сушки жидкого диэлектрика, применяемая для сушки диэлектрическая жидкость при нагреве ее до 80-110°С в течение длительного времени (10-15 суток) не должна выделять продуктов старения, загрязняющих твердую изоляцию.
Наиболее близким по технической сущности и достигаемому эффекту является изобретение (SU А.С. 671664, Н02К 15/12) «Способ сушки твердой изоляции электрических машин и аппаратов», взятое за прототип. Способ включает нагрев твердой изоляции путем разбрызгивания нагретого масла с одновременным вакуумированием. Сушку ведут циклами, каждый из которых включает нагрев изоляции до температуры, не превышающий температуру старения масла, отключение нагрева и разбрызгивание масла. Продолжают процесс вакуумирования до достижения температуры изоляции 40-50°С, причем остаточное давление поддерживают на уровне, не превышающем 5 мм рт.ст. в течение всего цикла. Циклы повторяются до достижения требуемого содержания влаги в изоляции.
Недостатком способа является длительность процесса в связи с тем, что в процессе сушки изоляции температурный градиент препятствует перемещению влаги к поверхности изоляции, так как температура на поверхности больше, чем в центре тела, а также в вакууме процесс термодиффузии влаги протекает в виде пара, а не в виде жидкости.
Целью настоящего изобретения является создание условий, ускоряющих влагоудаление из твердой изоляции трансформаторов, для сокращения времени ее сушки при сохранении качества твердой изоляции – отсутствие трещин и расщеплений.
Поставленная цель достигается тем, что в способе сушки, проводимом циклами, каждый из которых включает нагрев изоляции с одновременным вакуумированием бака трансформатора, изоляцию предварительно нагревают при атмосферном давлении воздушным теплоносителем и путем подачи в высоковольтную обмотку напряжения низкой частоты до 1,0 Гц при замкнутой накоротко низковольтной обмотке до температуры, не превышающей температуру старения изоляции, вакуумирование бака трансформатора проводят одно- или многоступенчатым скоростным вакуумированием при помощи ресивера и быстродействующего электроклапана за время до 10 сек с последующей выдержкой под вакуумом до 10,0 мин и одно- или многоступенчатым сбросом вакуума до атмосферного давления напуском осушенного воздуха в бак трансформатора, а циклы повторяют до получения требуемого количества влаги в твердой изоляции.
Нагрев изоляции подачей в высоковольтную обмотку напряжения низкой частоты, не превышающего напряжения пробоя изоляции, при замкнутой накоротко обмотке низшего напряжения позволяет направить термодиффузию влаги от внутренней поверхности изолятора к наружной, испарение влаги происходит во всем объеме изоляции, причем во внутренних слоях больше, чем на ее поверхности, вследствие этого возникает градиент давления, который является основной движущей силой переноса пара внутри изолятора. Скоростное вакуумирование обеспечивает процесс термодиффузии влаги в виде жидкости, благодаря перепаду давления, получаемому в капиллярах, межкапиллярном пространстве и на поверхности изолятора, являющейся движущей силой переноса жидкости из глубины изоляции. Периодическая продувка бака нагретым воздушным теплоносителем интенсифицирует процесс удаления влаги, особенно на начальном этапе сушки изоляции.
Вакуумную сушку изоляции методом скоростного вакуумирования проводят циклами и, в зависимости от прочностных свойств бака трансформатора и материала изоляции (возможна деформация бака трансформатора и/или растрескивание, расслоение диэлектрических материалов), каждый цикл разделяют на несколько ступеней. Число ступеней выбирают как наибольшее из полученного отношения разности давления в баке трансформатора и ресивера к максимально допустимому перепаду давления в трансформаторе Р и отношения разности начального влагосодержания и конечного к максимально допустимому перепаду влагосодержания W для обеспечения качества изоляции.
Трансформаторы с допустимым перепадом давления для бака меньше одной атмосферы помещают для сушки твердой изоляции под обогреваемый колпак с возможностью создания в нем вакуума одноступенчатым скоростным вакуумированием с перепадом давления по отношению к ресиверу в 1 атм и одноступенчатым сбросом его до атмосферного давления.
Величины свободного объема ресивера и время набора заданного давления в баке трансформатора, характеризующие скоростное вакуумирование, рассчитываются по следующим зависимостям:
Vp=Vк.c.×(Рк.с.о-Рн.п.)/(Рн.п.-Рро);
t=[(Рн.р./Рк.с.о)-(к-1)/2к-1]/В;
где:
Vp – свободный объем ресивера;
Vк.c. – свободный объем бака трансформатора;
Рк.с.о – начальное давление газов в трансформаторе;
Рн.п. – давление насыщения паров влаги в зависимости от температуры в баке трансформатора;
Рро – начальное давление в ресивере;
t – время набора заданного давления в баке трансформатора;
к – показатель политропы газа в баке трансформатора;
В=(к-1)/2×(Go/ o) – показатель интенсивности истечения газов;
Go – начальный расход газа;
g – ускорение свободного падения;
Fкр – площадь минимального сечения быстродействующего клапана на трансформаторе;
R – газовая постоянная газа;
Тк.с.о – начальная температура газа в баке трансформатора;
о – начальная масса газа в баке трансформатора перед включением клапана.
Для расчетов параметров по вышеприведенным математическим выражениям при сушке изоляции трансформаторов с использованием «колпаков» вместо значения свободного объема бака трансформатора берется суммарное значение свободных объемов бака трансформатора и «колпака».
В зависимости от прочностных характеристик бака трансформатора возможны три схемы реализации предлагаемого метода сушки изоляции, которые показаны на фиг.1-3.
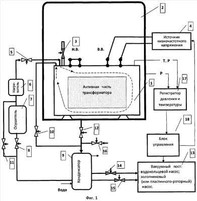
На фиг.1 приведена схема установки сушки твердой изоляции трансформатора с использованием нагрева воздушным теплоносителем и токами низкой частоты со скоростным вакуумированием бака трансформатора, находящегося внутри шкафа-ресивера.
На фиг.2 приведена схема установки сушки твердой изоляции трансформатора с баком, выдерживающим перепад давления (внешнего) не менее одной атмосферы, нагревом воздушным теплоносителем и токами низкой частоты со скоростным вакуумированием.
На фиг.3 приведена схема установки «колпак» для сушки твердой изоляции трансформатора с баком, выдерживающим перепад внешнего давления менее одной атмосферы, нагревом воздушным теплоносителем и токами низкой частоты со скоростным вакуумированием.
На фиг.1 приведена схема установки сушки изоляции трансформаторов в объемной вакуумной камере. При допустимом перепаде давления (внешнего) для бака Р меньше одной атмосферы (обычно Р 0,3 атм) трансформатор (один или несколькими в зависимости от их размеров) 1 помещают в вакуумную камеру 2, например объемный шкаф вакуумной заливочной установки. Объемный шкаф при этом является сушильным аппаратом и вакуумным ресивером, а свободный от масла объем бака трансформатора – вакуумной сушильной камерой. На крышку трансформатора устанавливают быстродействующий электроклапан 3 с открытым патрубком в свободный объем шкафа.
Устанавливаются датчики температуры изоляции и давления в баке и в шкафу.
Для нагрева изоляции подключаются источник низкочастотного напряжения 4 и система подачи воздушного теплоносителя, состоящая из электроклапана 5, нагревателя (термокомпрессора) 6, осушителя воздуха 1, электроклапана 8, конденсатора 9, электроклапана 10. При закрытии электроклапана 8 и открытии электроклапана 11 организуется замкнутый цикл движения воздушного теплоносителя с отключенным осушителем.
Для проведения скоростного вакуумирования (при закрытых быстродействующем электроклапане 3 и электроклапанах 5, 10, 16) откачивается воздух из свободного объема шкафа через электроклапан 12, конденсатор 9 вакуумным постом 13 при открытой, соответственно, электрозадвижке 14 или 15.
Сигналы с датчиков температуры и давления подаются на регистратор давления и температуры 17 и на блок управления 18, который позволяет отключать нагрев, вакуумирование и подает команды на все электроклапаны и задвижки.
На первой ступени скоростного вакуумирования из шкафа-ресивера откачивают воздух до давления P1 (Ратм– Р) и открывают быстродействующий электроклапан 3. После выравнивания давления в ресивере и баке трансформатора закрывают электроклапан 3 и проводят вторую ступень скоростного вакуумирования: откачивают ресивер до давления Р2 (P1– Р), открывают электроклапан 3, после выравнивания давления и закрытия клапана 3 проводят следующую ступень скоростного вакуумирования и т.д. После выполнения всех ступеней вакуумирования выполняют выдержку под вакуумом до 10 мин, при этом возможна дополнительная откачка воздуха из ресивера и бака трансформатора. В конце цикла проводится напуск нагретого осушенного воздуха через электроклапан 5 в бак трансформатора. В шкаф подается окружающий атмосферный воздух через электроклапаны 12 и 16.
Если режим сушки твердой изоляции необходимо выполнить при более строгих ограничениях на градиентные изменения вакуума, например для исключения растрескивания древесно-слоистого пластика (ДСП), то число ступеней скоростного вакуумирования увеличивается.
После выполнения требуемого количества циклов, обеспечивающего достижение допустимого нормами значений влагосодержания твердой изоляции, сушку прекращают.
На фиг.2 приведена схема установки сушки твердой изоляции трансформатора 1 с баком, выдерживающим перепад давления (внешнего) не менее одной атмосферы, нагревом воздушным теплоносителем и токами низкой частоты со скоростным вакуумированием.
Подключение источника низкочастотного напряжения 4 и воздушного теплоносителя для нагрева изоляции обмоток, а также установку датчиков для замера температуры и давления проводят, как описано выше. Загерметизированный бак трансформатора 1 соединяется трубопроводом через быстродействующий электроклапан 3 с конденсатором 9 и через электроклапан 12 с отдельным (стандартным) вакуумным ресивером 2. Откачка ресивера производится вакуумным постом 13 при открытии необходимых вакуумных электрозатворов 14 или 15. К другому патрубку на баке трансформатора подсоединяется система подачи воздушного теплоносителя, состоящая из электроклапана 5, нагревателя (термокомпрессора) 6, осушителя воздуха 7 и электроклапана 8, соединенного с кондесатором 9. При закрытых электроклапанах 8, 16 и открытом электроклапане 11 нагретый воздух будет циркулировать без прохождения через осушитель, тем самым увеличивается ресурс его эксплуатации.
После нагрева изоляции в баке трансформатора до заданной температуры (не превышающей температуру старения изоляции) отключают системы нагрева и проводят циклы скоростного вакуумирования. Величина допустимого изменения давления ограничена только характеристиками твердой изоляции, то есть допускается одноступенчатый цикл скоростного вакуумирования с последующей выдержкой под вакуумом до 10 мин. В режиме выдержки под вакуумом возможна откачка воздуха только бака трансформатора – перекрыв электроклапан 12, электрозатворы 14, 15 и открыв электроклапан 10.
Для выполнения очередного цикла вакуумирования в бак трансформатора подается осушенный нагретый воздушный теплоноситель. После завершения сушки твердой изоляции обмоток бак трансформатора заполняется маслом.
Данная система сушки твердой изоляции обмоток может быть реализована в виде мобильной установки для выполнения сушки изоляции трансформаторов, находящихся в эксплуатации при замене в них масла.
На фиг.3 приведена наиболее эффективная (по временным параметрам) схема сушки твердой изоляции в трансформаторах с баками, имеющими ограничения по перепаду к внешнему давлению, которую можно организовать, поместив трансформатор под малогабаритным (сопоставимым по объему с трансформатором) обогреваемым колпаком с возможностью создания в нем вакуума одноступенчатым скоростным вакуумированием с перепадом давления по отношению к ресиверу в 1 атм и одноступенчатым сбросом его до атмосферного давления. Обогрев колпака исключает возможность конденсации влаги, особенно на начальном этапе сушки.
Возможна реализация импульсного вакуумирования с использованием 2 ресиверов для более быстрого достижения рабочего давления под колпаком.
Нагрев твердой изоляции обмоток трансформатора 1 с незагерметизированным баком, расположенного на станине 19 и накрытого колпаком 20, осуществляется токами низкой частоты 4 и воздушным теплоносителем от нагревателя (термокомпрессора) 6 через электроклапан 5 в бак трансформатора. Движение воздушного теплоносителя может осуществляться по двум контурам. 1-ый – из бака в полость под колпаком и далее через быстродействующий электроклапан 3 в конденсатор 9, электроклапан 8, осушитель 7 в термокомпрессор 6 и через открытый электроклапан 5 в полость бака. 2-ой – при закрытом электроклапане 8 и открытом электроклапане 11 воздух не будет проходить через осушитель 7. Этот контур можно использовать при нагреве твердой изоляции на начальном этапе ее сушки, при больших значениях влагоудаления из изоляции и этим экономить ресурс осушителя.
Для выполнения скоростного вакуумирования полость колпака соединена быстродействующим электроклапаном 3 через конденсатор 9, электроклапан 13 с отдельным (стандартным) ресивером 2, который откачивается вакуумным постом 13 при открытых электрозадвижках 14 или 15.
Цикл скоростного вакуумирования одноступенчатый (если нет ограничений по режимам сушки твердой изоляции типа ДСП) и это сокращает время сушки изоляции. При выдержке под вакуумом можно откачивать воздух только из-под колпака и бака трансформатора – закрыв электроклапан 12, электрозадвижки 14, 15 и открыв электроклапан 10, тем самым уменьшая время достижения предельного вакуума: 0,5-1,0 мм рт.ст.
Создание на базе сушилок-колпаков двух параллельных поточных линий позволит увеличить производительность сушки изоляции трансформаторов до 4 раз.
Пример 1
В таблице приведены данные по сушке обмоток маслозаполненного трансформатора в вакуумном шкафу многоциклическим 3-ступенчатым скоростным вакуумированием с использованием образцов-спутников из 2-миллиметрового электротехнического картона размером 100×100 мм и крупных сегментов изоляции из ДСП размером 49×48×100 мм. Нагрев проводился до 105±2°С, затем выполнялось многоциклическое (через 120 мин) скоростное 3-ступенчатое вакуумирование. Скоростное вакуумирование выполнялось за время от 3,5 до 9,8 с. Время выдержки под вакуумом составляло от 3 до 10 мин.
| Таблица |
ступень цикл |
Давление, мм рт.ст. |
Время выравнивания давления, с |
Влажность, % |
| Ресивер |
Бак трансформатора |
Выравнивания |
(время выдержки под вакуумом, мин) |
Картон |
ДСП |
| 1/1 |
500 |
760 |
513 |
3,6 |
– |
– |
| 2/1 |
250 |
513 |
263 |
5,6 |
– |
– |
| 3/1 |
0,5 |
265 |
15 |
9,8 |
– |
– |
| 1 |
8 |
8 |
8 |
(3) |
 |
 |
| 1 |
500 |
760 |
– |
– |
4,3 |
3,8 |
| 1/59 |
500 |
760 |
513 |
3,5 |
– |
– |
| 2/59 |
250 |
513 |
263 |
5,4 |
– |
– |
| 3/59 |
0,5 |
265 |
14 |
9,3 |
– |
– |
| 59 |
1,3 |
1,3 |
1,3 |
(10) |
 |
 |
| 59 |
760 |
760 |
– |
– |
0,09 |
0,12 |
За 118 часов сушки достигнуто влагоудаление из ДСП 4,74% при отсутствии трещин и расщеплений.
Для сравнения за этот же период времени при температуре нагрева 105±2°С влагоудаление из ДСП в сушильном шкафу составило 3,76%. Для достижения уровня влагоудаления ~5% в сушильном шкафу понадобилось 176 часов – почти в 1,5 раза больше, а при сушке с использованием нагрева до 105±2°С и медленного (постоянного) вакуумирования затраченное время больше на 30%. В этих вариантах сушки в образцах из ДСП отмечено растрескивание.
Пример 2
Сушка элементов твердой изоляции обмоток трансформаторов (электротехнические бумага, многослойный картон, ДСП) по способу с использованием «колпака» проводилась на экспериментальной установке, состоящей из стеклянного колпака (диаметром 193 мм, высотой 485 мм, объемом 13,4 дм), металлической станины, ресивера объемом 100 дм3, закрытого металлического сосуда (диаметром 160 мм, высотой 120 мм) – имитатора бака трансформатора. В стенке металлического сосуда имелось два отверстия диаметром по 15 мм – одно для подачи воздуха по трубке через станину, другое для соединения с полостью колпака. Металлический сосуд с электронагревателем устанавливался на станине и в нем помещались элементы твердой изоляции. Нагрев изоляции проводился через стенку сосуда электронагревателем и обдувом воздухом, нагретым техническим феном (по трубке через станину). Нагретый воздух выходил из металлического сосуда в полость колпака, частично нагревая его стенки, и далее через магистраль в станине наружу.
Вакуумные и воздушные магистрали перекрывались шаровыми кранами Ду20.
Из ресивера и из колпака воздух откачивался вакуумным насосом 2FY-3B.
После нагрева образцов твердой изоляции до температуры 105°С проводилось скоростное одноступенчатое вакуумирование в течение 7 сек путем открытия быстродействующего электроклапана (марки КВМ-25НЖ, Ду 25) на магистрали, соединяющей ресивер с полостью колпака (через станину). Затем проводилась выдержка под вакуумом до 10 мин с откачкой воздуха из полости колпака (и металлического сосуда одновременно) до давления 0,5 мм рт.ст.
В зависимости от вида твердой изоляции после проведения от 3 до 15 циклов сушки скоростным вакуумированием влагосодержание в образцах твердой изоляции снижалось до 0,1 0,03%.
Формула изобретения
1. Способ сушки твердой изоляции электрических машин и аппаратов, преимущественно трансформаторов, циклами, каждый из которых включает нагрев ее с одновременным вакуумированием бака трансформатора, отличающийся тем, что изоляцию предварительно нагревают при атмосферном давлении воздушным теплоносителем и путем подачи в высоковольтную обмотку напряжения низкой частоты до 1,0 Гц при замкнутой накоротко низковольтной обмотке до температуры, не превышающей температуру старения изоляции, вакуумирование бака трансформатора проводят одно- или многоступенчатым скоростным вакуумированием при помощи ресивера и быстродействующего электроклапана за время до 10 с с последующей выдержкой под вакуумом до 10,0 мин и одно- или многоступенчатым сбросом вакуума до атмосферного давления напуском осушенного воздуха в бак трансформатора, а циклы повторяют до достижения требуемого количества влаги в твердой изоляции.
2. Способ по п.1, отличающийся тем, что трансформаторы с допустимым перепадом давления для бака меньше одной атмосферы помещают для сушки твердой изоляции под обогреваемый колпак с возможностью создания в нем вакуума одноступенчатым скоростным вакуумированием с перепадом давления по отношению к ресиверу в 1 атм. и одноступенчатым сбросом его до атмосферного давления.
3. Способ по п.1 или 2, отличающийся тем, что величина свободного объема ресивера и время набора заданного давления в трансформаторе рассчитываются по следующим зависимостям: Vp=Vк.с(Pк.с.о-Pн.п)/(Pн.п-Рро); t=[(Pн.р/Pк.c.o)-(к-1)/2к-1]/В, где Vp – свободный объем ресивера; Vк.с – свободный объем бака трансформатора; Рк.с.о – начальное давление в баке трансформатора; Рн.п – давление насыщения паров влаги в зависимости от температуры в баке трансформатора; Рро – начальное давление в ресивере; t – время набора заданного давления в баке трансформатора; к – показатель политропы газа в баке трансформатора; В=(к-1)/2×(G0/ 0) – показатель интенсивности истечения; G0 – начальный расход газа;
0 – начальная масса газа в баке трансформатора перед включением клапана.
РИСУНКИ
|
|