|
|
(21), (22) Заявка: 2008151279/09, 23.12.2008
(24) Дата начала отсчета срока действия патента:
23.12.2008
(46) Опубликовано: 10.02.2010
(56) Список документов, цитированных в отчете о поиске:
RU 2256274 C1, 10.07.2005. SU 1310974 A1, 15.05.1987. GB 2175155 A, 19.11.1986.
Адрес для переписки:
630092, г.Новосибирск, пр-кт К. Маркса, 20, НГТУ
|
(72) Автор(ы):
Бородин Николай Иванович (RU), Харитонов Сергей Александрович (RU)
(73) Патентообладатель(и):
Государственное образовательное учреждение высшего профессионального образования “Новосибирский государственный технический университет” (RU)
|
(54) СПОСОБ УПРАВЛЕНИЯ СТАТИЧЕСКИМИ СТАБИЛИЗИРОВАННЫМИ ИСТОЧНИКАМИ ПЕРЕМЕННОГО НАПРЯЖЕНИЯ, РАБОТАЮЩИМИ ПАРАЛЛЕЛЬНО НА ОБЩУЮ НАГРУЗКУ
(57) Реферат:
Изобретение относится к области электротехники и может быть использовано при построении систем генерирования электрической энергии или систем гарантированного электропитания с использованием параллельной работы источников. В предложенном способе управления измеряют мгновенные значения напряжения на общей нагрузке и токов источников, преобразуют их из трехфазной abc-системы координат в двухфазную dq-систему координат, формируют эталонные сигналы напряжения для d- и q-составляющих общего напряжения, формируют дополнительные сигналы напряжения пропорционально d- и q-составляющим общего напряжения, формируют разностные сигналы напряжения вычитанием соответствующих дополнительных сигналов напряжения из эталонных сигналов напряжения, формируют сигналы сравнения напряжения интегрированием разностных сигналов напряжения, формируют сигналы управления напряжением, суммированием сигналов сравнения напряжения с сигналами, пропорциональными соответственно разностным сигналам напряжения, для каждого из параллельно работающих источников формируют эталонные сигналы пропорционально соответствующим сигналам управления напряжением, формируют дополнительные сигналы пропорционально соответственно d- и q-составляющим тока источника, разностные сигналы, сигналы сравнения, управляющие сигналы суммированием соответствующих сигналов сравнения, сигналов, пропорциональных разностным сигналам, и сигналов, пропорциональных d- и q-составляющим токов источников, формируют модулирующие сигналы в abc-системе координат. Способ обеспечивает формирование напряжения на общей нагрузке и распределение составляющих тока нагрузки между источниками при сохранении стабильности параметров общего напряжения и точности распределения нагрузки между источниками в нормальном и послеаварийном режимах. 1 ил.
Изобретение относится к области электротехники и может быть использовано при построении систем генерирования электрической энергии или систем гарантированного электропитания, в которых для повышения выходной мощности и достижения надежности электропитания статические стабилизированные источники электрической энергии включаются параллельно на общую нагрузку. Первичными источниками с изменяющимися параметрами в таких системах может быть синхронный генератор с переменной скоростью вращения вала, промышленная сеть, аккумуляторная батарея. Функция стабилизации параметров выходной энергии в таких системах возлагается на статические преобразователи электрической энергии.
18], заключающийся в том, что формируют сигнал задания выходного напряжения преобразователей, измеряют напряжение на общей нагрузке и формируют сигнал отрицательной обратной связи по напряжению вычитанием сигнала, пропорционального напряжению на общей нагрузке, из сигнала задания напряжения, измеряют выходной ток каждого преобразователя, формируют эталонный сигнал тока нагрузки параллельно работающих преобразователей суммированием сигналов, пропорциональных токам преобразователей, формируют сигнал задания доли тока каждого преобразователя в токе нагрузке пропорционально эталонному сигналу тока нагрузки, с коэффициентом пропорциональности, равным отношению номинального тока данного преобразователя к номинальному току нагрузки, формируют сигнал отрицательной обратной связи по току путем вычитания сигнала, пропорционального току данного преобразователя, из сигнала задания доли тока данного преобразователя и формируют сигнал управления каждым преобразователем суммированием сигналов отрицательной обратной связи по току, напряжению и сигнала задания доли тока.
Данный способ управления реализует пропорциональное управление как по мгновенным значениям токов, так и по мгновенному значению выходного напряжения в каждом из параллельно работающих источников, и поэтому он обладает статическими ошибками при стабилизации общего напряжения и распределении тока нагрузки между источниками при изменении величины нагрузки.
Кроме того, известен способ управления статическими стабилизированными источниками переменного напряжения, работающими параллельно на общую нагрузку [Патент РФ 2256274, Н02Р 13/16. Способ управления статическими стабилизированными источниками переменного напряжения, работающими параллельно на общую нагрузку / Н.И.Бородин, С.А.Харитонов. – опубл. 10.07.2005, бюл. 19.], который является прототипом предлагаемого изобретения и заключается в том, что измеряют мгновенные значения напряжения на общей нагрузке и токов источников, формируют первый эталонный сигнал напряжения для первого стабилизируемого параметра общего напряжения – эталонный сигнал амплитуды, формируют второй эталонный сигнал напряжения для второго стабилизируемого параметра общего напряжения – эталонный сигнал фазы, формируют сигналы, пропорциональные активным и реактивным составляющим мощностей источников, первый и второй эталонные сигналы напряжения – амплитуды и фазы одного из параллельно работающих источников, отвечающего за стабилизацию параметров общего напряжения, формируют постоянными и соответствующими номинальным значениям параметров напряжения, формируют первый и второй дополнительные сигналы напряжения пропорционально соответственно значениям амплитуды и фазы общего напряжения, формируют первый и второй разностные сигналы напряжения вычитанием соответствующих дополнительных сигналов напряжения из эталонных сигналов напряжения, формируют первый и второй сигналы сравнения напряжения интегрированием первого и второго разностных сигналов напряжения, формируют первый и второй сигналы управления напряжением, для каждого из остальных параллельно работающих источников первые и вторые эталонные сигналы формируют пропорционально соответственно активной и реактивной составляющим мощности источника, отвечающего за стабилизацию параметров общего напряжения, с коэффициентом пропорциональности, равным отношению номинальных, полных мощностей каждого источника и источника, стабилизирующего параметры напряжения, первый и второй дополнительные сигналы остальных источников формируют равными соответственно активной и реактивной составляющим их мощности, для каждого источника формируют первый и второй разностные сигналы вычитанием соответствующих дополнительных сигналов из соответствующих эталонных сигналов, формируют первый и второй сигналы сравнения путем интегрирования разностных сигналов, пропорционально соответствующим сигналам сравнения формируют амплитуду и фазу управляющего сигнала.
Данный способ управления обеспечивает стабильность параметров общего напряжения в допустимых для нагрузки пределах, соответствующих изменениям эталонных сигналов напряжения источника, отвечающего за параметры напряжения, и реализует распределение составляющих мощности нагрузки между источниками пропорционально их номинальным мощностям. Однако при нарушении формирования выходных токов источника, отвечающего за стабилизацию параметров напряжения и задающего эталонные сигналы составляющих мощности для остальных источников, формирование напряжения на общей нагрузке и распределение составляющих тока нагрузки между источниками прекращается.
Задача изобретения – обеспечение формирования напряжения на общей нагрузке и распределение составляющих тока нагрузки между источниками при сохранении стабильности параметров общего напряжения и точности распределения нагрузки между источниками в послеаварийном режиме.
Это достигается тем, что в известном способе управления статическими стабилизированными источниками переменного напряжения, работающими параллельно на общую нагрузку, заключающемся в том, что измеряют мгновенные значения напряжения на общей нагрузке и токов источников, формируют первый и второй эталонные сигналы напряжения постоянными и соответствующими номинальным значениям амплитуды и фазы общего напряжения, формируют первый и второй дополнительные сигналы напряжения, формируют первый и второй разностные сигналы напряжения вычитанием соответствующих дополнительных сигналов напряжения из эталонных сигналов напряжения, формируют первый и второй сигналы сравнения напряжения интегрированием первого и второго разностных сигналов напряжения, формируют первый и второй сигналы управления напряжением, для каждого из параллельно работающих источников формируют первый и второй эталонные сигналы, первый и второй дополнительные сигналы, первый и второй разностные сигналы вычитанием соответствующих дополнительных сигналов из эталонных сигналов, первый и второй сигналы сравнения путем интегрирования соответствующих разностных сигналов, первый и второй управляющие сигналы, измеренные мгновенные значения общего напряжения и тока каждого источника преобразуют из трехфазной abc-системы координат во вращающуюся с постоянной частотой двухфазную dq-систему координат, в качестве первого и второго эталонных сигналов напряжения используют соответственно эталонные сигналы для d- и q-составляющих общего напряжения источников, в качестве первого и второго дополнительных сигналов напряжения используют сигналы, пропорциональные соответственно d- и q-составляющим общего напряжения источников, указанные первый и второй сигналы управления напряжением формируют суммированием первого и второго сигналов сравнения напряжения с сигналами, пропорциональными соответственно первому и второму разностным сигналам напряжения, указанные первый и второй эталонные сигналы каждого источника формируют пропорционально соответственно первому и второму сигналам управления напряжением с коэффициентами пропорциональности, равными отношению номинального значения тока данного источника к номинальному значению тока нагрузки, указанные первый и второй дополнительные сигналы источника формируют пропорционально соответственно d- и q-составляющим тока источника, указанные первый и второй управляющие сигналы формируют суммированием соответствующих сигналов сравнения, сигналов, пропорциональных первому и второму разностным сигналам, и сигналов, пропорциональных d – и q-составляющим токов источников, формируют модулирующие сигналы для каждого источника преобразованием первого и второго управляющих сигналов из двухфазной dq-системы координат в трехфазную abc-систему координат.
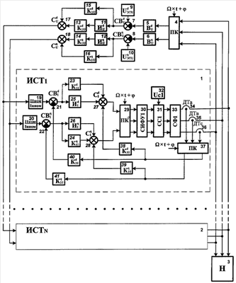
На чертеже представлена одна из возможных блок-схем, реализующая предлагаемый способ управления. Данная схема реализует параллельную работу N трехфазных статических стабилизированных источников переменного напряжения ИСТ1, , HCTN (блоки 1, 2), работающих на общую нагрузку Н (блок 3). Нагрузка соединена с входами схемы прямого преобразования координат ПК (блок 4), выходы которой через пропорциональные звенья и (блоки 5 и 6) соединены с вычитающими входами схем вычитания и (блоки 7 и 8). Уменьшаемые входы схем вычитания и (блоки 7 и 8) соединены с выходами схем формирования эталонных сигналов напряжения для d- и q-составляющих общего напряжения источников и (блоки 9 и 10). Выходы схем вычитания и (блоки 7 и 8) через интеграторы и (блоки 11 и 12) и пропорциональные звенья и (блоки 13 и 14) и через пропорциональные звенья и (блоки 15 и 16) соединены с входами сумматоров и (блоки 17 и 18). Выходы сумматоров соединены с входами пропорциональных звеньев Iiном/Iнном (блоки 19 и 20) в каждом из параллельно работающих источников. Выходы пропорциональных звеньев Iiном/Iнном (блоки 19 и 20) соединены с вычитаемыми входами схем вычитания и (блоки 21 и 22), выходы которых через пропорциональные звенья и (блоки 23 и 24) и через интеграторы и (блоки 25 и 26) соединены с входами сумматоров и (блоки 27 и 28). Выходы сумматоров и (блоки 27 и 28) соединены с входами схемы обратного преобразования координат ПК-1 (блок 29), выходы которой соединены с входами системы импульсно-фазового управления СИФУ1 (блок 30). Выходы системы импульсно-фазового управления СИФУ1 (блок 30) соединены с управляющими входами силовой схемы преобразователя СС1 (блок 31), силовой вход которой соединен с выходом первичного источника электрической энергии UC1 (блок 32). Выходы силовой схемы преобразователя СС1 (блок 31) через силовой фильтр СФ1 (блок 33) и датчики мгновенных значений выходных токов источников ДТа, ДТв, ДТс (блоки 34, 35, 36) соединены с нагрузкой Н (блок 3). Выходы датчиков тока ДТа, ДТв, ДТс (блоки 34, 35, 36) соединены с входами схемы прямого преобразователя координат ПК (блок 37), выходы которой через пропорциональные звенья и (блоки 38 и 39) соединены с входами сумматоров и (блоки 27 и 28), а также через пропорциональные звенья и (блоки 40 и 41) с вычитающими входами схем вычитания и (блоки 21 и 22).
Нагрузка Н (блок 3) может представлять собой резистор или последовательное или параллельное включение резистора и дросселя. Схемы прямого преобразования координат ПК (блоки 4 и 37) реализуют известное из электромеханики и теории автоматизированного электропривода преобразование трехфазных величин (токов и напряжений) их трехфазной abc системы координат во вращающуюся с постоянной частотой d- и q-составляющие системы dq-координат (см. Важнов А.И. Переходные процессы в машинах переменного тока. – Л.: Энергия, Ленингр. отд-ние, 1980) и представляют собой умножители аналоговых сигналов (см. Тимонеев В.Н., Величко Л.М., Ткаченко В.А. Аналоговые перемножители сигналов в радиоэлектронной аппаратуре. – М.: Радио и связь. – 1982. – 112 с.). Пропорциональные звенья: и (блоки 5 и 6), и (блоки 13 и 14), и (блоки 15 и 16), Iiном/Iнном (блоки 19 и 20), и (блоки 23 и 24), и (блоки 38 и 39), и (блоки 40 и 41), схемы вычитания и (блоки 7 и 8), и (блоки 21 и 22), сумматоры и (блоки 17 и 18), и (блоки 27 и 28), интеграторы и (блоки 11 и 12), и (блоки 25 и 26) – элементарные, типовые звенья, известные из теории автоматического регулирования (см. Теория автоматического управления. Ч.1. Теория линейных систем автоматического управления. Под ред. А.А.Воронова. Учеб. пособие для вузов. – М.: Высшая школа, 1977). Схемы формирования эталонных сигналов напряжения для d- и q-составляющих общего напряжения источников и (блоки 9 и 10), например, параметрические стабилизаторы (см. Источники электропитания радиоэлектронной аппаратуры: Справочник / Под ред. Г.С.Найвельта. – М.: Радио и связь, 1986). Схема обратного преобразования координат ПК-1 (блок 29) реализует известное из электромеханики и теории автоматизированного электропривода преобразование двух dq-координат системы координат, вращающейся с постоянной частотой , в трехфазную, симметричную с постоянной частотой abc-систему координат (см. Важнов А.И. Переходные процессы в машинах переменного тока. – Л.: Энергия, Ленингр. отд-ние, 1980) и представляет собой умножитель аналоговых сигналов (см. Тимонеев В.Н., Величко Л.М., Ткаченко В.А. Аналоговые перемножители сигналов в радиоэлектронной аппаратуре. – М.: Радио и связь. – 1982. – 112 с.). Система импульсно-фазового управления СИФУ1 (блок 30) – стандартная система импульсно-фазового управления, реализующая вертикальный принцип управления (см. B.C.Руденко, В.И.Сенько, И.М.Чиженко. Основы преобразовательной техники. – М.: Высшая школа, 1980). Силовая схема преобразователя СС1 (блок 31) может представлять собой непосредственный преобразователь частоты или последовательное включение выпрямителя и инвертора напряжения или инвертор напряжения (см. B.C.Руденко, В.И.Сенько, И.М.Чиженко. Основы преобразовательной техники. – М.: Высшая школа, 1980). Первичный источник электрической энергии UC1 (блок 32) – промышленная сеть или синхронный генератор с переменной скоростью вращения ротора или аккумуляторная батарея. Силовой фильтр СФ1 (блок 33) может представлять собой, например, однозвенный LC-фильтр в каждой выходной фазе или С-фильтр в каждой выходной фазе. Датчики мгновенных значений выходных токов источников ДТа, ДТв, ДТс (блоки 34, 35, 36) – трансформаторы тока.
Способ осуществляется следующим образом. Трехфазное напряжение общей нагрузки Н поступает на схему прямого преобразования координат ПК (блок 4), которой преобразуется в d- и q-составляющие общего напряжения и представляющие собой сигналы постоянного напряжения. Через пропорциональные звенья и (блоки 5 и 6), согласующие уровни d- и q-составляющих общего напряжения с эталонными сигналами напряжения и (блоки 9 и 10), d- и q-составляющие общего напряжения поступают на вычитающие входы схем вычитания и (блоки 7 и 8), на выходах которых формируется разность эталонных сигналов напряжения и согласованных по уровням d- и q-составляющих общего напряжения. Под действием этих разностей интеграторы и (блоки 11 и 12) изменяют свои выходные сигналы, что приводит к изменению сигналов на выходах сумматоров и (блоки 17 и 18), пропорциональных звеньев Iiном/Iнном (блоки 19 и 20), d- и q-составляющих управляющих сигналов на выходах сумматоров и (блоки 27 и 28), модулирующих сигналов на выходах схемы обратного преобразования координат ПК-1 (блок 29) и амплитуды и фазы напряжений на общей нагрузке Н (блок 3). Эти изменения сигналов будут происходить до тех пор, пока не выполнятся соотношения:

Тогда d- и q-составляющие общего напряжения и связанные с ними через dq-преобразование амплитуды и фазы напряжений на общей нагрузке определятся соотношениями:

Выражения (2) показывают, что d- и q-составляющие общего напряжения в установившемся режиме не зависят от величины нагрузки, распределения тока нагрузки между источниками, а при соответствующем выборе входящих в выражение (2) значений параметров обеспечивают номинальные значения амплитуды и фазы напряжений на общей нагрузке.
Выходные напряжения сумматоров и (блоки 17 и 18), и сигналы управления напряжением, сформированные в результате выполнения соотношений (1), через пропорциональные звенья Iiном/Iнном (блоки 19 и 20) поступают в каждый из параллельно работающих источников на уменьшаемые входы схем вычитания и (блоки 21 и 22) и являются сигналами задания для d- и q-составляющих токов источников. Измеренные датчиками ДТа, ДТв, ДТс (блоки 34, 35, 36) мгновенные значения токов источников преобразуются схемой прямого преобразования координат ПК (блок 37) в dq-систему координат. Сформированные d- и q-составляющие токов источников через пропорциональные звенья и (блоки 40 и 41) поступают на вычитаемые входы схем вычитания и (блоки 21 и 22). На выходах этих схем вычитания вырабатываются разностные сигналы, которые интегрируются интеграторами и (блоки 25 и 26). Выходные сигналы этих интеграторов будут изменяться, что приведет к изменению выходных сигналов сумматоров и (блоки 27 и 28), выходных сигналов схемы обратного преобразования координат схемой ПК-1 (блок 29), которые являются модулирующими сигналами системы импульсно-фазового управления СИФУ1 (блок 30). В результате изменения модулирующих сигналов изменяются модулированные последовательности импульсов на выходах системы импульсно-фазового управления СИФУ1 (блок 30), включающие управляемые ключи силовой схемы источника СС1 (блок 31), которая преобразует энергию первичного источника UC1 (блок 32) в выходную энергию с заданными параметрами, определяемыми модулирующими сигналами. Силовой фильтр СФ1 (блок 33) снижает в спектре выходного напряжения источника содержание высокочастотных составляющих, приближая напряжения и токи источника к синусоидальному виду. В результате ток источника будет изменяться до тех пор, пока в установившемся режиме выходные сигналы интеграторов и (блоки 25 и 26) не достигнут таких значений, при которых выполнятся соотношения:

Тогда d- и q-составляющие токов источников в установившемся режиме согласно (3) определятся выражениями:

Выражения (4) показывают, что в установившемся режиме d- и q-составляющие токов источников зависят от общих для всех источников d- и q-составляющих сигналов управления напряжением ( и ), но будут всегда пропорциональны отношению номинального значения тока данного источника (IiHОM) и номинального значения тока нагрузки (Iнном).
При скачкообразном увеличении (уменьшении) напряжений первичных источников электрической энергии UC1 (блок 32) увеличивается (уменьшается) напряжение на общей нагрузке. Это приводит к увеличению (уменьшению) сигналов на вычитаемых входах схем вычитания и (блоки 7 и 8). На выходах этих схем вычитания сигналы уменьшаются (увеличиваются), что передается через пропорциональные звенья и (блоки 15 и 16) и приводит к уменьшению (увеличению) сигналов на выходах сумматоров и (блоки 17 и 18) и схем вычитания и (блоки 21 и 22). Уменьшение (увеличение) выходных сигналов схем вычитания и (блоки 21 и 22) через пропорциональные звенья и (блоки 23 и 24) приведет к уменьшению (увеличению) выходных сигналов сумматоров и (блоки 27 и 28) и, соответственно, к уменьшению (увеличению) модулирующих напряжений систем импульсно-фазового управления СИФУ1 (блок 30). Это приводит к снижению изменения напряжения на общей нагрузке. Затем в результате изменения выходных сигналов интеграторов и (блоки 11 и 12), и (блоки 25 и 26) под воздействием возникших изменений выходных сигналов схем вычитания и (блоки 7 и 8), и (блоки 21 и 22) в установившемся режиме сформируются такие сигналы интеграторов, при которых выполнятся соотношения (2) и (4).
При скачкообразном увеличении (уменьшении) величины сопротивления нагрузки уменьшаются (увеличиваются) ток нагрузки и токи параллельно работающих источников. Это приводит к уменьшению (увеличению) падения напряжения на внутреннем сопротивлении источников, и величина напряжения на общей нагрузке должна скачкообразно увеличиться (уменьшиться). Однако в предложенном способе управления скачкообразное уменьшение (увеличение) токов источников измеряется датчиками токов ДТа, ДТв, ДТс (блоки 34, 35, 36) и приводит к скачкообразному уменьшению (увеличению) d- и q-составляющих токов источников, что через пропорциональные звенья и (блоки 38 и 39) вызывает уменьшение (увеличение) выходных сигналов сумматоров и (блоки 27 и 28) и после обратного преобразования координат схемой ПК-1 (блок 29) уменьшает (увеличивает) модулирующие сигналы системы импульсно-фазового управления СИФУ1 (блок 30). Тем самым уменьшается (увеличивается) внутренняя ЭДС силовой схемы источника СС1 (блок 31), что приводит к уменьшению скачкообразного изменения напряжения на общей нагрузке.
При прекращении формирования выходных токов любых одного или нескольких из параллельно работающих источников, например, в результате выхода из строя наиболее нагруженных в электрическом отношении их силовых при неизменной нагрузке, ток вышедших из строя источников не будет поступать в общую нагрузку. Поэтому величина напряжения на общей нагрузке уменьшится. В результате уменьшаются сигналы на входе и выходе схемы прямого преобразования координат ПК (блок 4). Это приведет при постоянных, заданных эталонных сигналах напряжения и (блоки 9 и 10) к увеличению выходных сигналов схем вычитания и (блоки 7 и 8), что через пропорциональные звенья и (блоки 15 и 16) и в результате интегрирования блоками и вызовет увеличение выходных сигналов сумматоров и (блоки 17 и 18). Последние сигналы и поступают во все источники и увеличивают их эталонные сигналы для d- и q-составляющих токов источников пропорционально отношению номинального значения тока данного источника к номинальному значению тока нагрузки. Это приведет к увеличению выходных сигналов схем вычитания и (блоки 21 и 22), что через пропорциональные звенья и (блоки 23 и 24) и в результате интегрирования блоками и вызовет увеличение выходных сигналов сумматоров и (блоки 27 и 28) и модулирующих сигналов на входе системы импульсно-фазового управления СИФУ1 (блок 30). Увеличение модулирующих сигналов источников обеспечивает возрастание токов источников, и это будет происходить до тех пор, пока не выполнятся соотношения (2) и (4), но уже при новых, других значениях сигналов управления напряжением и . В результате вышеописанных процессов ток нагрузки перераспределится между оставшимися в работе источниками пропорционально их номинальным токам, а стабильность параметров общего напряжения будет в допустимых для нагрузки пределах, соответствующих изменениям эталонных сигналов напряжения.
Таким образом, предложенный способ управления обеспечивает формирование напряжения на общей нагрузке и распределение составляющих тока нагрузки между источниками при сохранении стабильности параметров общего напряжения и точности распределения нагрузки между источниками в нормальном и послеаварийном режимах.
Формула изобретения
Способ управления статическими стабилизированными источниками переменного напряжения, работающими параллельно на общую нагрузку, состоящий в том, что измеряют мгновенные значения напряжения на общей нагрузке и токов источников, формируют первый и второй эталонные сигналы напряжения постоянными и соответствующими номинальным значениям амплитуды и фазы общего напряжения, формируют первый и второй дополнительные сигналы напряжения, формируют первый и второй разностные сигналы напряжения вычитанием соответствующих дополнительных сигналов напряжения из эталонных сигналов напряжения, формируют первый и второй сигналы сравнения напряжения интегрированием первого и второго разностных сигналов напряжения, формируют первый и второй сигналы управления напряжением, для каждого из параллельно работающих источников формируют первый и второй эталонные сигналы, первый и второй дополнительные сигналы, первый и второй разностные сигналы вычитанием соответствующих дополнительных сигналов из эталонных сигналов, первый и второй сигналы сравнения путем интегрирования соответствующих разностных сигналов, первый и второй управляющие сигналы, отличающийся тем, что измеренные мгновенные значения общего напряжения и тока каждого источника преобразуют из трехфазной abc-системы координат во вращающуюся с постоянной частотой двухфазную dq-систему координат, в качестве первого и второго эталонных сигналов напряжения используют соответственно эталонные сигналы для d- и q-составляющих общего напряжения источников, в качестве первого и второго дополнительных сигналов напряжения используют сигналы, пропорциональные соответственно d- и q-составляющим общего напряжения источников, указанные первый и второй сигналы управления напряжением формируют суммированием первого и второго сигналов сравнения напряжения с сигналами, пропорциональными соответственно первому и второму разностным сигналам напряжения, указанные первый и второй эталонные сигналы каждого источника формируют пропорционально соответственно первому и второму сигналам управления напряжением с коэффициентами пропорциональности, равными отношению номинального значения тока данного источника к номинальному значению тока нагрузки, указанные первый и второй дополнительные сигналы источника формируют пропорционально соответственно d- и q-составляющим тока источника, указанные первый и второй управляющие сигналы формируют суммированием соответствующих сигналов сравнения, сигналов, пропорциональных первому и второму разностным сигналам, и сигналов, пропорциональных d – и q-составляющим токов источников, формируют модулирующие сигналы для каждого источника преобразованием первого и второго управляющих сигналов из двухфазной dq-системы координат в трехфазную abc-систему координат.
РИСУНКИ
|
|