|
|
(21), (22) Заявка: 2008123448/09, 09.06.2008
(24) Дата начала отсчета срока действия патента:
09.06.2008
(46) Опубликовано: 10.02.2010
(56) Список документов, цитированных в отчете о поиске:
SU 636738 А, 10.12.1978. RU 2016462 C1, 15.07.1994. JP 59185166 А, 20.10.1984. JP 4121026 А, 22.04.1992.
Адрес для переписки:
630092, г.Новосибирск, пр-кт К. Маркса, 20, НГТУ
|
(72) Автор(ы):
Бородин Николай Иванович (RU), Харитонов Сергей Александрович (RU), Коробков Дмитрий Владиславович (RU), Преображенский Евгений Борисович (RU)
(73) Патентообладатель(и):
Государственное образовательное учреждение высшего образования “Новосибирский государственный технический университет” (RU)
|
(54) СПОСОБ СИНХРОНИЗАЦИИ И ПОДКЛЮЧЕНИЯ В РЕЖИМ ПАРАЛЛЕЛЬНОЙ РАБОТЫ РЕГУЛИРУЕМОГО СТАТИЧЕСКОГО ИСТОЧНИКА ПЕРЕМЕННОГО НАПРЯЖЕНИЯ И ИСТОЧНИКА ПЕРЕМЕННОГО НАПРЯЖЕНИЯ
(57) Реферат:
Изобретение относится к области электротехники. Технический результат заключается в снижении броска уравнительного тока между источниками в момент их подключения в режим параллельной работы. Сущность изобретения состоит в том, что измеряют мгновенные значения выходных напряжений источников, формируют сигнал, пропорциональный разности фаз выходных напряжений источников, по которому регулируют сигнал управления статического источника до уравнивания частот и фаз выходных напряжений источников, выравнивают величины напряжений источников и подключают статический источник в режим параллельной работы, формируют сигнал задания для тока статического источника, измеряют мгновенное значение тока статического источника, формируют разностный сигнал путем вычитания сигнала, пропорционального мгновенному значению тока статического источника, из сигнала задания для его тока, и суммируют полученный разностный сигнал с сигналом управления, устанавливают сигнал задания тока статического источника до подключения равным нулю, и после подключения статического источника на нагрузку плавно увеличивают сигнал задания для тока статического источника до значения, соответствующего номинальному току статического источника. 1 ил.
Изобретение относится к области электротехники и может быть использовано при построении систем генерирования электрической энергии или систем гарантированного электропитания, в которых для достижения надежности электропитания и повышения выходной мощности источники электрической энергии включаются параллельно на общую нагрузку или при подключении статического источника на параллельную работу в локальную или промышленную сеть. При переходе в режим параллельной работы необходимо синхронизировать источники, обеспечив режим их синхронной и синфазной работы, и подключить источники на общую нагрузку или в сеть с минимальным броском уравнительного тока при подключении и с минимальными переходными процессами. Регулируемым статическим источником в этом случае может быть непосредственный преобразователь частоты, автономный инвертор напряжения или последовательное включение выпрямителя и автономного инвертора напряжения, первичным источником энергии для которых используется синхронный генератор с переменной скоростью вращения ротора (ветроэнергетика, малая гидроэнергетика, дизельные установки) или источник постоянного напряжения (солнечная батарея, аккумулятор).
Источником переменного напряжения в таких системах может служить локальная или промышленная сеть, синхронный генератор или другой статический источник электрической энергии.
Известен способ синхронизации и подключения в режим параллельной работы регулируемого статического источника переменного напряжения и источника переменного напряжения [Патент РФ 2016462, Н02J 3/42. Способ синхронизации статического преобразователя частоты и источника переменного тока. / Н.И.Бородин, – опубл. 15.07.94, бюл. 13], состоящий в том, что регулируют частоту статического преобразователя до уравнивания частот и фаз выходных напряжений преобразователя и источника переменного напряжения, формируют дополнительный сигнал, совпадающий по частоте и фазе с выходным напряжением статического преобразователя частоты в установившемся режиме, суммируют дополнительный сигнал с выходным напряжением преобразователя, причем доля выходного напряжения преобразователя в суммарном сигнале существенно больше доли дополнительного сигнала, измеряют разность фаз выходного напряжения источника переменного тока и суммарного сигнала, регулирование частоты статического преобразователя частоты осуществляют по измеренной разности фаз и подключают в режим параллельной работы источник переменного тока к общей со статическим преобразователем частоты нагрузке.
Данный способ синхронизации и подключения не исключает значительного броска уравнительного тока между преобразователем и источником при подключении в режим параллельной работы, обусловленного разностью внутренних ЭДС преобразователя и источника и ограниченного их малыми внутренними сопротивлениями, и не гарантирует передачу требуемой мощности от статического источника в нагрузку.
Кроме того, известен способ синхронизации и подключения в режим параллельной работы регулируемого статического источника переменного напряжения и источника переменного напряжения (синхронного генератора) [А.С. СССР 636738, Н02J 3/42. Способ синхронизации генератора и источника переменного тока. / В.А.Алфимов, – опубл. 05.12.78, бюл. 45], который является прототипом предлагаемого изобретения и заключается в том, что разгоняют генератор до частоты меньше номинальной, измеряют мгновенные значения выходных напряжений источников, определяют момент совпадения фаз напряжений преобразователя и генератора, формируют сигнал, пропорциональный разности фаз выходных напряжений источников, по которому регулируют сигнал управления статического источника до уравнивания частот и фаз выходных напряжений источников, выравнивают величины напряжений источников и подключают источник в режим параллельной работы на общую нагрузку.
Данный способ синхронизации и подключения, как и предыдущий, также не исключает значительного броска уравнительного тока между преобразователем и источником при подключении в режим параллельной работы.
Задача изобретения – уменьшение броска уравнительного тока между источниками при подключении их в режим параллельной работы.
Это достигается тем, что в известном способе синхронизации и подключения в режим параллельной работы регулируемого статического источника переменного напряжения и источника переменного напряжения, состоящем в том, что измеряют мгновенные значения выходных напряжений источников, формируют сигнал, пропорциональный разности фаз выходных напряжений источников, по которому регулируют сигнал управления статического источника до уравнивания частот и фаз выходных напряжений источников, выравнивают величины напряжений источников и подключают статический источник в режим параллельной работы, формируют сигнал задания для тока статического источника, измеряют мгновенное значение тока статического источника, формируют разностный сигнал путем вычитания сигнала, пропорционального мгновенному значению тока статического источника, из сигнала задания для его тока и суммируют полученный разностный сигнал с сигналом управления, устанавливают сигнал задания тока статического источника до подключения равным нулю и после подключения статического источника в режим параллельной работы на общую нагрузку плавно увеличивают сигнал задания для тока статического источника до значения, соответствующего номинальному току статического источника.
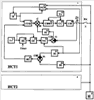
На чертеже представлена одна из возможных структурных схем, реализующая предлагаемый способ синхронизации и подключения регулируемого статического источника переменного напряжения к источнику переменного напряжения.
Данная структурная схема содержит регулируемый статический источник переменного напряжения ИСТ1 (блок 1), выход которого через контактор Кн (блок 2) подключается в режим параллельной работы на общую нагрузку Н (блок 3) и к выходу источника переменного напряжения ИСТ2 (блок 4). Выход источника переменного напряжения ИСТ2 (блок 4) постоянно соединен с нагрузкой Н (блок 3).
Регулируемый статический источник ИСТ1 (блок 1) включает задающий генератор ЗГ (блок 5), выход которого соединен с синхронизирующим входом устройства синфазной работы УСР (блок 6) и первым входом генератора управляющего напряжения ГУН (блок 7). Первый и второй входы УСР соединены с выходами статического источника и источника переменного напряжения. Второй вход генератора управляющего напряжения ГУН (блок 7) соединен с выходом интегратора И2 (блок 8). Выход схемы формирования эталонного сигнала Uэт (блок 9) соединен с входом интегратора со сбросом И1 (блок 10), выход которого соединен через ограничитель величины сигнала ОГ (блок 11) с первым входом схемы формирования сигнала задания для тока статического источника Iзад (блок 12). Второй вход схемы формирования сигнала задания для тока статического источника Iзад (блок 12) соединен с выходным напряжением этого источника, а выход – с первым входом схемы вычитания СВ1 (блок 13). Выход схемы вычитания СВ1 (блок 13) через пропорциональное звено Ki (блок 14) соединен с одним входом сумматора С (блок 15). Второй вход сумматора С (блок 15) соединен с выходом генератора управляющего напряжения ГУН (блок 7). Выход сумматора С (блок 15) соединен с системой импульсно-фазового управления СИФУ (блок 16), синхронизирующий вход которой соединен с выходом первичного источника Uc (блок 17). Выход СИФУ (блок 16) соединен с управляющим входом силовой схемы статического источника СС (блок 18), силовой вход которой соединен с выходом первичного источника Uc (блок 17). Выход силовой схемы статического источника СС (блок 18) через силовой фильтр СФ (блок 19) и датчик мгновенного значения тока ДТ (блок 20) соединен с контактором Кн (блок 4). Выход датчика мгновенного значения тока ДТ (блок 20) соединен со вторым входом схемы вычитания СВ1(блок 13). Входы выпрямителей В1 (блок 21) и В2 (блок 22) соединены соответственно с выходами регулируемого статического источника переменного напряжения ИСТ1 (блок 1) и источника переменного напряжения ИСТ2 (блок 2). Выход выпрямителя В1 (блок 21) соединен со вторым входом схемы вычитания СВ2 (блок 23), а выход выпрямителя В2 соединен с первым входом схемы вычитания СВ2 (блок 23). Выход схемы вычитания СВ2 (блок 23) соединен с входом интегратора И2 (блок 8).
Регулируемый статический источник ИСТ1 (блок 1) может быть реализован на базе непосредственного (матричного) преобразователя частоты, автономного инвертора напряжения или последовательным включением выпрямителя и автономного инвертора напряжения (см. B.C.Руденко, В.И.Сенько, И.М.Чиженко. Основы преобразовательной техники. – М.: Высш. школа, 1980. – 424 с.). Источником переменного напряжения ИСТ2 может быть локальная или промышленная сеть, синхронный генератор или другой статический источник электрической энергии. Нагрузкой Н (блок 3) может служить, например, резистор или параллельное (или последовательное) включение резистора и дросселя. Контактор Кн (блок 4) – типовой контактор.
Задающий генератор ЗГ (блок 5) представляет собой высокостабильный, регулируемый по частоте генератор по любой из известных схем (см. Справочник по кварцевым резонаторам. / Андросова В.Г., Банков В.Н., Дикиджи А.Н. и др. Под ред. П.Г.Позднякова. – М.: Связь, 1978. – 288 с.). Устройство синфазной работы УСР (блок 6) может представлять собой любую из известных систем фазовой подстройки частоты (см. Шагильдян В.В., Ляховкин А.А. Системы фазовой автоподстройки частоты. – М.: Связь, 1972. – 447 с.). Генератор управляющего напряжения ГУН (блок 7) – умножитель аналоговых сигналов (см. Тимонеев В.Н., Величко Л.М., Ткаченко В.А. Аналоговые перемножители сигналов в радиоэлектронной аппаратуре. – М.: Радио и связь, 1982.-112 с.). Схема формирования эталонного сигнала Uэт (блок 9) – параметрический стабилизатор (см. Источники электропитания радиоэлектронной аппаратуры: Справочник. / Под ред. Г.С.Найвельта. – М.: Радио и связь, 1986. – 576 с.). Интегратор И2 (блок 8), ограничитель ОГ (блок 11), схемы вычитания СВ1 (блок 13) и СВ2 (блок 23), пропорциональное звено Ki (блок 14), сумматор С (блок 15) представляют собой типовые элементарные звенья, известные из теории автоматического регулирования (см. Теория автоматического управления. Ч1. Теория линейных систем автоматического управления. Под ред. А.А. Воронова. Учеб. пособие для вузов. – М.: Высш. школа, 1977, – 303с.). Интегратор со сбросом И1 (блок 10) представляет собой типовой интегратор (см. Теория автоматического управления. Ч1. Теория линейных систем автоматического управления. Под ред. А.А.Воронова. Учеб. пособие для вузов. – М.: Высш. школа, 1977, – 303 с.), емкость которого может закорачиваться управляемыми контактами (тумблер, реле, геркон). Схема формирования сигнала задания для тока статического источника Iзад (блок 12) может представлять собой умножитель аналоговых сигналов (см. Тимонеев В.Н., Величко Л.М., Ткаченко В.А. Аналоговые перемножители сигналов в радиоэлектронной аппаратуре. – М.: Радио и связь, 1982. – 112 с.). Система импульсно-фазового управления СИФУ (блок 16) – стандартная система импульсно-фазового управления, реализующая вертикальный принцип управления (см. B.C.Руденко, В.И.Сенько, И.М.Чиженко. Основы преобразовательной техники. – М.: Высш. школа, 1980. – 424 с.). Силовая схема статического источника СС (блок 18) может представлять собой непосредственный (матричный) преобразователь частоты или последовательное включение выпрямителя и инвертора или инвертор (см. B.C.Руденко, В.И.Сенько, И.М.Чиженко. Основы преобразовательной техники. – М.: Высш. школа, 1980. – 424 с.). Первичный источник Uc (блок 17) – синхронный генератор с переменной скоростью вращения ротора (ветроэнергетика, малая гидроэнергетика, дизельная станция) или аккумулятор. Силовой фильтр СФ (блок 19), например однозвенный LC или С-фильтр. Датчик мгновенного значения тока ДТ (блок 20) – трансформатор тока. Выпрямители В1 (блок 21) и В2 (блок 22) – однофазные выпрямители (см. B.C.Руденко, В.И.Сенько, И.М.Чиженко. Основы преобразовательной техники. – М.: Высш. школа, 1980. – 424 с.).
Способ осуществляется следующим образом. Задающий генератор ЗГ (блок 5) формирует переменное напряжение регулируемой частоты, которое поступает на один из входов генератора управляющего напряжения ГУН (блок 7) и синхронизирует работу устройства синфазной работы УСР (блок 6). На второй вход ГУН поступает напряжение с выхода интегратора И2 (блок 8). ГУН осуществляет перемножение этих сигналов и формирует на выходе переменный сигнал с частотой, определяемой частотой ЗГ, и амплитудой, определяемой выходным напряжением интегратора И2 (блок 8). Выходной сигнал ГУН суммируется в сумматоре С (блок 14) с сигналом, пропорциональным разности мгновенного значения тока статического источника и сигнала задания для тока статического источника Iзад (блок 12), и суммарный сигнал поступает в систему импульсно-фазового управления СИФУ (блок 16). Этот сигнал в СИФУ преобразуется в модулированную последовательность импульсов, включающих управляемые ключи силовой схемы статического источника СС (блок 18). В силовой схеме (блок 19) преобразуется энергия первичного источника с нестабильными параметрами напряжения Uc (блок 17) в выходную энергию с заданными параметрами (частота, амплитуда и фаза) напряжения. Силовой фильтр СФ (блок 19) уменьшает амплитуды высокочастотных составляющих спектра выходного напряжения источника, обеспечивая синусоидальную форму выходного напряжения. Выходное напряжение статического источника поступает на один вход устройства синфазной работы УСР (блок 6), а на его второй вход поступает напряжение источника переменного напряжения (блок 2). УСР по мгновенной разности фаз напряжений источников формирует сигнал, которым регулирует частоту задающего генератора ЗГ (блок 5) и, соответственно, частоту управляющего сигнала, вырабатываемого ГУН (блок 7), до уравнивания частот и фаз регулируемого статического источника и источника переменного тока.
Выходные напряжения источников также поступают на входы выпрямителей В1 (блок 21) и В2 (блок 22), выпрямляются и на выходе схемы вычитания СВ2 (блок 23) формируется разность сигналов выпрямителей, постоянная составляющая которой пропорциональна разности амплитуд (действующих значений) напряжений источников. Эта разность интегрируется интегратором И2 (блок 8), и выходной сигнал интегратора регулирует амплитуду управляющего напряжения ГУН (блок 7) до уравнивания величин синхронизируемых напряжений.
Внешним сигналом Uвкл управляемые контакты интегратора со сбросом И1 (блок 10) замыкаются и закорачивают емкость этого интегратора. Напряжение на выходе интегратора обнуляется и после прохождения через ограничитель ОГ (блок 11) устанавливает равной нулю амплитуду сигнала задания для тока статического источника Iзад (блок 12). После этого контактор Кн замыкается и подключает статический источник в режим параллельной работы на общую нагрузку. Так как суммированием к управляющему сигналу разности сигнала задания для тока статического источника и тока статического источника статический источник переводится из режима источника напряжения в режим источника тока, то его выходное сопротивление повышается и в большей степени ограничивает бросок уравнительного тока между источниками в момент подключения. После включения контактора Кн (блок 4) внешний сигнал Uвкл снимается, контакты, закорачивающие емкость интегратора со сбросом И1 (блок 10), размыкаются и она плавно заряжается от источника эталонного сигнала Uэт. При достижении выходного напряжения интегратора И1 уровня ограничения напряжения ограничителя ОГ (блок 11) до значения Uэт выходное напряжение ОГ становится неизменным и соответствует номинальному значению тока статического источника. Плавное изменение величины сигнала задания для тока статического источника Iзад (блок 12) исключает бросок уравнительного тока между параллельно работающими источниками и переходные процессы при увеличении тока статического источника до номинального значения.
Оценим величину снижения броска уравнительного тока между источниками при их подключении в режим параллельной работы в предлагаемом способе по сравнению со способом-прототипом. Бросок уравнительного тока при подключении в способе-прототипе определяется выражением:

где eИ1, eИ2 – мгновенные значения внутренних ЭДС источников в момент подключения;
z1, z2 – внутренние выходные сопротивления источников.
Выходное сопротивление источника определяется отношением приращения выходного напряжения источника ( Uвых) к приращению его выходного тока ( Iвых)

В предложенном способе, учитывая перевод статического источника в режим источника тока, приращение выходного тока определится выражением:

где Ki, KСИФУ, KCC – коэффициенты усиления пропорционального звена, системы импульсно-фазового управления и силовой схемы источника соответственно.
Тогда, приводя подобные слагаемые в выражении (3), получим:

Последнее выражение показывает, что выходное сопротивление статического источника в предложенном способе увеличивается раз. Тогда бросок уравнительного тока в предложенном способе определится:

Таким образом, предложенный способ уменьшает бросок уравнительного тока при подключении в режим параллельной работы регулируемого статического источника и источника переменного напряжения.
Формула изобретения
Способ синхронизации и подключения в режим параллельной работы регулируемого статического источника переменного напряжения и источника переменного напряжения, заключающийся в том, что измеряют мгновенные значения выходных напряжений источников, формируют сигнал, пропорциональный разности фаз выходных напряжений источников, по которому регулируют сигнал управления статического источника до уравнивания частот и фаз выходных напряжений источников, выравнивают величины напряжений источников и подключают статический источник в режим параллельной работы, отличающийся тем, что формируют сигнал задания для тока статического источника, измеряют мгновенное значение тока статического источника, формируют разностный сигнал путем вычитания сигнала, пропорционального мгновенному значению тока статического источника, из сигнала задания для его тока и суммируют полученный разностный сигнал с сигналом управления, устанавливают сигнал задания тока статического источника до подключения равным нулю и после подключения статического источника в режим параллельной работы на общую нагрузку плавно увеличивают сигнал задания для тока статического источника до значения, соответствующего номинальному току статического источника.
РИСУНКИ
|
|