|
|
(21), (22) Заявка: 2007104166/09, 21.06.2005
(24) Дата начала отсчета срока действия патента:
21.06.2005
(30) Конвенционный приоритет:
05.07.2004 DE 102004033578.8
(43) Дата публикации заявки: 10.08.2008
(46) Опубликовано: 10.02.2010
(56) Список документов, цитированных в отчете о поиске:
US 4443747 A, 17.04.1984. US 5483140 А, 09.01.1996. RU 2172055 C2, 10.08.2001. SU 1358719 A1, 10.07.2000. US 6166929 A, 26.12.2000.
(85) Дата перевода заявки PCT на национальную фазу:
05.02.2007
(86) Заявка PCT:
DE 2005/001129 20050621
(87) Публикация PCT:
WO 2006/005293 20060119
Адрес для переписки:
129090, Москва, ул. Б.Спасская, 25, стр.3, ООО “Юридическая фирма Городисский и Партнеры”, пат.пов. Ю.Д.Кузнецову, рег. 595
|
(72) Автор(ы):
БРАНДТ Деннис (CA), МОХАДДЕС Моджтаба (CA)
(73) Патентообладатель(и):
СИМЕНС АКЦИЕНГЕЗЕЛЛЬШАФТ (DE)
|
(54) УСТРОЙСТВО ДЛЯ ВЫСОКОВОЛЬТНОЙ ЭЛЕКТРОПЕРЕДАЧИ ПОСТОЯННОГО ТОКА
(57) Реферат:
Использование: в области электротехники. Технический результат заключается в обеспечении надежного электроснабжения потребителей, не имеющих собственного источника напряжения. Устройство (1) предназначено для высоковольтной электропередачи постоянного тока с терминалом подключения питания (4) для подключения питающей энергией сети переменного тока (2) и терминалом подключения потребителя (5) для подключения многофазного потребителя (3), причем после терминала (4) включен выпрямитель (6), который через промежуточную цепь постоянного тока (8), содержащую сглаживающее средство (12), соединен с инвертором (9), который подсоединен на стороне переменного тока к терминалу подключения потребителя (5), причем выпрямитель (6) и инвертор (9) содержат тиристорные вентили (9а+, 9b+, 9с+; 9а-, 9b-, 9с-), и управляющий блок (14) отпирает тиристорные вентили (9а+, 9b+, 9с+; 9а-, 9b-, 9с-) инвертора (9) в зависимости от тактового сигнала, управляющий блок (14) соединен с вырабатывающим тактовый сигнал датчиком тактовых импульсов, который имеет собственное энергоснабжение, к инвертору (9) подключены полные сопротивления емкостного характера (13) для коммутации тока в направлении потока мощности, или многофазный потребитель (3) имеет полное сопротивление емкостного характера, достаточное для коммутации тока. 2 н. и 9 з.п. ф-лы, 3 ил.
Изобретение относится к устройству для высоковольтной электропередачи постоянного тока с терминалом подключения питания для подключения питающей энергией сети переменного тока и терминалом подключения потребителя для подключения многофазного потребителя, причем после терминала подключения питания подключен выпрямитель, который через содержащую сглаживающее средство промежуточную цепь постоянного тока соединен с инвертором, который на стороне переменного тока подсоединен к терминалу подключения потребителя, причем выпрямитель и инвертор содержат тиристорные вентили, и управляющий блок отпирает тиристорные вентили инвертора в зависимости от тактового сигнала.
Изобретение относится далее к способу для высоковольтной электропередачи постоянного тока, при котором переменный ток питающей энергией многофазной сети переменного тока выпрямляют с помощью выпрямителя, передают в виде постоянного тока к инвертору, инвертор преобразует постоянный ток для снабжения многофазного потребителя в переменный ток, выпрямитель и инвертор содержат тиристорные вентили, управляющий блок отпирает тиристорные вентили инвертора в зависимости от тактового сигнала.
Такое устройство и такой способ известны, например, из Руководства для планирования “Guide For Planning DC Links Terminating AC DC Systems Locations Having Low Short-Circuit Capacities”, CIGRE рабочая группа 14.07 и IEEE рабочая группа 15.05.05, Cigre, Париж, 1992. Там раскрыты системы для высоковольтной электропередачи постоянного тока, причем цепь напряжения постоянного тока соединяет между собой ведущие переменный ток распределительные энергосети. При этом преобразовательные подстанции с вентильными преобразователями соединены с соответствующей сетью напряжения трехфазного тока и служат для выпрямления или инвертирования тока. Преобразователи электроэнергии содержат соединенные друг с другом в мостовые схемы мощные полупроводниковые вентили, причем обычно находят применение тиристоры. По сравнению с другими мощными полупроводниковыми вентилями, такими как так называемые двухоперационные тиристоры GTO или биполярные транзисторы с изолированным затвором IGBT, тиристоры имеют значительно меньшую мощность потерь и, кроме того, являются более экономичными в изготовлении.
Тиристорам, напротив, присущ недостаток, что хотя они и могут переводиться электрическим сигналом отпирания из положения запирания, в котором течение тока через тиристоры является прерванным, в положение пропускания, в котором становится возможным прохождение тока через тиристорные вентили. Однако выключение тиристорных вентилей посредством сигналов отпирания является не возможным. Только, если текущий через тиристор ток падает ниже его тока удержания, тиристор снова переводится в свое положение запирания. Тиристоры поэтому обозначаются как управляемые извне или ведомые сетью мощные полупроводниковые приборы. При обычной высоковольтной электропередаче постоянного тока два связанных через цепь постоянного тока преобразователя электроэнергии соединены соответственно с одной сетью переменного тока. При этом напряжение трехфазного тока сети переменного тока в случае преобразователя электроэнергии, эксплуатируемого в качестве инвертора, заботится о коммутации тока на выходе инвертора на стороне переменного тока и тем самым о переводе больше не отпертых тиристоров из их положения пропускания в положение запирания. Для энергоснабжения так называемых автономных сетей, которые не содержат никакого собственного источника напряжения и не могут тем самым предоставлять в распоряжение никакого трехфазного напряжения для коммутации тока, при высоковольтной электропередаче постоянного тока должны были бы использоваться – таково мнение специалистов до сих пор – системы высоковольтной электропередачи постоянного тока с автономными мощными полупроводниками, например биполярными транзисторами с изолированным затвором IGBT. Биполярные транзисторы с изолированным затвором IGBT, однако, связаны с высокими затратами и имеют высокие мощности потерь, которые во время эксплуатации по сравнению с тиристорами также влекут за собой недостатки, связанные с затратами.
Задачей изобретения является поэтому предоставление в распоряжение устройства и способа названного выше вида, с которыми возможно электроснабжение так называемых автономных электросетей или других потребителей или нагрузок, которые не имеют собственного источника напряжения.
Изобретение решает эту задачу согласно первому варианту за счет того, что управляющий блок соединен с вырабатывающим тактовый сигнал датчиком тактовых импульсов, который содержит собственное энергоснабжение, причем после инвертора включены полные сопротивления емкостного характера для коммутации тока в направлении потока мощности, или многофазный потребитель имеет полное сопротивление емкостного характера, достаточное для коммутации тока. Для того чтобы быть достаточным, емкостная нагрузка должна быть настолько велика, чтобы преобразователь электроэнергии при основном колебании, задаваемом датчиком тактовых импульсов, можно было эксплуатировать настолько далеко в индуктивной области, что возникает достаточно большой угол погасания для сохранения времени рекомбинации носителей заряда в тиристорах.
Изобретение решает эту задачу согласно второму варианту за счет того, что датчик тактовых импульсов с независимым и собственным энергоснабжением вырабатывает тактовый сигнал, и на стороне переменного тока инвертора в распоряжение предоставляют полное сопротивление емкостного характера, достаточное для коммутации тока.
Согласно изобретению стало возможным энергоснабжение автономных сетей или других пассивных потребителей посредством тиристорных вентилей. Другими словами: пассивные потребители без собственного коммутирующего напряжения через установку для высоковольтной электропередачи постоянного тока, преобразователи энергии которой содержат тиристорные вентили, можно снабжать энергией питающей объединенной электроэнергетической системы. Необходимое для коммутации тока напряжение предоставляют в распоряжение исключительно посредством полных сопротивлений емкостного характера, которые подключены к инвертору в направлении потока мощности. Дополнительные мощные полупроводниковые вентили в параллельных ветвях коммутации или активно гасимые вентили являются согласно изобретению излишними. Так, например, согласно изобретению является возможным на выходе инвертора на стороне переменного напряжения соединять между собой отдельные фазы через конденсаторы. Момент времени отпирания, например, первых фаз происходит только в зависимости от тактового сигнала, который вырабатывают независимым датчиком тактовых импульсов. При этом заряжается не только емкость, лежащая между токоведущими фазами, но и также обе емкости, соединенные через не ведущую ток фазу. Они заботятся после отпирания следующего тиристора о необходимом напряжении коммутации. Это приводит к росту тока во вновь открытом вентиле и к спаду тока ниже удерживающего тока в вентиле, который должен запираться. Этот тиристорный вентиль поэтому переводится снова в свое запертое положение. Согласно изобретению никакого регулирования инвертора не производят. Отпирание тиристорных вентилей происходит исключительно с помощью фазы тактового сигнала, независимого от трехфазного напряжения на инверторе. За счет изобретения поэтому преодолевают долго существующее предубеждение, а именно, что тиристорные вентили являются непригодными при снабжении пассивных потребителей при высоковольтной электропередаче постоянного тока.
Является совсем не нужным реализовывать полные сопротивления емкостного характера посредством конденсаторов между фазами потребителя. Полные сопротивления емкостного характера можно предоставлять в распоряжение любым образом. Также сам потребитель может предоставлять в распоряжение полное сопротивление емкостного характера, которым согласно настоящему изобретению также сделана возможной коммутация тока. Полное сопротивление емкостного характера потребителя может также добавляться к полному сопротивлению, которое создается специальными конденсаторными батареями.
В принципе в рамках изобретения можно использовать любой целесообразный датчик тактовых импульсов. Преимущества, однако, достигаются, если датчик тактовых импульсов выполнен в виде автономно работающего осциллятора. Автономно работающие осцилляторы являются прекрасно знакомыми специалисту так, что здесь нет необходимости на этом останавливаться.
Целесообразным образом полные сопротивления емкостного характера предоставляют в распоряжение посредством, по крайней мере, одной конденсаторной батареи. С помощью конденсаторных батарей стал возможным в основном независимый от потребителя расчет соответствующего изобретению устройства, так как с помощью конденсаторных батарей, имеющихся в распоряжении, можно обеспечивать необходимые емкости для коммутации тока. Для этого емкости конденсаторов нужно соответственно рассчитывать.
Целесообразно конденсаторные батареи включены относительно потребителя в параллельной схеме между инвертором и терминалом подключения питания. За счет близкого по месту расположения конденсаторных батарей на инверторе емкостное действие является самым большим. Это приводит к более быстрой коммутации и тем самым к более меньшим углам перекрытия в инверторах.
Целесообразно многофазный потребитель является автономной электросетью, которая не имеет никакого собственного источника напряжения. Автономные электросети могут находиться, например, на морской платформе, которые используют, например, для бурения нефтяных скважин.
В отличие от этого потребитель может быть, однако, простым электродвигателем и/или состоять из множества других электрических машин.
Целесообразно промежуточная цепь постоянного тока содержит провод постоянного тока с длиной более 30 км. Такие системы для высоковольтной электропередачи постоянного тока служат предпочтительным образом для энергоснабжения удаленных автономных сетей, которые имеют большое расстояние от объединенной электроэнергетической системы.
В отличие от этого выпрямители и инверторы установлены непосредственно рядом друг с другом (каскадно) так, что реализована так называемая короткая связь. Такие короткие связи служат, например, для связи сетей переменного тока с различной частотой вращения, положением по фазе, выбором режима нейтрали или тому подобным. Такое расположение является выгодным также в рамках техники электропривода.
Предпочтительным образом появляющееся на стороне переменного тока инвертора переменное напряжение регулируют только посредством выпрямителя. Как уже пояснялось, согласно изобретению отказываются от регулирования инвертора. Спадающее на стороне переменного тока инвертора напряжение трехфазного тока является зависимым от полных сопротивлений там, но также и от величины переменного тока. Переменный ток и тем самым переменное напряжение можно, однако, определять за счет постоянного тока и тем самым за счет регулирования выпрямителя.
Согласно относящейся к этому форме целесообразного развития спадающее на стороне переменного тока инвертора напряжение переменного тока измеряют при получении измерительного напряжения переменного тока, сравнивают измерительное напряжение переменного тока с опорным напряжением, в зависимости от этого сравнения формируют опорный сигнал постоянного тока, измеряют ток промежуточной цепи постоянного тока при получении измерительного сигнала постоянного тока, сравнивают измерительный сигнал постоянного тока с опорным сигналом постоянного тока, отпирают тиристорные вентили выпрямителя в зависимости от этого сравнения и так, что устанавливается желаемое измерительное напряжение переменного тока.
Целесообразные формы дальнейшего развития и преимущества изобретения являются предметом последующего описания примеров выполнения изобретения со ссылкой на чертежи, причем действующие одинаково детали снабжены одинаковыми ссылочными позициями.
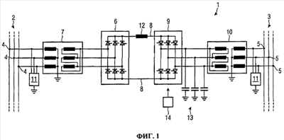
Фигура 1 – пример выполнения устройства, соответствующего изобретению.
Фигура 2 – инверторная сторона устройства согласно Фигуре 1.
Фигура 3 – схематическое представление для пояснения примера выполнения способа, соответствующего изобретению.
Фигура 1 показывает пример выполнения соответствующего изобретению устройства 1, которое выполнено для передачи электроэнергии из питающей сети переменного тока 2 в автономную электросеть 3, которая в основном не содержит накакого собственного источника напряжения. При этом устройство 1 содержит терминал подключения питания 4 для подключения питающей сети переменного тока 2, а также терминал подключения 5 для подключения потребителя, который реализован здесь в виде автономной электросети 3. После терминала подключения питания 4 подключен выпрямитель 6, причем между терминалом подключения питания 4 и выпрямителем 6 расположен трансформатор 7. Выпрямитель 6 соединен через промежуточную цепь постоянного тока 8 с инвертором 9, к которому подключен следующий трансформатор 10, а также терминал подключения 5 для подключения потребителя. Далее предусмотрены известные, как таковые, батареи фильтрова 11, которые согласованы с высшими гармониками соответствующих номинальных частот напряжения трехфазного тока сетей переменного тока 2, 3. Такие мешающие высшие гармоники могут появляться при выпрямлении или соответственно инвертировании. За счет фильтров, включенных параллельно к соответствующей сети, высшие гармоники эффективно подавляются. В промежуточной цепи постоянного тока 8 для сглаживания постоянного тока предусмотрена индуктивность 12. На стороне переменного тока инвертора 9 в параллельном включении относительно автономной электросети 3 расположены конденсаторы 13, которые имеют достаточное для коммутации тока полное спротивление емкостного характера. Для управления инвертора 9 предусмотрено управляющее устройство 14, действие которого в последующем описывается еще более подробно.
Фигура 2 показывает инвертор 9 в более точном представлении. В частности, можно видеть, что автономная электросеть 3 состоит из трех фаз 3а, 3b, 3с, которые через трансформатор 10 соединены с инвертором 9. Инвертор 9 состоит в основном из двух групп коммутации с тиристорными вентилями 9а+, 9b+, 9с+ или соответственно 9а–, 9b–, 9с–, которые связаны друг с другом в шестипульсной мостовой схеме. Фазам автономной электросети 3 присвоены соединительные провода LI, L2 и L3. Далее можно видеть, что конденсаторная батарея 13 состоит из трех конденсаторов (15а, 15b, 15с), которые связаны с соединительными проводами LI, L2 и L3 в схеме треугольника. Старт начинается, например, путем отпирания тиристоров 9а+ и 9с–. Созданный выпрямителем постоянный ток заряжает как непосредственно исключенный к ведущим ток фазам (L1 и L3) конденсатор 15 с, так и оба конденсатора 15а и 15b, соединенных через обесточенную фазу L2. При отпирании следующей тиристорной ветви (9b+) напряжение на конденсаторе 15а обеспечивает необходимое напряжение коммутации так, что ток от тиристора 9а+ коммутируется на тиристор 9b+. Таким образом тиристор 9а+ переходит в свое запертое положение. Другие коммутации происходят таким же образом со смещением по времени.
Фигура 3 показывает схематическое представление соответствующего изобретению способа. В частности, можно видеть сеть энергоснабжения 2, а также автономную электросеть 3, которые соединены друг с другом через уже описанное устройство 1. Как уже было пояснено, отпирание тиристоров инвертора 9 является зависящим только от независимо вырабатываемого тактового сигнала датчика тактовых импульсов, не представленного в этой связи на Фигуре 3. Регулирования инвертора не призводят. Для установки напряжений трехфазного тока в автономной электросети 3 измеряют измерительное напряжение переменного тока автономной электросети 3, например, с помощью делителя напряжения или преобразователя. Измеренное измерительное напряжение переменного тока Vac_inv сравнивают затем с параметрированным заданным или опорным напряжением Vac_ref, причем с помощью внутренней логики в управляющем блоке вырабатывают значение заданного тока или опорный сигнал постоянного тока Iref. Полное сопротивление автономной электросети 3 служит названной внутренней логике в качестве параметра, с которым она вычисляет опорный сигнал постоянного тока. Опорный сигнал постоянного тока сравнивают с измеренным постоянным током Idc и изменяют в зависимости от сравнения отпирание выпрямителя 6 за счет вариации угла отпирания таким образом, что измеренное напряжение переменного тока Vac_inv соответствует опорному значению Vac_ref.
Формула изобретения
1. Устройство (1) для высоковольтной электропередачи постоянного тока с терминалом подключения питания (4) для подключения питающей энергией сети переменного тока (2) и терминал подключения потребителя (5) для подключения многофазного потребителя (3), причем после терминала подключения питания (4) включен выпрямитель (6), который через промежуточную цепь постоянного тока (8), содержащую сглаживающее средство (12), соединен с инвертором (9), который подсоединен на стороне переменного тока к терминалу подключения потребителя (5), причем выпрямитель (6) и инвертор (9) содержат тиристорные вентили (9а+, 9b+, 9с+; 9а-, 9b-, 9c-), и управляющий блок (14) отпирает тиристорные вентили (9а+, 9b+, 9с+; 9а-, 9b-, 9с-) инвертора (9) в зависимости от тактового сигнала, отличающееся тем, что управляющий блок (14) соединен с вырабатывающим тактовый сигнал датчиком тактовых импульсов, который имеет собственное энергоснабжение, причем к инвертору (9) подключены полные сопротивления емкостного характера (13) для коммутации тока в направлении потока мощности, или многофазный потребитель (3) имеет полное сопротивление емкостного характера, достаточное для коммутации тока.
2. Устройство (1) по п.1, отличающееся тем, что датчик тактовых импульсов является автономно работающим осциллятором.
3. Устройство (1) по п.1 или 2, отличающееся тем, что полные сопротивления емкостного характера предоставлены в распоряжение посредством, по крайней мере, одной конденсаторной батареи (13).
4. Устройство (1) по п.3, отличающееся тем, что каждая конденсаторная батарея (13) включена между инвертором (6) и терминалом подключения потребителя (5) в параллельной схеме относительно потребителя (3).
5. Устройство (1) по п.1, отличающееся тем, что многофазный потребитель является автономной электросетью (3), которая не имеет собственного источника напряжения.
6. Устройство (1) по п.1, отличающееся тем, что промежуточная цепь постоянного тока (8) имеет провод постоянного тока длиной более 30 км.
7. Устройство (1) по п.4, отличающееся тем, что многофазный потребитель является автономной электросетью (3), которая не имеет собственного источника напряжения.
8. Устройство (1) по п.4, отличающееся тем, что промежуточная цепь постоянного тока (8) имеет провод постоянного тока длиной более 30 км.
9. Способ для высоковольтной электропередачи постоянного тока, при котором переменный ток питающей энергией многофазной сети переменного тока (2) выпрямляют выпрямителем (6) и передают в качестве постоянного тока к инвертору (9), инвертор (9) преобразует постоянный ток для снабжения многофазного потребителя (3) в переменный ток и причем выпрямитель и инвертор содержат тиристорные вентили (9а+, 9b+, 9с+; 9а-, 9b-, 9с-) и управляющий блок (14) отпирает тиристорные вентили (9а+, 9b+, 9с+; 9а-, 9b-, 9с-) инвертора (9) в зависимости от тактового сигнала, отличающийся тем, что датчик тактовых импульсов с независимым и собственным энергоснабжением создает тактовый сигнал и на стороне переменного тока инвертора (9) в распоряжение предоставляют достаточное для коммутации тока полное сопротивление емкостного характера.
10. Способ по п.9, отличающийся тем, что появляющееся на стороне переменного тока инвертора (9) переменное напряжение регулируют только посредством выпрямителя (6).
11. Способ по п.10, отличающийся тем, что появляющееся на стороне переменного тока инвертора (9) переменное напряжение измеряют при получении измерительного напряжения переменного тока (Vac-inv), сравнивают измерительное напряжение переменного тока (Vac-inv) с опорным напряжением (Vac-ref), в зависимости от этого сравнения формируют опорный сигнал постоянного тока (Iref), измеряют ток промежуточного звена постоянного тока (8) при получении измерительного сигнала постоянного тока (Idc), сравнивают измерительный сигнал постоянного тока (Idc) с опорным сигналом постоянного тока (Iref), тиристорные вентили выпрямителя (6) отпирают в зависимости от этого сравнения и так, что устанавливается желаемое измерительное напряжение переменного тока (Vac-inv).
РИСУНКИ
|
|