|
|
(21), (22) Заявка: 2008139248/09, 03.10.2008
(24) Дата начала отсчета срока действия патента:
03.10.2008
(46) Опубликовано: 10.02.2010
(56) Список документов, цитированных в отчете о поиске:
ДЫМКОВ A.M. и др. Трансформаторы напряжения. – М.: Энергия, 1975, с.81-89. SU 1453461 А1, 24.02.1987. US 4794318 А, 27.12.1988. RU 2297064 С2, 10.04.2007.
Адрес для переписки:
111250, Москва, ул. Красноказарменная, 12, ФГУП ВЭИ, Патентно-лицензионный отдел, Е.Н. Лифановой
|
(72) Автор(ы):
Арсон Александр Григорьевич (RU), Остапенко Евгений Ильич (RU), Чурсинов Александр Михайлович (RU)
(73) Патентообладатель(и):
Федеральное государственное унитарное предприятие “Всероссийский электротехнический институт им. В.И. Ленина” (RU)
|
(54) ЕМКОСТНЫЙ ИСТОЧНИК ПИТАНИЯ
(57) Реферат:
Изобретение относится к электротехнике и может быть использовано, в частности, для питания находящихся под высоким потенциалом устройств измерения переменного электрического тока. Техническим результатом изобретения является повышение надежности. Согласно изобретению емкостный источник питания (ЕИП) содержит токопровод, конденсатор отбора мощности и конденсатор связи, соединенные последовательно одними своими обкладками, и электромагнитное устройство, которое подсоединено параллельно к конденсатору отбора мощности и имеет клеммы для подсоединения нагрузки, находящейся под высоким потенциалом, в качестве питающей шины ЕИП использован токопровод, ток которого управляет работой нагрузки, при этом другая обкладка конденсатора отбора мощности присоединена к токопроводу, а другая обкладка конденсатора связи заземлена. 2 ил.
Изобретение относится к электротехнике, может быть использовано, в частности, для питания находящихся под высоким потенциалом устройств измерения переменного электрического тока, протекающего по проводам высоковольтных линий электропередач и по токопроводам высоковольтного оборудования подстанций.
В настоящее время известен источник питания (Патент США 4794318, МПК H01F 27/42; G01R 15/22; 15/07, опубликован 27.12.1988, [1]) на основе трансформатора тока, обеспечивающего питание элементов измерительной схемы в определенном диапазоне измеряемых токов (например, от 5% номинального тока до 3000% номинального тока при нормированной кратности измерительного тока – 30).
Описанный в [1] трансформатор тока, обеспечивающий электропитание электронных блоков, которые преобразуют аналоговый сигнал в цифровой, а также цифровой сигнал в оптический для передачи по оптоволокну, намотан на кольцевом металлическом сердечнике. Внутри сердечника проходит токопровод, по которому протекает измеряемый ток.
Известный источник питания [1] обладает существенным недостатком, так как при токах меньших, чем минимальный, этот источник питания не обеспечивает необходимой мощности для работы устройств измерения тока. Это значит, что измеритель тока оказывается неработоспособным в диапазоне токов от 0 до минимального тока, измеряемого в заданном классе точности. Кроме того, для работы такого источника питания во всем диапазоне измеряемых токов, протекающих по токопроводу измерительного устройства, необходимо использование дорогостоящих магнитных материалов, подвергаемых сложной и дорогой технологической обработке.
Известны устройства электропитания, мощность которых слабо зависит от величины тока, протекающего по линии электропередачи, а в основном зависит от величины напряжения на линии. Такие устройства могут применяться для питания электронных блоков оптикоэлектронного измерителя тока (ОЭИТ) во всем диапазоне измеряемых токов, начиная с нуля ампер.
Наиболее близким по технической сущности к предлагаемому источнику питания и выбранным в качестве прототипа является емкостный трансформатор напряжения (A.M.Дымков, В.М.Кибель, Ю.В.Тишенин. Трансформаторы напряжения, изд-во «ЭНЕРГИЯ», Москва, 1975, стр.81-89, [2]), в состав которого входит емкостный делитель напряжения, содержащий конденсатор связи, который одной обкладкой соединен с питающей шиной и соединен последовательно с конденсатором отбора мощности, одна обкладка которого заземлена. Конденсатор отбора мощности питает электромагнитную часть устройства питания. В свою очередь, электромагнитная часть имеет клеммы для подключения измерительных приборов и устройств релейной защиты и автоматики.
Однако известное устройство [2] не может быть использовано для питания устройств измерения, находящихся на высоком потенциале, так как одна обкладка конденсатора отбора мощности заземлена и поэтому питание электронных блоков ОЭИТ, находящихся под высоким потенциалом, не может быть осуществлено от конденсаторов отбора мощности емкостных делителей из состава трансформаторов напряжения типа НДЕ.
Задачей предлагаемого технического решения является создание компактной и недорогой конструкции источника питания, позволяющего питать находящуюся под высоким потенциалом нагрузку (например, электронные блоки ОЭИТ), стабилизированным напряжением во всем диапазоне значений токов.
Техническим эффектом от использования предлагаемого источника питания, предназначенного для питания находящихся под высоким потенциалом электронных блоков ОЭИТ, является высокая надежность предлагаемого устройства питания во всем диапазоне измеряемых токов от нуля ампер и высокая точность работы использующего его ОЭИТ.
Решение поставленной задачи и соответствующий технический результат достигаются тем, что в предлагаемом емкостном источнике питания, содержащем питающую шину, конденсатор отбора мощности и конденсатор связи, соединенные последовательно одними своими обкладками, и электромагнитное устройство, которое подсоединено параллельно к конденсатору отбора мощности и имеет клеммы для подсоединения нагрузки, находящейся под высоким потенциалом, в качестве питающей шины использован токопровод, ток которого управляет работой нагрузки, при этом другая обкладка конденсатора отбора мощности присоединена к токопроводу, а другая обкладка конденсатора связи заземлена.
Перечисленная совокупность отличительных признаков обеспечивает надежную систему электропитания во всем диапазоне измеряемых токов от нуля ампер. Это достигается за счет того, что стабильное напряжение на электромагнитном устройстве и, как следствие, на выходных клеммах источника питания появляется одновременно с появлением номинального напряжения на линии электропередач при делении этого напряжения между конденсаторами емкостного делителя обратно пропорционально емкостям конденсаторов вне зависимости от величины тока нагрузки.
Сопоставление предлагаемого емкостного источника питания для питания нагрузки, находящейся под высоким потенциалом, с уровнем техники и отсутствие описания аналогичного технического решения в источниках информации позволяет сделать вывод о соответствии предлагаемого устройства критерию «новизна».
Заявляемое устройство характеризуется совокупностью признаков, проявляющих новые качества, что позволяет сделать вывод о соответствии критерию «изобретательский уровень».
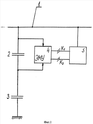
На фиг.1 изображена электрическая схема емкостного источника питания с присоединенной к его клеммам нагрузкой, находящейся под высоким потенциалом.
На фиг.2 схематически изображен в разрезе вариант практической реализации конструкции емкостного источника питания в составе оптикоэлектронного измерителя переменного тока.
Предлагаемый емкостный источник питания на фиг.1 содержит: токопровод 1; конденсатор отбора мощности 2; конденсатор связи 3; электромагнитное устройство (ЭМУ) 4 с клеммами К1 и К2 для подсоединения нагрузки 5, которая электрически соединена с токопроводом 1, который одновременно является питающей шиной предлагаемого емкостного источника питания. Конденсаторы отбора мощности 2 и связи 3 соединены одними обкладками последовательно, а другими – с токопроводом 1 и землей соответственно.
Измерительное устройство на фиг.2 содержит: кожух 6 для размещения в нем измерительных блоков ОЭИТ 7 и ЭМУ 4 емкостного источника питания; опорный проходной изолятор 8 для установки на нем кожуха 6; плоский заземленный электростатический экран 9, выполняющий функцию заземленной обкладки конденсатора связи 3; металлическую трубу 10, которая размещена вокруг кожуха 6, гальванически соединена с ним; металлический электростатический экран 11, который размещен вокруг трубы 10, изолирован от нее изоляционными прокладками 12. При этом внутренняя и внешняя поверхности электростатического металлического экрана 11 выполняют функции соединенных последовательно обкладок конденсаторов отбора мощности 2 и связи 3 соответственно. Кроме того, выполняющий функцию питающей шины для емкостного источника питания токопровод 1, ток которого одновременно управляет работой измерительного устройства, проходит через кожух 6 и электрически связан с ним, при этом труба 10 электрически соединена посредством металлического стержня 13 с кожухом и выполняет функцию присоединенной к токопроводу 1 (питающей шине) обкладки конденсатора отбора мощности 2. Кроме этого металлический электростатический экран 11 электрически соединен через проходной изолятор 14 на кожухе 6 с одним из входов ЭМУ 4, второй вход которого соединен через кожух 6 с токопроводом 1. А к клеммам К1 и К2 ЭМУ 4 присоединены электронные блоки ОЭИТ 7.
Предлагаемый емкостный источник питания на фиг.1 в составе измерительного устройства на фиг.2 работает следующим образом.
При подаче напряжения на токопровод 1 (т.е. на питающую шину источника питания) и тем самым на кожух 6 и металлическую трубу 10 это напряжение разделяется между конденсатором отбора мощности 2, обкладками которого служат труба 10 и внутренняя поверхность металлического электростатического экрана 11, и конденсатором связи 3, обкладками которого служат внешняя поверхность экрана 11 и плоский заземленный электростатический экран 9, обратно пропорционально величине емкости этих конденсаторов. Требуемый коэффициент деления напряжения может быть получен при изменении размеров металлической трубы 10, металлического электростатического экрана 11 и плоского заземленного экрана 9. Напряжение конденсатора 2 подводится к электромагнитному устройству 4 путем подсоединения к его входам кожуха 6 и экрана 11 через проходной изолятор 14 на кожухе 6. Предлагаемая на фиг.1 схема емкостного источника питания при любой величине тока, протекающего по токопроводу 1 (включая нулевое значение), обеспечивает стабильное значение напряжения на клеммах К1 и К2 нагрузки 5. В приведенном примере реализации с нагрузкой 5 в виде электронных блоков ОЭИТ 7 стабильное напряжение на их входе обеспечивает высокую надежность и точность работы измерительного устройства.
Формула изобретения
Емкостный источник питания, содержащий питающую шину, конденсатор отбора мощности, конденсатор связи, электромагнитное устройство с клеммами для подсоединения нагрузки, находящейся под высоким потенциалом, при этом одними обкладками конденсаторы отбора мощности и связи соединены друг с другом последовательно, а электромагнитное устройство подсоединено параллельно к конденсатору отбора мощности, отличающийся тем, что в качестве питающей шины использован токопровод, ток которого управляет работой нагрузки, при этом другая обкладка конденсатора отбора мощности присоединена к токопроводу, а другая обкладка конденсатора связи заземлена.
РИСУНКИ
|
|