|
|
(21), (22) Заявка: 2008105269/09, 12.02.2008
(24) Дата начала отсчета срока действия патента:
12.02.2008
(43) Дата публикации заявки: 20.08.2009
(46) Опубликовано: 10.02.2010
(56) Список документов, цитированных в отчете о поиске:
RU 2079881 C1, 20.05.1997. RU 2081452 C1, 10.06.1997. US 2004/0030432 A1, 12.02.2004. US 4215407, 29.07.1980. US 5812394 A, 22.09.1998.
Адрес для переписки:
346410, Ростовская обл., г. Новочеркасск, п/о 10, а/я 23, ЗАО “ИРИС”, генеральному директору А.П. Темиреву
|
(72) Автор(ы):
Архипов Андрей Викторович (RU), Ляпидов Константин Станиславович (RU), Никифоров Борис Владимирович (RU), Ермаков Владимир Филиппович (RU), Горобец Андрей Васильевич (RU)
(73) Патентообладатель(и):
Закрытое акционерное общество “ИРИС” (RU)
|
(54) РЕГИСТРАТОР ПАРАМЕТРОВ АВАРИЙНЫХ СИТУАЦИЙ В ЭЛЕКТРИЧЕСКИХ СЕТЯХ
(57) Реферат:
Изобретение относится к области информационно-измерительной и вычислительной техники и может быть использовано в электроэнергетике для регистрации параметров переходных процессов изменения напряжения и тока в электрических сетях при авариях. Техническим результатом является расширение функциональных возможностей устройства за счет обеспечения возможности регистрации параметров переходных процессов изменения напряжения и тока в электрических сетях при авариях, а также на интервалах времени, предшествующих аварийной ситуации. Технический результат достигается благодаря тому, что регистратор содержит группу аналоговых датчиков (АД) (1-2), группу цифровых датчиков (ЦЦ) (3-4), первый и второй коммутаторы (5, 6), первый (7), второй (8) третий (9) и четвертый (10) счетчики, первое (11), второе (12) и третье (13) оперативные запоминающие устройства (ОЗУ), постоянное запоминающее устройство (ПЗУ) (14), микроконтроллер (МК) (15), таймер (Т) (16), регистр (17), числовой компаратор (ЧК) (18) аналого-цифровой преобразователь (АЦП) (19), генератор (20) тактовых импульсов (ГТИ), первый (21), второй (22) и третий (23) триггеры, элемент И-НЕ (24) первый (25), второй (26), третий (27), четвертый (28) и пятый (29) элементы И, первый (30), второй (31) и третий (32) элементы ИЛИ, первый – одиннадцатый одновибраторы (33-43). 1 ил.
Изобретение относится к области информационно-измерительной и вычислительной техники и может быть использовано в электроэнергетике для регистрации параметров переходных процессов изменения напряжения и тока в электрических сетях при авариях.
Известно устройство для сбора, преобразования и передачи результатов измерения параметров физической среды (патент 2081452 РФ, МПК G06F 17/40. Устройство для сбора, преобразования и передачи результатов измерения параметров физической среды. / Т.Г.Самхарадзе (РФ). – 1997, Бюл. 16), содержащее аналоговые измерительные датчики, блок управления с адресно-информационной и командной магистралью, генератор тактовых импульсов, коммутатор, блок управления коммутатором, канал управления опросом датчиков, аналого-цифровой преобразователь, буферное запоминающее устройство, блок регистров результата, формирователь передаваемой информации, узел передачи данных и канал ввода-вывода.
Недостатком указанного аналога являются его узкие функциональные возможности – аналог предназначен для наблюдения за процессом изменения параметров контролируемых величин, но не может быть использован для регистрации параметров переходных процессов изменения напряжения и тока в электрических сетях при авариях, а также на интервалах времени, предшествующих аварийной ситуации.
Наиболее близким техническим решением к предлагаемому является устройство для сбора, обработки и пакетной передачи результатов измерения параметров физической среды (патент 2079881 РФ, МПК G06F 17/40. Устройство для сбора, обработки и пакетной передачи результатов измерения параметров физической среды. / Т.Г.Самхарадзе (РФ). – 1997, Бюл. 14), содержащее первую и вторую группы аналоговых измерительных датчиков, первую и вторую группы аналого-цифровых преобразователей, блоки обработки данных первой группы и блоки обработки данных второй группы, первый и второй коммутаторы, первый и второй блоки управления коммутаторами, четыре оперативных запоминающих устройства, два буферных запоминающих устройства, два формирователя передаваемой информации, два узла передачи данных, канал ввода-вывода и управляющий вычислительный комплекс с адресно-информационной и командной магистралью.
Недостатком прототипа также являются узкие функциональные возможности – прототип предназначен для наблюдения за процессом изменения параметров контролируемых величин, но не может быть использован для регистрации параметров переходных процессов изменения напряжения и тока в электрических сетях при авариях, а также на интервалах времени, предшествующих аварийной ситуации.
Технические задачи, решаемые изобретением, – расширение функциональных возможностей устройства за счет обеспечения возможности регистрации параметров переходных процессов изменения напряжения и тока в электрических сетях при авариях, а также на интервалах времени, предшествующих аварийной ситуации.
Указанные технические задачи решаются благодаря тому, что в устройство для сбора, обработки и пакетной передачи результатов измерения параметров физической среды, содержащее первый счетчик, первый и второй коммутаторы, микроконтроллер, аналого-цифровой преобразователь, группу аналоговых датчиков, первое, второе и третье оперативные запоминающие, генератор тактовых импульсов, выходы которого соединены третий – с тактовым входом первого счетчика, первый – с тактовым входом микроконтроллера, адресная шина которого соединена с объединенными адресными входами второго и третьего оперативных запоминающих устройств, вход управления записью последнего подключен к шине управления микроконтроллера, к которой также подключен вход управления состоянием выходов выходных регистров третьего оперативного запоминающего устройства, информационный выход первого счетчика соединен с управляющим входом первого коммутатора, информационные входы которого подключены к выходам группы аналоговых датчиков, дополнительно введены постоянное запоминающее устройство, таймер, регистр, числовой компаратор, второй – четвертый счетчики, первый – третий триггеры, элемент И-НЕ, первый – пятый элементы И, первый – третий элементы ИЛИ, первый – десятый одновибраторы, группа цифровых датчиков, выходы которых соединены с информационными входами второго коммутатора, управляющий вход которого объединен с первым входом числового компаратора, информационным входом регистра и группой старших разрядов адресного входа первого оперативного запоминающего устройства и подключен к информационному выходу первого счетчика, третий выход генератора тактовых импульсов через первый одновибратор соединен со входом запуска аналого-цифрового преобразователя, информационный вход которого подключен к выходу первого коммутатора, тактовый вход подключен ко второму выходу генератора тактовых импульсов, информационный выход соединен с информационным входом первого оперативного запоминающего устройства, вход управления записью которого подключен к выходу окончания цикла преобразования аналого-цифрового преобразователя, соединенному через второй одновибратор с объединенными третьим входом первого элемента И и инверсным входом третьего одновибратора, выходы которого соединены прямой – с первым входом первого элемента ИЛИ, а инверсный – через четвертый одновибратор с первым входом элемента И-НЕ, второй вход которого подключен к выходу второго коммутатора, соединенному через пятый одновибратор со входом управления записью регистра, вход управления состоянием выхода которого подключен к шине управления микроконтроллера, выход регистра соединен с шиной данных микроконтроллера и вторым входом числового компаратора, выход которого «=» соединен с объединенными первыми входами первого, второго и третьего элементов И, выход элемента И-НЕ соединен со входом установки единицы первого триггера, прямой выход которого соединен с объединенными вторыми входами первого и четвертого элементов И и входом шестого одновибратора, инверсный выход которого соединен со входом первого вектора прерываний микроконтроллера и через седьмой одновибратор – со входом установки единицы второго триггера, прямой выход которого соединен с первым входом пятого элемента И, второй вход которого подключен к первому выходу генератора тактовых импульсов, а выход пятого элемента И соединен с тактовым входом третьего триггера, выходы которого соединены соответственно через восьмой и девятый одновибраторы со вторыми входами второго и третьего элементов И, выход которого соединен с тактовым входом второго счетчика и вторыми входами второго и первого элементов ИЛИ, выход которого соединен с тактовым входом третьего счетчика и через четвертый элемент И с первым входом второго элемента ИЛИ, выход которого соединен с тактовым входом четвертого счетчика, информационный выход которого соединен с адресной шиной микроконтроллера, вход управления состоянием информационного выхода подключен к шине управления микроконтроллера, а выход переноса соединен со входом десятого одновибратора, выходы которого соединены прямой – со входом второго вектора прерываний микроконтроллера и входом установки нуля четвертого счетчика, инверсный – со входом установки нуля первого триггера, выход переноса второго счетчика соединен со входом одиннадцатого одновибратора, выходы которого соединены прямой – со входом установки нуля второго счетчика, инверсный – со входами установки нуля второго и третьего триггеров, информационный выход третьего счетчика соединен с группой младших разрядов адресного входа первого оперативного запоминающего устройства, информационный выход которого соединен с информационным входом второго оперативного запоминающего устройства, информационный выход которого соединен с информационным входом третьего оперативного запоминающего устройства, информационный выход которого соединен с шиной данных микроконтроллера, соединенной с информационным входом постоянного запоминающего устройства, адресный вход которого подключен к адресной шине микроконтроллера, а вход управления записью подключен к шине управления микроконтроллера, выход первого элемента И через третий элемент ИЛИ соединен со входом управления записью второго оперативного запоминающего устройства, тактовый вход таймера подключен к первому выходу генератора тактовых импульсов, вход захвата и вход управления состоянием выходов выходных регистров таймера подключены к шине управления микроконтроллера, а информационный выход таймера соединен с шиной данных микроконтроллера, выход второго элемента И соединен со вторым входом третьего элемента ИЛИ.
Существенными отличиями предлагаемого технического решения являются введение новых элементов в схему устройства (постоянного запоминающего устройства, таймера, регистра, числового компаратора, второго – четвертого счетчиков, первого – третьего триггеров, элемента И-НЕ, первого – пятого элементов И, первого – третьего элементов ИЛИ, первого – десятого одновибраторов, цифровых датчиков) и организация новой структуры устройства с новыми связями между элементами. Указанные существенные отличия обеспечивают достижение положительного эффекта – расширения функциональных возможностей за счет обеспечения возможности регистрации параметров переходных процессов изменения напряжения и тока в электрических сетях при авариях, а также на интервалах времени, предшествующих аварийной ситуации.
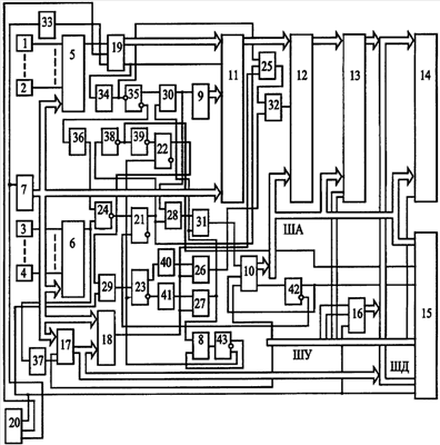
На чертеже представлена структурная схема регистратора параметров аварийных ситуаций в электрических сетях.
Регистратор содержит группу аналоговых датчиков (АД) 1-2, группу цифровых датчиков (ИД) 3-4, аналоговый 5 (АК) и цифровой 6 (ЦК) коммутаторы, первый 7, второй 8, третий 9 и четвертый 10 счетчики, первое 11, второе 12 и третье 13 оперативные запоминающие устройства (ОЗУ), постоянное запоминающее устройство (ПЗУ) 14, микроконтроллер (МК) 15, таймер (Т) 16, регистр 17, числовой компаратор (ЧК) 18, аналого-цифровой преобразователь (АЦП) 19, генератор 20 тактовых импульсов (ГТИ), первый 21, второй 22 и третий 23 триггеры, элемент И-НЕ 24, первый 25, второй 26, третий 27, четвертый 28 и пятый 29 элементы И, первый 30, второй 31 и третий 32 элементы ИЛИ, первый – одиннадцатый одновибраторы 33-43.
Выходы группы аналоговых датчиков 1 и 2 соединены с информационными входами первого коммутатора 5, выход которого через аналого-цифровой преобразователь 19 соединен с информационным входом первого оперативного запоминающего устройства 11, информационный выход которого соединен с информационным входом второго оперативного запоминающего устройства 12, информационный выход которого соединен с информационным входом третьего оперативного запоминающего устройства 13, информационный выход которого соединен с шиной ШД данных микроконтроллера 15, соединенной с информационным входом постоянного запоминающего устройства 14, вход управления записью которого подключен к шине управления ШУ микроконтроллера 15, соединенной также со входами управления состоянием выходов регистра 17, таймера 16, четвертого счетчика 10 и выходных регистров третьего оперативного запоминающего устройства 13, входами управления записью третьего оперативного запоминающего устройств 13 и постоянного запоминающего устройства 14, а также со входом захвата таймера 16, информационный выход которого соединен с шиной ШД данных микроконтроллера 15, а тактовый вход объединен с тактовым входом микроконтроллера 15 и вторым входом пятого элемента И 29 и подключен к первому выходу генератора 20 тактовых импульсов, второй выход которого соединен с тактовым входом аналого-цифрового преобразователя 19, а третий выход соединен со входом первого одновибратора 33 и тактовым входом первого счетчика 7, информационный выход которого соединен с управляющими входами первого 5 и второго 6 коммутаторов, с группой старших разрядов адресного входа первого оперативного запоминающего устройства 11, первым входом числового компаратора 18 и информационным входом регистра 17, выход которого соединен с шиной ШД данных микроконтроллера 15 и вторым входом числового компаратора 18, выход которого «=» соединен с объединенными первыми входами первого 25, второго 26 и третьего 27 элементов И, выходы группы цифровых датчиков 3-4 соединены с информационными входами второго коммутатора 6, выход которого соединен со вторым входом элемента И-НЕ 24 и через пятый одновибратор 37 со входом управления записью регистра 17, выход элемента И-НЕ 24 соединен со входом установки единицы первого триггера 21, прямой выход которого соединен с объединенными вторыми входами первого 25 и четвертого 28 элементов И и входом шестого одновибратора 38, инверсный выход которого соединен со входом первого вектора прерываний микроконтроллера 15 и через седьмой одновибратор 39 – со входом установки единицы второго триггера 22, прямой выход которого соединен с первым входом пятого элемента И 29, выход которого соединен с тактовым входом третьего триггера 23, выходы которого соединены соответственно через восьмой 40 и девятый 41 одновибраторы со вторыми входами второго 26 и третьего 27 элементов И, выход которого соединен с тактовым входом второго счетчика 8 и вторыми входами второго 31 и первого 30 элементов ИЛИ, выход которого соединен с тактовым входом третьего счетчика 9 и через четвертый элемент И 28 с первым входом второго элемента ИЛИ 31, выход которого соединен с тактовым входом четвертого счетчика 10, информационный выход которого соединен с адресной шиной ША микроконтроллера 15, а выход переноса соединен со входом десятого одновибратора 42, выходы которого соединены прямой – со входом второго вектора прерываний микроконтроллера 15 и входом установки нуля четвертого счетчика 10, инверсный – со входом установки нуля первого триггера 21, выход переноса второго счетчика 8 соединен со входом одиннадцатого одновибратора 43, выходы которого соединены прямой – со входом установки нуля второго счетчика 8, инверсный – со входами установки нуля второго 22 и третьего 23 триггеров, информационный выход третьего счетчика 9 соединен с группой младших разрядов адресного входа первого оперативного запоминающего устройства 11, выход первого одновибратора 33 соединен со входом запуска аналого-цифрового преобразователя 19, выход окончания цикла преобразования которого соединен со входом управления записью первого оперативного запоминающего устройства 11, соединенным через второй одновибратор 34 с объединенными третьим входом первого элемента И 25 и инверсным входом третьего одновибратора 35, выходы которого соединены прямой – с первым входом первого элемента ИЛИ 30, а инверсный – через четвертый одновибратор 36 с первым входом элемента И-НЕ 24, выход первого элемента И 25 через третий элемент ИЛИ 32 соединен со входом управления записью второго оперативного запоминающего устройства 12, адресная шина ША микроконтроллера 15 соединена с объединенными адресными входами второго 12 и третьего 13 оперативных запоминающих устройств и постоянного запоминающего устройства 14, выход второго элемента И 26 соединен со вторым входом третьего элемента ИЛИ 32.
Генератор 20 выполнен кварцевым, его частота равняется 1-20 МГц (в зависимости от необходимой точности). Частота импульсов на первом выходе ГТИ 20 является максимальной, на втором она ниже, на третьем еще ниже. Частоты могут отличаться на несколько порядков. Счетчики 8 и 9 имеют одинаковую емкость, которая равна числу выборок предаварийного процесса. Емкость счетчика 10 равняется числу выборок, получаемых за суммарное время аварийного и предаварийного процессов.
Таймер 16, представляющий собой часы реального времени, предназначен для регистрации астрономического времени аварии с точностью до секунд, он позволяет зафиксировать год, месяц, дату, часы, минуты и секунды начала аварии.
Регистратор работает следующим образом.
Информация непрерывно поступает от аналоговых датчиков 1 и 2, представляющих собой измерительные трансформаторы тока и напряжения. Выходы АД 1-2 поочередно подключаются через АК 5 ко входу АЦП 19 в зависимости от кода на выходе счетчика 7. Например, при коде 0000 на выходе счетчика 7 (соответствующем контролю информации в первом канале с датчиками АД 1 и ЦД 3) ко входу АЦП 19 подключен выход АД 1.
По переднему фронту очередного импульса со второго выхода ГТИ 20 запускается одновибратор 33, который своим выходным импульсом запускает АЦП 19. Импульсом с выхода окончания цикла преобразования последнего двоичный код очередной выборки процесса с выхода АД 1 записывается в ячейку ОЗУ 11 по адресу, формируемому счетчиками 7 и 9, например, 00000010 (старшая часть адресного кода 0000 формируется счетчиком 7, а младшая часть 0010 – счетчиком 9).
Импульс с выхода окончания цикла преобразования АЦП 19 также запускает одновибратор 34, по заднему фронту выходного импульса которого запускается одновибратор 35, выходной импульс которого, после прохождения через элемент ИЛИ 30, увеличивает на единицу содержимое счетчика 9 (оно становится равным 0011), подготавливая к записи информации ячейку ОЗУ 11 с адресом 00000011 при следующей выборке процесса с выхода АД 1.
По заднему фронту импульса с инверсного выхода одновибратора 35 запускается одновибратор 36, выходной импульс которого поступает на первый вход элемента И-НЕ 24.
При отсутствии аварии в первом канале с датчиком АД 1 соответствующий ему цифровой датчик ЦД 3 имеет на выходе нулевое напряжение. Это напряжение через коммутатор 6 прикладывается ко второму входу элемента И-НЕ 24 и блокирует его для прохождения импульсов с выхода одновибратора 36.
В случае аварии в первом канале на выходе ЦД 3 появляется единичное напряжение, которое прикладывается ко второму входу элемента И-НЕ 24 и запускает одновибратор 37. Последний записывает код 0000 с выхода счетчика 7 в регистр 17, выходной код которого поступает на ШД коммутатора 15 и прикладывается ко второму входу ЧК 18, к первому входу которого также приложен код 0000 с выхода счетчика 7.
Поскольку коды на первом и втором входах ЧК 18 выравниваются, то на его выходе «=» появляется единичное напряжение, которое прикладывается ко вторым входам элементов И 25-27.
В случае аварии импульс с выхода одновибратора 36 проходит через элемент И-НЕ 24 и переводит триггер 21 в единичное состояние, напряжение с выхода которого запускает одновибратор 38, выходной импульс которого переводит в единичное состояние триггер 22 и поступает на вход первого вектора прерываний микроконтроллера 15.
По первому вектору прерываний микроконтроллер 15 переходит на выполнение первого программного блока, который осуществляет запись номера канала (0000) и времени начала аварии в этом канале (код времени с выхода таймера 16) в области памяти ПЗУ 14, отведенной для регистрации данных по одной аварии. Выполнение программы в МК 15 осуществляется параллельно с работой аппаратной части регистратора. При этом в первую очередь, путем воздействия на вход захвата таймера 16 импульсом из ШУ МК 15, время аварии заносится в выходные регистры таймера 16. Затем номер канала 0000, в котором произошла авария, записывается из регистра 17 в ПЗУ 14, после чего выходы регистра 17 переходят в пассивное (так называемое третье) состояние. Далее выходы выходных регистров таймера 16 поочередно переходят (в зависимости от выбранного формата данных в ПЗУ 14) в активное состояние, и время аварии фиксируется в ПЗУ 14 с точностью до секунды.
Учитывая, что емкость счетчика 9 равна числу выборок предаварийного процесса, его код ООН, сформировавшийся для записи информации при следующей выборке процесса с выхода АД 1, одновременно является младшей частью адреса ячейки ОЗУ 11, в которой находится код выборки начала предаварийного процесса. В связи с этим, начиная с адреса 00000011 из ОЗУ 11 в ОЗУ 12 начинают переписываться выборки предаварийного процесса. Происходит это следующим образом.
После перехода в единичное состояние триггера 22 напряжение с его выхода прикладывается к первому входу элемента И 29, на второй вход которого поступают импульсы максимальной частоты с первого выхода ГТИ 20. Выходные импульсы элемента И 29 с такой же частотой начинают переключать триггер 23, напряжения выходов которого поочередно запускают одновибраторы 40 и 41.
После прохождения выходного импульса одновибратора 40 через элемент И 26 и элемент ИЛИ 32 код выборки начала предаварийного процесса переписывается из ячейки с адресом 00000011 ОЗУ 11 в ячейку с адресом 000000 ОЗУ 12.
После прохождения выходного импульса одновибратора 41 через элемент И 27 на единицу увеличивается содержимое счетчика 8 (оно становится равным 0001), а после прохождения импульса через элемент ИЛИ 30 на единицу увеличивается содержимое счетчика 9 (оно становится равным 0100), а после прохождения импульса через элемент ИЛИ 31 на единицу увеличивается содержимое счетчика 10 (оно становится равным 000001).
В следующем такте работы триггера 23 содержимое счетчиков становится равным: 8 – 0010,9 – 0101,10 – 000010 и т.д.
После полной перезаписи информации о предаварийном процессе из ОЗУ 11 в ОЗУ 12 содержимое счетчиков равно: 8 – 1111, 9 – 0011, 10 – 001111.
При этом на выходе переноса счетчика 8 появляется единичное напряжение, запускающее одновибратор 43, выходные импульсы которого устанавливают в нулевое состояние счетчик 8, а также триггеры 22 и 23.
После этого в ОЗУ 11 и 12 продолжается запись аварийного процесса в масштабе реального времени.
При очередной выборке аварийного процесса в первом канале импульс с выхода окончания цикла преобразования АЦП 19 записывает код выборки в ячейку ОЗУ 11 с адресом 0011, а импульс с выхода одновибратора 34 (после прохождения через элемент И 25 и элемент ИЛИ 32) записывает этот же код с выхода ОЗУ 11 в ячейку ОЗУ 12 с адресом 001111. 11
После этого импульс одновибратора 35, после прохождения через элемент ИЛИ 30, увеличивает на единицу содержимое счетчика 9 (оно становится равным 0100), а после прохождения еще и через элемент И 28 и элемент ИЛИ 31 увеличивает на единицу содержимое счетчика 10 (оно становится равным 010000).
Таким образом продолжается накопление информации в ОЗУ 11 и 12 до полного окончания аварийного процесса, длительность которого контролируется счетчиком 10.
При переполнении счетчика 10 на его выходе переноса появляется импульс, запускающий одновибратор 42, выходные импульсы которого устанавливают в нулевое состояние счетчик 10 и триггер 21, а также один из импульсов поступает на вход второго вектора прерываний МК 15.
По второму вектору прерываний МК 15 переходит на выполнение второго программного блока, который переписывает данные об аварийном и предаварийном процессах из ОЗУ 12 в ОЗУ 13. После этого полученные данные об аварии переписываются из ОЗУ 13 в ПЗУ 14 и размещаются в области памяти, отведенной для регистрации данных по первой аварии.
При следующих авариях регистратор работает аналогично.
Данные о предаварийных процессах всех каналов регистратора непрерывно накапливаются в ячейках ОЗУ 11. Наличие дополнительного ОЗУ 13 позволяет применять ПЗУ 14 любого быстродействия. Таймер 16, ГТИ 20, ОЗУ 11-13 и ПЗУ 14 могут быть встроенными в микроконтроллер 15.
Преимуществом предлагаемого регистратора по сравнению с известными является расширение функциональных возможностей устройства за счет обеспечения возможности регистрации параметров переходных процессов изменения напряжения и тока в электрических сетях при авариях, а также на интервалах времени, предшествующих аварийной ситуации.
Формула изобретения
Регистратор параметров аварийных ситуаций в электрических сетях, содержащий первый счетчик, первый и второй коммутаторы, первое, второе и третье оперативные запоминающие устройства, группу аналоговых датчиков, аналого-цифровой преобразователь, микроконтроллер, генератор тактовых импульсов, выходы которого соединены третий – с тактовым входом первого счетчика, первый – с тактовым входом микроконтроллера, адресная шина которого соединена с объединенными адресными входами второго и третьего оперативных запоминающих устройств, вход управления записью последнего подключен к шине управления микроконтроллера, к которой также подключен вход управления состоянием выходов выходных регистров третьего оперативного запоминающего устройства, информационный выход первого счетчика соединен с управляющим входом первого коммутатора, информационные входы которого подключены к выходам группы аналоговых датчиков, отличающийся тем, что в него дополнительно введены постоянное запоминающее устройство, таймер, регистр, числовой компаратор, второй – четвертый счетчики, первый – третий триггеры, элемент И-НЕ, первый – пятый элементы И, первый – третий элементы ИЛИ, первый – одиннадцатый одновибраторы, группа цифровых датчиков, выходы которых соединены с информационными входами второго коммутатора, управляющий вход которого объединен с первым входом числового компаратора, информационным входом регистра и группой старших разрядов адресного входа первого оперативного запоминающего устройства и подключен к информационному выходу первого счетчика, третий выход генератора тактовых импульсов через первый одновибратор соединен со входом запуска аналого-цифрового преобразователя, информационный вход которого подключен к выходу первого коммутатора, тактовый вход подключен ко второму выходу генератора тактовых импульсов, информационный выход соединен с информационным входом первого оперативного запоминающего устройства, вход управления записью которого подключен к выходу окончания цикла преобразования аналого-цифрового преобразователя, соединенному через второй одновибратор с объединенными третьим входом первого элемента И и инверсным входом третьего одновибратора, выходы которого соединены прямой – с первым входом первого элемента ИЛИ, а инверсный – через четвертый одновибратор с первым входом элемента И-НЕ, второй вход которого подключен к выходу второго коммутатора, соединенному через пятый одновибратор со входом управления записью регистра, вход управления состоянием выхода которого подключен к шине управления микроконтроллера, выход регистра соединен с шиной данных микроконтроллера и вторым входом числового компаратора, выход которого «=» соединен с объединенными первыми входами первого, второго и третьего элементов И, выход элемента И-НЕ соединен со входом установки единицы первого триггера, прямой выход которого соединен с объединенными вторыми входами первого и четвертого элементов И и входом шестого одновибратора, инверсный выход которого соединен со входом первого вектора прерываний микроконтроллера и через седьмой одновибратор – со входом установки единицы второго триггера, прямой выход которого соединен с первым входом пятого элемента И, второй вход которого подключен к первому выходу генератора тактовых импульсов, а выход пятого элемента И соединен с тактовым входом третьего триггера, выходы которого соединены соответственно через восьмой и девятый одновибраторы со вторыми входами второго и третьего элементов И, выход которого соединен с тактовым входом второго счетчика и вторыми входами второго и первого элементов ИЛИ, выход которого соединен с тактовым входом третьего счетчика и через четвертый элемент И с первым входом второго элемента ИЛИ, выход которого соединен с тактовым входом четвертого счетчика, информационный выход которого соединен с адресной шиной микроконтроллера, вход управления состоянием информационного выхода подключен к шине управления микроконтроллера, а выход переноса соединен со входом десятого одновибратора, выходы которого соединены прямой – со входом второго вектора прерываний микроконтроллера и входом установки нуля четвертого счетчика, инверсный – со входом установки нуля первого триггера, выход переноса второго счетчика соединен со входом одиннадцатого одновибратора, выходы которого соединены прямой – со входом установки нуля второго счетчика, инверсный – со входами установки нуля второго и третьего триггеров, информационный выход третьего счетчика соединен с группой младших разрядов адресного входа первого оперативного запоминающего устройства, информационный выход которого соединен с информационным входом второго оперативного запоминающего устройства, информационный выход которого соединен с информационным входом третьего оперативного запоминающего устройства, информационный выход которого соединен с шиной данных микроконтроллера, соединенной с информационным входом постоянного запоминающего устройства, адресный вход которого подключен к адресной шине микроконтроллера, а вход управления записью подключен к шине управления микроконтроллера, выход первого элемента И через третий элемент ИЛИ соединен со входом управления записью второго оперативного запоминающего устройства, тактовый вход таймера подключен к первому выходу генератора тактовых импульсов, вход захвата и вход управления состоянием выходов выходных регистров таймера подключены к шине управления микроконтроллера, а информационный выход таймера соединен с шиной данных микроконтроллера, выход второго элемента И соединен со вторым входом третьего элемента ИЛИ.
РИСУНКИ
|
|