|
|
(21), (22) Заявка: 2008150068/09, 17.12.2008
(24) Дата начала отсчета срока действия патента:
17.12.2008
(46) Опубликовано: 27.01.2010
(56) Список документов, цитированных в отчете о поиске:
KR 20040034627 А, 28.04.2004. SU 1078674 A1, 07.03.1984. SU 301880 A1, 01.01.1971. RU 32954 U1, 27.09.2003. US 7190208 В2, 13.03.2007. ЕР 1471626 А2, 27.10.2004.
Адрес для переписки:
430005, Республика Мордовия, г.Саранск, ул. Большевистская, 68, ГОУВПО “МГУ им. Н.П. Огарева”, отдел управления интеллектуальной собственностью
|
(72) Автор(ы):
Игольников Юрий Соломонович (RU), Буерин Игорь Николаевич (RU)
(73) Патентообладатель(и):
Государственное образовательное учреждение высшего профессионального образования “Мордовский государственный университет им. Н.П. Огарева” (RU)
|
(54) УСТРОЙСТВО ИНДУКЦИОННОГО НАГРЕВА
(57) Реферат:
Изобретение относится к области электротехники и может найти применение для индукционного нагрева металлических деталей. Устройство содержит основной полумост, выполненный на двух полевых транзисторах, подключенный через конденсатор к первичной обмотке разделительного трансформатора. Цепь управления полевых транзисторов содержит микросхему управления, между выводами RT и СТ которой подключена врямязадающая цепочка, между VCC и VB – диод, последовательно соединенный с конденсатором, а выводы НО и LO подключены через резисторы к затворам полевых транзисторов. Разделительный трансформатор выполнен с двумя вторичными обмотками, подключенными через токоограничивающие резисторы к полевым транзисторам, образующими дополнительный полумост. Одна из вторичных обмоток разделительного трансформатора подключена между затвором одного из полевых транзисторов и точкой его соединения с вторым полевым транзистором, а другая – между затвором второго полевого транзистора и общим проводом. Параллельно полевым транзисторам включены два последовательно соединенных конденсатора, между общей точкой которых и точкой соединения выводов полевых транзисторов включена нагревательная катушка. Изобретение позволяет повысить надежность работы устройства за счет осуществления гальванической развязки между силовой и управляющей цепями. 1 ил.
Изобретение относится к области электротехники и может найти применение для индукционного нагрева металлических деталей.
Недостатком этого устройства является отсутствие гальванической развязки управляющей цепи с силовой, в результате чего напряжение питания нагревательной катушки ограничивается максимально допустимым значением напряжения для драйвера, что ограничивает мощность нагрева. Кроме того, повышается вероятность выхода элементов схемы из строя за счет использования высокого напряжения в управляющей цепи.
Технический результат заключается в повышении надежности работы устройства за счет осуществления гальванической развязки между силовой и управляющей цепями.
Технический результат достигается тем, что устройство содержит основной полумост, выполненный на двух полевых транзисторах, подключенный через конденсатор к первичной обмотке разделительного трансформатора. Цепь управления полевых транзисторов содержит микросхему управления, между выводами RT и СТ которой подключена врямязадающая цепочка, между VCC и VB – диод, последовательно соединенный с конденсатором, а выводы НО и LO подключены через резисторы к затворам полевых транзисторов. Разделительный трансформатор выполнен с двумя вторичными обмотками, подключенными через токоограничивающие резисторы к полевым транзисторам, образующими дополнительный полумост. Одна из вторичных обмоток разделительного трансформатора подключена между затвором одного из полевых транзисторов и точкой его соединения с вторым полевым транзистором, а другая – между затвором второго полевого транзистора и общим проводом. Параллельно полевым транзисторам включены два последовательно соединенных конденсатора, между общей точкой которых и точкой соединения выводов полевых транзисторов включена нагревательная катушка.
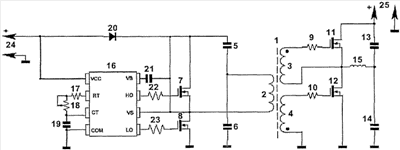
Устройство (см. чертеж) содержит разделительный трансформатор 1 с тремя обмотками: 2, 3, 4. К первичной обмотке 2 через конденсаторы 5 и 6 подключен основной полумост, выполненный на двух: полевых транзисторах 7 и 8. К вторичным обмоткам 3 и 4 трансформатора 1 подключены через токоограничивающие резисторы 9 и 10 затворы полевых транзисторов 11, 12, которые образуют дополнительный полумост повышенной мощности. Параллельно полевым транзисторам 11, 12 включены два последовательно соединенных конденсатора 13, 14, между общей точкой которых и точкой соединения выводов полевых транзисторов 11, 12 включена нагревательная катушка 15. Цепь управления полевыми транзисторами 7, 8 содержит микросхему 16, между выводами RT и СТ которой включена врямязадающая цепочка, включающая в себя резистор 17, переменный резистор 18 и конденсатор 19. Между выводами VCC и VB микросхемы 16 включен диод 20, последовательно соединенный с конденсатором 21. Выводы НО и LO подключены соответственно через резисторы 22 и 23 к затворам полевых транзисторов 7 и 8.
Работа устройства происходит следующим образом. Пусть в начальный момент времени открыт транзистор 7 (соответственно транзистор 8 закрыт). Ток протекает по цепочке положительный зажим 24 – диод 20 – транзистор 7 – первичная обмотка 2 – конденсатор 6. При этом происходит заряд конденсатора 6 с полярностью (+). В процессе заряда конденсатора во вторичной обмотке 3 трансформатора 1 возникает импульс напряжения, открывающий транзистор 11, и ток начинает протекать по цепочке положительный зажим 25 – транзистор 11 – нагревательная катушка 15 – конденсатор 14. При этом происходит заряд конденсатора 14 до напряжения источника питания 25, а транзистор 12 остается закрытым, так как между его затвором и истоком приложен импульс напряжения от вторичной обмотки 4 обратной полярности. В следующий момент времени транзистор 11 закрывается и открывается транзистор 12. Ток от источника питания низкого напряжения 24 начинает протекать по цепочке положительный зажим 24 – диод 20 – конденсатор 5 – транзистор 8. При этом происходит заряд конденсатора 5 до напряжения источника питания 24 и перезаряд конденсатора 6. Во вторичной обмотке 4 трансформатора 1 возникает импульс напряжения, открывающий транзистор 12. Ток источника питания высокого напряжения 25 начинает течь по цепочке положительный зажим 25 – конденсатор 13 – нагревательная катушка 15 – транзистор 12. При этом происходит заряд конденсатора 13 и перезаряд конденсатора 14. Транзистор 11 остается закрытым, так как между его затвором и истоком приложен импульс напряжения обратной полярности. При открытии транзистора 7 и закрытии транзистора 8 процесс повторяется снова.
Изменяя величину сопротивления резистора 18 при емкости конденсатора 19 в 1000 пФ и сопротивлении резистора 17 в 8 кОм, частота генерации может быть установлена в диапазоне 8-1000 кГц (в опытном образце для нагрева использовалась частота примерно 100-300 кГц).
Устройство было изготовлено в виде макета и показало его работоспособность.
По сравнению с известным решением предлагаемое позволяет повысить надежность работы устройства за счет осуществлении гальванической развязки между силовой и управляющей цепями.
Формула изобретения
Устройство для индукционного нагрева, содержащее основной полумост, выполненный на двух полевых транзисторах, подключенный через конденсатор к первичной обмотке разделительного трансформатора, цепь управления полевых транзисторов содержит микросхему управления, между выводами RT и СТ которой подключена времязадающая цепочка, между VCC и VB – диод, последовательно соединенный с конденсатором, а выводы НО и LO подключены через резисторы к затворам полевых транзисторов, отличающееся тем, что разделительный трансформатор выполнен с двумя вторичными обмотками, подключенными через токоограничивающие резисторы к полевым транзисторам, образующими дополнительный полумост, одна из вторичных обмоток разделительного трансформатора подключена между затвором одного из полевых транзисторов и точкой его соединения с вторым полевым транзистором, а другая – между затвором второго полевого транзистора и общим проводом, при этом параллельно полевым транзисторам включены два последовательно соединенных конденсатора, между общей точкой которых и точкой соединения выводов полевых транзисторов включена нагревательная катушка.
РИСУНКИ
|
|